Для активации новой учетной записи и ее подтверждения на Форуме - необходимо связаться с администратором по электронной почте p-i-n-o-k-i-o@mail.ru.
Все новые учетные записи не прошедшие подтверждения администратором воспринимаются как спам.
Все новые учетные записи не прошедшие подтверждения администратором воспринимаются как спам.
Ламповый гитарный усилитель "SLOM"
- Евгений Михеев
- Заслуженный Ветеран

- Сообщения: 4425
- Зарегистрирован: 22 май 2015, 11:52
- Откуда: Республика Коми, Ухта
- Благодарил (а): 301 раз
- Поблагодарили: 348 раз
- Контактная информация:
Владислав, вопрос. Так как я тут без программ, промоделировать не смогу.
Я тут несколько раз видел следующий мод.
Мой рисунок на предыдущей странице от руки. После второй половинки идёт связка 22н - 470р/470к- 470к в землю. Так вот, я видел ставят 1мегаом резистор сразу после 22н в землю. Дальнейшая связка сохраняется. Я полагаю, это должно уменьшить нагрузку для второй половинки. Но работает ли это, как фильтр?
Я расчет не прошу, просто чисто визуально оцените
Я тут несколько раз видел следующий мод.
Мой рисунок на предыдущей странице от руки. После второй половинки идёт связка 22н - 470р/470к- 470к в землю. Так вот, я видел ставят 1мегаом резистор сразу после 22н в землю. Дальнейшая связка сохраняется. Я полагаю, это должно уменьшить нагрузку для второй половинки. Но работает ли это, как фильтр?
Я расчет не прошу, просто чисто визуально оцените
Дорогу осилит идущий
- poty
- Профи

- Сообщения: 5015
- Зарегистрирован: 24 мар 2014, 10:00
- Откуда: Россия, Москва
- Благодарил (а): 189 раз
- Поблагодарили: 641 раз
- Контактная информация:
Не вижу необходимости в этом моде, так как ровно ту же "миссию" выполняет резистор 470к впараллель с 470p. Сомневаюсь, что это каким-то образом работает как фильтр. Домой приеду - промоделирую.Евгений Михеев писал(а):После второй половинки идёт связка 22н - 470р/470к- 470к в землю. Так вот, я видел ставят 1мегаом резистор сразу после 22н в землю. Дальнейшая связка сохраняется. Я полагаю, это должно уменьшить нагрузку для второй половинки. Но работает ли это, как фильтр?
Формально - может хотели сделать что-то в виде защиты от потери контакта движком переменного резистора... Ну, не знаю...
Будь это Hi-Fi - я бы убрал переходные конденсаторы и сделал всё на прямых соединениях. Токи маленькие, источники тока были бы самыми простенькими, всё настраивалось бы автоматически. Но я не знаю, что станет со звуком этого усилителя после этого. Гитарный усилитель всё же должен обладать немного другими свойствами.
Вот влияние. Я считаю, что оно отсутствует.
Владислав
- Евгений Михеев
- Заслуженный Ветеран

- Сообщения: 4425
- Зарегистрирован: 22 май 2015, 11:52
- Откуда: Республика Коми, Ухта
- Благодарил (а): 301 раз
- Поблагодарили: 348 раз
- Контактная информация:
Вот, о чем я писал ранее.
Это наш "грязный" канал, его я копал, как, собстственно, и входной каскад.
А вот кранч/клин я не трогал, оставив, как есть. Это верхний обход с оригинальной схемы что, первая страница. В итоге они очень похожи.
Разница только в делителе напряжения. Для Гейн канала 2.2М/470к, а для канала овердрайв 470к/470к. Хмм... Это наталкивает меня на определенные мысли. Не стоит тратить пол баллона на одно и то же. Надо просто заставить делитель напряжения делать из одного канала другой.
Владислав, спасибо за моделирование!
Тогда не берём его в расчет.
А вот кранч/клин я не трогал, оставив, как есть. Это верхний обход с оригинальной схемы что, первая страница. В итоге они очень похожи.
Разница только в делителе напряжения. Для Гейн канала 2.2М/470к, а для канала овердрайв 470к/470к. Хмм... Это наталкивает меня на определенные мысли. Не стоит тратить пол баллона на одно и то же. Надо просто заставить делитель напряжения делать из одного канала другой.
Владислав, спасибо за моделирование!
Тогда не берём его в расчет.
Дорогу осилит идущий
- Евгений Михеев
- Заслуженный Ветеран

- Сообщения: 4425
- Зарегистрирован: 22 май 2015, 11:52
- Откуда: Республика Коми, Ухта
- Благодарил (а): 301 раз
- Поблагодарили: 348 раз
- Контактная информация:
- poty
- Профи

- Сообщения: 5015
- Зарегистрирован: 24 мар 2014, 10:00
- Откуда: Россия, Москва
- Благодарил (а): 189 раз
- Поблагодарили: 641 раз
- Контактная информация:
За исключением номинала - никакого криминала. 
Параллельное включение переменных резисторов уменьшает сопротивление нагрузки в два раза.
Есть и ещё один момент. Когда я разбирал схему, мне было удивительно такое её построение. Но по мере того, как вскрывались особенности построения усилителей для гитар, я понял, что часто выбранный вариант - от безысходности. В оригинальной схеме имеются как последовательные блокираторы (примерно так, как изображено на Вашем последнем рисунке), так и параллельные ("замыкающие" сигнал на землю). Вызвано это тем, что, опять же - в отличие от акустический усилителей, уровень усиления - запредельный. К чему это я? Вот Вы нарисовали два LDR, насколько я понимаю, в последовательном включении. LDR, в отличие от обычного реле, имеет конечное сопротивление. Это сопротивление в оригинальной схеме всегда образует делитель с некоторой нагрузкой. Так как в выключенном состоянии оно большое (десятки гигаом, если не ошибаюсь), а нагрузочные сопротивления имеют значения в сотни килоом-единицы мегаом, то такой делитель способен ослабить сигнал на три-пять порядков (60-100дБ) только на последовательном включении, а в ряде случаев нагрузка шунтируется ещё теми же LDR, уменьшая сопротивление до долей ома, и тогда сигнал ослабляется уже гораздо сильнее. В Вашем случае нагрузки для LDR нет, то есть, он, фактически, работает на миллеровскую ёмкость лампы, которая на средних частотах может составлять при таком бешеном усилении десятки килоом, но на НЧ - быть и несколько мегаом. Не уверен, что такое включение полностью развяжет пути прохождения сигнала. Но в целом - нужно попробовать, иногда я "дую на воду".
Чтобы решение было более эффективным, мне нужно понять, для чего столько "ручечек" и "кнопочек"? Насколько оперативно должно быть переключение и изменение этих органов управления? И как (и где) Вы собираетесь переключать делитель напряжения каналов "гейн" и "овердрайв"?
Параллельное включение переменных резисторов уменьшает сопротивление нагрузки в два раза.
Есть и ещё один момент. Когда я разбирал схему, мне было удивительно такое её построение. Но по мере того, как вскрывались особенности построения усилителей для гитар, я понял, что часто выбранный вариант - от безысходности. В оригинальной схеме имеются как последовательные блокираторы (примерно так, как изображено на Вашем последнем рисунке), так и параллельные ("замыкающие" сигнал на землю). Вызвано это тем, что, опять же - в отличие от акустический усилителей, уровень усиления - запредельный. К чему это я? Вот Вы нарисовали два LDR, насколько я понимаю, в последовательном включении. LDR, в отличие от обычного реле, имеет конечное сопротивление. Это сопротивление в оригинальной схеме всегда образует делитель с некоторой нагрузкой. Так как в выключенном состоянии оно большое (десятки гигаом, если не ошибаюсь), а нагрузочные сопротивления имеют значения в сотни килоом-единицы мегаом, то такой делитель способен ослабить сигнал на три-пять порядков (60-100дБ) только на последовательном включении, а в ряде случаев нагрузка шунтируется ещё теми же LDR, уменьшая сопротивление до долей ома, и тогда сигнал ослабляется уже гораздо сильнее. В Вашем случае нагрузки для LDR нет, то есть, он, фактически, работает на миллеровскую ёмкость лампы, которая на средних частотах может составлять при таком бешеном усилении десятки килоом, но на НЧ - быть и несколько мегаом. Не уверен, что такое включение полностью развяжет пути прохождения сигнала. Но в целом - нужно попробовать, иногда я "дую на воду".
Чтобы решение было более эффективным, мне нужно понять, для чего столько "ручечек" и "кнопочек"? Насколько оперативно должно быть переключение и изменение этих органов управления? И как (и где) Вы собираетесь переключать делитель напряжения каналов "гейн" и "овердрайв"?
Владислав
- Евгений Михеев
- Заслуженный Ветеран

- Сообщения: 4425
- Зарегистрирован: 22 май 2015, 11:52
- Откуда: Республика Коми, Ухта
- Благодарил (а): 301 раз
- Поблагодарили: 348 раз
- Контактная информация:
Владислав, спасибо!
У нас шпиёнские страсти - Вы пытаете меня, стремясь понять конечную схему, я наоборот -Вас, пытаясь сформировать итоговые вопросы
На самом деле в течении дня-другого я выложу итоговую схему, я работаю над ней во всю, обозначу все переключения ключами а-ля реле, а там уж подумаем, как будем реализовывать. Я последние пару дней рождал в голове функционал, задавал себе вопросы - как мне удобно рулить усилитель в режиме реального времени. Например, во время концерта. Думаю, я ответил на большинство вопросов х, заданных себе. Сейчас переношу это на бумагу.
У нас шпиёнские страсти - Вы пытаете меня, стремясь понять конечную схему, я наоборот -Вас, пытаясь сформировать итоговые вопросы
На самом деле в течении дня-другого я выложу итоговую схему, я работаю над ней во всю, обозначу все переключения ключами а-ля реле, а там уж подумаем, как будем реализовывать. Я последние пару дней рождал в голове функционал, задавал себе вопросы - как мне удобно рулить усилитель в режиме реального времени. Например, во время концерта. Думаю, я ответил на большинство вопросов х, заданных себе. Сейчас переношу это на бумагу.
Дорогу осилит идущий
- Евгений Михеев
- Заслуженный Ветеран

- Сообщения: 4425
- Зарегистрирован: 22 май 2015, 11:52
- Откуда: Республика Коми, Ухта
- Благодарил (а): 301 раз
- Поблагодарили: 348 раз
- Контактная информация:
Ну вот, вот она. Пока пред.
Последний раз редактировалось Алаев Ян 19 сен 2017, 19:56, всего редактировалось 1 раз.
Причина: Поворот изображения
Причина: Поворот изображения
Дорогу осилит идущий
- Евгений Михеев
- Заслуженный Ветеран

- Сообщения: 4425
- Зарегистрирован: 22 май 2015, 11:52
- Откуда: Республика Коми, Ухта
- Благодарил (а): 301 раз
- Поблагодарили: 348 раз
- Контактная информация:
Нет, это не упрощение, упрощал я slom, тут логическое развитие схемы, эволюция, если можно так сказать. Я очень сильно хотел отделить чистый канал от перегрузов, как со стороны эквалайзера так и со стороны концепции.
Я хотел сделать канал овердрайв 2 в одном. Я хотел сделать входные каскады раздельными, потому как 1-2 мкФ в катодном резисторе звучит очень тонко на чистом звуке, а 22-30 мкФ очень басовито на перегрузе. Вообщем, сейчас это именно то, чего я хотел. Чуть позже напишу про режимы.
Вообщем опишу режимы.
Кстати, коли на девайсе будет zyu, можно подумать названия каналов по первым буквам, было бы интересно.
Первый - чистый. Это наш верхний обход. Звук гитары не будет перегружаться, а если и будет - можно срулить избыток усиления всегда. С другой стороны, канал обязан иметь запас по усилению для инструментов со слабыми звукоснимателями, либо звукоснимателями "сингл" один магнит. Я не мудрил с этим каналом сильно, просто взял его от одного из усилителей, который мне известен по звуку и который мне нравится.
Второй канал -овердрайв. Это нижний ламповый путь) на схеме обозначил его blue, это по сути как раз то, что сейчас я имею в своём slom. Хороший фактурный фирмовый овердрайв для ритм партий. Хорошее плотное дж-дж. Бонусом на этот канал идёт подключаемый резистор/конденсатор, призванный добавить усиления. При этом звук становится акцентированным по середине, так как конденсатор в 1мкф не даёт усилять область нижних частот. Это специальный бонус для гитар типа лес пол. Из красного дерева, с вязким звучанием. Им всегда хочется добавить остроты и акцента. В то же самое время гитары из Елена, например, да с активным датчиком с большим выхлопом по типу emg81 не нуждаются в этой раскачке. Им режим с одним лишь резистором 4.7к будет в самый раз. С другой стороны, имея этот режим подключаемо-отключаемым мы имеем функцию соло или буст. Одним словом в определенный момент композиции есть возможность вывести гитару на передний план. Солирование, как вариант.
Третий канал -(рэд) дисторшн, злой перегруженный инфернальный рык. Обязательно подойдёт для любителей играть самые экстремальные вариации металла в пониженных строях, или на семи-восьми струнных инструментах.
На самом деле иногда очень нужен режим, в котором можно раз ударить по стране и повесить ее на пол минуты. Тут очень важно иметь излишек усиления.
Я хотел сделать канал овердрайв 2 в одном. Я хотел сделать входные каскады раздельными, потому как 1-2 мкФ в катодном резисторе звучит очень тонко на чистом звуке, а 22-30 мкФ очень басовито на перегрузе. Вообщем, сейчас это именно то, чего я хотел. Чуть позже напишу про режимы.
Вообщем опишу режимы.
Кстати, коли на девайсе будет zyu, можно подумать названия каналов по первым буквам, было бы интересно.
Первый - чистый. Это наш верхний обход. Звук гитары не будет перегружаться, а если и будет - можно срулить избыток усиления всегда. С другой стороны, канал обязан иметь запас по усилению для инструментов со слабыми звукоснимателями, либо звукоснимателями "сингл" один магнит. Я не мудрил с этим каналом сильно, просто взял его от одного из усилителей, который мне известен по звуку и который мне нравится.
Второй канал -овердрайв. Это нижний ламповый путь) на схеме обозначил его blue, это по сути как раз то, что сейчас я имею в своём slom. Хороший фактурный фирмовый овердрайв для ритм партий. Хорошее плотное дж-дж. Бонусом на этот канал идёт подключаемый резистор/конденсатор, призванный добавить усиления. При этом звук становится акцентированным по середине, так как конденсатор в 1мкф не даёт усилять область нижних частот. Это специальный бонус для гитар типа лес пол. Из красного дерева, с вязким звучанием. Им всегда хочется добавить остроты и акцента. В то же самое время гитары из Елена, например, да с активным датчиком с большим выхлопом по типу emg81 не нуждаются в этой раскачке. Им режим с одним лишь резистором 4.7к будет в самый раз. С другой стороны, имея этот режим подключаемо-отключаемым мы имеем функцию соло или буст. Одним словом в определенный момент композиции есть возможность вывести гитару на передний план. Солирование, как вариант.
Третий канал -(рэд) дисторшн, злой перегруженный инфернальный рык. Обязательно подойдёт для любителей играть самые экстремальные вариации металла в пониженных строях, или на семи-восьми струнных инструментах.
На самом деле иногда очень нужен режим, в котором можно раз ударить по стране и повесить ее на пол минуты. Тут очень важно иметь излишек усиления.
Дорогу осилит идущий
- poty
- Профи

- Сообщения: 5015
- Зарегистрирован: 24 мар 2014, 10:00
- Откуда: Россия, Москва
- Благодарил (а): 189 раз
- Поблагодарили: 641 раз
- Контактная информация:
В нём есть переключатель, никак не обозначенный.Евгений Михеев писал(а):Первый - чистый. Это наш верхний обход.
Второй канал также имеет странный переключатель D-N-B. Также непонятны S1, S5.Евгений Михеев писал(а):Второй канал -овердрайв.
Параллельные переменные резисторы имеют общее сопротивление в 2 раза ниже. Это учтено?
Владислав
- Евгений Михеев
- Заслуженный Ветеран

- Сообщения: 4425
- Зарегистрирован: 22 май 2015, 11:52
- Откуда: Республика Коми, Ухта
- Благодарил (а): 301 раз
- Поблагодарили: 348 раз
- Контактная информация:
Я переношу все в электронный вид, чтобы была возможность править, на бумаге - достаточно сложно вносить корректировки.
DNB это наш dark normal bright.
Кстати, я сейчас понял, что если оба тумблерное перевести в положение dark, получим дабл Дарк)))
S1 это я так глушу овердрайв канал во время работы чистого, но нужна ли эта глушилка в принципе?
S5 переключение между двумя громкостями овердрайв и дисторшн каналов.
Я сейчас допилю схему в электронном виде и начнем)
Параллельные переменники учтены. 500 килоом там за глаза.
DNB это наш dark normal bright.
Кстати, я сейчас понял, что если оба тумблерное перевести в положение dark, получим дабл Дарк)))
S1 это я так глушу овердрайв канал во время работы чистого, но нужна ли эта глушилка в принципе?
S5 переключение между двумя громкостями овердрайв и дисторшн каналов.
Я сейчас допилю схему в электронном виде и начнем)
Параллельные переменники учтены. 500 килоом там за глаза.
Дорогу осилит идущий
- Евгений Михеев
- Заслуженный Ветеран

- Сообщения: 4425
- Зарегистрирован: 22 май 2015, 11:52
- Откуда: Республика Коми, Ухта
- Благодарил (а): 301 раз
- Поблагодарили: 348 раз
- Контактная информация:
Я всё это обязательно распишу. Мы еще "поколдуем" совместно над несколькими моментами.poty писал(а):Т.е., могут ли использоваться обычные переключатели или нужно обеспечивать своего рода дистанционное переключение?
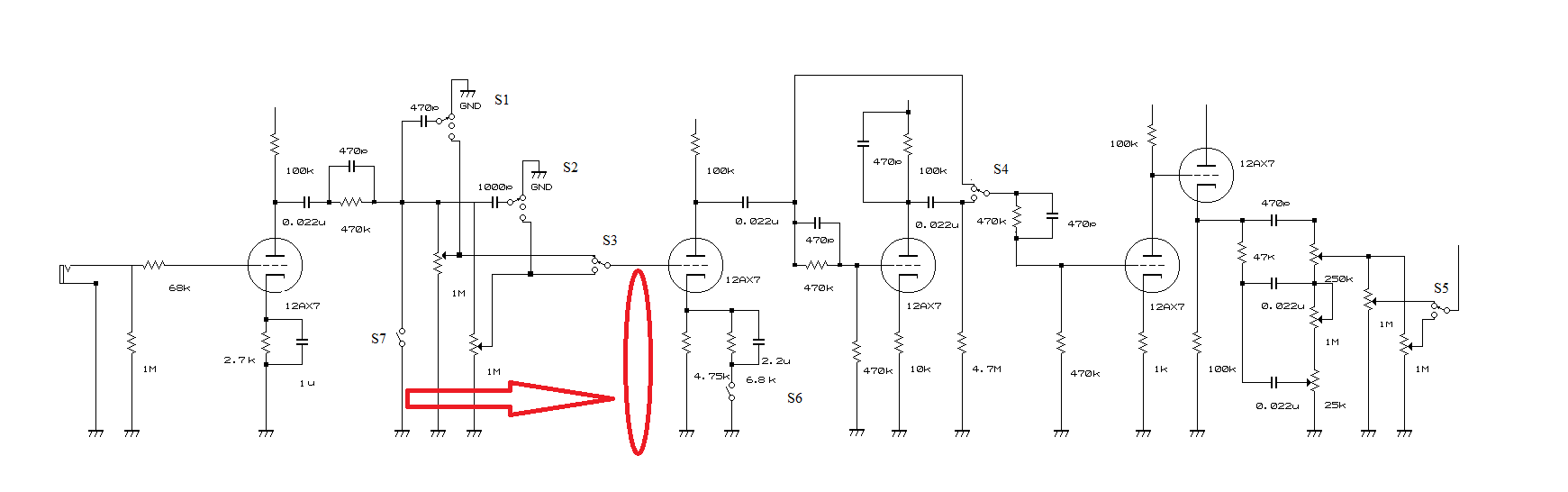
Итак, вот, что я сделал за сегодня. Чистый канал дорисую завтра, и расставлю обозначения R1-R2... Сначала хотелось бы обсудить этот канал, может чего добавим, или выкинем, наоборот
Пока распишу по тумблерам/реле.
S1 и S2 это предэквалайзерные фильтры тона. Исполнение - тумблеры прямо под потенциометрами Gain. Механика в чистом виде. 3 положения - дарк, нормал, брайт. Я специально поставил на одном тумблере 470 пФ, а на другом 1000 пФ, так как планирую подобрать наиболее удачный конденсатор именно опытным путем.
S3, S4, S5 - переключаются разом. Исполнение - ножной переключатель, можно (нужно) продублировать на лицевой панели. Это 2 разных характера перегруза, разделим их как овердрайв и дисторшн. В дисторшне у нас добавляется еще один триод. На каждый режим свои потенциометры Gain (два первых мегаомника) и Volume (после эквалайзера).
S6 - буст - ножной переключатель + дублируем на панели тумблером. Усиливаем перегруз. Приятная фишка - действует и на овердрайве и на дисторшне, позволит чуть "вывести вперед" гитару во время исполнения соло.
S7 - честно? Поставил наугад, так как видел подобное "глушение" канала на многих усилителях. Но испытываю сомнения в правильности такого приёма, и необходимости.
С другой стороны, возьмем тот же ORANGE ROCKERVERB Так же оба канала после входного триода гасят об землю( в зависимости от выбранного: вверху овер, внизу клин), правда, через резистор 47 Ом.
Вообщем наличие и необходимость этого реле - вопрос номер один.
Я понимаю, что на выходе каналы разделены реле, но не просто так они сигнал и вначале пути гасят. Только масла в голове пока не хватает понять....
Вопрос номер два - включение дополнительного триода в режиме дисторшн.
Идея была такая - сделать что перед третьим, что перед четвертым триодом делитель 470К+470пФ/470К. У третьего триода "песок" в звуке подрезать конденсатором, шунтирующим анодный резистор (значение от 470пФ до 1 нФ подобрать), как и подобрать катодный резистор от 10К до 39К.
Но сейчас я понимаю, что при переключении S4 будет меняться нарузка третьего триода. Сейчас уже голова плывет - устал немного, но надо подумать над этим моментом.
Дорогу осилит идущий
- poty
- Профи

- Сообщения: 5015
- Зарегистрирован: 24 мар 2014, 10:00
- Откуда: Россия, Москва
- Благодарил (а): 189 раз
- Поблагодарили: 641 раз
- Контактная информация:
Здесь нужно учитывать опыт. Я так понимаю, что усиление здесь чрезвычайно высокое, что делает возможным слышимость сигнала даже через ёмкость разомкнутых контактов реле (или импеданс утечки LDR). Скорее всего, эта добавка, в виде замыкания на землю, резко снижает вероятность такого проникновения.Евгений Михеев писал(а):наличие и необходимость этого реле - вопрос номер один.
Если бы третий триод работал в обоих положениях S4 это могло бы быть проблемой. Но S4 включает третий каскад в работу, поэтому он всегда работает с одинаковой нагрузкой.Евгений Михеев писал(а):Вопрос номер два - включение дополнительного триода в режиме дисторшн ... при переключении S4 будет меняться нарузка третьего триода.
Мы потенциометры в плату будем впаивать? Аналогичный вопрос - про тумблеры.Евгений Михеев писал(а):Исполнение - тумблеры прямо под потенциометрами Gain. Механика в чистом виде. 3 положения - дарк, нормал, брайт.
Владислав
- Евгений Михеев
- Заслуженный Ветеран

- Сообщения: 4425
- Зарегистрирован: 22 май 2015, 11:52
- Откуда: Республика Коми, Ухта
- Благодарил (а): 301 раз
- Поблагодарили: 348 раз
- Контактная информация:
Я думаю, не стоит усложнять себе жизнь. И монтаж и последующее обслуживание проще, если что-то потребует ремонта. По моему скромному опыту обслуживания усилителей не впаивать гораздо удобнейpoty писал(а):Мы потенциометры в плату будем впаивать? Аналогичный вопрос - про тумблеры.
Дорогу осилит идущий
- poty
- Профи

- Сообщения: 5015
- Зарегистрирован: 24 мар 2014, 10:00
- Откуда: Россия, Москва
- Благодарил (а): 189 раз
- Поблагодарили: 641 раз
- Контактная информация:
Я просто сразу спрашиваю, чтобы прикинуть, как это может быть.
Второй вопрос:
Второй вопрос:
Евгений Михеев писал(а):S3, S4, S5 ... ножной переключатель, можно (нужно) продублировать на лицевой панели
Этот дубляж меня смущает. Эти переключатели "с защёлкой", то есть после переключения он остаётся в такой позиции? Как сдублировать положение такого переключателя на передней панели?Евгений Михеев писал(а):буст - ножной переключатель + дублируем на панели тумблером
Владислав
- Евгений Михеев
- Заслуженный Ветеран

- Сообщения: 4425
- Зарегистрирован: 22 май 2015, 11:52
- Откуда: Республика Коми, Ухта
- Благодарил (а): 301 раз
- Поблагодарили: 348 раз
- Контактная информация:
Я точно знаю, что так можноpoty писал(а):Этот дубляж меня смущает. Эти переключатели "с защёлкой", то есть после переключения он остаётся в такой позиции? Как сдублировать положение такого переключателя на передней панели?
Да, это кнопки ножного переключателя, по сути те же DPDT/SPDT и так далее, что душа пожелает.
Как правило как это работает:
дубляж на усилителе нужен только для одного - нет/барахлит/забыли футконтроллер.
Делают это на разъёме под стереоджэк.
У меня хорошие новости - завтра я забираю гитарник в неработающем состоянии, как раз от моего знакомого мастера AZG, можно будет прямо на его работе посмотреть что-то, какие-то интересующие нас моменты. Заодно пойму, ерунду он делает или хорошие аппараты
Это точно, именно это я и нашел в интернете. Так что такие выключения предусмотрим.poty писал(а):Здесь нужно учитывать опыт. Я так понимаю, что усиление здесь чрезвычайно высокое, что делает возможным слышимость сигнала даже через ёмкость разомкнутых контактов реле (или импеданс утечки LDR). Скорее всего, эта добавка, в виде замыкания на землю, резко снижает вероятность такого проникновения.
Единственное, не логичней ли сделать это соединение с землей у сетки после рулей ручек Gain?Евгений Михеев писал(а):Это точно, именно это я и нашел в интернете. Так что такие выключения предусмотрим.
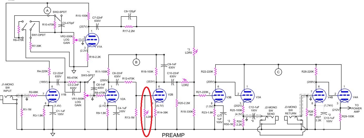
Так сделано тут, например. Имею ввиду, не притяжка руля, а притяжка сетки. То-есть выразить это в таком виде А теперь мой вчерашний вопрос номер два.
Извиняюсь, я вчера неверно его сформулировал, речь шла о втором каскаде. Я имел ввиду следующее Рисунок начинается со второго каскада, первый я не стал отрисовывать. Сверху третий каскад не включен, снизу - включен. Нагрузку я имел ввиду для второго каскада
Дорогу осилит идущий
- poty
- Профи

- Сообщения: 5015
- Зарегистрирован: 24 мар 2014, 10:00
- Откуда: Россия, Москва
- Благодарил (а): 189 раз
- Поблагодарили: 641 раз
- Контактная информация:
По поводу вопроса №2. Я, если честно, не понимаю всех этих корректирующих цепочек (их необходимости) и необходимости такого переключения также. Но, допустим, что Вы хотите возвести коэффициент усиления в квадрат в некоторых случаях. Не принимая во внимание последствия: почему переключение сделано именно в этом месте? Допустим, выход второго каскада можно было бы взять не с конденсатора 22нФ, а с сетки третьего каскада. При этом цепочка 470пФ||470кОм + 470кОм стала бы частью добавленного (третьего) каскада - вместо сопротивления 4,7МОм - и выход бы брался именно с неё. Для развязки сеток можно было бы поставить последовательно с ними резисторы в 100Ом (HiFi-шный трюк, может это как-то влияет на драйв - не знаю, теоретически можно вообще не ставить резисторы).
(Мечты) Сейчас времени у нас нет, но на будущее: раз уж мы не заботимся ни разу об искажениях (а даже их стараемся привнести), то, может, переключать не сам каскад, а, допустим, его анодные резисторы? Т.е., (грубо) с 100к резистором каскад имеет усиление 30, а с 25кОм - 6. Всегда работают два каскада. В первом случае усиление 6*6=36, во-втором 30*30=900. Можно также играться катодными резисторами, но в этом случае ООС не даст появиться искажениям.
Теперь по нарисованной начисто схеме (MARSH рабочий). S1 и S2 переключаются вместе? Если да, то это приведёт к непредвиденным последствиям. Например, в верхнем положении будут действовать оба конденсатора 470пФ и 1000пФ в параллель на землю. В нижнем положении АЧХ будет изменяться не только при изменении положения ручки регулятора, выбранного S3 (что по мне - так странно, но Вы сказали, что это так нужно), но и "отключенного" регулятора. Причина - та же: "отключенный" регулятор будет в цепи сигнала.
Также непонятна выходная группа потенциометров. Вообще, мне сложно соотнести назначение потенциометров с их расположением в схеме. Они достаточно специфичны для гитарных усилителей, посему сложнее их "отследить".
(Мечты) Сейчас времени у нас нет, но на будущее: раз уж мы не заботимся ни разу об искажениях (а даже их стараемся привнести), то, может, переключать не сам каскад, а, допустим, его анодные резисторы? Т.е., (грубо) с 100к резистором каскад имеет усиление 30, а с 25кОм - 6. Всегда работают два каскада. В первом случае усиление 6*6=36, во-втором 30*30=900. Можно также играться катодными резисторами, но в этом случае ООС не даст появиться искажениям.
Теперь по нарисованной начисто схеме (MARSH рабочий). S1 и S2 переключаются вместе? Если да, то это приведёт к непредвиденным последствиям. Например, в верхнем положении будут действовать оба конденсатора 470пФ и 1000пФ в параллель на землю. В нижнем положении АЧХ будет изменяться не только при изменении положения ручки регулятора, выбранного S3 (что по мне - так странно, но Вы сказали, что это так нужно), но и "отключенного" регулятора. Причина - та же: "отключенный" регулятор будет в цепи сигнала.
Также непонятна выходная группа потенциометров. Вообще, мне сложно соотнести назначение потенциометров с их расположением в схеме. Они достаточно специфичны для гитарных усилителей, посему сложнее их "отследить".
Владислав
- Евгений Михеев
- Заслуженный Ветеран

- Сообщения: 4425
- Зарегистрирован: 22 май 2015, 11:52
- Откуда: Республика Коми, Ухта
- Благодарил (а): 301 раз
- Поблагодарили: 348 раз
- Контактная информация:
Интуитивно, на самом деле. Просто есть сейчас собранный аппарат без третьего каскада (1,2,4 и КП), звучит отлично, но нужен еще режим с бОльшим усилением.poty писал(а):Не принимая во внимание последствия: почему переключение сделано именно в этом месте?
Можно! И эта идея мне нравится, я ее нарисую себе для полного понимания. Но примерно понимаю, о чем Вы. Если Вам по ходу бросаются в глаза некоторые моменты, сразу пишите об этом. Я могу в своем глазу бревна не видеть, запросто.poty писал(а):Допустим, выход второго каскада можно было бы взять не с конденсатора 22нФ, а с сетки третьего каскада. При этом цепочка 470пФ||470кОм + 470кОм стала бы частью добавленного (третьего) каскада - вместо сопротивления 4,7МОм - и выход бы брался именно с неё. Для развязки сеток можно было бы поставить последовательно с ними резисторы в 100Ом (HiFi-шный трюк, может это как-то влияет на драйв - не знаю, теоретически можно вообще не ставить резисторы).
Я такого не встречал никогда, но - это не значит, что так нельзя. Я хочу экспериментировать в этом. Так ведь не долго и колесо изобрести - и это великолепно.poty писал(а):(Мечты) Сейчас времени у нас нет, но на будущее: раз уж мы не заботимся ни разу об искажениях (а даже их стараемся привнести), то, может, переключать не сам каскад, а, допустим, его анодные резисторы? Т.е., (грубо) с 100к резистором каскад имеет усиление 30, а с 25кОм - 6. Всегда работают два каскада. В первом случае усиление 6*6=36, во-втором 30*30=900. Можно также играться катодными резисторами, но в этом случае ООС не даст появиться искажениям.
Тут я рисовал "хотелку", не более. Да, тут мои инженерные решения выглядят сыро. Надо додумать. Я реализовал это так, потому что разместить на панели тумблер над потенциометром - легко физически. Но то, что ручки и тумблеров два - я не учел. Надо подумать еще.poty писал(а):S1 и S2 переключаются вместе? Если да, то это приведёт к непредвиденным последствиям. Например, в верхнем положении будут действовать оба конденсатора 470пФ и 1000пФ в параллель на землю. В нижнем положении АЧХ будет изменяться не только при изменении положения ручки регулятора, выбранного S3 (что по мне - так странно, но Вы сказали, что это так нужно), но и "отключенного" регулятора. Причина - та же: "отключенный" регулятор будет в цепи сигнала.
Мой косяк, не подписал кто есть кто, доработаю схему!poty писал(а):Также непонятна выходная группа потенциометров. Вообще, мне сложно соотнести назначение потенциометров с их расположением в схеме. Они достаточно специфичны для гитарных усилителей, посему сложнее их "отследить".
Дорогу осилит идущий
-
- Похожие темы
- Ответы
- Просмотры
- Последнее сообщение
-
-
Отключаемый параллельный ламповый буфер
Евгений Михеев » 25 дек 2024, 17:56 » в форуме Раздел Потапова Владислава - 41 Ответы
- 37589 Просмотры
-
Последнее сообщение Евгений Михеев
10 авг 2025, 13:17
-
Кто сейчас на конференции
Сейчас этот форум просматривают: нет зарегистрированных пользователей и 0 гостей