Для активации новой учетной записи и ее подтверждения на Форуме - необходимо связаться с администратором по электронной почте p-i-n-o-k-i-o@mail.ru.
Все новые учетные записи не прошедшие подтверждения администратором воспринимаются как спам.
Все новые учетные записи не прошедшие подтверждения администратором воспринимаются как спам.
Высоковольтный шунт-регулятор
- Евгений Михеев
- Заслуженный Ветеран

- Сообщения: 4467
- Зарегистрирован: 22 май 2015, 11:52
- Откуда: Республика Коми, Ухта
- Благодарил (а): 323 раза
- Поблагодарили: 354 раза
- Контактная информация:
- Евгений Михеев
- Заслуженный Ветеран

- Сообщения: 4467
- Зарегистрирован: 22 май 2015, 11:52
- Откуда: Республика Коми, Ухта
- Благодарил (а): 323 раза
- Поблагодарили: 354 раза
- Контактная информация:
Да, Владислав, я тоже об этом подумал, поэтому провел повторый замер, подав напряжение с внешнего БП 15вольт - всё в порядке, источник дает деобходимые 30мА.
Отправлено спустя 50 минут 49 секунд:
А вот с tl431 явно проблемы.
Один из щупов устанавливаю на шину pos in, и поехал по резисторам.
pos in - r203 -1.86V
posin-r202 - 1.86V
posin-r201 - 1.86V
Получается, если с увеличением сопротивлений напряжение не менятеся, то ток в этой цепочке не протекает?
Отправлено спустя 5 минут 14 секунд:
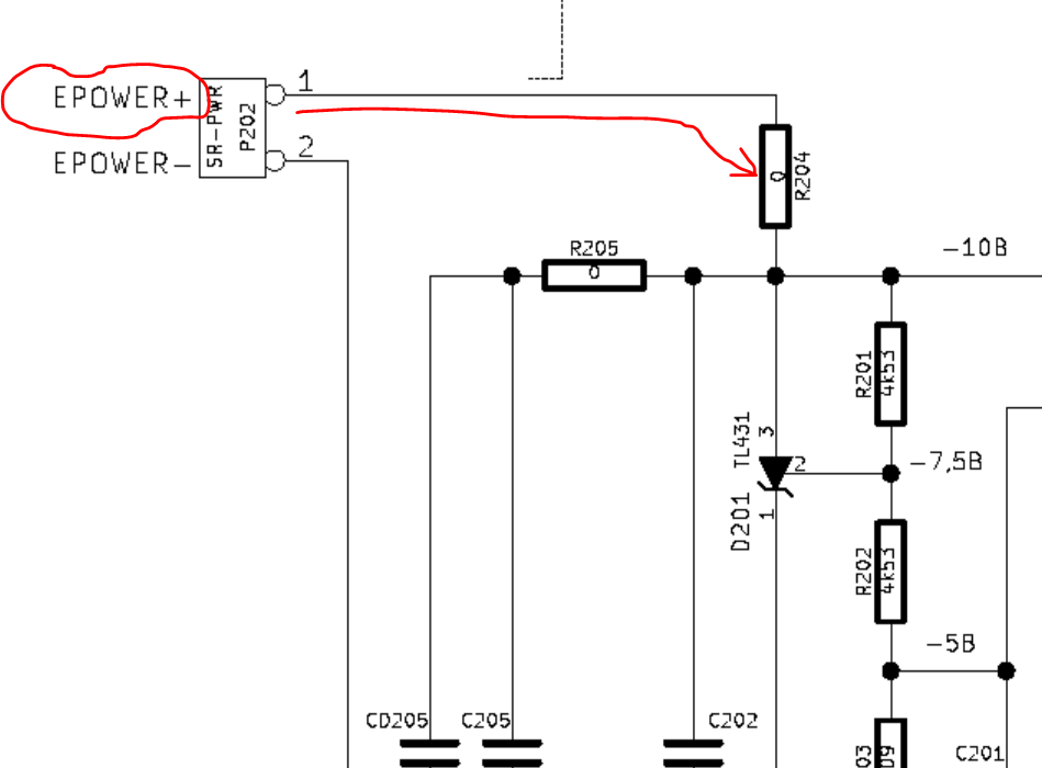
У нас установлен R204, он дает контакт с разьемом p202 EPOWER+, так?
Но тогда вопрос - почему EPOWER+ не замыкается больше ни с чем? Или я упускаю какое-то соединение внутри платы?
Дорогу осилит идущий
- poty
- Профи

- Сообщения: 5045
- Зарегистрирован: 24 мар 2014, 10:00
- Откуда: Россия, Москва
- Благодарил (а): 191 раз
- Поблагодарили: 663 раза
- Контактная информация:
R204 соединяется с EPOWER-, к нему подключен источник тока на LR8.Евгений Михеев писал(а): ↑23 апр 2019, 12:55У нас установлен R204, он дает контакт с разьемом p202 EPOWER+, так?
Такого быть не может, здесь какая-то ошибка.Евгений Михеев писал(а): ↑23 апр 2019, 12:55pos in - r203 -1.86V
posin-r202 - 1.86V
posin-r201 - 1.86V
Владислав
- Евгений Михеев
- Заслуженный Ветеран

- Сообщения: 4467
- Зарегистрирован: 22 май 2015, 11:52
- Откуда: Республика Коми, Ухта
- Благодарил (а): 323 раза
- Поблагодарили: 354 раза
- Контактная информация:
- Евгений Михеев
- Заслуженный Ветеран

- Сообщения: 4467
- Зарегистрирован: 22 май 2015, 11:52
- Откуда: Республика Коми, Ухта
- Благодарил (а): 323 раза
- Поблагодарили: 354 раза
- Контактная информация:
- Евгений Михеев
- Заслуженный Ветеран

- Сообщения: 4467
- Зарегистрирован: 22 май 2015, 11:52
- Откуда: Республика Коми, Ухта
- Благодарил (а): 323 раза
- Поблагодарили: 354 раза
- Контактная информация:
Может и он. Проверю.
Было - именно то, что спрашивал. Изначально то собирал схему по первой реализации, потом после экспериментов всё пересобирал по "упрощенной", ориентировался не на цифры разъёмов, а на подписи pos in - и так далее.
Отправлено спустя 1 час 17 минут 34 секунды:
6.8
8.7
11.7
Напряжения относительно pos in на R302, R203+202, R203+202+201 соответственно.
Напряжения больше ожидаемых. TL431?
Отправлено спустя 19 минут 32 секунды:
Не могли ли мы ошибиться в расчетах? Хотя вроде как у меня Iadj большое, при уменьшении на выходе значение приближается к 10-ти...
Было - именно то, что спрашивал. Изначально то собирал схему по первой реализации, потом после экспериментов всё пересобирал по "упрощенной", ориентировался не на цифры разъёмов, а на подписи pos in - и так далее.
Отправлено спустя 1 час 17 минут 34 секунды:
6.8
8.7
11.7
Напряжения относительно pos in на R302, R203+202, R203+202+201 соответственно.
Напряжения больше ожидаемых. TL431?
Отправлено спустя 19 минут 32 секунды:
Не могли ли мы ошибиться в расчетах? Хотя вроде как у меня Iadj большое, при уменьшении на выходе значение приближается к 10-ти...
Последний раз редактировалось Евгений Михеев 23 апр 2019, 20:36, всего редактировалось 1 раз.
Дорогу осилит идущий
- Роман Мирошниченко
- Заслуженный Ветеран

- Сообщения: 4415
- Зарегистрирован: 09 май 2014, 13:31
- Откуда: Саратов
- Благодарил (а): 536 раз
- Поблагодарили: 187 раз
- Контактная информация:
- Евгений Михеев
- Заслуженный Ветеран

- Сообщения: 4467
- Зарегистрирован: 22 май 2015, 11:52
- Откуда: Республика Коми, Ухта
- Благодарил (а): 323 раза
- Поблагодарили: 354 раза
- Контактная информация:
- poty
- Профи

- Сообщения: 5045
- Зарегистрирован: 24 мар 2014, 10:00
- Откуда: Россия, Москва
- Благодарил (а): 191 раз
- Поблагодарили: 663 раза
- Контактная информация:
Я не совсем понял, что Вы считаете? TL431 действует несколько по-другому, чем обычные трёхногие регуляторы. На R201 (между его выводами) должно быть 2,5В. Между анодом и катодом - пропорционально резистивному делителю: [(9,09+4,53*2)/4,53]*2.5=10,02В.
То, что там больше, говорит о том, что на Base приходит ток с сенсора (цепь ООС) через D202-D203. 7,5В стабилитрон + падение напряжения на этих диодах. Т.о., регулировки не происходит. Потому и на U202 тока нет - он весь идёт в стабилитрон.
Отправлено спустя 2 минуты 1 секунду:
Померяйте напряжение на выходе ОУ (6 нога) относительно POS-IN. Или на Gate Q202 - там должно быть такое же напряжение. А лучше - померяйте и там и там, мало ли что, может R211 не работает.
Отправлено спустя 8 минут 45 секунд:
Получается следующее:
- на неинвертирующий вывод U201 поступает -7,5В относительно POS-IN. Если пересчитать относительно земли ОУ (центральную точку между шинами POS-IN и -11,7В, т.е. -5,85В), то это будет значение -1,65В.
- на инвертирующий вход поаётся (по Вашим измерениям) -6,8В, относительно земли ОУ: -0,95В.
- разность должна составлять -1,65-(-0,95)=-0,7В. За счёт гигантского усиления ОУ, на выходе должно быть значение близкое к отрицательной шине ОУ (-11,7В), как правило, отличающееся на 0,5В, т.е. -11,2В. Это напряжение должно открыть транзистор Q202, по-любому. Но если бы транзистор открылся, напряжение на выходе упало бы. А у нас этого не происходит. Вот я никак не могу понять почему?
То, что там больше, говорит о том, что на Base приходит ток с сенсора (цепь ООС) через D202-D203. 7,5В стабилитрон + падение напряжения на этих диодах. Т.о., регулировки не происходит. Потому и на U202 тока нет - он весь идёт в стабилитрон.
Отправлено спустя 2 минуты 1 секунду:
Померяйте напряжение на выходе ОУ (6 нога) относительно POS-IN. Или на Gate Q202 - там должно быть такое же напряжение. А лучше - померяйте и там и там, мало ли что, может R211 не работает.
Отправлено спустя 8 минут 45 секунд:
Получается следующее:
- на неинвертирующий вывод U201 поступает -7,5В относительно POS-IN. Если пересчитать относительно земли ОУ (центральную точку между шинами POS-IN и -11,7В, т.е. -5,85В), то это будет значение -1,65В.
- на инвертирующий вход поаётся (по Вашим измерениям) -6,8В, относительно земли ОУ: -0,95В.
- разность должна составлять -1,65-(-0,95)=-0,7В. За счёт гигантского усиления ОУ, на выходе должно быть значение близкое к отрицательной шине ОУ (-11,7В), как правило, отличающееся на 0,5В, т.е. -11,2В. Это напряжение должно открыть транзистор Q202, по-любому. Но если бы транзистор открылся, напряжение на выходе упало бы. А у нас этого не происходит. Вот я никак не могу понять почему?
Владислав
- Евгений Михеев
- Заслуженный Ветеран

- Сообщения: 4467
- Зарегистрирован: 22 май 2015, 11:52
- Откуда: Республика Коми, Ухта
- Благодарил (а): 323 раза
- Поблагодарили: 354 раза
- Контактная информация:
- Евгений Михеев
- Заслуженный Ветеран

- Сообщения: 4467
- Зарегистрирован: 22 май 2015, 11:52
- Откуда: Республика Коми, Ухта
- Благодарил (а): 323 раза
- Поблагодарили: 354 раза
- Контактная информация:
- Евгений Михеев
- Заслуженный Ветеран

- Сообщения: 4467
- Зарегистрирован: 22 май 2015, 11:52
- Откуда: Республика Коми, Ухта
- Благодарил (а): 323 раза
- Поблагодарили: 354 раза
- Контактная информация:
- Евгений Михеев
- Заслуженный Ветеран

- Сообщения: 4467
- Зарегистрирован: 22 май 2015, 11:52
- Откуда: Республика Коми, Ухта
- Благодарил (а): 323 раза
- Поблагодарили: 354 раза
- Контактная информация:
Цифры кстати не изменились:Евгений Михеев писал(а): ↑23 апр 2019, 18:556.8
8.7
11.7
Напряжения относительно pos in на R302, R203+202, R203+202+201 соответственно.
6.8
8.7
11,7
На неинвертирующем относительно posin 7 вольт ровно.
Сейчас посмотрю осцилом
Отправлено спустя 44 минуты 14 секунд:
Владислав, а можно для чистоты эксперимента убрать временно большой мощный диод? У меня на подсознательном уровне какие-то к нему претензии
Дорогу осилит идущий
- Евгений Михеев
- Заслуженный Ветеран

- Сообщения: 4467
- Зарегистрирован: 22 май 2015, 11:52
- Откуда: Республика Коми, Ухта
- Благодарил (а): 323 раза
- Поблагодарили: 354 раза
- Контактная информация:
Кто сейчас на конференции
Сейчас этот форум просматривают: нет зарегистрированных пользователей и 3 гостя