Для активации новой учетной записи и ее подтверждения на Форуме - необходимо связаться с администратором по электронной почте p-i-n-o-k-i-o@mail.ru.
Все новые учетные записи не прошедшие подтверждения администратором воспринимаются как спам.
Все новые учетные записи не прошедшие подтверждения администратором воспринимаются как спам.
Ламповый гитарный усилитель "SLOM"
- Евгений Михеев
- Заслуженный Ветеран

- Сообщения: 4433
- Зарегистрирован: 22 май 2015, 11:52
- Откуда: Республика Коми, Ухта
- Благодарил (а): 307 раз
- Поблагодарили: 348 раз
- Контактная информация:
Кстати, когда говорим о проводе - как правило это метров 3-4 до педали и обратно!
Для начала вот, что надо посчитать. Точнее, я сам посчитал уже, но меня смутила разница в результате - у меня получилось 178, у автора - 680 ом. Либо я что-то не учел, либо автор не правильно посчитал.
Далее там резистивный делитель 150к/68к на выходе. И я завис, как считать итоговое Rвых. Не могу правильно нарисовать схему, чтобы посчитать.
Вот как посчитал автор:
У КП Rвых ≈ 620Ω, но после КП стоит делитель напряжения с большими номиналами резисторов, поэтому
Rвых ≈ (620 + М15) II 68к = 47к.
Для начала вот, что надо посчитать. Точнее, я сам посчитал уже, но меня смутила разница в результате - у меня получилось 178, у автора - 680 ом. Либо я что-то не учел, либо автор не правильно посчитал.
Далее там резистивный делитель 150к/68к на выходе. И я завис, как считать итоговое Rвых. Не могу правильно нарисовать схему, чтобы посчитать.
Вот как посчитал автор:
У КП Rвых ≈ 620Ω, но после КП стоит делитель напряжения с большими номиналами резисторов, поэтому
Rвых ≈ (620 + М15) II 68к = 47к.
Дорогу осилит идущий
- poty
- Профи

- Сообщения: 5024
- Зарегистрирован: 24 мар 2014, 10:00
- Откуда: Россия, Москва
- Благодарил (а): 189 раз
- Поблагодарили: 648 раз
- Контактная информация:
Ещё раз убеждаюсь, что строители гитарных усилителей - заевшиеся люди!
Применить каскад для получения низкого выходного сопротивления, сэкономить на переходном конденсаторе с помощью резистивного делителя на выходе, угробить на нем почти весь сигнал и... получить выходное сопротивление в 47к!
Теперь - по сути вопроса. Возможны три варианта:
1. Ошибся автор.
2. Ошиблись мы (формула применена правильно).
3. Рабочая точка выбрана так, что Ri или мю не соответствуют табличным.
Теперь - по сути вопроса. Возможны три варианта:
1. Ошибся автор.
2. Ошиблись мы (формула применена правильно).
3. Рабочая точка выбрана так, что Ri или мю не соответствуют табличным.
Владислав
- Евгений Михеев
- Заслуженный Ветеран

- Сообщения: 4433
- Зарегистрирован: 22 май 2015, 11:52
- Откуда: Республика Коми, Ухта
- Благодарил (а): 307 раз
- Поблагодарили: 348 раз
- Контактная информация:
Мне больше нравится вариант, где мы - правы
На гитарном форуме много "знатоков", которые иногда говорят ошибочные вещи. Я сам- тот еще знаток, но стараюсь не навязывать, если сам в этом плаваю.
Недавно заспорил там - человек утверждал, что к для катодного повторителя не может быть меньше единицы.
А дальше по моему вопросу:
Расчет сути сильно не изменил - главные герои в дальнейшем расчете 150к и 68к. Для точки съёма сигнала у нас получаются 2 резистора в параллель относительно земли: 68к и 150к+RвыхКП. Верно?
На гитарном форуме много "знатоков", которые иногда говорят ошибочные вещи. Я сам- тот еще знаток, но стараюсь не навязывать, если сам в этом плаваю.
Недавно заспорил там - человек утверждал, что к для катодного повторителя не может быть меньше единицы.
А дальше по моему вопросу:
Расчет сути сильно не изменил - главные герои в дальнейшем расчете 150к и 68к. Для точки съёма сигнала у нас получаются 2 резистора в параллель относительно земли: 68к и 150к+RвыхКП. Верно?
Дорогу осилит идущий
- Евгений Михеев
- Заслуженный Ветеран

- Сообщения: 4433
- Зарегистрирован: 22 май 2015, 11:52
- Откуда: Республика Коми, Ухта
- Благодарил (а): 307 раз
- Поблагодарили: 348 раз
- Контактная информация:
- poty
- Профи

- Сообщения: 5024
- Зарегистрирован: 24 мар 2014, 10:00
- Откуда: Россия, Москва
- Благодарил (а): 189 раз
- Поблагодарили: 648 раз
- Контактная информация:
Какая нижняя частота АЧХ должна быть?
Я к чему спрашиваю? Сопротивление конденсатора примерно можно оценить из его реактивной составляющей (1/(2пи f C) ). На выходе КП применён 220нФ. На частоте 50Гц его сопротивление будет почти 15к. Понятно, что по сравнению со 150к это только 10%. Понятно, что общее сопротивление при последовательном соединении здесь - не просто сумма отдельных сопротивлений (меньше), но смысл тогда низкого выходного сопротивления КП?
Я к чему спрашиваю? Сопротивление конденсатора примерно можно оценить из его реактивной составляющей (1/(2пи f C) ). На выходе КП применён 220нФ. На частоте 50Гц его сопротивление будет почти 15к. Понятно, что по сравнению со 150к это только 10%. Понятно, что общее сопротивление при последовательном соединении здесь - не просто сумма отдельных сопротивлений (меньше), но смысл тогда низкого выходного сопротивления КП?
Владислав
- Евгений Михеев
- Заслуженный Ветеран

- Сообщения: 4433
- Зарегистрирован: 22 май 2015, 11:52
- Откуда: Республика Коми, Ухта
- Благодарил (а): 307 раз
- Поблагодарили: 348 раз
- Контактная информация:
- Евгений Михеев
- Заслуженный Ветеран

- Сообщения: 4433
- Зарегистрирован: 22 май 2015, 11:52
- Откуда: Республика Коми, Ухта
- Благодарил (а): 307 раз
- Поблагодарили: 348 раз
- Контактная информация:
- poty
- Профи

- Сообщения: 5024
- Зарегистрирован: 24 мар 2014, 10:00
- Откуда: Россия, Москва
- Благодарил (а): 189 раз
- Поблагодарили: 648 раз
- Контактная информация:
Так мы ни до чего не договоримся! 
Давайте Вы мне приведёте примеры того, что может быть подключено в этом разрыве? А мы подберём вариант из расчёта на "чистую передачу". Испортить сигнал мы всегда успеем.
Также мне важно понять, какого уровня сигнал передаётся в этот разрыв? Судя по тому, что коэффициент передачи КП сознательно занижается, я так понимаю, что согласование с предыдущими каскадами - не ахти какое хорошее?
Ещё вопрос: силовые трансформаторы мы берём готовые или можно надеяться на какую-нибудь дополнительную обмоточку?
Давайте Вы мне приведёте примеры того, что может быть подключено в этом разрыве? А мы подберём вариант из расчёта на "чистую передачу". Испортить сигнал мы всегда успеем.
Также мне важно понять, какого уровня сигнал передаётся в этот разрыв? Судя по тому, что коэффициент передачи КП сознательно занижается, я так понимаю, что согласование с предыдущими каскадами - не ахти какое хорошее?
Ещё вопрос: силовые трансформаторы мы берём готовые или можно надеяться на какую-нибудь дополнительную обмоточку?
Владислав
- Евгений Михеев
- Заслуженный Ветеран

- Сообщения: 4433
- Зарегистрирован: 22 май 2015, 11:52
- Откуда: Республика Коми, Ухта
- Благодарил (а): 307 раз
- Поблагодарили: 348 раз
- Контактная информация:
Нет уж, дудки
И договоримся и сделаем. Я полон решимости
Есть еще один важный момент, который я только что обсудил (ребята в Ухте времени не теряют) - я получил добро на некоторое упрощение схемы - выкидываем тот отключаемый каскад дополнительно подключаемый для увеличения гейна. Я переделаю схему. Будет проще считать-рассуждать.
Силовые я думал брать готовые. В конце концов я думаю собрать в будущем прототип, для изучения влияния доп.каскадов. Пока будем ориентироваться на этот.
https://www.tube-town.net/ttstore/Transformer/Pow ... tt-Powertransformer::5838.html
2 обмотки по 6.3в. одна для накала, вторая - пока свободна. Ее используют для управления реле и т.д. может это тоже можно использовать.
Значит что подключаем...
Это либо классика (пара тройка педалей последовательно -хорус, фленжер, дилэй, ревербератор). Все они имеют внутри кнопку включения выключения. Либо сигнал через эффект, либо кнопка замыкает разьемы джеков вход/выход напрямую.
Второй вариант - процессор. Там куча пресетов из тех же дилэев реверов и так далее. Принцип тот же включается на реле.
Третий извращенный вариант - ставят в петлю педаль громкости ( переменный резистор) для комфортной игры дома.
Я думаю, что времени у нас нормально, никуда не опаздываем. Может стоит что-то посчитать, задавшись какими-то начальными условиями. Я попробую найти необходимое.
Я еще закину пару вариантов реализации разрыва.
Фридман. Очень крутой уважаемый усилитель.
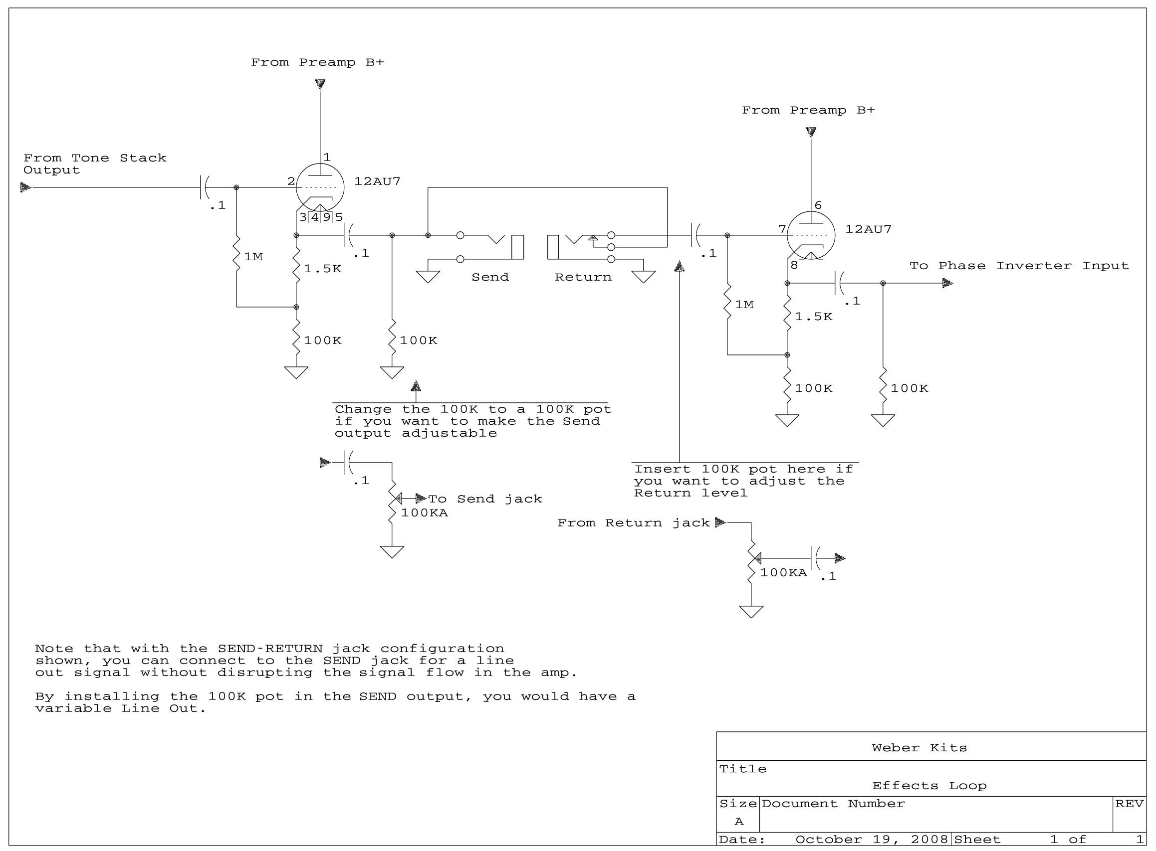
Петля на схеме. Вариант с нашего гитарного форума
Силовые я думал брать готовые. В конце концов я думаю собрать в будущем прототип, для изучения влияния доп.каскадов. Пока будем ориентироваться на этот.
https://www.tube-town.net/ttstore/Transformer/Pow ... tt-Powertransformer::5838.html
2 обмотки по 6.3в. одна для накала, вторая - пока свободна. Ее используют для управления реле и т.д. может это тоже можно использовать.
Значит что подключаем...
Это либо классика (пара тройка педалей последовательно -хорус, фленжер, дилэй, ревербератор). Все они имеют внутри кнопку включения выключения. Либо сигнал через эффект, либо кнопка замыкает разьемы джеков вход/выход напрямую.
Второй вариант - процессор. Там куча пресетов из тех же дилэев реверов и так далее. Принцип тот же включается на реле.
Третий извращенный вариант - ставят в петлю педаль громкости ( переменный резистор) для комфортной игры дома.
Я думаю, что времени у нас нормально, никуда не опаздываем. Может стоит что-то посчитать, задавшись какими-то начальными условиями. Я попробую найти необходимое.
Я еще закину пару вариантов реализации разрыва.
Фридман. Очень крутой уважаемый усилитель.
Петля на схеме. Вариант с нашего гитарного форума
Дорогу осилит идущий
- poty
- Профи

- Сообщения: 5024
- Зарегистрирован: 24 мар 2014, 10:00
- Откуда: Россия, Москва
- Благодарил (а): 189 раз
- Поблагодарили: 648 раз
- Контактная информация:
Евгений, названия эффектов мало что говорят. Хотелось бы хоть примерно, что там (схемы?)?Евгений Михеев писал(а):Значит что подключаем...
А в районе Q1 можно уточнить схему? Во-первых, непонятно, почему в истоке - диод? И он является нагрузкой? Может я чего не знаю, но это работать не будет. Также непонятно VR12 - C23: где там от движка соединение (точек не стоит)? Да и смысл этой цепочки непонятен.Евгений Михеев писал(а):Фридман. Очень крутой уважаемый усилитель.
Петля на схеме.
Нижняя схема более логична. Но снова непонятна причина загрубления уровня в КП (R3, R4). R11 стоит тоже не совсем к месту.
Владислав
- Евгений Михеев
- Заслуженный Ветеран

- Сообщения: 4433
- Зарегистрирован: 22 май 2015, 11:52
- Откуда: Республика Коми, Ухта
- Благодарил (а): 307 раз
- Поблагодарили: 348 раз
- Контактная информация:
Насчёт верхнего первого рисунка - это отрисовка англоязычной автора, вполне могут быть ошибки, запросто! Значит его не рассматриваем.
Нижний рисунок работать обязан - 10 страниц его на форуме обсуждали, видимо, выстрадали.
R11 регулирует уровень посыла на педаль. Иногда педалям много входного сигнала и они перегружаться по входу.
Метроамповская петля, отрисовывалась с кит-платы, правильность 100%, потом копировалась и повторялась Рабочий ламповый вариант на 12ax7 с комментариями
Нижний рисунок работать обязан - 10 страниц его на форуме обсуждали, видимо, выстрадали.
R11 регулирует уровень посыла на педаль. Иногда педалям много входного сигнала и они перегружаться по входу.
Метроамповская петля, отрисовывалась с кит-платы, правильность 100%, потом копировалась и повторялась Рабочий ламповый вариант на 12ax7 с комментариями
Дорогу осилит идущий
- poty
- Профи

- Сообщения: 5024
- Зарегистрирован: 24 мар 2014, 10:00
- Откуда: Россия, Москва
- Благодарил (а): 189 раз
- Поблагодарили: 648 раз
- Контактная информация:
У нас столько регуляторов стоит до этого, что я уж и не знаю, зачем их дальше плодить? Если не нужен такой большой сигнал - эту регулировку можно сделать как существующими регуляторами, так и ещё одним, но до буферного каскада.Евгений Михеев писал(а):R11 регулирует уровень посыла на педаль. Иногда педалям много входного сигнала и они перегружаться по входу.
Ну это ж совсем другое дело! Обычный каскад усиления на MOSFET (то, что он Depletion не меняет сути, это только помогает сделать смещение). Никаких потерь на выходе. Полностью сохраняется выходное сопротивление (правда, оно здесь будет очень большое). Если честно, строители гитарных усилителей, ну нафига столько конденсаторов? Ну ведь в каждой "дырке"! Ну вот зачем ставить С2? И тут же по постоянке соединять выход с затвором М1 через Т1... Допустим, мы защищаемся от постоянки на стоке М1 (хотя можно было бы сделать балансную подпорку и вообще соединиться с педалью балансным соединением - земли-то не соединены? или соединены?). Предполагается, что постоянки от педали идти не будет? Тогда зачем С4? А если будет, то почему не учтено, что она будет попадать на затвор М1? Удивительно!Евгений Михеев писал(а):Метроамповская петля
И тем не менее - эта схема хоть не грешит какими-то непонятными уменьшениями сигнала.
Этот вариант тоже будет работать и нравится мне гораздо больше тех вариантов, что были раньше (на лампах). Но! Опять потенциометр Send Level на выходе!!!! Зачем? Почему не на входе? Почему бы его не сделать единственным сопротивлением в катодной цепи (как альтернатива установке на входе)? Установка потенциометра на 250к делает выходное сопротивление сопоставимым с половиной его сопротивления в худшем случае!Евгений Михеев писал(а):Рабочий ламповый вариант на 12ax7 с комментариями
На выходе, цепочка 10М-0,22u-10M, которая применяется как ООС. А что - в катоде нельзя резистор не шунтировать? Будет та же ООС но без добавленной ёмкости Миллера.
Вы можете спросить эти вопросы на форуме?
Владислав
- Евгений Михеев
- Заслуженный Ветеран

- Сообщения: 4433
- Зарегистрирован: 22 май 2015, 11:52
- Откуда: Республика Коми, Ухта
- Благодарил (а): 307 раз
- Поблагодарили: 348 раз
- Контактная информация:
Я спрошу, там человек раз в пару дней появляется, но ответит точно.
Тем временем, bogner ubershall
Сверху берём сигнал с перегруженный канала, слева - с чистого.
Уровень вообще не регулируется. Финальный потенциометр справа - мастер громкость всего усилителя. Хотя ламповая петля, по которой надо спросить - это дамблеатор, сам Дамбл покинул этот мир достаточно давно, к сожалению.
Тем временем, bogner ubershall
Сверху берём сигнал с перегруженный канала, слева - с чистого.
Уровень вообще не регулируется. Финальный потенциометр справа - мастер громкость всего усилителя. Хотя ламповая петля, по которой надо спросить - это дамблеатор, сам Дамбл покинул этот мир достаточно давно, к сожалению.
Дорогу осилит идущий
- Евгений Михеев
- Заслуженный Ветеран

- Сообщения: 4433
- Зарегистрирован: 22 май 2015, 11:52
- Откуда: Республика Коми, Ухта
- Благодарил (а): 307 раз
- Поблагодарили: 348 раз
- Контактная информация:
Тэд Вебер
Прав был автор писания, что я приводил многим выше - нет некого стандарта, поэтому и сходят все с ума. По сути если с перегрузом/чистым понятно -берем маршал или фендер и начинаем туда по вкусу обвесами солить/перчить, тон меняя и уровень перегруза, то петлю - ее же придумать надо ещё и посчитать
Я хочу посчитать вариант, похожий на вменяемость
Я хочу посчитать вариант, похожий на вменяемость
Дорогу осилит идущий
- Евгений Михеев
- Заслуженный Ветеран

- Сообщения: 4433
- Зарегистрирован: 22 май 2015, 11:52
- Откуда: Республика Коми, Ухта
- Благодарил (а): 307 раз
- Поблагодарили: 348 раз
- Контактная информация:
- poty
- Профи

- Сообщения: 5024
- Зарегистрирован: 24 мар 2014, 10:00
- Откуда: Россия, Москва
- Благодарил (а): 189 раз
- Поблагодарили: 648 раз
- Контактная информация:
Я бы вообще убрал этот 22к из анода. Возможно, он там поставлен как некий ограничитель тока, не знаю. Вместо нижнего 22к поставил бы источник тока (хоть бы на том же LND150). Лампу поменял бы на какую-нибудь с меньшим анодным сопротивлением. C101, R103, R104 - в топку. R109 - увеличить, R106 - уменьшить. R145 - убить, Master Volume включить обычным способом.
На входе - эмиттерный повторитель. Где они здесь миллеровскую ёмкость нашли?Евгений Михеев писал(а):Вот схема дилэя, например:
Владислав
-
- Похожие темы
- Ответы
- Просмотры
- Последнее сообщение
-
-
Отключаемый параллельный ламповый буфер
Евгений Михеев » 25 дек 2024, 17:56 » в форуме Раздел Потапова Владислава - 41 Ответы
- 38818 Просмотры
-
Последнее сообщение Евгений Михеев
10 авг 2025, 13:17
-
Кто сейчас на конференции
Сейчас этот форум просматривают: нет зарегистрированных пользователей и 0 гостей