Для активации новой учетной записи и ее подтверждения на Форуме - необходимо связаться с администратором по электронной почте p-i-n-o-k-i-o@mail.ru.
Все новые учетные записи не прошедшие подтверждения администратором воспринимаются как спам.
Все новые учетные записи не прошедшие подтверждения администратором воспринимаются как спам.
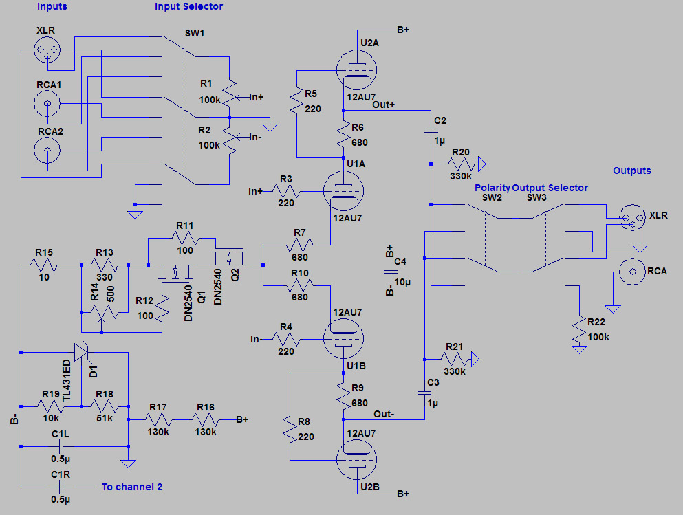
Балансный предусилитель SRPP на 12au7
- Евгений Михеев
- Заслуженный Ветеран

- Сообщения: 4468
- Зарегистрирован: 22 май 2015, 11:52
- Откуда: Республика Коми, Ухта
- Благодарил (а): 323 раза
- Поблагодарили: 354 раза
- Контактная информация:
Хорошо, понял.
Сегодня повторю все трюки с бп24. Вообще без нагрузки он дает что-то около 32в. Под нагрузкой надо провести замер. Но в любом случае, это больше 15-ти вольт.
Я хочу проверить на звук каждую плату по отдельности. Мы ведь можем собрать ее как левый и правый канал.
И проверить без селектора и аттенюатора Максима, а с использованием alps.
Сегодня повторю все трюки с бп24. Вообще без нагрузки он дает что-то около 32в. Под нагрузкой надо провести замер. Но в любом случае, это больше 15-ти вольт.
Я хочу проверить на звук каждую плату по отдельности. Мы ведь можем собрать ее как левый и правый канал.
И проверить без селектора и аттенюатора Максима, а с использованием alps.
Дорогу осилит идущий
- poty
- Профи

- Сообщения: 5046
- Зарегистрирован: 24 мар 2014, 10:00
- Откуда: Россия, Москва
- Благодарил (а): 191 раз
- Поблагодарили: 663 раза
- Контактная информация:
Да, нужно проверить, что под нагрузкой даёт больше 15В+падение напряжения на резисторе.Евгений Михеев писал(а):Сегодня повторю все трюки с бп24. Вообще без нагрузки он дает что-то около 32в. Под нагрузкой надо провести замер. Но в любом случае, это больше 15-ти вольт.
Евгений, я бы хотел ПЕРЕД проверкой на звук убедиться, что все рабочие параметры в норме. 802-ые, я так думаю, вышли из строя, теперь та же участь постигла AU-шки. Дальше гробить лампы бессмысленно, нужно искать причину, по которой они убились. Если ток нормальный и напряжения нормальные, то такого происходить никак не должно. Т.е., единственный "тёмный" момент - это включение. При включении начинают заряжаться конденсаторы в B+ и конденсаторы шунт-регулятора. Единственное отличие - конденсаторы B+ заряжаются непосредственно от БП, а в шунт-регуляторе через огромное сопротивление. Фактически, при таком раскладе источник тока должен некоторое время не проводить вообще. Это создаёт на нём фактически напряжение B+. Но меня смущает тот факт, что измеренный ток совпадает с расчётным. Короче - нужно искать...Евгений Михеев писал(а):Я хочу проверить на звук каждую плату по отдельности. Мы ведь можем собрать ее как левый и правый канал.
Так включить можно, без сомнения, но снова повторюсь - только после того, как все режимы будут проверены.Евгений Михеев писал(а):И проверить без селектора и аттенюатора Максима, а с использованием alps.
Владислав
- Евгений Михеев
- Заслуженный Ветеран

- Сообщения: 4468
- Зарегистрирован: 22 май 2015, 11:52
- Откуда: Республика Коми, Ухта
- Благодарил (а): 323 раза
- Поблагодарили: 354 раза
- Контактная информация:
Нет, Владислав, я перекинул пару ламп из правого канала в левый и она там заработала. 82е живы.
Насчет проверки на звук - я просто сразу делюсь мыслями, торопиться я не буду, не думайте.
Давайте тогда еще раз уже новый алгоритм составим. Я начну, а Вы дополняйте.
Возможно, стоит проверить еще до подачи 24вольт какие-то места платы на корочение?
0 Проверка правильности монтажа платы (сначала сверяем детали платы с деталями на схеме).
1 Подаем плюс на сигнальную землю через 1К, минус на В-.
2 Измеряем 15 вольт между сигнальной и В- землями. (В прошлый замер было 15.2в)
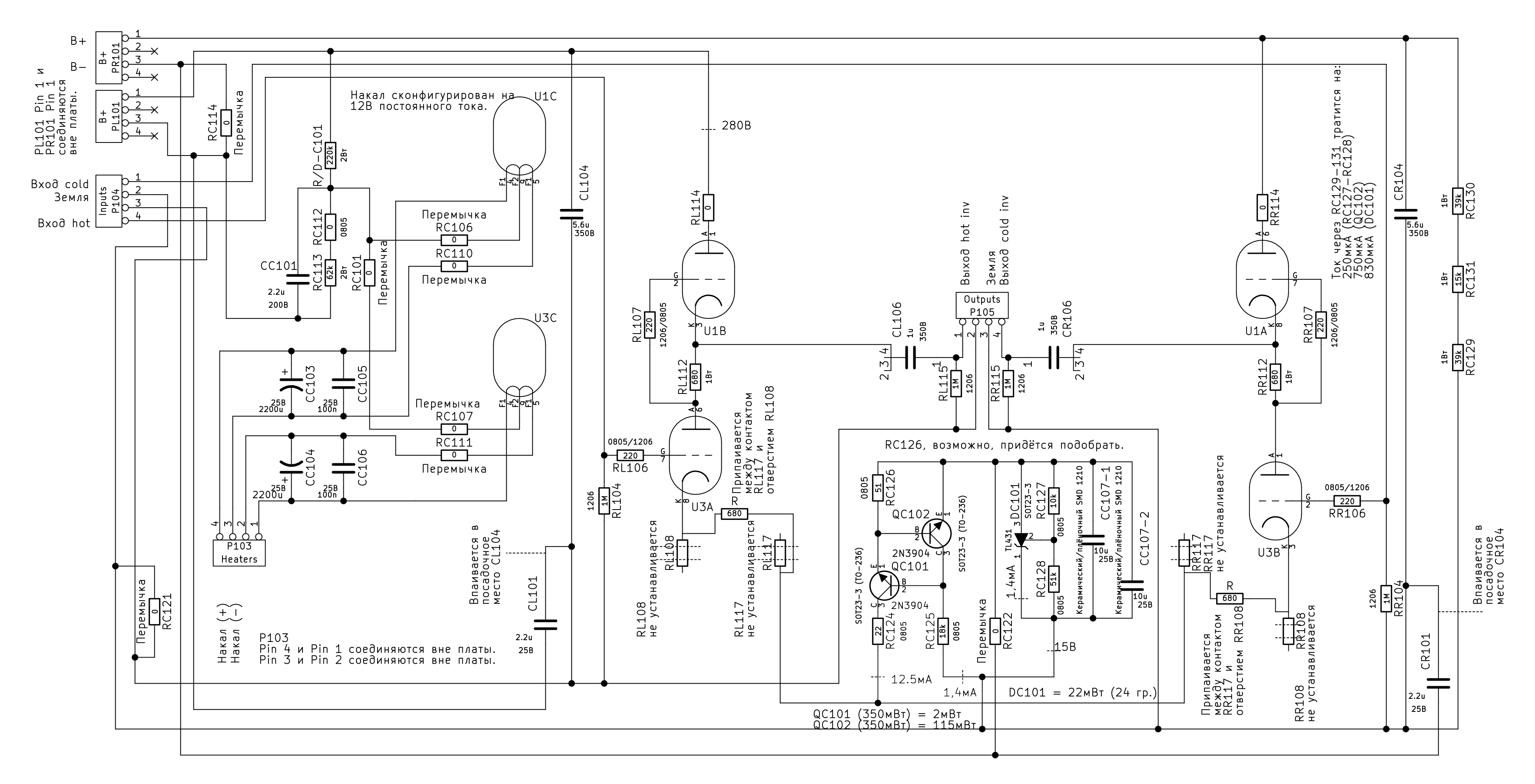
3 Подключаем 24в на катод нижней лампы и замеряем напряжение на RC124. (Прошлый замер 0.27в)
Еще один момент, который мне не до конца понятен:
Я попробую объяснить, что вызвало мое внимание.
В первоначальной схеме c4 10мкф у нас между В+ и В-, С1l соединяет сигнальную и В-.
На второй схеме эквивалент конденсатора С1l = CL101. Он также соединяет сигнальную землю и В-.
А вот с4 = CL104, но если на первой схеме он между В+и В-, а на второй уже между В+ и сигнальной землей.
Я еще не успел проанализировать это, но это бросилось в глаза.
Насчет проверки на звук - я просто сразу делюсь мыслями, торопиться я не буду, не думайте.
Давайте тогда еще раз уже новый алгоритм составим. Я начну, а Вы дополняйте.
Возможно, стоит проверить еще до подачи 24вольт какие-то места платы на корочение?
0 Проверка правильности монтажа платы (сначала сверяем детали платы с деталями на схеме).
1 Подаем плюс на сигнальную землю через 1К, минус на В-.
2 Измеряем 15 вольт между сигнальной и В- землями. (В прошлый замер было 15.2в)
3 Подключаем 24в на катод нижней лампы и замеряем напряжение на RC124. (Прошлый замер 0.27в)
Еще один момент, который мне не до конца понятен:
В первоначальной схеме c4 10мкф у нас между В+ и В-, С1l соединяет сигнальную и В-.
На второй схеме эквивалент конденсатора С1l = CL101. Он также соединяет сигнальную землю и В-.
А вот с4 = CL104, но если на первой схеме он между В+и В-, а на второй уже между В+ и сигнальной землей.
Я еще не успел проанализировать это, но это бросилось в глаза.
Дорогу осилит идущий
- poty
- Профи

- Сообщения: 5046
- Зарегистрирован: 24 мар 2014, 10:00
- Откуда: Россия, Москва
- Благодарил (а): 191 раз
- Поблагодарили: 663 раза
- Контактная информация:
Хорошее наблюдение! Надо подумать... По хорошему - Cx104 должен быть подключен между В+ и В-, поскольку именно оттуда забирается наибольший ток. Его подключение в том варианте, что есть сейчас, создаёт общий путь для токов питания и сигнала (Cx101). Формально это могло приводить к гудению...
Проблема в том, что плата не позволяет переключить эти конденсаторы на B- без соединения земель... Там ничего рядом нет, чтобы вывод переключить на B-?
Проблема в том, что плата не позволяет переключить эти конденсаторы на B- без соединения земель... Там ничего рядом нет, чтобы вывод переключить на B-?
Владислав
- Евгений Михеев
- Заслуженный Ветеран

- Сообщения: 4468
- Зарегистрирован: 22 май 2015, 11:52
- Откуда: Республика Коми, Ухта
- Благодарил (а): 323 раза
- Поблагодарили: 354 раза
- Контактная информация:
- Евгений Михеев
- Заслуженный Ветеран

- Сообщения: 4468
- Зарегистрирован: 22 май 2015, 11:52
- Откуда: Республика Коми, Ухта
- Благодарил (а): 323 раза
- Поблагодарили: 354 раза
- Контактная информация:
Ну у нас там RR/RL 101 только резисторы, которые на В- уходят, насколько помню. Вот в его отверстие притянуть лапу конденсатора, а с этой лапы перемычку на второе отверстие резистора, которое как раз соединено с В-.
У меня конденсаторы впаяны в самый край длиной площадки, дотянуть до RR101 получится точно. Вообщем, проверяем с БП ток и напряжение, потом перепайка?
У меня конденсаторы впаяны в самый край длиной площадки, дотянуть до RR101 получится точно. Вообщем, проверяем с БП ток и напряжение, потом перепайка?
Дорогу осилит идущий
- Евгений Михеев
- Заслуженный Ветеран

- Сообщения: 4468
- Зарегистрирован: 22 май 2015, 11:52
- Откуда: Республика Коми, Ухта
- Благодарил (а): 323 раза
- Поблагодарили: 354 раза
- Контактная информация:
- poty
- Профи

- Сообщения: 5046
- Зарегистрирован: 24 мар 2014, 10:00
- Откуда: Россия, Москва
- Благодарил (а): 191 раз
- Поблагодарили: 663 раза
- Контактная информация:
Значит, CCS и шунт работают. Тогда становится совсем непонятно, что происходит и откуда на катоде нижней лампы 130В? И как при таких напряжениях выдерживает транзистор, предельное напряжение на котором =40В? И даже если он по каким-то причинам выдерживает (чего я не могу понять!), то при токе 12мА и напряжении 130В на нём должно рассеиваться больше 1,5Вт (при выдерживаемых 0,35Вт).
Владислав
- Евгений Михеев
- Заслуженный Ветеран

- Сообщения: 4468
- Зарегистрирован: 22 май 2015, 11:52
- Откуда: Республика Коми, Ухта
- Благодарил (а): 323 раза
- Поблагодарили: 354 раза
- Контактная информация:
- Евгений Михеев
- Заслуженный Ветеран

- Сообщения: 4468
- Зарегистрирован: 22 май 2015, 11:52
- Откуда: Республика Коми, Ухта
- Благодарил (а): 323 раза
- Поблагодарили: 354 раза
- Контактная информация:
12.6В, подьем 78В (работает одна плата)poty писал(а):Надо промерять все другие напряжения:
- накал и его подъём;
- B+;
- напряжение анод нижних ламп и катод верхних; это даст также ток в половинках, можно оценить баланс.
309В (работает только одна плата)
Аноды 156 и 154 В (плавают во времени в пределах вольта)
Катоды 160 и 158 В
Я, конечно, всё проверял, но на 100% быть уверенным - это глупо.poty писал(а):Может это было всё же замыкание где-то?
Не отрицаю, что могло быть такое безобразие. Хоть смотрел всё очень внимательно.
Я по итогу хочу сегодня приладить верхнюю крышку и посмотреть расстояние до ламп, задник то снят. По возможности поставлю более высокие стойки.
падение на катодных резисторах верхней лампы 4.16 и 4.05В
Включил вторую плату, просаживает хорошенько
Катоды нижних ламп
17.8 17.7 17.5 17.6
Аноды нижних ламп
124 124 132 128
Падения на катодных резисторах верхних ламп
4.2 4.02 4.05 4.2
Дорогу осилит идущий
- Евгений Михеев
- Заслуженный Ветеран

- Сообщения: 4468
- Зарегистрирован: 22 май 2015, 11:52
- Откуда: Республика Коми, Ухта
- Благодарил (а): 323 раза
- Поблагодарили: 354 раза
- Контактная информация:
- Евгений Михеев
- Заслуженный Ветеран

- Сообщения: 4468
- Зарегистрирован: 22 май 2015, 11:52
- Откуда: Республика Коми, Ухта
- Благодарил (а): 323 раза
- Поблагодарили: 354 раза
- Контактная информация:
Нет, вчера проявлялось. Просто сейчас в кучу очень много информации в голове после вчерашних включений, порой сложно отличить домыслы от фактов. Я еще ничего не включал сегодня (полностью), заканчиваю перепайку конденсаторов.
Кстати, поздравляю с праздником
Всемирный день радиолюбителя.
Закончил пайку, и заодно взял другой мультиметр.
B+ плавает, сейчас плавало от 290 до 294, но значение за минуту менялось раза 3-4.
Провел замер падения на резисторах между катодами верхних ламп и анодами нижних ламп - там значение вообще неизменно. Специально замерял на каждом из резисторов секунд по 20-ть.
Кстати, поздравляю с праздником
Закончил пайку, и заодно взял другой мультиметр.
B+ плавает, сейчас плавало от 290 до 294, но значение за минуту менялось раза 3-4.
Провел замер падения на резисторах между катодами верхних ламп и анодами нижних ламп - там значение вообще неизменно. Специально замерял на каждом из резисторов секунд по 20-ть.
Дорогу осилит идущий
- Евгений Михеев
- Заслуженный Ветеран

- Сообщения: 4468
- Зарегистрирован: 22 май 2015, 11:52
- Откуда: Республика Коми, Ухта
- Благодарил (а): 323 раза
- Поблагодарили: 354 раза
- Контактная информация:
- Евгений Михеев
- Заслуженный Ветеран

- Сообщения: 4468
- Зарегистрирован: 22 май 2015, 11:52
- Откуда: Республика Коми, Ухта
- Благодарил (а): 323 раза
- Поблагодарили: 354 раза
- Контактная информация:
Кто сейчас на конференции
Сейчас этот форум просматривают: нет зарегистрированных пользователей и 47 гостей