Для активации новой учетной записи и ее подтверждения на Форуме - необходимо связаться с администратором по электронной почте p-i-n-o-k-i-o@mail.ru.
Все новые учетные записи не прошедшие подтверждения администратором воспринимаются как спам.
Все новые учетные записи не прошедшие подтверждения администратором воспринимаются как спам.
Ламповый гитарный усилитель "SLOM"
- poty
- Профи

- Сообщения: 5018
- Зарегистрирован: 24 мар 2014, 10:00
- Откуда: Россия, Москва
- Благодарил (а): 189 раз
- Поблагодарили: 643 раза
- Контактная информация:
Тут без промежуточных активных цепей не обойтись. Я думаю, нужно состряпать какой-нибудь компаратор, который будет управлять необходимыми реле. Тогда можно сразу все возможные варианты предусмотреть.
Как альтернативный вариант - всю логику залить в микропроцессор, но на данном этапе я бы по этому пусти идти не стал, так как пока это всё не отлажено.
Как альтернативный вариант - всю логику залить в микропроцессор, но на данном этапе я бы по этому пусти идти не стал, так как пока это всё не отлажено.
Владислав
- Евгений Михеев
- Заслуженный Ветеран

- Сообщения: 4428
- Зарегистрирован: 22 май 2015, 11:52
- Откуда: Республика Коми, Ухта
- Благодарил (а): 304 раза
- Поблагодарили: 348 раз
- Контактная информация:
- poty
- Профи

- Сообщения: 5018
- Зарегистрирован: 24 мар 2014, 10:00
- Откуда: Россия, Москва
- Благодарил (а): 189 раз
- Поблагодарили: 643 раза
- Контактная информация:
Вопрос повторный: какие напряжения и токи у нас есть для цепей обычных реле или твердотельных реле? Где-то звучало, что используется готовый трансформатор.
Я ещё раз вернулся назад по ветке и посмотрел конструкцию, представленную одним из гитарных дел строителем по преодолению щелчков от обычных реле. Причина этих щелчков, по его мнению, - ток утечки сетки лампы в канале с большим усилением + длительное время переключения из-за дребезга.
Щелчки из-за тока утечки возможны, но они не устраняются LDR, поскольку принцип действия - тот же. Единственно, возможно, скорость переключения играет роль...
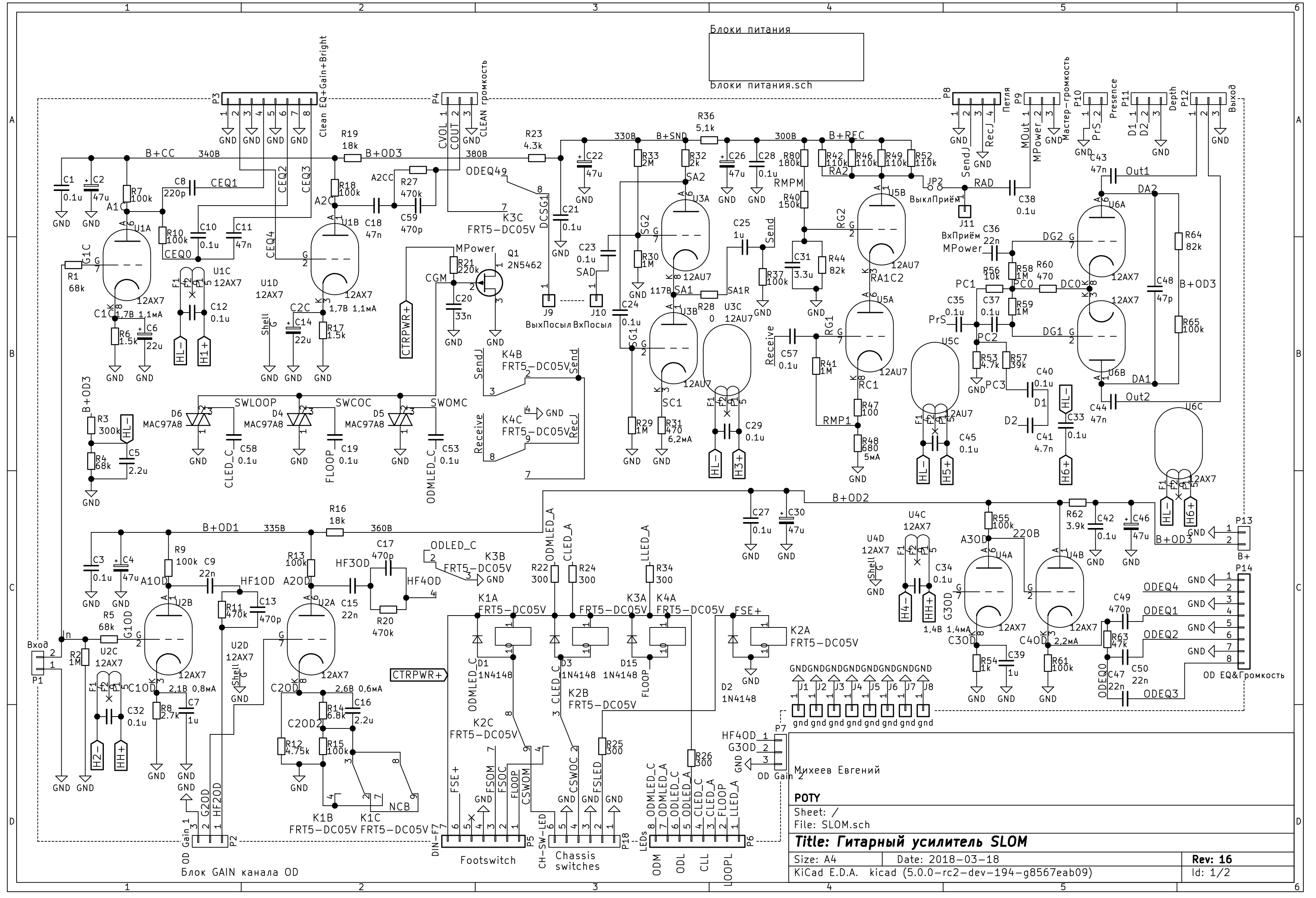
Схема, перерисованная из Вашей, Евгений! Буду её в этом сообщении поддерживать последней версии.
Вставляю перечень деталей сюда, удаляю из всех последующих сообщений:
Список деталей (5)
Я ещё раз вернулся назад по ветке и посмотрел конструкцию, представленную одним из гитарных дел строителем по преодолению щелчков от обычных реле. Причина этих щелчков, по его мнению, - ток утечки сетки лампы в канале с большим усилением + длительное время переключения из-за дребезга.
Щелчки из-за тока утечки возможны, но они не устраняются LDR, поскольку принцип действия - тот же. Единственно, возможно, скорость переключения играет роль...
Схема, перерисованная из Вашей, Евгений! Буду её в этом сообщении поддерживать последней версии.
Список деталей (5)
Владислав
- Евгений Михеев
- Заслуженный Ветеран

- Сообщения: 4428
- Зарегистрирован: 22 май 2015, 11:52
- Откуда: Республика Коми, Ухта
- Благодарил (а): 304 раза
- Поблагодарили: 348 раз
- Контактная информация:
- Евгений Михеев
- Заслуженный Ветеран

- Сообщения: 4428
- Зарегистрирован: 22 май 2015, 11:52
- Откуда: Республика Коми, Ухта
- Благодарил (а): 304 раза
- Поблагодарили: 348 раз
- Контактная информация:
Пора и мне поднимать планку. Поможете разобраться?poty писал(а):Рисовал в KiCad, чтобы сразу уже можно было превратить в плату.
Мне кажется можно и шести вольтовые взять. Там тока не так много должно тратиться, плюс выпрямление. С другой стороны можно так же комфортно стабилизировать 5 вольт и спать спокойно, как говорится.
Что есть, то естьpoty писал(а):Подъем накала тоже будем делать? Я тут со своими двухэтажными конструкциями нарушил спокойную жизнь.
Поднять накал было бы не дурно, с учётом того, что накал будет питаться переменным, как мы в последний раз обсуждали.
Я бы еще хотел акцентировать внимание на идее зашунтировать электролиты пленкой, той же вимой, например.
Дорогу осилит идущий
- poty
- Профи

- Сообщения: 5018
- Зарегистрирован: 24 мар 2014, 10:00
- Откуда: Россия, Москва
- Благодарил (а): 189 раз
- Поблагодарили: 643 раза
- Контактная информация:
Без проблем помогу. Пакет - бесплатный, не без глюков, конечно. Разобраться можно.
Электролиты зашунтирую. Ещё добавлю локальный байпас на накалах.
Кстати, на какие линейные размеры платы рассчитывать?
Ещё хочу обратить внимание, что номиналы деталей нужно проверить. Встречаются обычные конденсаторы на 22мкФ, например.
Электролиты зашунтирую. Ещё добавлю локальный байпас на накалах.
Кстати, на какие линейные размеры платы рассчитывать?
Ещё хочу обратить внимание, что номиналы деталей нужно проверить. Встречаются обычные конденсаторы на 22мкФ, например.
Владислав
- Евгений Михеев
- Заслуженный Ветеран

- Сообщения: 4428
- Зарегистрирован: 22 май 2015, 11:52
- Откуда: Республика Коми, Ухта
- Благодарил (а): 304 раза
- Поблагодарили: 348 раз
- Контактная информация:
- Евгений Михеев
- Заслуженный Ветеран

- Сообщения: 4428
- Зарегистрирован: 22 май 2015, 11:52
- Откуда: Республика Коми, Ухта
- Благодарил (а): 304 раза
- Поблагодарили: 348 раз
- Контактная информация:
Владислав, я тут кой-чего назамечал, давайте править)
1) 22 мкф в катодах чистого канала это нормально, так и надо.
2) Смотрите, то, что было на старой схеме как S4 а на новой стало К1В - это просто тумблер, не реле. Такой же, как на канале OD. На него реле вешать не надо.
3) К2 у нас SPDT, при этом К3 DPDT. А нужно ли нам там DPDT, если используем только один замок.
4) У К1, соответственно, та же ситуация. С учётом, что К1В - просто тумблер, то нам нужен только К1С (переключающий каналы).
5) Надо добавить конденсатор после K1C, это место меня смущало:)
6) На разъёме LOOP я бы добавил еще одну землю для удобства пайки. Физически отверстие на плате. Send GND Recieve GND
И объясните мне, пожалуйста, как будет работать комбинация из реле и фоторезистора. Не могу пока понять.
1) 22 мкф в катодах чистого канала это нормально, так и надо.
2) Смотрите, то, что было на старой схеме как S4 а на новой стало К1В - это просто тумблер, не реле. Такой же, как на канале OD. На него реле вешать не надо.
3) К2 у нас SPDT, при этом К3 DPDT. А нужно ли нам там DPDT, если используем только один замок.
4) У К1, соответственно, та же ситуация. С учётом, что К1В - просто тумблер, то нам нужен только К1С (переключающий каналы).
5) Надо добавить конденсатор после K1C, это место меня смущало:)
6) На разъёме LOOP я бы добавил еще одну землю для удобства пайки. Физически отверстие на плате. Send GND Recieve GND
И объясните мне, пожалуйста, как будет работать комбинация из реле и фоторезистора. Не могу пока понять.
Дорогу осилит идущий
- poty
- Профи

- Сообщения: 5018
- Зарегистрирован: 24 мар 2014, 10:00
- Откуда: Россия, Москва
- Благодарил (а): 189 раз
- Поблагодарили: 643 раза
- Контактная информация:
1) = OK. Что за конденсаторы здесь будете использовать? И вообще нужно уже перечислять, что да как! 
2) Исправлено. Конденсатор 220пФ для Brightness ушёл на ножки потенциометра и переключателя/тумблера (который тоже снаружи). На разъём до эквалайзерных переменников добавил по земле на каждое соединение.
3)4) Исправил
5) Добавил
6) Добавил
2) Исправлено. Конденсатор 220пФ для Brightness ушёл на ножки потенциометра и переключателя/тумблера (который тоже снаружи). На разъём до эквалайзерных переменников добавил по земле на каждое соединение.
3)4) Исправил
5) Добавил
6) Добавил
Будут установлены либо те, либо другие. Так как пока не решено, что и где, добавил оба варианта. Как только найду простой способ программируемой задержки реле - оставим только один (реле). Если способ не найду - оставим оба варианта. Какой-нибудь, да сработает. Конечно, хотелось бы эти цепи (управления реле и светодиодами индикации) тоже разместить на плате, но пока со временем никак не получается подумать.Евгений Михеев писал(а):как будет работать комбинация из реле и фоторезистора.
Владислав
- Евгений Михеев
- Заслуженный Ветеран

- Сообщения: 4428
- Зарегистрирован: 22 май 2015, 11:52
- Откуда: Республика Коми, Ухта
- Благодарил (а): 304 раза
- Поблагодарили: 348 раз
- Контактная информация:
Владислав, спасибо!
Давайте в OD канале переделаем bright так же, как и в чистом канале, тоесть 1000p уберем с платы на ножки. Это удобней в монтаже.
По переключениям понял!
По деталям сегодня начну, весь вечер разглядывал схему - красота)
И ещё момент - я хотел оценить влияние нашего посыл- возврата на слух. Но это я думаю сделаю сам - подпаяюсь времянкой после с14 и после с32, чтобы была возможность пустить сигнал полностью в обход этого узла. Думаю, на плате под это городить ничего не будем, прихвачусь на существующие выводы, это все равно экспериментальные делишки.
Давайте в OD канале переделаем bright так же, как и в чистом канале, тоесть 1000p уберем с платы на ножки. Это удобней в монтаже.
По переключениям понял!
По деталям сегодня начну, весь вечер разглядывал схему - красота)
И ещё момент - я хотел оценить влияние нашего посыл- возврата на слух. Но это я думаю сделаю сам - подпаяюсь времянкой после с14 и после с32, чтобы была возможность пустить сигнал полностью в обход этого узла. Думаю, на плате под это городить ничего не будем, прихвачусь на существующие выводы, это все равно экспериментальные делишки.
Дорогу осилит идущий
- poty
- Профи

- Сообщения: 5018
- Зарегистрирован: 24 мар 2014, 10:00
- Откуда: Россия, Москва
- Благодарил (а): 189 раз
- Поблагодарили: 643 раза
- Контактная информация:
Во-первых, я забыл нарисовать R106-C38 из Вашей, Евгений, схемы... :-( Надо дорисовать...
Во-вторых, я не сделал никаких фильтраций по накалу. Я так понял, что накал питаем переменкой? Предусматривать выпрямление, фильтрацию и стабилизацию не требуется?
Иду сверху по файлу:
2(+1 на вход),3(+1 на вход),5,10,11,13 строки не вызывает у меня проблем, нужно только определиться с производителем.
С5, С18 - это хоть и неполярные, но электролиты. Смысл? Почему не обычные?
Строка 7-9: понятно, но зачем такое напряжение?
Строка 12 - я номинал написал от балды, так как пока нет у меня понимания, как реле будет включаться.
С24 - используем любой сигнальный конденсатор. Напряжение небольшое.
С26, С29, С30, С32 - лучше на напряжение питания,
С38 - вольт 100-250, лучше бумажный или для акустики, выбранный слишком дорогой, но можно и его. С41 я бы взял на побольше.
Строка 33,36 - снова нужно номинал посчитать.
Строка 34 - не только номинал, но и мощность нужно увеличить.
Строка 38,39, 42 - мощность нужно увеличить.
Необязательно, но все анодные в 12AX7 лучше взять мощностью не менее 1Вт - по напряжению.
Во-вторых, я не сделал никаких фильтраций по накалу. Я так понял, что накал питаем переменкой? Предусматривать выпрямление, фильтрацию и стабилизацию не требуется?
Иду сверху по файлу:
2(+1 на вход),3(+1 на вход),5,10,11,13 строки не вызывает у меня проблем, нужно только определиться с производителем.
С5, С18 - это хоть и неполярные, но электролиты. Смысл? Почему не обычные?
Строка 7-9: понятно, но зачем такое напряжение?
Строка 12 - я номинал написал от балды, так как пока нет у меня понимания, как реле будет включаться.
С24 - используем любой сигнальный конденсатор. Напряжение небольшое.
С26, С29, С30, С32 - лучше на напряжение питания,
С38 - вольт 100-250, лучше бумажный или для акустики, выбранный слишком дорогой, но можно и его. С41 я бы взял на побольше.
Строка 33,36 - снова нужно номинал посчитать.
Строка 34 - не только номинал, но и мощность нужно увеличить.
Строка 38,39, 42 - мощность нужно увеличить.
Необязательно, но все анодные в 12AX7 лучше взять мощностью не менее 1Вт - по напряжению.
Владислав
- Евгений Михеев
- Заслуженный Ветеран

- Сообщения: 4428
- Зарегистрирован: 22 май 2015, 11:52
- Откуда: Республика Коми, Ухта
- Благодарил (а): 304 раза
- Поблагодарили: 348 раз
- Контактная информация:
По В+ я еще не пробегался, акцентировался на сигнальной схеме. Накал тоже не смотрел, пока что.
C8, С33, 35, 37 - там ведь ста вольт хватит? Туда можно 225P поставить.
С14 оставим как есть по принципу сохранения одинаковых конденсаторов в цепи звука.
25К и так уже 1 ватт
Думаю, да, оставим переменку. С поднятием потенциала должно быть достаточно, особенно учитывая, что наша обмотка на грани ухода в зону, где стабилизатор перестанет работать. Если это так, то зачем все телодвижения?poty писал(а):Во-вторых, я не сделал никаких фильтраций по накалу. Я так понял, что накал питаем переменкой? Предусматривать выпрямление, фильтрацию и стабилизацию не требуется?
С точки зрения экономии места. Я не нашел ничего с большой емкостью и низким напряжением ( малого размера, соответственно). AZG тантал иногда использует, подсмотрел. Но в целом - очень часто видел именно электролиты в этих местах. Если предложите альтернативу - буду рад.poty писал(а):С5, С18 - это хоть и неполярные, но электролиты. Смысл? Почему не обычные?
Я ведь тоже частично "от балды" заполнял, что-то вполне точно будет заменено.poty писал(а):Строка 7-9: понятно, но зачем такое напряжение?
C8, С33, 35, 37 - там ведь ста вольт хватит? Туда можно 225P поставить.
С14 оставим как есть по принципу сохранения одинаковых конденсаторов в цепи звука.
По тому же принципу и я поступилpoty писал(а):Строка 12 - я номинал написал от балды, так как пока нет у меня понимания, как реле будет включаться.
Тут понял, спасибо, повыбираю.poty писал(а):С24 - используем любой сигнальный конденсатор. Напряжение небольшое.С26, С29, С30, С32 - лучше на напряжение питания,С38 - вольт 100-250, лучше бумажный или для акустики, выбранный слишком дорогой, но можно и его. С41 я бы взял на побольше.
Да, тоже чисто для структуризации указалpoty писал(а):Строка 33,36 - снова нужно номинал посчитать.Строка 34 - не только номинал, но и мощность нужно увеличить.
до 1 или сразу до 2-х ватт?poty писал(а):Строка 38,39, 42 - мощность нужно увеличить.
25К и так уже 1 ватт
Уже, с самого начала меньше 1ватт и не закладывал, как и катодный в КП.poty писал(а):Необязательно, но все анодные в 12AX7 лучше взять мощностью не менее 1Вт - по напряжению.
Дорогу осилит идущий
- poty
- Профи

- Сообщения: 5018
- Зарегистрирован: 24 мар 2014, 10:00
- Откуда: Россия, Москва
- Благодарил (а): 189 раз
- Поблагодарили: 643 раза
- Контактная информация:
У нас же две обмотки 6,3В. Можно было бы соединить их последовательно и от более мощной части питать выходные лампы, а полную обмотку - использовать для питания всех остальных. У нас 6 ламп - это примерно 2А. Но я не настаиваю! Просто рассуждаю.Евгений Михеев писал(а):оставим переменку. С поднятием потенциала должно быть достаточно, особенно учитывая, что наша обмотка на грани ухода в зону, где стабилизатор перестанет работать. Если это так, то зачем все телодвижения?
Про обычные - я имел в виду электролитические обычные!poty писал(а):С5, С18 - это хоть и неполярные, но электролиты. Смысл? Почему не обычные?
Есть такие, но цена у них может быть негуманной. Например, те же WIMA (http://www.banzaimusic.com/WIMA-MKS2-10uF-50V.html - поставить два впараллель).Евгений Михеев писал(а):Я не нашел ничего с большой емкостью и низким напряжением ( малого размера, соответственно)
Кроме C8 - он стоит в анодной цепи, ему лучше быть не меньше анодного напряжения. Просто у нас же питание не больше 400В (или я ошибаюсь?).Евгений Михеев писал(а):C8, С33, 35, 37 - там ведь ста вольт хватит? Туда можно 225P поставить.
25к лучше взять 2Вт. Через него может протекать ток в 10мА (с учётом АС), номинальная рассеиваемая мощность в этом случае уже превышает 2Вт.Евгений Михеев писал(а):до 1 или сразу до 2-х ватт?
25К и так уже 1 ватт
Владислав
- Евгений Михеев
- Заслуженный Ветеран

- Сообщения: 4428
- Зарегистрирован: 22 май 2015, 11:52
- Откуда: Республика Коми, Ухта
- Благодарил (а): 304 раза
- Поблагодарили: 348 раз
- Контактная информация:
А я и не отказываюсьpoty писал(а):У нас же две обмотки 6,3В. Можно было бы соединить их последовательно и от более мощной части питать выходные лампы, а полную обмотку - использовать для питания всех остальных. У нас 6 ламп - это примерно 2А. Но я не настаиваю! Просто рассуждаю.
А, это я неправильно указал, я хотел там либо Elna либо KZ серию ничикон использовать. Думаю, электролиты там вполне будут хорошо жить!poty писал(а):Про обычные - я имел в виду электролитические обычные!
Нет, по тому, как я вижу усилитель - все мелкие лампы до 400 вольт, свыше 400 только на выходных.poty писал(а):Кроме C8 - он стоит в анодной цепи, ему лучше быть не меньше анодного напряжения. Просто у нас же питание не больше 400В (или я ошибаюсь?).
Понял! Учту.poty писал(а):25к лучше взять 2Вт. Через него может протекать ток в 10мА (с учётом АС), номинальная рассеиваемая мощность в этом случае уже превышает 2Вт.
Надо, наверное, заказать анодные резисторы (25 в том числе). Дело в том, что на банзае есть 2w metal film. Но если перейти на страницу с этими резисторами - они power metal oxide, что не есть хорошо. Видимо, обращусь к ebay.
C33/35/37/38 можно взять Vishay BS https://www.banzaimusic.com/Vishay-BC-0-1uF-100V.html
Можно оранжи 225P. Последние дороже. От 10-ти евро я не обеднению точно! Вопрос в том - насколько узел чувствителен к замене конденсатора.
Еще рассуждаю сам с собой он необходимости в принципе конденсатора С30 (где то есть, часто в схемах его нет вообще).
И о размере С32. Хотелось бы уменьшить его до 0,1uF. Bvt. Имею право?
И еще вопрос - при расчёте каскода RETURN каков был фен-шуй?
Я понял, что делителем на сетку верхней лампы Вы подаете 59,7В. Так по ВАХ ползаю-ползаю, и наползать не могу.
Дорогу осилит идущий
- poty
- Профи

- Сообщения: 5018
- Зарегистрирован: 24 мар 2014, 10:00
- Откуда: Россия, Москва
- Благодарил (а): 189 раз
- Поблагодарили: 643 раза
- Контактная информация:
Лучше, наверное, попробовать посчитать все резисторы и заказать скопом. У нас пока часть резисторов неопределена. Впрочем, я не против.Евгений Михеев писал(а):Надо, наверное, заказать анодные резисторы (25 в том числе).
Мне сложно тут говорить. Очень специфичный узел.Евгений Михеев писал(а):C33/35/37/38 ... насколько узел чувствителен к замене конденсатора.
Если бы это было аудиооборудование - я бы его точно не ставил. Но я точно не знаю, есть ли педали с постоянкой на выходе? В принципе, можно совершенно точно поставить какие-нибудь дешёвые диоды во встречно-параллельном включении для защиты лампы от DC, это ограничит номенклатуру подключаемых педалей (если есть педали с DC на выходе), но предотвратит проблемы в усилителе. Можно оставить конденсатор...Евгений Михеев писал(а):необходимости в принципе конденсатора С30
С точки зрения работы - это зависит от значения переменного резистора MasterVolume. RC-цепочка будет определять срез по НЧ. С другой стороны - частоты, как Вы говорили, - от 80 Гц...Евгений Михеев писал(а):о размере С32. Хотелось бы уменьшить его до 0,1uF.
Я немного подправил схему.
И... я не понял - делаем ли мы что-нибудь с накалом?
Владислав
- Евгений Михеев
- Заслуженный Ветеран

- Сообщения: 4428
- Зарегистрирован: 22 май 2015, 11:52
- Откуда: Республика Коми, Ухта
- Благодарил (а): 304 раза
- Поблагодарили: 348 раз
- Контактная информация:
Спасибо за Ваши труды!poty писал(а):Я немного подправил схему.
Я сегодня выложу характеристики трансформатора, посмотрим, что мы можем с ним наколдовать.
Я вчера пол ночи провел за изучением распространенных схем и сделал 2 вывода.
С30 абсолютно точно мы можем убрать.
С32 с полным правом уменьшаем до 0,1uF
Тут поясню. За всё время заказов с банзая я постоянно докупал MOX резисторы 1-2 Ватт на сдачу, так сказать, так что мощных резисторов под питание у меня суперзапас - очень много ходовых номиналов по 20-30 штук. Проблема именно с анодными металлопленкой.poty писал(а):Лучше, наверное, попробовать посчитать все резисторы и заказать скопом. У нас пока часть резисторов неопределена. Впрочем, я не против.
Тогда не буду нищебродстовать. Возьму 225P 100 вольт во весь узел. Или Malory 150. Прикину по логике применения сегодня. По идее многие пишут что мэлори ближе всего по звуку к 6PS.poty писал(а):Мне сложно тут говорить. Очень специфичный узел.
Вот этот малый
Дорогу осилит идущий
- Евгений Михеев
- Заслуженный Ветеран

- Сообщения: 4428
- Зарегистрирован: 22 май 2015, 11:52
- Откуда: Республика Коми, Ухта
- Благодарил (а): 304 раза
- Поблагодарили: 348 раз
- Контактная информация:
Азнаура (AZG) по конденсаторам поспрашал немного:
"В катоды можешь смело китайцев пихать с радиорынка, коричневые. Шучу. С Банзая CDE посмотри. Дешевле и разницы НОЛЬ.
В iTrue как-раз недорогая пленка из Микроники нашей. Я когда занимался сборкой некоторых КИТ-ов СЛО, поэкспериментировал с катодами. Разница есть электролит или пленку. Между пленками вообще разницы нет. Даже диэлектрик не слышно. Но дабы соблюсти единую стилистику устройства - ставь BC.
В звуковую часть да, ВС будут интереснее, ближе всего к OD 6ps. Только учти, что всю сигналку на ВС делать не стоит - получишь зажатый нос. В первых каскадах особливо критично. В обвязку ФИ без проблем. Там сигнал куда более сформирован, не так заметны изменения. Ну и по классике - полипропилен в маршала запрещен - слишком открытый верх без характерного "чага-чага". Звучать будет, но иначе. Ближе к нью-гейнерам, стерильно. Маллори как бы существенно ближе к Мустардам, а не ОД. Ведро и низ разваливается. С ними надо аккуратно"
"В катоды можешь смело китайцев пихать с радиорынка, коричневые. Шучу. С Банзая CDE посмотри. Дешевле и разницы НОЛЬ.
В iTrue как-раз недорогая пленка из Микроники нашей. Я когда занимался сборкой некоторых КИТ-ов СЛО, поэкспериментировал с катодами. Разница есть электролит или пленку. Между пленками вообще разницы нет. Даже диэлектрик не слышно. Но дабы соблюсти единую стилистику устройства - ставь BC.
В звуковую часть да, ВС будут интереснее, ближе всего к OD 6ps. Только учти, что всю сигналку на ВС делать не стоит - получишь зажатый нос. В первых каскадах особливо критично. В обвязку ФИ без проблем. Там сигнал куда более сформирован, не так заметны изменения. Ну и по классике - полипропилен в маршала запрещен - слишком открытый верх без характерного "чага-чага". Звучать будет, но иначе. Ближе к нью-гейнерам, стерильно. Маллори как бы существенно ближе к Мустардам, а не ОД. Ведро и низ разваливается. С ними надо аккуратно"
Дорогу осилит идущий
- Евгений Михеев
- Заслуженный Ветеран

- Сообщения: 4428
- Зарегистрирован: 22 май 2015, 11:52
- Откуда: Республика Коми, Ухта
- Благодарил (а): 304 раза
- Поблагодарили: 348 раз
- Контактная информация:
Сегодня обновлю и дополню список деталей.
Владислав, я бы хотел разобраться с вопросами по посыл возврату.
Можем, с учётом плотного графика создания платы, перенести эти обсуждения на попозже. Без проблем. Просто оставлю это тут, чтобы не забылось
1 По поводу каскода - хочу понять, на какой ток находилась рабочая точка. Я понял, что делителем на сетку верхней лампы Вы подаете 59,7В. Так по ВАХ ползаю-ползаю, и наползать не могу.
2 Немного не знакома мне обвязка SRPP, а именно конденсатор 100nF Каково его назначение?
Хотя, кажется, по SRPP я понял - уменьшаем усиление... Сейчас посмотрю формулу. У нас же там, насколько помню, Rk2 в числителе
Владислав, я бы хотел разобраться с вопросами по посыл возврату.
Можем, с учётом плотного графика создания платы, перенести эти обсуждения на попозже. Без проблем. Просто оставлю это тут, чтобы не забылось
1 По поводу каскода - хочу понять, на какой ток находилась рабочая точка. Я понял, что делителем на сетку верхней лампы Вы подаете 59,7В. Так по ВАХ ползаю-ползаю, и наползать не могу.
2 Немного не знакома мне обвязка SRPP, а именно конденсатор 100nF Каково его назначение?
Хотя, кажется, по SRPP я понял - уменьшаем усиление... Сейчас посмотрю формулу. У нас же там, насколько помню, Rk2 в числителе
Дорогу осилит идущий
- poty
- Профи

- Сообщения: 5018
- Зарегистрирован: 24 мар 2014, 10:00
- Откуда: Россия, Москва
- Благодарил (а): 189 раз
- Поблагодарили: 643 раза
- Контактная информация:
Ток - 4,3мА. Нижняя лампа: на катоде - 3,6В; на аноде - 63,6, смещение - 1,4В. Верхняя лампа: на аноде - 192,6В, сетку Вы правильно определили, смещение 3,9В. Вроде, всё бьётся с АЧХ (смотрел по даташиту Philips ECC88, он почти точно совпадает с 6Н23П).Евгений Михеев писал(а):1 По поводу каскода - хочу понять, на какой ток находилась рабочая точка. Я понял, что делителем на сетку верхней лампы Вы подаете 59,7В. Так по ВАХ ползаю-ползаю, и наползать не могу.
Это - трансформатор импеданса. Приведённая схема - так называемый SRPP+. Он устраняет основной недостаток обычного SRPP, связанный с несимметричностью его работы на неоптимальную нагрузку. Фактически мы такой узел использовали в источниках тока (по DC (рабочая точка) работает только резистор, непосредственно подключенный к катоду, по AC (рабочая характеристика) - два резистора с использованием конденсатора). Усиленный ток сигнала от нижней лампы протекает в нагрузку через оба резистора (AC) и чем больше нижний, тем больше напряжение сигнала на входе верхней лампы. Если нагрузка невелика, то в обычном SRPP не хватает напряжения на катодном резисторе для симметричной раскачки верхней лампы. Добавление для AC дополнительного резистора решает эту проблему. Если нагрузка, наоборот, слишком большая (низкоомная), верхняя лампа получает слишком много для раскачки. В этом случае соединение делают наоборот: DC берут с двух резисторов, а нагрузку подключают не в катод, а в точку соединения двух катодных резисторов.Евгений Михеев писал(а):2 Немного не знакома мне обвязка SRPP, а именно конденсатор 100nF Каково его назначение?
Надо бы продолжить ветку расчётов... Но всё никак не могу выбрать время причесать то, что есть, чтобы была понятна логика развития ситуации.
Владислав
-
- Похожие темы
- Ответы
- Просмотры
- Последнее сообщение
-
-
Отключаемый параллельный ламповый буфер
Евгений Михеев » 25 дек 2024, 17:56 » в форуме Раздел Потапова Владислава - 41 Ответы
- 37950 Просмотры
-
Последнее сообщение Евгений Михеев
10 авг 2025, 13:17
-
Кто сейчас на конференции
Сейчас этот форум просматривают: нет зарегистрированных пользователей и 1 гость