Для активации новой учетной записи и ее подтверждения на Форуме - необходимо связаться с администратором по электронной почте p-i-n-o-k-i-o@mail.ru.
Все новые учетные записи не прошедшие подтверждения администратором воспринимаются как спам.
Все новые учетные записи не прошедшие подтверждения администратором воспринимаются как спам.
Балансные моноблоки
- Евгений Михеев
- Заслуженный Ветеран

- Сообщения: 4473
- Зарегистрирован: 22 май 2015, 11:52
- Откуда: Республика Коми, Ухта
- Благодарил (а): 324 раза
- Поблагодарили: 355 раз
- Контактная информация:
- poty
- Профи

- Сообщения: 5049
- Зарегистрирован: 24 мар 2014, 10:00
- Откуда: Россия, Москва
- Благодарил (а): 192 раза
- Поблагодарили: 664 раза
- Контактная информация:
Да уж. С таким разбродом я всё же предпочёл бы подключиться к 4Ом. Демпфирование при таком разбросе фазы не повредит.
- За это сообщение автора poty поблагодарил:
- Евгений Михеев
- Рейтинг: 16.7%
-
Владислав
- Евгений Михеев
- Заслуженный Ветеран

- Сообщения: 4473
- Зарегистрирован: 22 май 2015, 11:52
- Откуда: Республика Коми, Ухта
- Благодарил (а): 324 раза
- Поблагодарили: 355 раз
- Контактная информация:
Ну что, предлагаю самому себе
в теме о балансных моноблоках писать о балансном стереомощнике!
Начал работы по корпусу Между делом возник такой вопрос - разные варианты источника тока в оконечнике есть. Но! На самом деле на lm317 четко реализована возможность переключения между двумя вариантами - под кт88 и el34. Остальные варианты, так понимаю, «на лету» уже не позволят такие выкрутасы творить.
Начал работы по корпусу Между делом возник такой вопрос - разные варианты источника тока в оконечнике есть. Но! На самом деле на lm317 четко реализована возможность переключения между двумя вариантами - под кт88 и el34. Остальные варианты, так понимаю, «на лету» уже не позволят такие выкрутасы творить.
Дорогу осилит идущий
- Евгений Михеев
- Заслуженный Ветеран

- Сообщения: 4473
- Зарегистрирован: 22 май 2015, 11:52
- Откуда: Республика Коми, Ухта
- Благодарил (а): 324 раза
- Поблагодарили: 355 раз
- Контактная информация:
poty, имеется ввиду дать какое-то постоянное напряжение на G и потом падением напряжения на резисторе в “хвосте” выруливать нужное напряжение GS?
Было бы здорово такое попробовать. Я тут по случаю корпус приобрел с радиаторами - боковыми стенками, можно транзисторы размещать и размещать
Было бы здорово такое попробовать. Я тут по случаю корпус приобрел с радиаторами - боковыми стенками, можно транзисторы размещать и размещать
Дорогу осилит идущий
- Евгений Михеев
- Заслуженный Ветеран

- Сообщения: 4473
- Зарегистрирован: 22 май 2015, 11:52
- Откуда: Республика Коми, Ухта
- Благодарил (а): 324 раза
- Поблагодарили: 355 раз
- Контактная информация:
poty, вот да, я на это и опирался. У меня корпус имеет боковые стенки- радиаторы. Я думаю под это дело плату смастеристь, точнее 2 и сразу разместить их на боковых стенках.
Отправлено спустя 13 минут 49 секунд:
Еще вот какой момент - еще раз прочел ваше объяснение по возможности неприменения разделительных конденсаторов. В балансной версии да - можем не использовать, но если заложить возможность включения небалансного преда - очевидно конденсаторы нужны. Думаю, надо собрать один канал с кондерами, второй без, послушать - сравнить и принять решение оставить ли чисто баланс или пойти по пути функционала.
Отправлено спустя 13 минут 49 секунд:
Еще вот какой момент - еще раз прочел ваше объяснение по возможности неприменения разделительных конденсаторов. В балансной версии да - можем не использовать, но если заложить возможность включения небалансного преда - очевидно конденсаторы нужны. Думаю, надо собрать один канал с кондерами, второй без, послушать - сравнить и принять решение оставить ли чисто баланс или пойти по пути функционала.
Дорогу осилит идущий
- Евгений Михеев
- Заслуженный Ветеран

- Сообщения: 4473
- Зарегистрирован: 22 май 2015, 11:52
- Откуда: Республика Коми, Ухта
- Благодарил (а): 324 раза
- Поблагодарили: 355 раз
- Контактная информация:
- Евгений Михеев
- Заслуженный Ветеран

- Сообщения: 4473
- Зарегистрирован: 22 май 2015, 11:52
- Откуда: Республика Коми, Ухта
- Благодарил (а): 324 раза
- Поблагодарили: 355 раз
- Контактная информация:
Так, окей, по шунтированию понял.
От кондеров пока нет, оставил их пока что.
А вот с однополярным входом замялся. Добавил на вход InC - lift. Вообщем сигнальную землю.
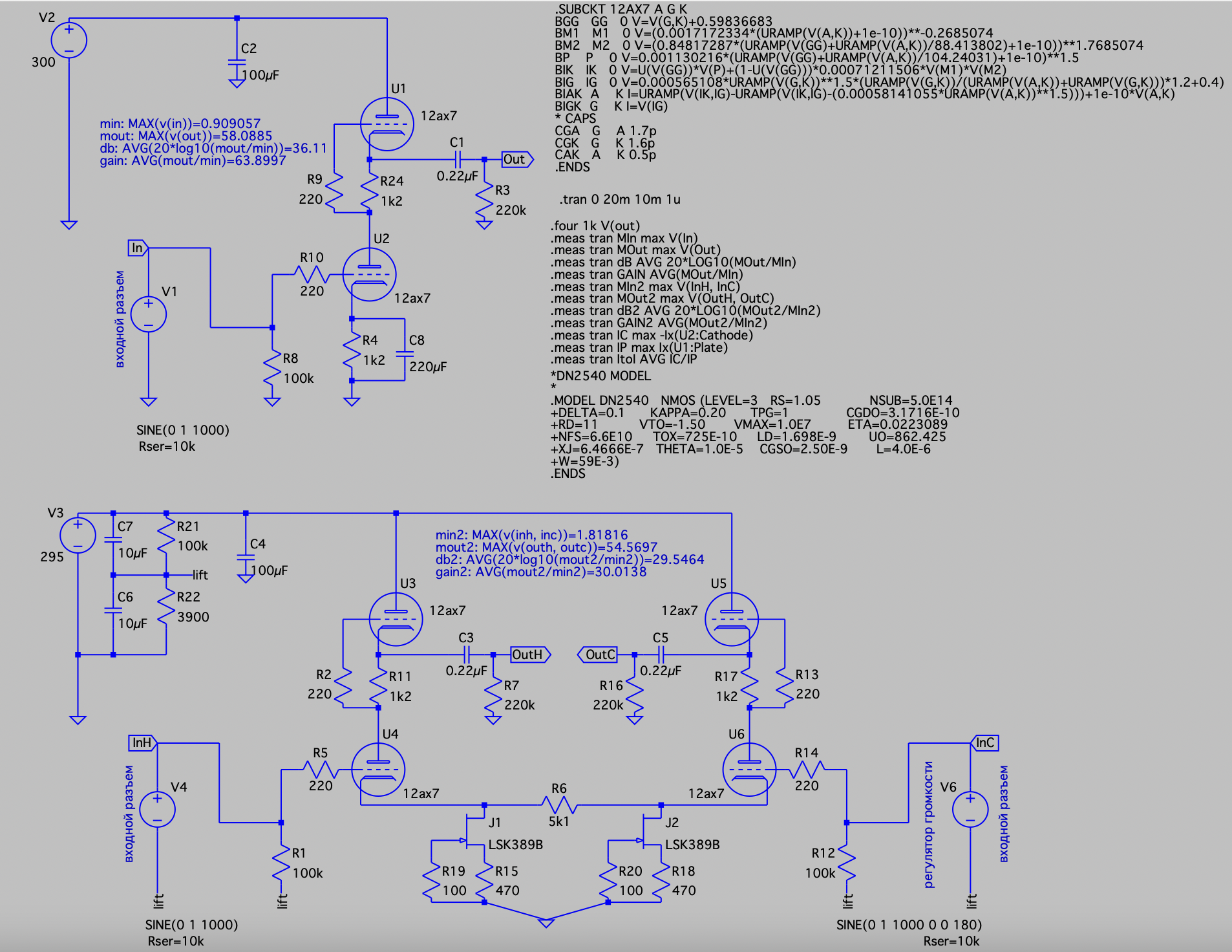
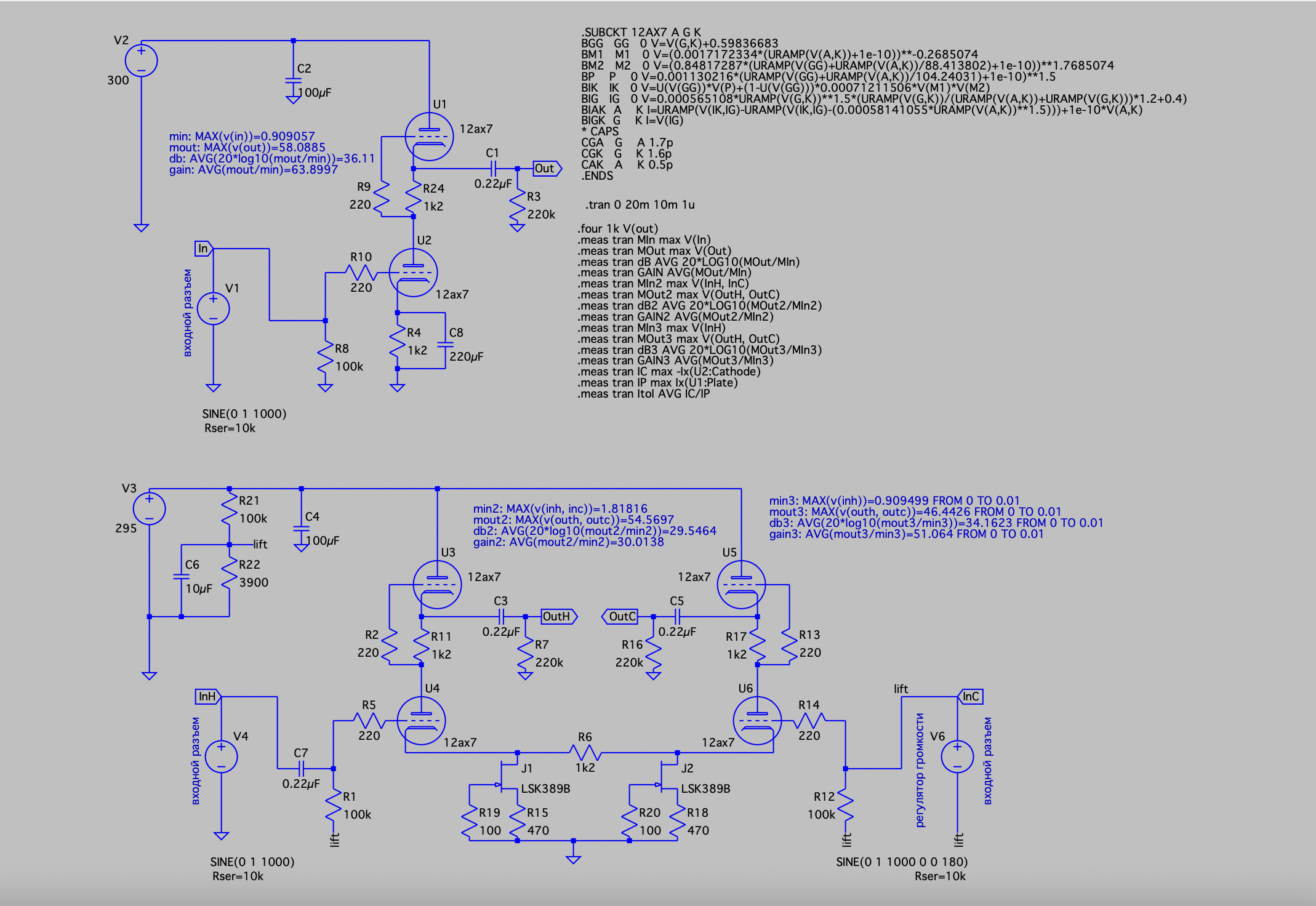
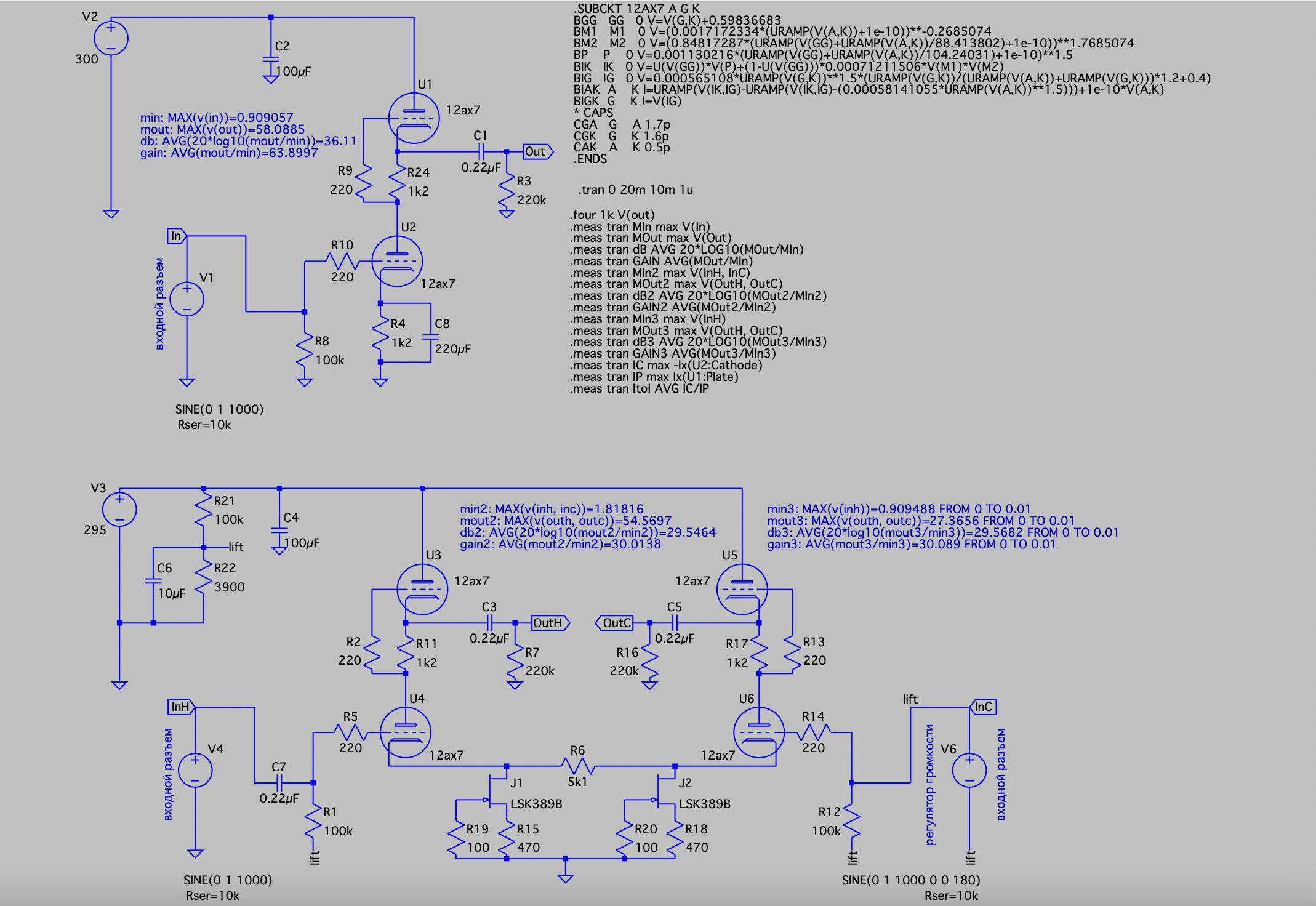
А вот расчёты неверно выходят - у нас ведь сигнал относительно сигнальной земли крутится, соответсвенно In max получается с учётом потенциала земли и дальше расчёт соответственно неверный.
Или правильно тогда пустить его относительно общей земли через конденсатор для расчётов? Вот так
Отправлено спустя 23 минуты 7 секунд:
Тогда маловато выходит
Дорогу осилит идущий
- poty
- Профи

- Сообщения: 5049
- Зарегистрирован: 24 мар 2014, 10:00
- Откуда: Россия, Москва
- Благодарил (а): 192 раза
- Поблагодарили: 664 раза
- Контактная информация:
Евгений Михеев, я не очень врубился в Ваши рассуждения сначала. Как я понял, вопросов 2:
1. Как измерить амплитуду входного сигнала, если есть постоянная составляющая? Один из способов - добавить конденсатор, как Вы сделали. Второй - вычесть из амплитуды в формуле min3 значение lift.
2. Почему такое низкое усиление? Во-первых, почему в формуле mout3 используется только outh? У нас вход небалансный, но выход-то точно балансный! Мы для этого и ставим источники тока в хвостах. Усиление можно повысить уменьшая R6, если нужно.
1. Как измерить амплитуду входного сигнала, если есть постоянная составляющая? Один из способов - добавить конденсатор, как Вы сделали. Второй - вычесть из амплитуды в формуле min3 значение lift.
2. Почему такое низкое усиление? Во-первых, почему в формуле mout3 используется только outh? У нас вход небалансный, но выход-то точно балансный! Мы для этого и ставим источники тока в хвостах. Усиление можно повысить уменьшая R6, если нужно.
Владислав
- Евгений Михеев
- Заслуженный Ветеран

- Сообщения: 4473
- Зарегистрирован: 22 май 2015, 11:52
- Откуда: Республика Коми, Ухта
- Благодарил (а): 324 раза
- Поблагодарили: 355 раз
- Контактная информация:
- Евгений Михеев
- Заслуженный Ветеран

- Сообщения: 4473
- Зарегистрирован: 22 май 2015, 11:52
- Откуда: Республика Коми, Ухта
- Благодарил (а): 324 раза
- Поблагодарили: 355 раз
- Контактная информация:
poty, согласен! Думаю, если вариант с балансным включением имеет такое же Mout как в оригинальном усилителе то нас это устраивает. В варианте с небалансным входом остановимся на 1к2, если что в процессе его можно будет уточнить подправить. Опять же реализовать всё это я знаю как - тумблер, одна пара контактов гасит inC на землю, вторая - включает параллельно R6 еще один резистор.
Можем двигать дальше
Первый вопрос - если говорить о бесконденсаторном варианте - в симуляторе я должен просто заменить конденсатор прямым соединением?
Забегу слегка вперед - следующим пунктом предлагаю обсудить источник тока выходных ламп. У меня в наличии и доступе irf630.
Я провел моделирование с irf530 и 510, результаты по току очень близкие - расхождения в доли миллиампера. У меня вопрос такой - я понимаю, что мы прикладываем потенциал к нижнему транзистору, в хвосте которого резистор, на нем происходит падение напряжения... соотвественно имеем GS напряжение задающее ток.
А вот как рассуждать для напряжения на верхнем транзисторе? Я сделал так же как у Александра - 15 вольт, но вот исходя из каких соображений выбирается это напряжение?
Первый вопрос - если говорить о бесконденсаторном варианте - в симуляторе я должен просто заменить конденсатор прямым соединением?
Забегу слегка вперед - следующим пунктом предлагаю обсудить источник тока выходных ламп. У меня в наличии и доступе irf630.
Я провел моделирование с irf530 и 510, результаты по току очень близкие - расхождения в доли миллиампера. У меня вопрос такой - я понимаю, что мы прикладываем потенциал к нижнему транзистору, в хвосте которого резистор, на нем происходит падение напряжения... соотвественно имеем GS напряжение задающее ток.
А вот как рассуждать для напряжения на верхнем транзисторе? Я сделал так же как у Александра - 15 вольт, но вот исходя из каких соображений выбирается это напряжение?
Дорогу осилит идущий
- poty
- Профи

- Сообщения: 5049
- Зарегистрирован: 24 мар 2014, 10:00
- Откуда: Россия, Москва
- Благодарил (а): 192 раза
- Поблагодарили: 664 раза
- Контактная информация:
Не совсем. Необходимо разорвать связь с землёй (резисторов 220кОм) вместе с заменой конденсатора прямым сопротивлением.Евгений Михеев писал(а): ↑01 мар 2022, 21:51если говорить о бесконденсаторном варианте - в симуляторе я должен просто заменить конденсатор прямым соединением?
Ну, в целом, источник тока можно взять из конструкции Александра.
верно.Евгений Михеев писал(а): ↑01 мар 2022, 21:51прикладываем потенциал к нижнему транзистору, в хвосте которого резистор, на нем происходит падение напряжения... соотвественно имеем GS напряжение задающее ток.
А чем он отличается от нижнего? Вместо резистора стоит источник тока. Этот источник тока будет определять напряжение Vgs. Соображения исходят ровно из этих рассуждений:Евгений Михеев писал(а): ↑01 мар 2022, 21:51как рассуждать для напряжения на верхнем транзисторе? ... исходя из каких соображений выбирается это напряжение?
Для нижнего транзистора: имеем Vth = 4В. Ток, который нам нужен - около 100мА. Если используем резистор 25Ом, то падение напряжения на нём 2,5В, соответственно, на затвор мы должны подать 4+2,5=6,5В. Для нормальной работы MOSFET необходимо, чтобы напряжение сток-исток было хотя бы 2-3В. Т.о, на стоке у нас будет 4,5-5,5В.
Для верхнего транзистора: Vth = 4В. На затворе должно быть 8,5-9,5В.
Владислав
- Евгений Михеев
- Заслуженный Ветеран

- Сообщения: 4473
- Зарегистрирован: 22 май 2015, 11:52
- Откуда: Республика Коми, Ухта
- Благодарил (а): 324 раза
- Поблагодарили: 355 раз
- Контактная информация:
- Евгений Михеев
- Заслуженный Ветеран

- Сообщения: 4473
- Зарегистрирован: 22 май 2015, 11:52
- Откуда: Республика Коми, Ухта
- Благодарил (а): 324 раза
- Поблагодарили: 355 раз
- Контактная информация:
- Евгений Михеев
- Заслуженный Ветеран

- Сообщения: 4473
- Зарегистрирован: 22 май 2015, 11:52
- Откуда: Республика Коми, Ухта
- Благодарил (а): 324 раза
- Поблагодарили: 355 раз
- Контактная информация:
poty, далее вопрос по организации этого напряжения, подаваемого на затворы.
У трансформатора есть обмотка 60 вольт. Я думаю задействовать ее, чтоб зря не пропадала. И там же организовать подъём накала. Я посмотрел по модели - нам ведь нужен потенциал на затворах транзисторов, ток там расходоваться не будет, поэтому вполне хватит микросхемы lr8 в корпусе to92
У трансформатора есть обмотка 60 вольт. Я думаю задействовать ее, чтоб зря не пропадала. И там же организовать подъём накала. Я посмотрел по модели - нам ведь нужен потенциал на затворах транзисторов, ток там расходоваться не будет, поэтому вполне хватит микросхемы lr8 в корпусе to92
Дорогу осилит идущий
Кто сейчас на конференции
Сейчас этот форум просматривают: нет зарегистрированных пользователей и 1 гость