Для активации новой учетной записи и ее подтверждения на Форуме - необходимо связаться с администратором по электронной почте p-i-n-o-k-i-o@mail.ru.
Все новые учетные записи не прошедшие подтверждения администратором воспринимаются как спам.
Все новые учетные записи не прошедшие подтверждения администратором воспринимаются как спам.
Балансный предусилитель SRPP на 12au7
- Евгений Михеев
- Заслуженный Ветеран

- Сообщения: 4427
- Зарегистрирован: 22 май 2015, 11:52
- Откуда: Республика Коми, Ухта
- Благодарил (а): 303 раза
- Поблагодарили: 348 раз
- Контактная информация:
- Евгений Михеев
- Заслуженный Ветеран

- Сообщения: 4427
- Зарегистрирован: 22 май 2015, 11:52
- Откуда: Республика Коми, Ухта
- Благодарил (а): 303 раза
- Поблагодарили: 348 раз
- Контактная информация:
- Евгений Михеев
- Заслуженный Ветеран

- Сообщения: 4427
- Зарегистрирован: 22 май 2015, 11:52
- Откуда: Республика Коми, Ухта
- Благодарил (а): 303 раза
- Поблагодарили: 348 раз
- Контактная информация:
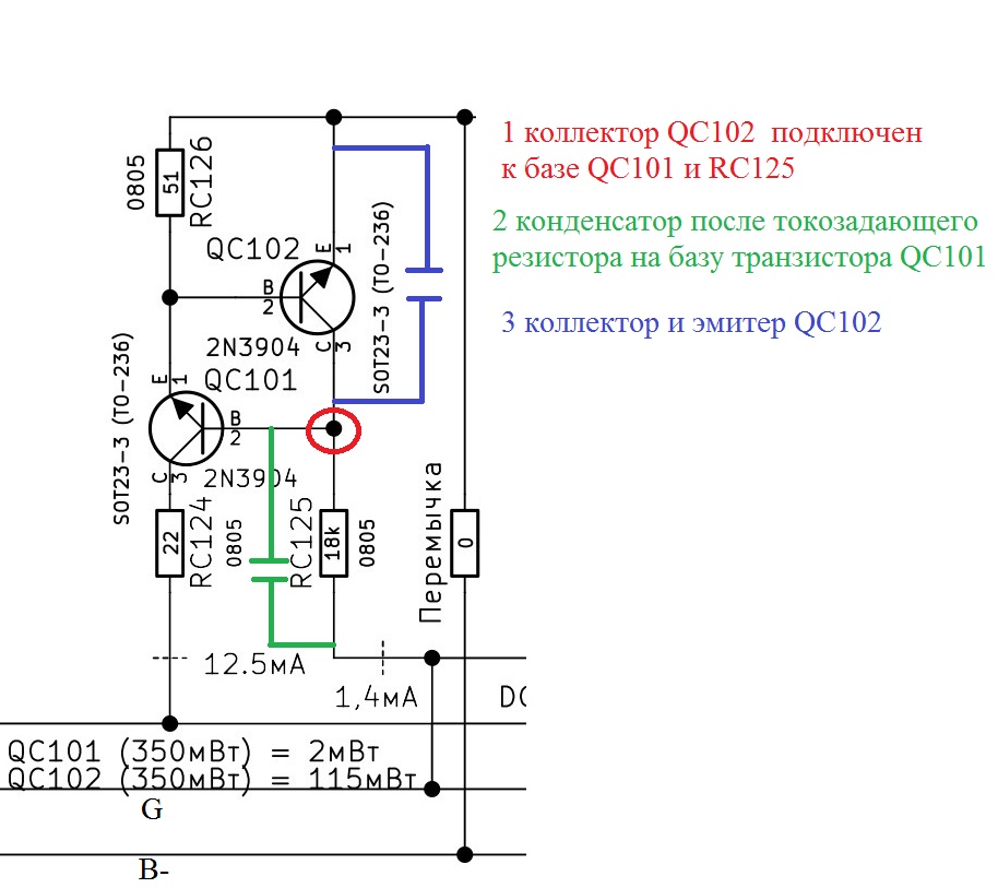
Одно и то же место по переменному току, вы имеете ввиду?
Позвольте потупить
То, что база Qc101 и коллектор qc102 это одна точка - я понимаю.
Но далее - дальний конец rc125 соединён с сигнальной землей, а эмиттер qc102 c общим проводом источника тока, перемычкой соединенный с В-. Тоесть тут уже подразумевалось, что земли соединены конденсаторами?
Позвольте потупить
То, что база Qc101 и коллектор qc102 это одна точка - я понимаю.
Но далее - дальний конец rc125 соединён с сигнальной землей, а эмиттер qc102 c общим проводом источника тока, перемычкой соединенный с В-. Тоесть тут уже подразумевалось, что земли соединены конденсаторами?
Дорогу осилит идущий
- poty
- Профи

- Сообщения: 5018
- Зарегистрирован: 24 мар 2014, 10:00
- Откуда: Россия, Москва
- Благодарил (а): 189 раз
- Поблагодарили: 643 раза
- Контактная информация:
Читал-читал и так и не могу врубиться, что я не так сказал. 
То, что написано красным - правильно. Только я не понимаю, что имеется в виду под переменным током, если они соединены напрямую?
То, что написано зелёным - неправильно. Конденсатор не параллельно токозадающему резистору, а "после него". Здесь у меня был полёт мысли и я, если честно, не уточнил второй точки, подразумевая землю для этого каскада. Каким образом задаётся ток? На входе у нас напряжение 15В. Это напряжение прикладывается между точкой 1,4мА и самой верхней шиной (верхним концом RC126), являющейся землёй этого каскада. Ток на самом деле задаётся RC126 (0,65/51=12,7мА), но управляется он транзистором QC101 за счёт усиленной QC102 ошибки, выделяющейся на RC125.
То, что написано синим - верно.
То, что написано красным - правильно. Только я не понимаю, что имеется в виду под переменным током, если они соединены напрямую?
То, что написано зелёным - неправильно. Конденсатор не параллельно токозадающему резистору, а "после него". Здесь у меня был полёт мысли и я, если честно, не уточнил второй точки, подразумевая землю для этого каскада. Каким образом задаётся ток? На входе у нас напряжение 15В. Это напряжение прикладывается между точкой 1,4мА и самой верхней шиной (верхним концом RC126), являющейся землёй этого каскада. Ток на самом деле задаётся RC126 (0,65/51=12,7мА), но управляется он транзистором QC101 за счёт усиленной QC102 ошибки, выделяющейся на RC125.
То, что написано синим - верно.
Владислав
- Евгений Михеев
- Заслуженный Ветеран

- Сообщения: 4427
- Зарегистрирован: 22 май 2015, 11:52
- Откуда: Республика Коми, Ухта
- Благодарил (а): 303 раза
- Поблагодарили: 348 раз
- Контактная информация:
- Евгений Михеев
- Заслуженный Ветеран

- Сообщения: 4427
- Зарегистрирован: 22 май 2015, 11:52
- Откуда: Республика Коми, Ухта
- Благодарил (а): 303 раза
- Поблагодарили: 348 раз
- Контактная информация:
- Евгений Михеев
- Заслуженный Ветеран

- Сообщения: 4427
- Зарегистрирован: 22 май 2015, 11:52
- Откуда: Республика Коми, Ухта
- Благодарил (а): 303 раза
- Поблагодарили: 348 раз
- Контактная информация:
Запитался от трех крон 25 вольт по тестеру (не хватало нарпяжения) - самый низкий уровень гула и шума на обеих платах (но есть все равно), на пассивной как и прежде больше, но это самый тихий вариант из всего что отслушивали.
Конденсаторы пока не добавлял. Прошу помощи в вопросе, есть ли возможность впаять их с другой стороны платы.
Конденсаторы пока не добавлял. Прошу помощи в вопросе, есть ли возможность впаять их с другой стороны платы.
Дорогу осилит идущий
- poty
- Профи

- Сообщения: 5018
- Зарегистрирован: 24 мар 2014, 10:00
- Откуда: Россия, Москва
- Благодарил (а): 189 раз
- Поблагодарили: 643 раза
- Контактная информация:
Имеется в виду - рабочий шум?Евгений Михеев писал(а):самый низкий уровень гула и шума на обеих платах (но есть все равно)
Это интересно. Ну, к B- подпаяться можно без проблем. А вот со второй точкой я не так уверен. Надо будет вечером дома на плату посмотреть, сейчас однозначно ответить не смогу.Евгений Михеев писал(а):Конденсаторы пока не добавлял. Прошу помощи в вопросе, есть ли возможность впаять их с другой стороны платы.
Владислав
- Евгений Михеев
- Заслуженный Ветеран

- Сообщения: 4427
- Зарегистрирован: 22 май 2015, 11:52
- Откуда: Республика Коми, Ухта
- Благодарил (а): 303 раза
- Поблагодарили: 348 раз
- Контактная информация:
- poty
- Профи

- Сообщения: 5018
- Зарегистрирован: 24 мар 2014, 10:00
- Откуда: Россия, Москва
- Благодарил (а): 189 раз
- Поблагодарили: 643 раза
- Контактная информация:
Вот отрицательные черты SMD... Нет на другой стороне этого соединения. Обидно...
Долго вспоминал, где я видел практически такую же конфигурацию. Вот здесь.
Долго вспоминал, где я видел практически такую же конфигурацию. Вот здесь.
Владислав
- Евгений Михеев
- Заслуженный Ветеран

- Сообщения: 4427
- Зарегистрирован: 22 май 2015, 11:52
- Откуда: Республика Коми, Ухта
- Благодарил (а): 303 раза
- Поблагодарили: 348 раз
- Контактная информация:
- Евгений Михеев
- Заслуженный Ветеран

- Сообщения: 4427
- Зарегистрирован: 22 май 2015, 11:52
- Откуда: Республика Коми, Ухта
- Благодарил (а): 303 раза
- Поблагодарили: 348 раз
- Контактная информация:
- poty
- Профи

- Сообщения: 5018
- Зарегистрирован: 24 мар 2014, 10:00
- Откуда: Россия, Москва
- Благодарил (а): 189 раз
- Поблагодарили: 643 раза
- Контактная информация:
Евгений, так там совершенно другая фильтрация. Посчитайте, например, сколько тратится энергии на питание второго каскада (примерный аналог нашего преда) и сколько там ёмкости.
Вторая часть: признаю, что я при разработке ориентировался на балансное использование преда. А это - децибел 20-30 больше подавление всех помех. В режиме расщепления сигнала источник тока работает, видимо, как вторая нагрузка для анодного питания, что требует более качественной фильтрации. Уверен, что дополнительная фильтрация полностью исключит гул в рабочем режиме. Так как питание от батареи улучшило ситуацию с источником тока, считаю, что можно перейти к источнику тока на DN2540. Остаётся проблема отрицательного питания, надеюсь, это можно улучшить тоже. Также нет результатов по применению всех предлагаемых добавок. Мы как-то двигаемся в кусочно-аппроксимированном варианте: что-то добавляем, что-то убираем.
Третья часть: не совсем понятно, что вызывает гул в нерабочем режиме и поэтому непонятно, стоит ли с этим бороться? Полное отключение от сети исключает, насколько я помню, любые звуки при выключении, надо значит настроить выключалку Максима для обрыва всех линий сразу.
Вторая часть: признаю, что я при разработке ориентировался на балансное использование преда. А это - децибел 20-30 больше подавление всех помех. В режиме расщепления сигнала источник тока работает, видимо, как вторая нагрузка для анодного питания, что требует более качественной фильтрации. Уверен, что дополнительная фильтрация полностью исключит гул в рабочем режиме. Так как питание от батареи улучшило ситуацию с источником тока, считаю, что можно перейти к источнику тока на DN2540. Остаётся проблема отрицательного питания, надеюсь, это можно улучшить тоже. Также нет результатов по применению всех предлагаемых добавок. Мы как-то двигаемся в кусочно-аппроксимированном варианте: что-то добавляем, что-то убираем.
Третья часть: не совсем понятно, что вызывает гул в нерабочем режиме и поэтому непонятно, стоит ли с этим бороться? Полное отключение от сети исключает, насколько я помню, любые звуки при выключении, надо значит настроить выключалку Максима для обрыва всех линий сразу.
Владислав
- Евгений Михеев
- Заслуженный Ветеран

- Сообщения: 4427
- Зарегистрирован: 22 май 2015, 11:52
- Откуда: Республика Коми, Ухта
- Благодарил (а): 303 раза
- Поблагодарили: 348 раз
- Контактная информация:
Я лишь хотел сказать, что трансформатор без брака.
Причем у Хагермана первый конденсатор 47uF сразу после кенотронра, я же использовал 50+50, поставив туда еще сопротивление 680 ом (пересчитав соответственно, следующие резисторы), плюс отделил входной каскад 1кОм резистором.
Но это мой косяк - надо список делать.
На данный момент меня смущает только гул второй платы (пассивной).
Согласен полностью.poty писал(а):вгений, так там совершенно другая фильтрация. Посчитайте, например, сколько тратится энергии на питание второго каскада (примерный аналог нашего преда) и сколько там ёмкости.
Причем у Хагермана первый конденсатор 47uF сразу после кенотронра, я же использовал 50+50, поставив туда еще сопротивление 680 ом (пересчитав соответственно, следующие резисторы), плюс отделил входной каскад 1кОм резистором.
Да, тоже поддерживаю всецело.poty писал(а):Вторая часть: признаю, что я при разработке ориентировался на балансное использование преда. А это - децибел 20-30 больше подавление всех помех. В режиме расщепления сигнала источник тока работает, видимо, как вторая нагрузка для анодного питания, что требует более качественной фильтрации. Уверен, что дополнительная фильтрация полностью исключит гул в рабочем режиме.
Причем то, что я отписывал в прошлый раз, насчет помогло, относилось к пассивной плате. На активной плате батарейка сотворила чудо. Гул от этой платы, как и небольшой шум я слышу только на расстоянии 1 метр, на точке прослушивания вообще всё хорошо.poty писал(а):Так как питание от батареи улучшило ситуацию с источником тока, считаю, что можно перейти к источнику тока на DN2540. Остаётся проблема отрицательного питания, надеюсь, это можно улучшить тоже.
Это признаю, тут меня извините. Просто всех манипуляций было столько придумано, что я сам в них путаюсь.poty писал(а):Также нет результатов по применению всех предлагаемых добавок. Мы как-то двигаемся в кусочно-аппроксимированном варианте: что-то добавляем, что-то убираем.
Но это мой косяк - надо список делать.
Тут тоже согласен. Я уже так настроил всё - меня результат такой полностью удовлетворяет.poty писал(а):Третья часть: не совсем понятно, что вызывает гул в нерабочем режиме и поэтому непонятно, стоит ли с этим бороться? Полное отключение от сети исключает, насколько я помню, любые звуки при выключении, надо значит настроить выключалку Максима для обрыва всех линий сразу.
На данный момент меня смущает только гул второй платы (пассивной).
Дорогу осилит идущий
- poty
- Профи

- Сообщения: 5018
- Зарегистрирован: 24 мар 2014, 10:00
- Откуда: Россия, Москва
- Благодарил (а): 189 раз
- Поблагодарили: 643 раза
- Контактная информация:
По пассивной плате: здесь нужно вернуть конденсаторы, которые стояли в блоке шунта, и, естественно, проверить все соединения.
Сейчас убраны многие конденсаторы, которые должны стоять на платах.
Но я бы начал всё же с оптимизации блока питания высокого. Т.е., поставил бы обратно смещённый диод и демпфер на первый дроссель. Меня также очень смущает этот первый дроссель. Есть ли возможность последовательно с ним поставить резистор ~1-10 Ом последовательно с ним и посмотреть на осциллографе, работает ли первый дроссель вообще как дроссель. Ток через резистор не должен прекращаться никогда.
Сейчас убраны многие конденсаторы, которые должны стоять на платах.
Но я бы начал всё же с оптимизации блока питания высокого. Т.е., поставил бы обратно смещённый диод и демпфер на первый дроссель. Меня также очень смущает этот первый дроссель. Есть ли возможность последовательно с ним поставить резистор ~1-10 Ом последовательно с ним и посмотреть на осциллографе, работает ли первый дроссель вообще как дроссель. Ток через резистор не должен прекращаться никогда.
Владислав
- Евгений Михеев
- Заслуженный Ветеран

- Сообщения: 4427
- Зарегистрирован: 22 май 2015, 11:52
- Откуда: Республика Коми, Ухта
- Благодарил (а): 303 раза
- Поблагодарили: 348 раз
- Контактная информация:
Я Вас понял. Я сейчас жду очередной Банзай, в котором едет конденсатор в шунт дросселя. Дело в том, что приехавший имеет просто огромные габариты и безболезненно в корпус его установить не видится возможным. В этой же посылке едет 680 мкф (его не было на тот момент в наличии. Далее я бы хотел предложить воспользоваться Вашей идеей запитать источник тока через стабилизатор, собрав его на одной из половинок. Лампа же будет питаться в обход стабилизатора. Ну и надо провести эксперимент, о котором Вы говорили ранее:
Так же я всё забываю спросить - Ваше предложение использовать DN2540 связано с его лучшей работой?
У меня была мысль по поводу петли. Дело в том, что половинки на плате Максима соединены (земли, я имею ввиду). Именно половинки, сами каналы соединяются на клемме земли корпуса.
В то же время половинки соединены на плате перемычкой RC121. Но потом я понял, что земля приведена на UTAP одним проводом(экранным), соответственно RC121 просто дает землю второй половинке платы UTAP. Но я решил это написать, так как сам могу в этом ошибки не видеть.
poty писал(а):Коллектор QC102 подключен к базе QC101 и RC125. Эмиттер QC102 подключен к общему проводу источника тока.
Так же я всё забываю спросить - Ваше предложение использовать DN2540 связано с его лучшей работой?
У меня была мысль по поводу петли. Дело в том, что половинки на плате Максима соединены (земли, я имею ввиду). Именно половинки, сами каналы соединяются на клемме земли корпуса.
В то же время половинки соединены на плате перемычкой RC121. Но потом я понял, что земля приведена на UTAP одним проводом(экранным), соответственно RC121 просто дает землю второй половинке платы UTAP. Но я решил это написать, так как сам могу в этом ошибки не видеть.
Дорогу осилит идущий
Кто сейчас на конференции
Сейчас этот форум просматривают: нет зарегистрированных пользователей и 4 гостя