Для активации новой учетной записи и ее подтверждения на Форуме - необходимо связаться с администратором по электронной почте p-i-n-o-k-i-o@mail.ru.
Все новые учетные записи не прошедшие подтверждения администратором воспринимаются как спам.
Все новые учетные записи не прошедшие подтверждения администратором воспринимаются как спам.
Блок питания для MC-headamp Piccolo2
Модератор: Роман Мирошниченко
- Евгений Михеев
- Заслуженный Ветеран

- Сообщения: 4473
- Зарегистрирован: 22 май 2015, 11:52
- Откуда: Республика Коми, Ухта
- Благодарил (а): 324 раза
- Поблагодарили: 355 раз
- Контактная информация:
такие варики еще
Отправлено спустя 4 минуты 13 секунд:
хамонд такой
Отправлено спустя 4 минуты 13 секунд:
хамонд такой
- За это сообщение автора Евгений Михеев поблагодарил:
- Роман Мирошниченко
- Рейтинг: 16.7%
-
Дорогу осилит идущий
- seurf
- Знаток

- Сообщения: 1232
- Зарегистрирован: 12 май 2016, 19:54
- Откуда: Волгоград
- Благодарил (а): 265 раз
- Поблагодарили: 214 раз
- Контактная информация:
Вырисовывается задача заказа под нужные размеры корпуса на 3D принтере! А в таком случае можно планировать любой чих, принтеру по барабану. И доставка ( если заказать в своём городе) стремиться к нулю!
Отправлено спустя 4 минуты 37 секунд:
А если по феншую, то переднюю панель можно заказать на гидрообработке из пластины алюминия 5-10 мм толщиной со всеми отверстиями!
Отправлено спустя 4 минуты 37 секунд:
А если по феншую, то переднюю панель можно заказать на гидрообработке из пластины алюминия 5-10 мм толщиной со всеми отверстиями!
Александр
- Роман Мирошниченко
- Заслуженный Ветеран

- Сообщения: 4415
- Зарегистрирован: 09 май 2014, 13:31
- Откуда: Саратов
- Благодарил (а): 536 раз
- Поблагодарили: 187 раз
- Контактная информация:
- Евгений Михеев
- Заслуженный Ветеран

- Сообщения: 4473
- Зарегистрирован: 22 май 2015, 11:52
- Откуда: Республика Коми, Ухта
- Благодарил (а): 324 раза
- Поблагодарили: 355 раз
- Контактная информация:
- Роман Мирошниченко
- Заслуженный Ветеран

- Сообщения: 4415
- Зарегистрирован: 09 май 2014, 13:31
- Откуда: Саратов
- Благодарил (а): 536 раз
- Поблагодарили: 187 раз
- Контактная информация:
- Евгений Михеев
- Заслуженный Ветеран

- Сообщения: 4473
- Зарегистрирован: 22 май 2015, 11:52
- Откуда: Республика Коми, Ухта
- Благодарил (а): 324 раза
- Поблагодарили: 355 раз
- Контактная информация:
- poty
- Профи

- Сообщения: 5049
- Зарегистрирован: 24 мар 2014, 10:00
- Откуда: Россия, Москва
- Благодарил (а): 192 раза
- Поблагодарили: 664 раза
- Контактная информация:
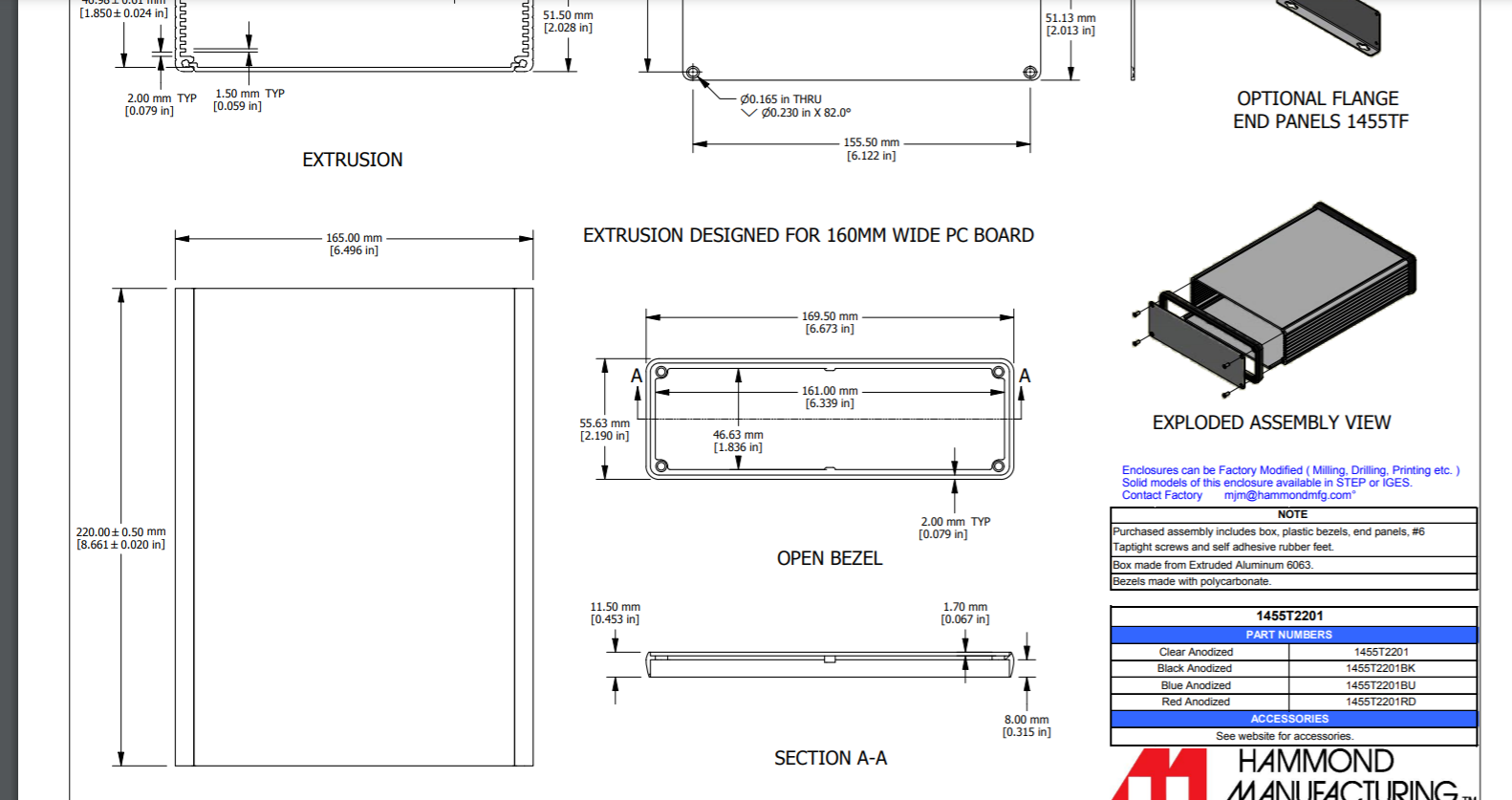
Жалко наша плата в штатные салазки корпуса не встаёт. На Hammond, кстати, этих типоразмеров - очень много. И есть корпуса с закруглёнными углами. Может, у них на сайте для начала посмотреть вариации?
- За это сообщение автора poty поблагодарили (всего 2):
- Роман Мирошниченко, Евгений Михеев
- Рейтинг: 33.3%
-
Владислав
- Евгений Михеев
- Заслуженный Ветеран

- Сообщения: 4473
- Зарегистрирован: 22 май 2015, 11:52
- Откуда: Республика Коми, Ухта
- Благодарил (а): 324 раза
- Поблагодарили: 355 раз
- Контактная информация:
- Евгений Михеев
- Заслуженный Ветеран

- Сообщения: 4473
- Зарегистрирован: 22 май 2015, 11:52
- Откуда: Республика Коми, Ухта
- Благодарил (а): 324 раза
- Поблагодарили: 355 раз
- Контактная информация:
- goldmen8
- Опытный

- Сообщения: 554
- Зарегистрирован: 25 май 2018, 10:02
- Откуда: г. Киров (на р. Вятка)
- Благодарил (а): 138 раз
- Поблагодарили: 188 раз
- Контактная информация:
Скажите точный размер. а я узнаю на местном производстве.
Вырежут, загнут и покрасят. Если надо сварят. Им только чертёжик нужен будет.
Вырежут, загнут и покрасят. Если надо сварят. Им только чертёжик нужен будет.
- За это сообщение автора goldmen8 поблагодарил:
- Роман Мирошниченко
- Рейтинг: 16.7%
-
Александр.
- Евгений Михеев
- Заслуженный Ветеран

- Сообщения: 4473
- Зарегистрирован: 22 май 2015, 11:52
- Откуда: Республика Коми, Ухта
- Благодарил (а): 324 раза
- Поблагодарили: 355 раз
- Контактная информация:
Чертежик я сделаю, если Роман Мирошниченко, одобрит идею. Ну потратим еще пару дней - я готов, все равно движения нет, а с местным производством есть шансы ускориться
- За это сообщение автора Евгений Михеев поблагодарил:
- Роман Мирошниченко
- Рейтинг: 16.7%
-
Дорогу осилит идущий
- Роман Мирошниченко
- Заслуженный Ветеран

- Сообщения: 4415
- Зарегистрирован: 09 май 2014, 13:31
- Откуда: Саратов
- Благодарил (а): 536 раз
- Поблагодарили: 187 раз
- Контактная информация:
- Евгений Михеев
- Заслуженный Ветеран

- Сообщения: 4473
- Зарегистрирован: 22 май 2015, 11:52
- Откуда: Республика Коми, Ухта
- Благодарил (а): 324 раза
- Поблагодарили: 355 раз
- Контактная информация:
- Роман Мирошниченко
- Заслуженный Ветеран

- Сообщения: 4415
- Зарегистрирован: 09 май 2014, 13:31
- Откуда: Саратов
- Благодарил (а): 536 раз
- Поблагодарили: 187 раз
- Контактная информация:
Я предлагаю ориентироваться на самый первый вариант "корпуса от китайцев". Под который платы и делали. Только нужную длину сделать.Евгений Михеев писал(а): ↑01 окт 2020, 14:57Роман Мирошниченко, так, Роман, тогда с Вас пожелания, я по чертежам.
- goldmen8
- Опытный

- Сообщения: 554
- Зарегистрирован: 25 май 2018, 10:02
- Откуда: г. Киров (на р. Вятка)
- Благодарил (а): 138 раз
- Поблагодарили: 188 раз
- Контактная информация:
Речь о металле, в наличии Ст-0.8, толщина от 0,5мм до 3мм.
Можно и салазки попробовать внедрить, если надо. Под них только место подготовить.
"Стучался" сюда: http://vympel.kirov.ru/catalog/order/
Можно и салазки попробовать внедрить, если надо. Под них только место подготовить.
"Стучался" сюда: http://vympel.kirov.ru/catalog/order/
Александр.
- Роман Мирошниченко
- Заслуженный Ветеран

- Сообщения: 4415
- Зарегистрирован: 09 май 2014, 13:31
- Откуда: Саратов
- Благодарил (а): 536 раз
- Поблагодарили: 187 раз
- Контактная информация:
Я про вот этот - viewtopic.php?t=349&start=120#p21364
74х90 мм в сечении.
Отправлено спустя 7 минут 45 секунд:
Вот , Владислав приводил расчет внутреннего пространства:
В зависимости от толщины материала, можно уменьшить размер "90". Сделать корпус квадратного сечения, например 80х80poty писал(а): ↑12 июл 2018, 22:22Если брать такое расположение, то 5мм (низ первой платы) + 2мм (первая плата) + 30мм (трансформатор на первой плате) + 20мм (конденсатор на второй плате) + 2мм (вторая плата) + 5мм (низ второй платы) = 64мм
Т.о., если взять зазор между платами 2мм, то остаётся по 4мм от нижних деталей плат до корпуса.
- Роман Мирошниченко
- Заслуженный Ветеран

- Сообщения: 4415
- Зарегистрирован: 09 май 2014, 13:31
- Откуда: Саратов
- Благодарил (а): 536 раз
- Поблагодарили: 187 раз
- Контактная информация:
- Евгений Михеев
- Заслуженный Ветеран

- Сообщения: 4473
- Зарегистрирован: 22 май 2015, 11:52
- Откуда: Республика Коми, Ухта
- Благодарил (а): 324 раза
- Поблагодарили: 355 раз
- Контактная информация:
ну смотрите тогда, варианты - размещения - либо платы максимально близко между собой, и тогда входной разъем устанавливается за счёт длины корпуса, либо сделать входной разьем между трансформаторами, тогда надо будет раздвинуть платы друг от друга на ширину разъема
Отправлено спустя 1 минуту 2 секунды:
Отправлено спустя 1 минуту 2 секунды:
ну у нас пару сообщений назад так 1 корпус выходил
Дорогу осилит идущий
- Роман Мирошниченко
- Заслуженный Ветеран

- Сообщения: 4415
- Зарегистрирован: 09 май 2014, 13:31
- Откуда: Саратов
- Благодарил (а): 536 раз
- Поблагодарили: 187 раз
- Контактная информация:
Я за этот вариант. Если нет возражений.Евгений Михеев писал(а): ↑01 окт 2020, 17:52платы максимально близко между собой, и тогда входной разъем устанавливается за счёт длины корпуса
Кто сейчас на конференции
Сейчас этот форум просматривают: нет зарегистрированных пользователей и 0 гостей