Для активации новой учетной записи и ее подтверждения на Форуме - необходимо связаться с администратором по электронной почте p-i-n-o-k-i-o@mail.ru.
Все новые учетные записи не прошедшие подтверждения администратором воспринимаются как спам.
Все новые учетные записи не прошедшие подтверждения администратором воспринимаются как спам.
Ламповый предварительный усилитель с темброблоком
- Валерий
- Посетитель

- Сообщения: 117
- Зарегистрирован: 21 дек 2015, 12:04
- Откуда: Овруч
- Благодарил (а): 13 раз
- Поблагодарили: 4 раза
- Контактная информация:
Ламповый предварительный усилитель с темброблоком
Здравствуйте.
В данной схеме уважаемые гуру,как правильно пересчитать номиналы для работы с 6н23п,6н2п?
Спасибо.
В данной схеме уважаемые гуру,как правильно пересчитать номиналы для работы с 6н23п,6н2п?
Спасибо.
Последний раз редактировалось poty 31 окт 2017, 21:12, всего редактировалось 2 раза.
- poty
- Профи

- Сообщения: 5017
- Зарегистрирован: 24 мар 2014, 10:00
- Откуда: Россия, Москва
- Благодарил (а): 189 раз
- Поблагодарили: 642 раза
- Контактная информация:
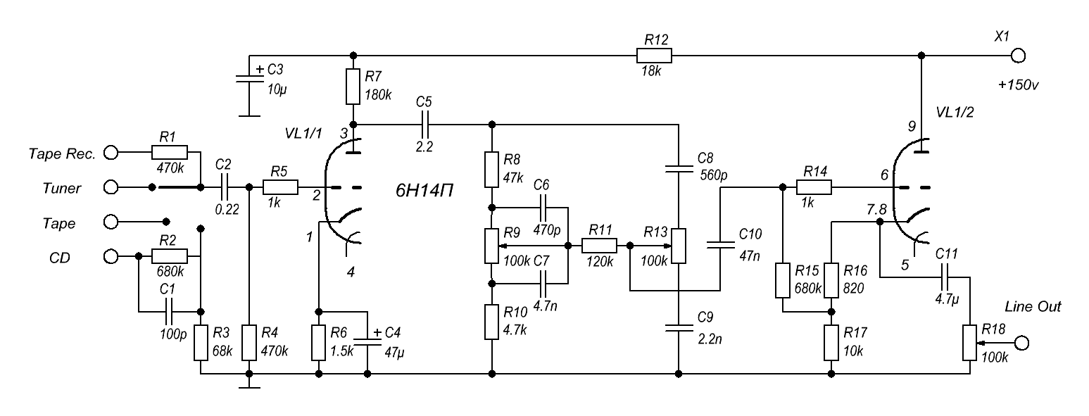
Здесь нет никаких тайн. Схема - простейшая, здесь имеется вся информация для расчёта. Если запутаетесь - поможем. Евгений на этом уже собаку съел.Валерий писал(а):как правильно пересчитать номиналы для работы с 6н23п,6н2п?
Тяжелее будет с регулятором тембра: он рассчитан на определённый входной и выходной импеданс. И если соблюсти выходной импеданс - небольшая проблема, то вот входной может быть проблемой. Но, в любом случае, расчёты покажут, что да как.
Владислав
- poty
- Профи

- Сообщения: 5017
- Зарегистрирован: 24 мар 2014, 10:00
- Откуда: Россия, Москва
- Благодарил (а): 189 раз
- Поблагодарили: 642 раза
- Контактная информация:
Евгений, если будет время, начните, пожалуйста. Нужно определить усиление и выходное сопротивление 1-каскада, а также входное сопротивление 2-каскада.
2-ой каскад - КП в чистом виде, поэтому там пересчитать нужно будет только смещение под другие лампы.
Я предположу, что для 6Н23П имеет смысл взять ток побольше - примерно 6-12мА (надо посчитать ещё рассеяние на аноде, чтоб лампу не перегреть). Для этой лампы есть отличная опорная точка - 6922 - это очень близкий аналог (по качеству, правда, несопоставимо выше).
Для 6Н2П выбирать ток больше 1мА не советую! 6Н2П в качестве выходной лампы в КП - не очень хорошо.
Я предполагаю, что выходное сопротивление каскада на 6Н23П будет существенно ниже, чем для 6Н14П, поэтому достаточно будет поставить последовательно с С5 дополнительный резистор = разнице выходных сопротивлений.
Я бы крепко подумал, есть ли смысл пересчитывать усилитель под 6Н2П. 6Н23П - поуниверсальнее, она может прикинуться практически любой лампой (это я про звуковую область говорю). Хотелось бы всё-таки услышать причину пересчёта?
2-ой каскад - КП в чистом виде, поэтому там пересчитать нужно будет только смещение под другие лампы.
Я предположу, что для 6Н23П имеет смысл взять ток побольше - примерно 6-12мА (надо посчитать ещё рассеяние на аноде, чтоб лампу не перегреть). Для этой лампы есть отличная опорная точка - 6922 - это очень близкий аналог (по качеству, правда, несопоставимо выше).
Для 6Н2П выбирать ток больше 1мА не советую! 6Н2П в качестве выходной лампы в КП - не очень хорошо.
Я предполагаю, что выходное сопротивление каскада на 6Н23П будет существенно ниже, чем для 6Н14П, поэтому достаточно будет поставить последовательно с С5 дополнительный резистор = разнице выходных сопротивлений.
Я бы крепко подумал, есть ли смысл пересчитывать усилитель под 6Н2П. 6Н23П - поуниверсальнее, она может прикинуться практически любой лампой (это я про звуковую область говорю). Хотелось бы всё-таки услышать причину пересчёта?
Владислав
- Евгений Михеев
- Заслуженный Ветеран

- Сообщения: 4427
- Зарегистрирован: 22 май 2015, 11:52
- Откуда: Республика Коми, Ухта
- Благодарил (а): 302 раза
- Поблагодарили: 348 раз
- Контактная информация:
Итак, расчет усиления первого каскада. Тут сразу есть вопрос:
Rload в данном случае, как мне кажется, должен состоять из R7//R8+R9+R10//R13?
Меня смутил R13, но, по моим прикидкам, он должен участвовать в формуле. Так?
Позвольте также высказаться по поводу 6н2п. Я как обычно со своей колокольни - гитарные усилители, но в них она звучит пресно, холодно и обладает сыпучими верхами. Здесь другая тема, но промолчать я не в силах
Rload в данном случае, как мне кажется, должен состоять из R7//R8+R9+R10//R13?
Меня смутил R13, но, по моим прикидкам, он должен участвовать в формуле. Так?
Позвольте также высказаться по поводу 6н2п. Я как обычно со своей колокольни - гитарные усилители, но в них она звучит пресно, холодно и обладает сыпучими верхами. Здесь другая тема, но промолчать я не в силах
Дорогу осилит идущий
- Евгений Михеев
- Заслуженный Ветеран

- Сообщения: 4427
- Зарегистрирован: 22 май 2015, 11:52
- Откуда: Республика Коми, Ухта
- Благодарил (а): 302 раза
- Поблагодарили: 348 раз
- Контактная информация:
- Валерий
- Посетитель

- Сообщения: 117
- Зарегистрирован: 21 дек 2015, 12:04
- Откуда: Овруч
- Благодарил (а): 13 раз
- Поблагодарили: 4 раза
- Контактная информация:
Спасибо за помощь огромное ребята.
Теперь по порядку.
А так как 6н2п хуже,тогда пересчет на 6н23п на входе и выходе.
Или посоветуйте другой вариант (кроме зарубежных).
Расчеты еще не осилил.
Теперь по порядку.
Я имел ввиду или на 6н23п или 6н2п.poty писал(а):Я бы крепко подумал, есть ли смысл пересчитывать усилитель под 6Н2П.
А так как 6н2п хуже,тогда пересчет на 6н23п на входе и выходе.
Или посоветуйте другой вариант (кроме зарубежных).
Расчеты еще не осилил.
Последний раз редактировалось poty 31 окт 2017, 21:23, всего редактировалось 1 раз.
- poty
- Профи

- Сообщения: 5017
- Зарегистрирован: 24 мар 2014, 10:00
- Откуда: Россия, Москва
- Благодарил (а): 189 раз
- Поблагодарили: 642 раза
- Контактная информация:
Валерий, я поясню свои вопросы. Для того, чтобы корректно подсказать Вам направление движения, нужно-таки знать, что Вы хотите получить в результате? Пока приводимые Вами конструкции выглядят так, что Вам нужен пред с фоновходом и регулятором тембра. Не буду сейчас говорить о философской стороне этого дела, но, скажем так, критерии отбора мне совсем непонятны.
К чему я это? Вот Вы попросили пересчитать пассивные элементы для схемы предварительного усилителя с регулятором тембра. Этот усилитель изначально посчитан для работы в "серой зоне" лампы 6Н14П. Если Вы посмотрите на первый каскад, то сопротивление 180к в аноде + 1,5к в катоде и 150В питания через резистор в 18к дают нам в лучшем случае 0,65мА через лампу (при этом 11,7В падает на резисторе 18к, 117В - на 180к, 1В - на 1,5к, на лампу остаётся чуть больше 20В). Фактически, в этой зоне ничего не гарантируется, но это может придавать особую окраску звуку (некоторые называют это - "ламповостью"). Когда будет производиться расчёт, никто не сможет на другой лампе повторить эту "серую зону". Значит - будем считать в рамках линейных характеристик, но звучание каскада будет другим - это однозначно. С другой стороны - легче найти лампу 6Н14П и получить оригинальный вариант, чем надеяться на некий гипотетический результат с заменённой лампой. Надеюсь, понятно, почему я спрашиваю о желаемом результате? Возможно, стоит ориентироваться на другую схемотехнику.
К чему я это? Вот Вы попросили пересчитать пассивные элементы для схемы предварительного усилителя с регулятором тембра. Этот усилитель изначально посчитан для работы в "серой зоне" лампы 6Н14П. Если Вы посмотрите на первый каскад, то сопротивление 180к в аноде + 1,5к в катоде и 150В питания через резистор в 18к дают нам в лучшем случае 0,65мА через лампу (при этом 11,7В падает на резисторе 18к, 117В - на 180к, 1В - на 1,5к, на лампу остаётся чуть больше 20В). Фактически, в этой зоне ничего не гарантируется, но это может придавать особую окраску звуку (некоторые называют это - "ламповостью"). Когда будет производиться расчёт, никто не сможет на другой лампе повторить эту "серую зону". Значит - будем считать в рамках линейных характеристик, но звучание каскада будет другим - это однозначно. С другой стороны - легче найти лампу 6Н14П и получить оригинальный вариант, чем надеяться на некий гипотетический результат с заменённой лампой. Надеюсь, понятно, почему я спрашиваю о желаемом результате? Возможно, стоит ориентироваться на другую схемотехнику.
Владислав
- Евгений Михеев
- Заслуженный Ветеран

- Сообщения: 4427
- Зарегистрирован: 22 май 2015, 11:52
- Откуда: Республика Коми, Ухта
- Благодарил (а): 302 раза
- Поблагодарили: 348 раз
- Контактная информация:
Поможем!Валерий писал(а):Мне это проще подобрать чем сделать расчет в который еще не вник.
Или навесомpoty писал(а):Есть вероятность, что можно слегка сэкономить, если сделать конструкцию не на одной плате, а на нескольких платах поменьше.
Итак, усиление: В нашем случае Rна будет представлять из себя в параллель стоящую нагрузку темброблока 100К и анодного резистора 180К.
Таким образом Rна=64.3К.
В формуле усиления не будет участвовать катодный резистор, так как он зашунтирован конденсатором большой емкости, то Rк*(1+m)=0
тогда К= 25(усиление триода)*64.3К/(ra+64.3К). где ra - внутреннее сопротивление лампы (я его, к сожалению, не нашел).
Так, я смотрю, Вы тут без меня о лампах рассуждали
Мне исходную схему считать?
Дорогу осилит идущий
- poty
- Профи

- Сообщения: 5017
- Зарегистрирован: 24 мар 2014, 10:00
- Откуда: Россия, Москва
- Благодарил (а): 189 раз
- Поблагодарили: 642 раза
- Контактная информация:
http://musicangel.ru/mess261.htmЕвгений Михеев писал(а):внутреннее сопротивление лампы (я его, к сожалению, не нашел).
Рис. 4. Ri,мю (ток - примерно 0,65мА).
Я думаю, надо досчитать. Это ж не сильно долго.Евгений Михеев писал(а):Мне исходную схему считать?
Владислав
- Евгений Михеев
- Заслуженный Ветеран

- Сообщения: 4427
- Зарегистрирован: 22 май 2015, 11:52
- Откуда: Республика Коми, Ухта
- Благодарил (а): 302 раза
- Поблагодарили: 348 раз
- Контактная информация:
Это драгоценная практика) У меня получилось в районе 24К.poty писал(а):Я думаю, надо досчитать. Это ж не сильно долго.
То К=18.2
Я нашел значение для Ua150, но там линии настолько близки, что думаю, для нашего анодного мы будем в коридоре двадцати килоом, таким образом усиление будет 18-19.
Дорогу осилит идущий
- Евгений Михеев
- Заслуженный Ветеран

- Сообщения: 4427
- Зарегистрирован: 22 май 2015, 11:52
- Откуда: Республика Коми, Ухта
- Благодарил (а): 302 раза
- Поблагодарили: 348 раз
- Контактная информация:
- poty
- Профи

- Сообщения: 5017
- Зарегистрирован: 24 мар 2014, 10:00
- Откуда: Россия, Москва
- Благодарил (а): 189 раз
- Поблагодарили: 642 раза
- Контактная информация:
Хорошо, теперь нужно посчитать то же, но с 6Н23П. Ориентируемся на напряжение В+=200В, ток - примерно 7мА, напряжение анод-катод = 80В, подбираем катодное сопротивление так, чтобы:
1. Усиление было чуть больше посчитанного ранее.
2. Выходное сопротивление было не выше посчитанного ранее.
В идеале добиться равенства и того и другого, но в этом случае нужно манипулировать 4 параметрами (ток через лампу, напряжение анод-катод, сопротивление в аноде, сопротивление в катоде), а это слишком сложно для ручного расчёта.
Я бы не стал шунтировать конденсатором катодный резистор для 6Н23П, но если усиления не хватит, то...
1. Усиление было чуть больше посчитанного ранее.
2. Выходное сопротивление было не выше посчитанного ранее.
В идеале добиться равенства и того и другого, но в этом случае нужно манипулировать 4 параметрами (ток через лампу, напряжение анод-катод, сопротивление в аноде, сопротивление в катоде), а это слишком сложно для ручного расчёта.
Я бы не стал шунтировать конденсатором катодный резистор для 6Н23П, но если усиления не хватит, то...
Владислав
- Евгений Михеев
- Заслуженный Ветеран

- Сообщения: 4427
- Зарегистрирован: 22 май 2015, 11:52
- Откуда: Республика Коми, Ухта
- Благодарил (а): 302 раза
- Поблагодарили: 348 раз
- Контактная информация:
- poty
- Профи

- Сообщения: 5017
- Зарегистрирован: 24 мар 2014, 10:00
- Откуда: Россия, Москва
- Благодарил (а): 189 раз
- Поблагодарили: 642 раза
- Контактная информация:
Самое простое (и, наверное, для данного случая - приемлемое по точности) - рассчитать на основе имеющихся характеристик µ и S (цитата из ветки по расчёту):Евгений Михеев писал(а):Владислав, со внутренним сопротивлением этой лампы поможете? Либо найти не могу, либо смотрю не туда...
Можно определить по ВАХ в рабочей точке (коэффициент при линейной части уравнения касательной).Все три характеристики связаны между собой следующим образом: S= µ/ra (по импортному — gm= µ/ra)
Что-то Валерий куда-то исчез...
Владислав
- Евгений Михеев
- Заслуженный Ветеран

- Сообщения: 4427
- Зарегистрирован: 22 май 2015, 11:52
- Откуда: Республика Коми, Ухта
- Благодарил (а): 302 раза
- Поблагодарили: 348 раз
- Контактная информация:
Так и хотел, сразу полез в конспект "переходим к графикам", но думал, что есть значениеpoty писал(а):Самое простое (и, наверное, для данного случая - приемлемое по точности) - рассчитать на основе имеющихся характеристик µ и S (цитата из ветки по расчёту):
Так я попросил отсрочкуpoty писал(а):Что-то Валерий куда-то исчез...
То ra = 2.55Кpoty писал(а):S= µ/ra
Для 7мА и 80В на аноде я получил точку -1.5В/-1.6В для смещения.
Таким образом резистор в катоде 1,5/0,007=214 Ом. Или1,6/0,007=228 Ом Берем 220 Ом. Доступный из ряда. Мощность на нем будет рассеиваться маленькая, можно 0,5ВАТТ использовать с полным запасом от всего
При известном токе в 7 мА, чтобы оставить на аноде 80В надо сбить на анодном резисторе 120В, то резистор получился 17К. (это я стараюсь со всех сторон решать задачу разом). Мощность на нем 0.83Ватт. Я бы использовал составной 15+2К.
Усиление получилось 19.3 против 17 из прошлого расчёта, отлично, это с не зашутированным катодным резистором. А вот с выходным сопротивлением не всё так безболезненно. Я получил 6.2 против 21.2
Я хочу поиграть рабочей точкой и B+....
Дорогу осилит идущий
- poty
- Профи

- Сообщения: 5017
- Зарегистрирован: 24 мар 2014, 10:00
- Откуда: Россия, Москва
- Благодарил (а): 189 раз
- Поблагодарили: 642 раза
- Контактная информация:
Можно увеличить ООС (за счёт катодного резистора или комбинации по аналогии с источниками тока) - получим меньшее усиление (сравнимое со "старым" каскадом) и увеличим выходное сопротивление.
Можно уменьшить ток (думаю, безболезненно это можно сделать до 4-5мА) - это увеличит сопротивление в аноде (что, в свою очередь, увеличит усиление, которое можно компенсировать вышеописанным способом с положительным для нас результатом), что увеличит также выходное сопротивление.
Можно уменьшить ток (думаю, безболезненно это можно сделать до 4-5мА) - это увеличит сопротивление в аноде (что, в свою очередь, увеличит усиление, которое можно компенсировать вышеописанным способом с положительным для нас результатом), что увеличит также выходное сопротивление.
Владислав
- Евгений Михеев
- Заслуженный Ветеран

- Сообщения: 4427
- Зарегистрирован: 22 май 2015, 11:52
- Откуда: Республика Коми, Ухта
- Благодарил (а): 302 раза
- Поблагодарили: 348 раз
- Контактная информация:
- Евгений Михеев
- Заслуженный Ветеран

- Сообщения: 4427
- Зарегистрирован: 22 май 2015, 11:52
- Откуда: Республика Коми, Ухта
- Благодарил (а): 302 раза
- Поблагодарили: 348 раз
- Контактная информация:
Я бы пошел по такому пути.
Поднял высокое до 290В
На сетку дал +2в
В катоде поставил 1К (при токе 4 мА падение будет 4В, таким образом смещение -2В)
В аноде 51К
Совсем другое дело. Даже высокое получилось прибрать Сейчас отрисую схему
Поднял высокое до 290В
На сетку дал +2в
В катоде поставил 1К (при токе 4 мА падение будет 4В, таким образом смещение -2В)
В аноде 51К
Это вариант с конденсатором? Сейчас прикинуpoty писал(а):Не обязательно, можно сделать комбинированное катодное смещение AC/DC.
Совсем другое дело. Даже высокое получилось прибрать Сейчас отрисую схему
Последний раз редактировалось poty 13 ноя 2017, 18:50, всего редактировалось 1 раз.
Дорогу осилит идущий
-
- Похожие темы
- Ответы
- Просмотры
- Последнее сообщение
-
-
Отключаемый параллельный ламповый буфер
Евгений Михеев » 25 дек 2024, 17:56 » в форуме Раздел Потапова Владислава - 41 Ответы
- 37629 Просмотры
-
Последнее сообщение Евгений Михеев
10 авг 2025, 13:17
-
Кто сейчас на конференции
Сейчас этот форум просматривают: нет зарегистрированных пользователей и 1 гость