Для активации новой учетной записи и ее подтверждения на Форуме - необходимо связаться с администратором по электронной почте p-i-n-o-k-i-o@mail.ru.
Все новые учетные записи не прошедшие подтверждения администратором воспринимаются как спам.
Все новые учетные записи не прошедшие подтверждения администратором воспринимаются как спам.
Простой пуш-пулл усилитель на 300B
- poty
- Профи

- Сообщения: 5018
- Зарегистрирован: 24 мар 2014, 10:00
- Откуда: Россия, Москва
- Благодарил (а): 189 раз
- Поблагодарили: 642 раза
- Контактная информация:
Простой пуш-пулл усилитель на 300B
Поступила идея создать что-то простое и относительно недорогое на легендарных триодах 300B, любимых теми меломанами, кто предпочитает "ламповость" в звуке.
На примере этой разработки я хочу также показать, как работать в LTSpice - программе-"симуляторе" электрических цепей. Думаю, те приёмы, которые будут описаны здесь, могут быть успешно применены, в том числе, и начинающими конструкторами.
В настоящее время идёт сбор данных по лампам 300B, поскольку в сети гуляет больше десятка вариантов допустимых параметров, отличающихся как тонкими, так и толстыми подробностями и не хотелось бы проводить всю работу впустую.
В качестве начальных предпосылок хочу поставить следующие:
1. Разрабатываем усилитель мощности пуш-пулл. Лампы в выходном каскаде - 300B; лампы в предварительном каскаде (драйвере) - 6Н6П. Работаем только в линейном диапазоне (так называемый класс A).
2. Чувствительность - не хуже 2В по входу. (Во избежание недоразумений: под чувствительностью здесь понимается амплитуда сигнала, при которой на выходе усилителя будет максимальная мощность).
3. КНИ - не более 1% на максимальной мощности (лимитирует максимальную мощность).
4. Минимальное количество моточных изделий (только трансформатор питания и выходной трансформатор). Т.е., исключается межкаскадный трансформатор между драйвером и выходным каскадом, а также - дроссели.
5. Нестабилизированный источник питания.
6. Питание накалов переменным током.
7. Возможность балансировки половинок пуш-пулл.
8. Автоматическое смещение (long-tail - CCS).
Исходя из вышеизложенного, предлагаю делать выходной каскад по схеме SIPP. Основной проблемой такого каскада является необходимость удвоения амплитуды драйвера (и так значительной для 300В), что вместе с невозможностью увеличить номинал сеточного резистора утечки приводит к необходимости значительной мощности раскачки. Предлагаю перенести схемотехнику SIPP в драйверный каскад ценой дополнительной лампы и превратить SIPP в выходном каскаде в обычный балансный Long-tail каскад.
Скажу пару слов про LTSpice. Скачать его можно здесь. Программа, прямо скажем, не очень дружелюбная, предупреждаю! Но по крайней мере - понятная.
Итак, немножко введения. После запуска программы имеем следующую визуальную ленту: Нажимаем 1 (новый). Из кубиков 5 (земля, можно нажать G), 7 (резистор, можно нажать R), 8 (конденсатор, можно нажать C), 9 (индуктивность, можно нажать L), D - диод, 10 (другой компонент, можно нажать F2) создаём шедевр. В принципе, достаточно мнемонично. "Другой компонент" создаётся из списка стандартных компонентов, располагающихся в определённой папке. Можно ещё создать собственные компоненты, но мы пока так далеко заглядывать не будем. Компоненты соединяются между собой с помощью проводов (средство 4). Удалить компоненты можно с помощью средства 2. Скопировать компоненты можно с помощью средства 3. Перетащить компонент без соединения можно с помощью 11. Перетащить с соединениями - с помощью 12. Развернуть компонент (Ctrl+R) или отобразить его (Ctrl+E) - 14. Действия 2,3,11,13,14 можно осуществить на блоке, который выделяется как обычно - очерчиванием прямоугольника с зажатой левой кнопкой мыши. Отменить действие - 13.
Важное средство - 15, которое предназначено для задания команд SPICE.
Все числа вводятся в формате с десятичной точкой, которую можно заменить на обычные десятичные суффиксы, например:
p - пико (/1000000000000)
n - нано (/1000000000)
u - микро (/1000000)
m - милли (/1000)
k - кило (х1000)
Meg - мега (х1000000)
G - гига (х1000000000)
Стоит заметить, что не все значения поддерживаются для всех компонентов. Допустим, индуктивность меньше 1 мГн задать невозможно.
Для каждого элемента можно заменить конкретное отображаемое значение, нажав правой кнопкой мыши на это значение или открыть полный диалог - той же правой кнопкой мыши на самом элементе. Существует два диалога, вход в альтернативный осуществляется при нажатой кнопке Ctrl.
Теперь о расшифровке тех решений, которые я собираюсь внедрить в разрабатываемый усилитель.
Очевидно, термины SIPP, балансный, long-tail ни о чём не говорят. К сожалению, единой терминологии в современном "электронном строительстве" я не наблюдаю, поэтому приведу примеры того, что я имею в виду, когда говорю обо всём этом.
Вот известный всем, "обычный" каскад на триоде: Для простоты рассуждений (что, кстати, недалеко от истины), триод здесь представляет сопротивление управляемое сигналом. Т.о., каскад усиления вырождается в банальный резистивный делитель. Соответственно, напряжение на выходе будет соответствовать элементарному правилу делителя: (B+) * R3/(R3+Ru1+R2), где Ru1 - это внутреннее сопротивление лампы (динамическое, конечно). Чем больше R3, тем ближе вторая часть выражения к 1, тем ближе усиление каскада к паспортному значению усиления лампы. Однако, не всё так просто. Чем больше R3, тем больше напряжения на нём падает, значит, тем меньше "остаётся" на саму лампу. А лампе нужно некоторое напряжение, для того, чтобы исполнять свои усилительные обязанности.
А что если сделать вот так? Значок, который заменил анодное сопротивление R3 - это источник тока (CCS - constant current source). Это такое устройство, которое изменяет своё внутреннее сопротивление таким образом, что при любом приложенном на своих контактах напряжении ток, протекающий между этими контактами, оставался постоянным. Это, конечно, в идеале. В реальности, ток меняется, но его изменения крайне малы. Степень этих изменений характеризует так называемое динамическое сопротивление источника тока, которое определяется как отношение изменения напряжения на источнике тока к изменению тока через него. У хороших источников тока оно измеряется гигаомами. Но для нашего случая хватит гораздо более скромных значений. Как правило, внутреннее сопротивление лампы составляет от сотен ом до десятков килоом. Т.о., существенным может считаться сопротивление на 2-3 порядка более высокое, чем внутреннее сопротивление лампы. Так как для постоянного и переменного тока сопротивления источника тока отличаются, можно отдельно определить, какие значения токов и напряжений будут на лампе в режиме без сигнала и как будет вести себя каскад под нагрузкой. Это - пример Long-tail (длиннохвостый - по причине того, что нагрузкой является очень большое сопротивление, по сравнению с другими элементами каскада) каскада, хотя многие скажут, что типичный Long-tail каскад имеет источник тока в катоде. С моей точки зрения это не так, поскольку "хвост" в общем случае - это нагрузка. Однако, для балансных цепей всё переворачивается с ног на голову.
Рассмотрим типичный балансный выходной каскад с "длинным хвостом": L1, L2 представляют собой встречно включенные обмотки выходного трансформатора. I1 - это снова источник тока. В данном случае, если мы говорим об идеальных лампах, его можно просто убрать (закоротить) и ничего не произойдёт, каскад будет работать ровно так же. Но лампы - неидеальны, поэтому, скажем, крутизна процесса открывания лампы отличается от крутизны закрывания (поясняю: допустим, я увеличил напряжение на сетке лампы на 1В, при этом ток изменился, допустим, на 10мА; если я уменьшу напряжение на сетке на 1В, ток может измениться (в другую сторону) на 9мА). Суммы токов получаются неравными и здесь вступает в действие источник тока. Он выравнивает эти изменения таким образом, чтобы они происходили исключительно симметрично (например, из примера выше - обе лампы изменят ток через них на 9,5мА, только в разные стороны)! Эффективность этого настолько высока, что второй источник сигнала (допустим, In-) можно просто убрать и закоротить сетку лампы на землю: Вот такое включение называется SIPP (self-inverting push-pull - самоинвертирующий пуш-пулл). В таком включении источник тока выравнивает изменения токов через лампы, получая лишь половину сигнала. Естественно, это не даётся просто так: для того же самого изменения тока необходима удвоенная амплитуда входного сигнала по оставшейся линии входа. Типичное значение смещения лампы 300В, которую мы вознамерились применить, находится в пределах -80В. Игнорируя на данном этапе обратную связь, получаем, что для того, чтобы раскачать эти лампы до максимума может потребоваться до 80*2*2=320В от пика до пика! Возможно, я не прав, но получить небалансно такой уровень сигнала с достаточной линейностью невозможно (помним о минимизации моточных изделий и, соответственно, трансформаторов).
Вернёмся тогда обратно к балансному выходному каскаду. Ему нужно по каждой линии входа половину вышеозначенного напряжения (160В от пика до пика). Но таких линий нужно две, кроме того, они должны быть противофазными! Обычно это достигается с помощью фазоинверторов, но встречаются и методы, основанные на идее балансного каскада (или SIPP, но не для выходного каскада, а для драйвера). Посмотрим: В нагрузке теперь - обычные резисторы, но самое главное - мы получаем как раз то, что нам нужно: два противофазных сигнала, способных "запитать" балансный выходной каскад! Конечно, по входу нам придётся также, как и в случае с SIPP выходного каскада, подавать удвоенную амплитуду (по сравнению с обычным каскадом), но мы можем компенсировать это с помощью усиления самого каскада. Кроме того, мы "бесплатно" получаем балансный вход. Не то, чтобы это было нашим вожделением, но раз уж такая возможность есть, то это скорее плюс, чем минус!
На примере этой разработки я хочу также показать, как работать в LTSpice - программе-"симуляторе" электрических цепей. Думаю, те приёмы, которые будут описаны здесь, могут быть успешно применены, в том числе, и начинающими конструкторами.
В настоящее время идёт сбор данных по лампам 300B, поскольку в сети гуляет больше десятка вариантов допустимых параметров, отличающихся как тонкими, так и толстыми подробностями и не хотелось бы проводить всю работу впустую.
В качестве начальных предпосылок хочу поставить следующие:
1. Разрабатываем усилитель мощности пуш-пулл. Лампы в выходном каскаде - 300B; лампы в предварительном каскаде (драйвере) - 6Н6П. Работаем только в линейном диапазоне (так называемый класс A).
2. Чувствительность - не хуже 2В по входу. (Во избежание недоразумений: под чувствительностью здесь понимается амплитуда сигнала, при которой на выходе усилителя будет максимальная мощность).
3. КНИ - не более 1% на максимальной мощности (лимитирует максимальную мощность).
4. Минимальное количество моточных изделий (только трансформатор питания и выходной трансформатор). Т.е., исключается межкаскадный трансформатор между драйвером и выходным каскадом, а также - дроссели.
5. Нестабилизированный источник питания.
6. Питание накалов переменным током.
7. Возможность балансировки половинок пуш-пулл.
8. Автоматическое смещение (long-tail - CCS).
Исходя из вышеизложенного, предлагаю делать выходной каскад по схеме SIPP. Основной проблемой такого каскада является необходимость удвоения амплитуды драйвера (и так значительной для 300В), что вместе с невозможностью увеличить номинал сеточного резистора утечки приводит к необходимости значительной мощности раскачки. Предлагаю перенести схемотехнику SIPP в драйверный каскад ценой дополнительной лампы и превратить SIPP в выходном каскаде в обычный балансный Long-tail каскад.
Скажу пару слов про LTSpice. Скачать его можно здесь. Программа, прямо скажем, не очень дружелюбная, предупреждаю! Но по крайней мере - понятная.
Итак, немножко введения. После запуска программы имеем следующую визуальную ленту: Нажимаем 1 (новый). Из кубиков 5 (земля, можно нажать G), 7 (резистор, можно нажать R), 8 (конденсатор, можно нажать C), 9 (индуктивность, можно нажать L), D - диод, 10 (другой компонент, можно нажать F2) создаём шедевр. В принципе, достаточно мнемонично. "Другой компонент" создаётся из списка стандартных компонентов, располагающихся в определённой папке. Можно ещё создать собственные компоненты, но мы пока так далеко заглядывать не будем. Компоненты соединяются между собой с помощью проводов (средство 4). Удалить компоненты можно с помощью средства 2. Скопировать компоненты можно с помощью средства 3. Перетащить компонент без соединения можно с помощью 11. Перетащить с соединениями - с помощью 12. Развернуть компонент (Ctrl+R) или отобразить его (Ctrl+E) - 14. Действия 2,3,11,13,14 можно осуществить на блоке, который выделяется как обычно - очерчиванием прямоугольника с зажатой левой кнопкой мыши. Отменить действие - 13.
Важное средство - 15, которое предназначено для задания команд SPICE.
Все числа вводятся в формате с десятичной точкой, которую можно заменить на обычные десятичные суффиксы, например:
p - пико (/1000000000000)
n - нано (/1000000000)
u - микро (/1000000)
m - милли (/1000)
k - кило (х1000)
Meg - мега (х1000000)
G - гига (х1000000000)
Стоит заметить, что не все значения поддерживаются для всех компонентов. Допустим, индуктивность меньше 1 мГн задать невозможно.
Для каждого элемента можно заменить конкретное отображаемое значение, нажав правой кнопкой мыши на это значение или открыть полный диалог - той же правой кнопкой мыши на самом элементе. Существует два диалога, вход в альтернативный осуществляется при нажатой кнопке Ctrl.
Теперь о расшифровке тех решений, которые я собираюсь внедрить в разрабатываемый усилитель.
Очевидно, термины SIPP, балансный, long-tail ни о чём не говорят. К сожалению, единой терминологии в современном "электронном строительстве" я не наблюдаю, поэтому приведу примеры того, что я имею в виду, когда говорю обо всём этом.
Вот известный всем, "обычный" каскад на триоде: Для простоты рассуждений (что, кстати, недалеко от истины), триод здесь представляет сопротивление управляемое сигналом. Т.о., каскад усиления вырождается в банальный резистивный делитель. Соответственно, напряжение на выходе будет соответствовать элементарному правилу делителя: (B+) * R3/(R3+Ru1+R2), где Ru1 - это внутреннее сопротивление лампы (динамическое, конечно). Чем больше R3, тем ближе вторая часть выражения к 1, тем ближе усиление каскада к паспортному значению усиления лампы. Однако, не всё так просто. Чем больше R3, тем больше напряжения на нём падает, значит, тем меньше "остаётся" на саму лампу. А лампе нужно некоторое напряжение, для того, чтобы исполнять свои усилительные обязанности.
А что если сделать вот так? Значок, который заменил анодное сопротивление R3 - это источник тока (CCS - constant current source). Это такое устройство, которое изменяет своё внутреннее сопротивление таким образом, что при любом приложенном на своих контактах напряжении ток, протекающий между этими контактами, оставался постоянным. Это, конечно, в идеале. В реальности, ток меняется, но его изменения крайне малы. Степень этих изменений характеризует так называемое динамическое сопротивление источника тока, которое определяется как отношение изменения напряжения на источнике тока к изменению тока через него. У хороших источников тока оно измеряется гигаомами. Но для нашего случая хватит гораздо более скромных значений. Как правило, внутреннее сопротивление лампы составляет от сотен ом до десятков килоом. Т.о., существенным может считаться сопротивление на 2-3 порядка более высокое, чем внутреннее сопротивление лампы. Так как для постоянного и переменного тока сопротивления источника тока отличаются, можно отдельно определить, какие значения токов и напряжений будут на лампе в режиме без сигнала и как будет вести себя каскад под нагрузкой. Это - пример Long-tail (длиннохвостый - по причине того, что нагрузкой является очень большое сопротивление, по сравнению с другими элементами каскада) каскада, хотя многие скажут, что типичный Long-tail каскад имеет источник тока в катоде. С моей точки зрения это не так, поскольку "хвост" в общем случае - это нагрузка. Однако, для балансных цепей всё переворачивается с ног на голову.
Рассмотрим типичный балансный выходной каскад с "длинным хвостом": L1, L2 представляют собой встречно включенные обмотки выходного трансформатора. I1 - это снова источник тока. В данном случае, если мы говорим об идеальных лампах, его можно просто убрать (закоротить) и ничего не произойдёт, каскад будет работать ровно так же. Но лампы - неидеальны, поэтому, скажем, крутизна процесса открывания лампы отличается от крутизны закрывания (поясняю: допустим, я увеличил напряжение на сетке лампы на 1В, при этом ток изменился, допустим, на 10мА; если я уменьшу напряжение на сетке на 1В, ток может измениться (в другую сторону) на 9мА). Суммы токов получаются неравными и здесь вступает в действие источник тока. Он выравнивает эти изменения таким образом, чтобы они происходили исключительно симметрично (например, из примера выше - обе лампы изменят ток через них на 9,5мА, только в разные стороны)! Эффективность этого настолько высока, что второй источник сигнала (допустим, In-) можно просто убрать и закоротить сетку лампы на землю: Вот такое включение называется SIPP (self-inverting push-pull - самоинвертирующий пуш-пулл). В таком включении источник тока выравнивает изменения токов через лампы, получая лишь половину сигнала. Естественно, это не даётся просто так: для того же самого изменения тока необходима удвоенная амплитуда входного сигнала по оставшейся линии входа. Типичное значение смещения лампы 300В, которую мы вознамерились применить, находится в пределах -80В. Игнорируя на данном этапе обратную связь, получаем, что для того, чтобы раскачать эти лампы до максимума может потребоваться до 80*2*2=320В от пика до пика! Возможно, я не прав, но получить небалансно такой уровень сигнала с достаточной линейностью невозможно (помним о минимизации моточных изделий и, соответственно, трансформаторов).
Вернёмся тогда обратно к балансному выходному каскаду. Ему нужно по каждой линии входа половину вышеозначенного напряжения (160В от пика до пика). Но таких линий нужно две, кроме того, они должны быть противофазными! Обычно это достигается с помощью фазоинверторов, но встречаются и методы, основанные на идее балансного каскада (или SIPP, но не для выходного каскада, а для драйвера). Посмотрим: В нагрузке теперь - обычные резисторы, но самое главное - мы получаем как раз то, что нам нужно: два противофазных сигнала, способных "запитать" балансный выходной каскад! Конечно, по входу нам придётся также, как и в случае с SIPP выходного каскада, подавать удвоенную амплитуду (по сравнению с обычным каскадом), но мы можем компенсировать это с помощью усиления самого каскада. Кроме того, мы "бесплатно" получаем балансный вход. Не то, чтобы это было нашим вожделением, но раз уж такая возможность есть, то это скорее плюс, чем минус!
- За это сообщение автора poty поблагодарили (всего 3):
- Роман Мирошниченко, AndreyK, seurf
- Рейтинг: 50%
-
Владислав
- poty
- Профи

- Сообщения: 5018
- Зарегистрирован: 24 мар 2014, 10:00
- Откуда: Россия, Москва
- Благодарил (а): 189 раз
- Поблагодарили: 642 раза
- Контактная информация:
Настало время создать компьютерную модель нашего усилителя. Несмотря на то, что в LTSpice можно работать и с трансформаторами, во избежание сложностей в понимании происходящих процессов и зависимости от применённых в результате трансформаторов, я решил создать эквивалентную схему, в которой первичные обмотки трансформаторов будут представлены чистыми сопротивлениями. Так как, в отличие от трансформаторов, реальное значение сопротивления одинаково для постоянного и переменного тока, значение напряжения B+ будут казаться запредельными, но это только до той поры, пока мы не заменим всё это на реальные детали.
Я хочу сделать ещё пару замечаний. Для того, чтобы всё работало хорошо, необходимо делать далеко неочевидные вещи:
- проставлять ESR всех конденсаторов;
- учитывать внутреннее (выходное) сопротивление источников напряжения;
- формировать более точные значения, для чего задавать минимальные шаги симуляции и отключать сжатие данных.
Нужно, конечно, подготовить и очевидное, например, модели всех активных элементов.
Итак, запускаем программу, нажимаем на кнопку Новый (отмечена цифрой 1 ранее). Вводим модель триода 300B, для чего нажимаем на кнопку .op (15) и копируем собственно модель:
* Generic triode model: 300B
* Copyright 2003--2008 by Ayumi Nakabayashi, All rights reserved.
* Version 3.10, Generated on Sat Mar 8 22:41:52 2008
* Plate
* | Grid
* | | Cathode
* | | |
.SUBCKT 300B A G K
BGG GG 0 V=V(G,K)+0.99996017
BM1 M1 0 V=(0.038949013*(URAMP(V(A,K))+1e-10))**-0.25159159
BM2 M2 0 V=(0.85636401*(URAMP(V(GG)+URAMP(V(A,K))/3.6877954)+1e-10))**1.7515916
BP P 0 V=0.0011156138*(URAMP(V(GG)+URAMP(V(A,K))/4.3063409)+1e-10)**1.5
BIK IK 0 V=U(V(GG))*V(P)+(1-U(V(GG)))*0.00071191966*V(M1)*V(M2)
BIG IG 0 V=0.00055780691*URAMP(V(G,K))**1.5*(URAMP(V(G,K))/(URAMP(V(A,K))+URAMP(V(G,K)))*1.2+0.4)
BIAK A K I=URAMP(V(IK,IG)-URAMP(V(IK,IG)-(0.00096815606*URAMP(V(A,K))**1.5)))+1e-10*V(A,K)
BIGK G K I=V(IG)
* CAPS
CGA G A 15p
CGK G K 8.5p
CAK A K 4.1p
.ENDS
Нажимаем OK. Размещаем получившийся объект где-нибудь на экране и нажимаем левую кнопку мыши.
Оптимизируем внутренние параметры для обеспечения чистого преобразования Фурье (это поможет нам оценить амплитуду гармоник). Ещё раз заходим в .op (15) и вводим туда:
.options plotwinsize=0 numdgt=15
+ OK + левая кнопка мыши.
Меню Simulate->Control Panel->вкладка Compression: снимаем все галочки со следующих параметров:
Only compress transient analyses
Enable 1st Order Compression
Enable 2nd Order Compression Снова ОК.
Нажимаем кнопку Component (10), затем идём в папку Misc, выбираем там triode, перемещаем его мышкой на свободное место и нажимаем на левую кнопку. Второй символ размещаем под первым, поворачивая его с помощью Ctrl-R и отображая с помощью Ctrl-E. Закрепляем его левой кнопкой мыши. Отменяем режим (Esc).
Нажимаем R и создаём 4 резистора.
Нажимаем кнопку Component (10), переходим на один уровень выше ([..]), выбираем voltage в двух экземплярах. Аналогично добавляем current. Нажимаем G и добавляем два символа заземления.
Соединяем это как показано на рисунке и присваиваем имена цепям (используем кнопку F4): Осталось проставить номиналы деталей. Для того, чтобы от чего-то оттолкнуться, я взял спецификацию оригинальных Western Electric 300B:
первоначальная:
300B - we
последующая:
300a_b - we
Из этих файлов можно узнать, что предельное значение сопротивления утечки (сетка-земля) не должно быть больше 250кОм, предельная мощность, рассеиваемая анодом - не более 36Вт (консервативное значение), предельный ток анода - не более 100мА. Учитывая, что блок питания у нас нестабилизированный, необходимо иметь как минимум 10% запас на изменение сетевого напряжения. Кроме того, я стараюсь не использовать лампу на предельных параметрах. Т.о., мощность рассеяния ограничиваем 36-10%=32,4Вт, ток - не более 100мА-10%=90мА. Напряжение анод-катод при этом не должно превышать 360В. В конце первого файла есть таблицы с рекомендованными параметрами. С моей точки зрения, ближайшая альтернатива вышеуказанным данным - 400В при 80мА (32Вт рассеяния), при этом анодное сопротивление рекомендуется делать 2,5кОм. Давайте с этого и начнём:
Правой кнопкой мыши на символе R сопротивлений R3 и R4 - вводим в обоих случаях 250к. Аналогично вводим значения для R1, R2=2k5. Ток (символ I в источнике тока I1)=160мА. Анодное напряжение (символ V в источнике напряжения V1) придётся подобрать. Напряжение V2 стоит пока выставить равным DC value[V]: 0, при этом внутреннее сопротивление пока поставим Series Resistance[Ohm]: 5к (для этого нужно нажать правой кнопкой мыши на самом значке, а не на текстовых обозначениях). Должно получится следующее: Для того, чтобы "привязать" модель к значку лампы, нужно правой кнопкой мыши нажать на значке, при этом откроется так называемое альтернативное меню. В LTSpice не предусмотрено всех "видов" электронных компонентов, в том числе это касается ламп. Для таких "неизвестных" компонентов предусмотрен специальный Prefix: X, что и можно наблюдать в открывшемся окне Component Attribute Editor. Заполняем Value этого компонента названием лампы 300B (которое берём, соответственно, из ранее внедрённой модели после ключевого слова .SUBCKT) и нажимаем OK. Повторяем аналогичные действия для второй лампы.
Осталось найти значение V1. В нашем случае, когда производитель о многом позаботился для нас, это сделать относительно легко. Напряжение B+ распределяется таким образом:
- падение напряжения на анодном резисторе (R1 или R2), по закону Ома: 80мА*2,5кОм=200В
- напряжение анод-катод лампы: 400В
- напряжение смещения (катод-земля): его можно определить из той же таблицы, откуда мы взяли параметры нашей рабочей точки (400В@80мА) =-84В.
Т.о., напряжение питания будет равно 684В. Его и можно будет записать в значение V1. В общем случае такого простого решения ожидать не приходится. Поэтому я собираюсь продемонстрировать одно из полезных средств в LTSPice - подбор параметров. Он осуществляется командой .step, помощь по которой можно получить во встроенной документации. В нашем случае эта команда будет выглядеть так:
.step param VB 674 694 1
что означает, изменять параметр VB от значения 674 до значения 694 с шагом 1. Команду "вводим" в проект так же, как и любую другую команду spice: нажимаем на .op (15) и вписываем её в поле, потом OK и левая кнопка мыши в месте размещения. Остаётся указать, где находится этот параметр VB. Нажимаем правой кнопкой на значке (не тексте!) V1 и вводим следующее:
DC value[V]: {VB}
Series Resistance[Ohm]: 1
Всё готово для нашей первой симуляции. Нажимаем правой кнопкой мыши на пустом месте окна программы и выбираем Run. Так как никакие параметры симуляции у нас не заданы, открывается окно Edit Simulation Command, в котором переходим на вкладку DC op pnt: Так как для этого режима никаких параметров не предусмотрено, просто нажимаем на OK. Происходит расчёт рабочей точки нарисованного каскада по постоянному току, при этом появляется окно отображения результатов. Нас интересует напряжение анод-катод - "правильное" напряжение B+ должно обеспечить это напряжение равным 400В. Чтобы обеспечить отображение напряжения анод-катод в окне с нарисованной схемой подводим курсор мыши на линию Out+, при этом курсор приобретает вид красного щупа, нажимаем левую кнопку мыши и не отпуская её наводим указатель на линию Cat (курсор приобретает вид чёрного щупа), где и отпускаем кнопку мыши: Появляется график зависимости напряжения анод-катод V(Out+,Cat) от B+. Нажимаем на заголовок графика - появляется курсор с расшифровкой: В расшифровке замечаем, что наше напряжение анод-катод в 400В достигается именно при напряжении 684В источника питания. Это напряжение и записываем в V1 вместо ранее записанного туда параметра. После этого можно стереть команду .step (нажимаем на Cut (2) и затем на команду .step).
Мы также можем закрыть окно отображения данных.
Проверим, работает ли наша схема как усилитель. Нажмём правой кнопкой мыши на значке V2, а затем - на Advanced. Переключим Functions в значение SINE, заполним
DC offset[V]: 0
Amplitude[V]: 40
Freq[Hz]: 1000
AC Amplitude: 40
AC Phase: 0
Series Resistance[Ohm]:5k
Parallel Capacitance[F]:10p
Нажимаем ОК.
Нажимаем на .op на схеме правой кнопкой мыши. Переключаемся на вкладку Transient И заполняем следующие поля:
Stop Time: 10m
Time to Start Saving Data: 0
Maximum Timestep: 0.01u
и нажимаем OK. Заметим, что программа не понимает системных установок формата чисел - все числа пишутся через десятичную точку!
Нажимаем правую кнопку мыши на свободном пространстве, выбираем Run.
В открывшемся окне визуализации данных нажимаем правую кнопку мыши и в строке Expression(s) to add: пишем следующее выражение: V(Out+,B+)+V(B+,Out-). Нажимаем OK. Получаем: Как видим, имеем красивую синусоиду на выходе, с 120В амплитудой, что соответствует 84,8В действующего напряжения и 1,44Вт выходной мощности. Посмотрим, насколько много КНИ при такой мощности в таком каскаде (правой кнопкой на окне визуализации данных, View->FFT): Самая большая гармоника - 3-я, с уровнем -67,7дБ от основной (0,01%).
Данная конструкция будет базовой для всех дальнейших исследований:
300В - начало
Я хочу сделать ещё пару замечаний. Для того, чтобы всё работало хорошо, необходимо делать далеко неочевидные вещи:
- проставлять ESR всех конденсаторов;
- учитывать внутреннее (выходное) сопротивление источников напряжения;
- формировать более точные значения, для чего задавать минимальные шаги симуляции и отключать сжатие данных.
Нужно, конечно, подготовить и очевидное, например, модели всех активных элементов.
Итак, запускаем программу, нажимаем на кнопку Новый (отмечена цифрой 1 ранее). Вводим модель триода 300B, для чего нажимаем на кнопку .op (15) и копируем собственно модель:
* Generic triode model: 300B
* Copyright 2003--2008 by Ayumi Nakabayashi, All rights reserved.
* Version 3.10, Generated on Sat Mar 8 22:41:52 2008
* Plate
* | Grid
* | | Cathode
* | | |
.SUBCKT 300B A G K
BGG GG 0 V=V(G,K)+0.99996017
BM1 M1 0 V=(0.038949013*(URAMP(V(A,K))+1e-10))**-0.25159159
BM2 M2 0 V=(0.85636401*(URAMP(V(GG)+URAMP(V(A,K))/3.6877954)+1e-10))**1.7515916
BP P 0 V=0.0011156138*(URAMP(V(GG)+URAMP(V(A,K))/4.3063409)+1e-10)**1.5
BIK IK 0 V=U(V(GG))*V(P)+(1-U(V(GG)))*0.00071191966*V(M1)*V(M2)
BIG IG 0 V=0.00055780691*URAMP(V(G,K))**1.5*(URAMP(V(G,K))/(URAMP(V(A,K))+URAMP(V(G,K)))*1.2+0.4)
BIAK A K I=URAMP(V(IK,IG)-URAMP(V(IK,IG)-(0.00096815606*URAMP(V(A,K))**1.5)))+1e-10*V(A,K)
BIGK G K I=V(IG)
* CAPS
CGA G A 15p
CGK G K 8.5p
CAK A K 4.1p
.ENDS
Нажимаем OK. Размещаем получившийся объект где-нибудь на экране и нажимаем левую кнопку мыши.
Оптимизируем внутренние параметры для обеспечения чистого преобразования Фурье (это поможет нам оценить амплитуду гармоник). Ещё раз заходим в .op (15) и вводим туда:
.options plotwinsize=0 numdgt=15
+ OK + левая кнопка мыши.
Меню Simulate->Control Panel->вкладка Compression: снимаем все галочки со следующих параметров:
Only compress transient analyses
Enable 1st Order Compression
Enable 2nd Order Compression Снова ОК.
Нажимаем кнопку Component (10), затем идём в папку Misc, выбираем там triode, перемещаем его мышкой на свободное место и нажимаем на левую кнопку. Второй символ размещаем под первым, поворачивая его с помощью Ctrl-R и отображая с помощью Ctrl-E. Закрепляем его левой кнопкой мыши. Отменяем режим (Esc).
Нажимаем R и создаём 4 резистора.
Нажимаем кнопку Component (10), переходим на один уровень выше ([..]), выбираем voltage в двух экземплярах. Аналогично добавляем current. Нажимаем G и добавляем два символа заземления.
Соединяем это как показано на рисунке и присваиваем имена цепям (используем кнопку F4): Осталось проставить номиналы деталей. Для того, чтобы от чего-то оттолкнуться, я взял спецификацию оригинальных Western Electric 300B:
первоначальная:
300B - we
последующая:
300a_b - we
Из этих файлов можно узнать, что предельное значение сопротивления утечки (сетка-земля) не должно быть больше 250кОм, предельная мощность, рассеиваемая анодом - не более 36Вт (консервативное значение), предельный ток анода - не более 100мА. Учитывая, что блок питания у нас нестабилизированный, необходимо иметь как минимум 10% запас на изменение сетевого напряжения. Кроме того, я стараюсь не использовать лампу на предельных параметрах. Т.о., мощность рассеяния ограничиваем 36-10%=32,4Вт, ток - не более 100мА-10%=90мА. Напряжение анод-катод при этом не должно превышать 360В. В конце первого файла есть таблицы с рекомендованными параметрами. С моей точки зрения, ближайшая альтернатива вышеуказанным данным - 400В при 80мА (32Вт рассеяния), при этом анодное сопротивление рекомендуется делать 2,5кОм. Давайте с этого и начнём:
Правой кнопкой мыши на символе R сопротивлений R3 и R4 - вводим в обоих случаях 250к. Аналогично вводим значения для R1, R2=2k5. Ток (символ I в источнике тока I1)=160мА. Анодное напряжение (символ V в источнике напряжения V1) придётся подобрать. Напряжение V2 стоит пока выставить равным DC value[V]: 0, при этом внутреннее сопротивление пока поставим Series Resistance[Ohm]: 5к (для этого нужно нажать правой кнопкой мыши на самом значке, а не на текстовых обозначениях). Должно получится следующее: Для того, чтобы "привязать" модель к значку лампы, нужно правой кнопкой мыши нажать на значке, при этом откроется так называемое альтернативное меню. В LTSpice не предусмотрено всех "видов" электронных компонентов, в том числе это касается ламп. Для таких "неизвестных" компонентов предусмотрен специальный Prefix: X, что и можно наблюдать в открывшемся окне Component Attribute Editor. Заполняем Value этого компонента названием лампы 300B (которое берём, соответственно, из ранее внедрённой модели после ключевого слова .SUBCKT) и нажимаем OK. Повторяем аналогичные действия для второй лампы.
Осталось найти значение V1. В нашем случае, когда производитель о многом позаботился для нас, это сделать относительно легко. Напряжение B+ распределяется таким образом:
- падение напряжения на анодном резисторе (R1 или R2), по закону Ома: 80мА*2,5кОм=200В
- напряжение анод-катод лампы: 400В
- напряжение смещения (катод-земля): его можно определить из той же таблицы, откуда мы взяли параметры нашей рабочей точки (400В@80мА) =-84В.
Т.о., напряжение питания будет равно 684В. Его и можно будет записать в значение V1. В общем случае такого простого решения ожидать не приходится. Поэтому я собираюсь продемонстрировать одно из полезных средств в LTSPice - подбор параметров. Он осуществляется командой .step, помощь по которой можно получить во встроенной документации. В нашем случае эта команда будет выглядеть так:
.step param VB 674 694 1
что означает, изменять параметр VB от значения 674 до значения 694 с шагом 1. Команду "вводим" в проект так же, как и любую другую команду spice: нажимаем на .op (15) и вписываем её в поле, потом OK и левая кнопка мыши в месте размещения. Остаётся указать, где находится этот параметр VB. Нажимаем правой кнопкой на значке (не тексте!) V1 и вводим следующее:
DC value[V]: {VB}
Series Resistance[Ohm]: 1
Всё готово для нашей первой симуляции. Нажимаем правой кнопкой мыши на пустом месте окна программы и выбираем Run. Так как никакие параметры симуляции у нас не заданы, открывается окно Edit Simulation Command, в котором переходим на вкладку DC op pnt: Так как для этого режима никаких параметров не предусмотрено, просто нажимаем на OK. Происходит расчёт рабочей точки нарисованного каскада по постоянному току, при этом появляется окно отображения результатов. Нас интересует напряжение анод-катод - "правильное" напряжение B+ должно обеспечить это напряжение равным 400В. Чтобы обеспечить отображение напряжения анод-катод в окне с нарисованной схемой подводим курсор мыши на линию Out+, при этом курсор приобретает вид красного щупа, нажимаем левую кнопку мыши и не отпуская её наводим указатель на линию Cat (курсор приобретает вид чёрного щупа), где и отпускаем кнопку мыши: Появляется график зависимости напряжения анод-катод V(Out+,Cat) от B+. Нажимаем на заголовок графика - появляется курсор с расшифровкой: В расшифровке замечаем, что наше напряжение анод-катод в 400В достигается именно при напряжении 684В источника питания. Это напряжение и записываем в V1 вместо ранее записанного туда параметра. После этого можно стереть команду .step (нажимаем на Cut (2) и затем на команду .step).
Мы также можем закрыть окно отображения данных.
Проверим, работает ли наша схема как усилитель. Нажмём правой кнопкой мыши на значке V2, а затем - на Advanced. Переключим Functions в значение SINE, заполним
DC offset[V]: 0
Amplitude[V]: 40
Freq[Hz]: 1000
AC Amplitude: 40
AC Phase: 0
Series Resistance[Ohm]:5k
Parallel Capacitance[F]:10p
Нажимаем ОК.
Нажимаем на .op на схеме правой кнопкой мыши. Переключаемся на вкладку Transient И заполняем следующие поля:
Stop Time: 10m
Time to Start Saving Data: 0
Maximum Timestep: 0.01u
и нажимаем OK. Заметим, что программа не понимает системных установок формата чисел - все числа пишутся через десятичную точку!
Нажимаем правую кнопку мыши на свободном пространстве, выбираем Run.
В открывшемся окне визуализации данных нажимаем правую кнопку мыши и в строке Expression(s) to add: пишем следующее выражение: V(Out+,B+)+V(B+,Out-). Нажимаем OK. Получаем: Как видим, имеем красивую синусоиду на выходе, с 120В амплитудой, что соответствует 84,8В действующего напряжения и 1,44Вт выходной мощности. Посмотрим, насколько много КНИ при такой мощности в таком каскаде (правой кнопкой на окне визуализации данных, View->FFT): Самая большая гармоника - 3-я, с уровнем -67,7дБ от основной (0,01%).
Данная конструкция будет базовой для всех дальнейших исследований:
300В - начало
- Рейтинг: 16.7%
-
Владислав
- poty
- Профи

- Сообщения: 5018
- Зарегистрирован: 24 мар 2014, 10:00
- Откуда: Россия, Москва
- Благодарил (а): 189 раз
- Поблагодарили: 642 раза
- Контактная информация:
Продолжаем разработку выходного каскада. Что хотелось бы проверить на первом этапе. Фактически, в рамках базовой схемы мы можем лишь определить влияние импеданса первичной обмотки выходного трансформатора на свойства каскада. Сеточные резисторы менять бесполезно, параметры рабочей точки практически предельные, уменьшение их приведёт лишь к уменьшению выходной мощности.
На данном этапе необходимо выяснить, на чём будет основываться наш выбор. В первом сообщении был упомянут линейный режим ("класс А"). Что он означает?
Во-первых, он означает, что триод никогда не уходит в отсечку, то есть анодный ток никогда не падает до нуля.
Во-вторых, сеточные напряжения никогда не становятся положительными. Такое ограничение предусмотрено условиями использования выбранной лампы (сетка слишком тонкая и не предполагает протекания через неё тока), наличие сеточных токов уменьшает входной импеданс (больше нагрузка на драйверный каскад; несимметричность работы каскада), но самое сложное - непредсказуемость работы лампы в этом режиме. Сеточный ток будет "отбираться" у анодного, это будет своего рода внутренняя ООС и лампа будет работать уже в нелинейном режиме.
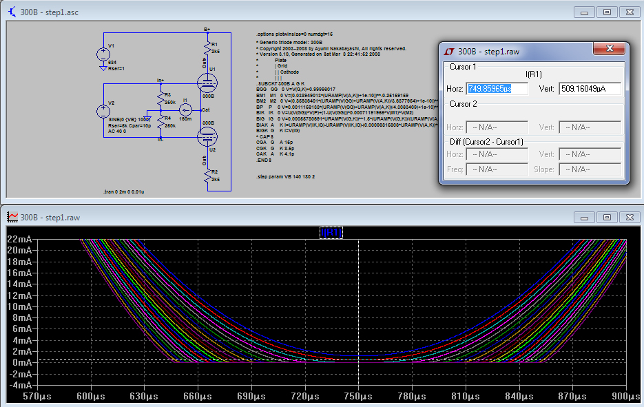
Увидеть выполнение этих двух условий достаточно легко: нужно поместить на графики, допустим V(Cat,In+) (напряжение между цепью Cat в катоде и In+ на сетке верхней лампы) и I(R1) (ток через резистор R1). Для наглядности я запустил перебор амплитуд входных напряжений с помощью
.step param VB 140 180 2
Параметр VB дописал в свойства амплитуды V2 в фигурных скобках:
SINE(0 {VB} 1000)
(для этого нужно нажать на эту строчку правой кнопкой мыши и просто отредактировать в появившемся окне нужное число)
Я также уменьшил время отображения с 10мс до 2мс для более быстрого отображения. Вот что я получил (после отработки симуляции): Итак, видно, что причиной "среза" вершин является падение тока в пиковых точках до 0 (т.е., вхождение в режим отсечки). Напряжение на сетке никогда не становится положительным (график V(Cat,In+) никогда не опускается ниже 0). Определим, при какой максимальной амплитуде входного напряжения лампа ещё не входит в отсечку. Для этого оставим только ток (правой кнопкой мыши на названии V(Cat,In+) и в открывшемся окне нажать кнопку Delete this Trace) и добавим курсор (левая кнопка мыши на названии I(R1). Я также выделил интересующую меня область в месте отсечки тока (нажал левой кнопкой мыши примерно на пересечении 0,6мс и 20ма, не отпуская кнопку мыши перевёл курсор в позицию чуть ниже 0 мА на 0,9мс, отпустил), подвинул курсор (он оказался на правой кромке экрана) примерно по центру области отсечки (в район 750мкс). Курсор изначально показывает на первый график из серии, определённой .step, каждое нажатие на стрелку вниз на клавиатуре приводит к перескакиванию курсора к следующему шагу .step. Я посчитал для себя достаточным остановиться на втором шаге (красный график): если посмотреть на окно курсора, то мы увидим, что ток не доходит до 0 всего на 509 мкА. Не будем мелочиться! Второй шаг даёт нам 140+2=142В амплитуды входного сигнала и это будет максимальный сигнал, который мы можем подать на выходной каскад, чтобы оставаться в классе А. Убираем перебор .step, выставляем найденную входную амплитуду (142В) в V2, убираем график I(R2), добавляем график V(Out+,Out-), добавляем курсор, увеличиваем время отображения до 100мс, выполняем симуляцию и определяем амплитуду полученного сигнала, передвигая курсор к одному из пиков синусоиды (примерно 397В). Нажимаем правую кнопку на графике, выбираем View->FFT, открывшемся окне с зажатой кнопкой Ctrl отмечаем I(R1), I(R2) нажимаем OK, в открывшемся окне зажимаем Alt и двойным кликом на I(R1) входим в окно Expression Editor, где мы можем писать выражения, попадающие в алгоритм быстрого преобразования Фурье). Дописываем там I(R1)+I(R2), выбираем два курсора (1st & 2nd) из списка Attached Cursor и нажимаем OK. Снова нажимаем OK. Устанавливаем первый курсор на частоту 1кГц, второй - на следующую самую большую гармонику (это будет 3-я). Щёлкаем левой кнопкой мыши на шкале слева, открывается окно Left Vertical Axis, переключаем Representation в Logarithmic, нажимаем OK. Увеличиваем те участки, которые нас интересуют. Вот что получилось: Теперь придётся заняться небольшими расчётами.
Мощность на выходе: P=Urms*Urms/Ra-a=Ua*Ua/(2Ra-a), где Ua=397, Ra-a - суммарное анодное сопротивление (5к).Т.о., P~15,76Вт. С учётом КПД трансформатора (примерно 96%) ~15Вт.
КНИ данная программа вычислить не позволяет, но примерно его можно оценить по доминирующей гармонике (она у нас третья). Немного расскажу про то, что мы видим в окне с преобразованием Фурье. По горизонтальной оси у нас отложена частота, по вертикальной - амплитуда, в данном случае тока. Вспомним, что мы используем в качестве нагрузки - обыкновенные резисторы, поэтому ток отражает также и амплитуду выходного сигнала, здесь мы его используем исключительно ради упрощения выражения. Любую постоянную составляющую преобразование Фурье убирает, соответственно, отображаются только переменные величины. Если мы посмотрим на свойства V2, то мы увидим, что входным сигналом является чистая синусоида, частотой 1000Гц. На выходе мы тоже видим сигнал, с частотой 1000Гц и амплитудой 114,89472мА (у меня это оказался Cursor 2 - см. в окне данных о курсорах 300B - step1.fft) - это полезная составляющая выходной мощности. Но помимо компоненты 1кГц присутствуют добавленные каскадом компоненты (в частности, компонента на частоте 3кГц, амплитудой 1,7519075мА - см. Cursor 1 в том же самом окне). Это так называемые "гармоники", результат гармонического разложения сигнала по методу Фурье. Обычно для синусоидального сигнала гармоники кратны частоте сигнала и нумеруются этим коэффициентом кратности. Например, гармоника на частоте 2кГц в два раза больше частоты 1кГц применённого источника сигнала, поэтому будет называться 2-ой гармоникой; на 3кГц будет располагаться третья гармоника... Для расчёта КНИ нужно сложить квадраты амплитуд этих гармоник, взять корень от получившейся суммы и разделить на амплитуду основного (полезного) сигнала. В нашем случае заметно, что амплитуда гармоник больше третьей убывает очень быстро, поэтому с определённой долей погрешности мы можем использовать в расчётах только третью гармонику. Итак, примерный КНИ равен 1,7519075/114,89472=0,015 или 1,5%. В 1,5 раза больше заявленного нами ранее!
К счастью, путь уменьшения искажений нам известен, уже при амплитуде входного сигнала 130В, КНИ по третьей гармонике падает до 0,95%. При этом полезная мощность будет около 14Вт.
Во всём этом мне не нравятся два момента - низкая мощность и достаточно высокий КНИ. Попробуем от этих недостатков избавиться.
Первое, что я хотел бы попробовать - изменить соотношение тока покоя и напряжения на аноде, сохранив абсолютное значение нагрузки. На это меня натолкнула мысль о некоторой несимметричности отсечки: казалось бы, мы ещё могли бы увеличить амплитуду сигнала, но отрицательная полуволна запирает лампу раньше, чем напряжение на сетке доходит до нуля. Если немного повысить ток, то можно надеяться на то, что мы в полной мере можем использовать весь диапазон сеточных напряжений. Я остановился на следующей комбинации:
Ток через каждую лампу: 90мА (выставляем источник тока на 180мА);
Напряжение анод-катод: 358,6В (выставляем V1 на 655В).
При этом, мощность рассеяния на аноде составит 32,3Вт, что вполне находится в пределах введённых нами ограничений. Я предлагаю провести симуляцию самостоятельно. У меня получилось:
Pmax при Uвх=155В (амплитудного) и КНИ 1,3% - 21Вт.
Pном при Uвх=149В (амплитудного) и КНИ 1% - 19,25Вт.
При этом диапазон сеточных напряжений используется гораздо более эффективно.
Продолжение следует...
На данном этапе необходимо выяснить, на чём будет основываться наш выбор. В первом сообщении был упомянут линейный режим ("класс А"). Что он означает?
Во-первых, он означает, что триод никогда не уходит в отсечку, то есть анодный ток никогда не падает до нуля.
Во-вторых, сеточные напряжения никогда не становятся положительными. Такое ограничение предусмотрено условиями использования выбранной лампы (сетка слишком тонкая и не предполагает протекания через неё тока), наличие сеточных токов уменьшает входной импеданс (больше нагрузка на драйверный каскад; несимметричность работы каскада), но самое сложное - непредсказуемость работы лампы в этом режиме. Сеточный ток будет "отбираться" у анодного, это будет своего рода внутренняя ООС и лампа будет работать уже в нелинейном режиме.
Увидеть выполнение этих двух условий достаточно легко: нужно поместить на графики, допустим V(Cat,In+) (напряжение между цепью Cat в катоде и In+ на сетке верхней лампы) и I(R1) (ток через резистор R1). Для наглядности я запустил перебор амплитуд входных напряжений с помощью
.step param VB 140 180 2
Параметр VB дописал в свойства амплитуды V2 в фигурных скобках:
SINE(0 {VB} 1000)
(для этого нужно нажать на эту строчку правой кнопкой мыши и просто отредактировать в появившемся окне нужное число)
Я также уменьшил время отображения с 10мс до 2мс для более быстрого отображения. Вот что я получил (после отработки симуляции): Итак, видно, что причиной "среза" вершин является падение тока в пиковых точках до 0 (т.е., вхождение в режим отсечки). Напряжение на сетке никогда не становится положительным (график V(Cat,In+) никогда не опускается ниже 0). Определим, при какой максимальной амплитуде входного напряжения лампа ещё не входит в отсечку. Для этого оставим только ток (правой кнопкой мыши на названии V(Cat,In+) и в открывшемся окне нажать кнопку Delete this Trace) и добавим курсор (левая кнопка мыши на названии I(R1). Я также выделил интересующую меня область в месте отсечки тока (нажал левой кнопкой мыши примерно на пересечении 0,6мс и 20ма, не отпуская кнопку мыши перевёл курсор в позицию чуть ниже 0 мА на 0,9мс, отпустил), подвинул курсор (он оказался на правой кромке экрана) примерно по центру области отсечки (в район 750мкс). Курсор изначально показывает на первый график из серии, определённой .step, каждое нажатие на стрелку вниз на клавиатуре приводит к перескакиванию курсора к следующему шагу .step. Я посчитал для себя достаточным остановиться на втором шаге (красный график): если посмотреть на окно курсора, то мы увидим, что ток не доходит до 0 всего на 509 мкА. Не будем мелочиться! Второй шаг даёт нам 140+2=142В амплитуды входного сигнала и это будет максимальный сигнал, который мы можем подать на выходной каскад, чтобы оставаться в классе А. Убираем перебор .step, выставляем найденную входную амплитуду (142В) в V2, убираем график I(R2), добавляем график V(Out+,Out-), добавляем курсор, увеличиваем время отображения до 100мс, выполняем симуляцию и определяем амплитуду полученного сигнала, передвигая курсор к одному из пиков синусоиды (примерно 397В). Нажимаем правую кнопку на графике, выбираем View->FFT, открывшемся окне с зажатой кнопкой Ctrl отмечаем I(R1), I(R2) нажимаем OK, в открывшемся окне зажимаем Alt и двойным кликом на I(R1) входим в окно Expression Editor, где мы можем писать выражения, попадающие в алгоритм быстрого преобразования Фурье). Дописываем там I(R1)+I(R2), выбираем два курсора (1st & 2nd) из списка Attached Cursor и нажимаем OK. Снова нажимаем OK. Устанавливаем первый курсор на частоту 1кГц, второй - на следующую самую большую гармонику (это будет 3-я). Щёлкаем левой кнопкой мыши на шкале слева, открывается окно Left Vertical Axis, переключаем Representation в Logarithmic, нажимаем OK. Увеличиваем те участки, которые нас интересуют. Вот что получилось: Теперь придётся заняться небольшими расчётами.
Мощность на выходе: P=Urms*Urms/Ra-a=Ua*Ua/(2Ra-a), где Ua=397, Ra-a - суммарное анодное сопротивление (5к).Т.о., P~15,76Вт. С учётом КПД трансформатора (примерно 96%) ~15Вт.
КНИ данная программа вычислить не позволяет, но примерно его можно оценить по доминирующей гармонике (она у нас третья). Немного расскажу про то, что мы видим в окне с преобразованием Фурье. По горизонтальной оси у нас отложена частота, по вертикальной - амплитуда, в данном случае тока. Вспомним, что мы используем в качестве нагрузки - обыкновенные резисторы, поэтому ток отражает также и амплитуду выходного сигнала, здесь мы его используем исключительно ради упрощения выражения. Любую постоянную составляющую преобразование Фурье убирает, соответственно, отображаются только переменные величины. Если мы посмотрим на свойства V2, то мы увидим, что входным сигналом является чистая синусоида, частотой 1000Гц. На выходе мы тоже видим сигнал, с частотой 1000Гц и амплитудой 114,89472мА (у меня это оказался Cursor 2 - см. в окне данных о курсорах 300B - step1.fft) - это полезная составляющая выходной мощности. Но помимо компоненты 1кГц присутствуют добавленные каскадом компоненты (в частности, компонента на частоте 3кГц, амплитудой 1,7519075мА - см. Cursor 1 в том же самом окне). Это так называемые "гармоники", результат гармонического разложения сигнала по методу Фурье. Обычно для синусоидального сигнала гармоники кратны частоте сигнала и нумеруются этим коэффициентом кратности. Например, гармоника на частоте 2кГц в два раза больше частоты 1кГц применённого источника сигнала, поэтому будет называться 2-ой гармоникой; на 3кГц будет располагаться третья гармоника... Для расчёта КНИ нужно сложить квадраты амплитуд этих гармоник, взять корень от получившейся суммы и разделить на амплитуду основного (полезного) сигнала. В нашем случае заметно, что амплитуда гармоник больше третьей убывает очень быстро, поэтому с определённой долей погрешности мы можем использовать в расчётах только третью гармонику. Итак, примерный КНИ равен 1,7519075/114,89472=0,015 или 1,5%. В 1,5 раза больше заявленного нами ранее!
К счастью, путь уменьшения искажений нам известен, уже при амплитуде входного сигнала 130В, КНИ по третьей гармонике падает до 0,95%. При этом полезная мощность будет около 14Вт.
Во всём этом мне не нравятся два момента - низкая мощность и достаточно высокий КНИ. Попробуем от этих недостатков избавиться.
Первое, что я хотел бы попробовать - изменить соотношение тока покоя и напряжения на аноде, сохранив абсолютное значение нагрузки. На это меня натолкнула мысль о некоторой несимметричности отсечки: казалось бы, мы ещё могли бы увеличить амплитуду сигнала, но отрицательная полуволна запирает лампу раньше, чем напряжение на сетке доходит до нуля. Если немного повысить ток, то можно надеяться на то, что мы в полной мере можем использовать весь диапазон сеточных напряжений. Я остановился на следующей комбинации:
Ток через каждую лампу: 90мА (выставляем источник тока на 180мА);
Напряжение анод-катод: 358,6В (выставляем V1 на 655В).
При этом, мощность рассеяния на аноде составит 32,3Вт, что вполне находится в пределах введённых нами ограничений. Я предлагаю провести симуляцию самостоятельно. У меня получилось:
Pmax при Uвх=155В (амплитудного) и КНИ 1,3% - 21Вт.
Pном при Uвх=149В (амплитудного) и КНИ 1% - 19,25Вт.
При этом диапазон сеточных напряжений используется гораздо более эффективно.
Продолжение следует...
- Рейтинг: 16.7%
-
Владислав
- poty
- Профи

- Сообщения: 5018
- Зарегистрирован: 24 мар 2014, 10:00
- Откуда: Россия, Москва
- Благодарил (а): 189 раз
- Поблагодарили: 642 раза
- Контактная информация:
Я хотел бы немного отойти от прямой линии конкретной разработки и немного пофилософствовать на технические темы. Предыдущий результат был получен, на первый взгляд, совершеннейшим шаманством. Также можно подумать, что ничем не подтверждено, что этот результат оптимальный. Более того, если посмотреть на некоторые мои предположения ранее, то мои действия станут непонятны вдвойне. Я говорю о:

В этом рассуждении я попытаюсь рассказать о побудительных мотивах и некоторых теориях, которые позволяют надеяться на ещё более впечатляющий результат, чем тот, которого мы достигли. Для "чистых практиков" - можно безболезненно пропустить всё, что будет написано до окончания этого поста. Чистые теоретики и так не будут читать эту полуахинею. Я постараюсь много притянуть за уши, но, понимая нашу школьную нелюбовь к формулам, ограничиться двумя-тремя известными формулами, одна из которых - закон Ома!
Я начну с ограничений, присущих любому электронному устройству, но сконцентрируюсь на ограничениях лампового каскада, для начала, совершенно обычного: О части ограничений я уже говорил, это
1. Ток через лампу может быть только больше или равен нулю. Хотя каждый знает каскады, которые работают с отсечкой, правда такова, что все расчёты на уровне отсечки и заканчиваются, т.е., лампа в этом режиме не оказывает никакого влияния на процесс усиления и может быть убрана из рассмотрения полностью!
2. В подавляющем большинстве случаев работа лампы при положительных сеточных напряжениях (под этим подразумевается напряжение между сеткой и катодом) не рекомендуется. Есть лампы (в основном генераторные), которые позволяют работать при положительных сеточных напряжениях, однако этот режим мало подходит для усиления, в основном, из-за возрастающей нелинейности рабочей характеристики в этой области (при условии соблюдения теплового режима сетки, конечно).
3. Постоянный ток через лампу (ток анода в рабочей точке) ограничен. Кроме того, сумма тока в рабочей точке и максимальной амплитуды переменного тока через лампу не должна превышать предельного тока катода. Несоблюдение этого правила сильно укорачивает жизнь катоду.
4. Максимальное постоянное напряжение на аноде лампы (между анодом и катодом лампы) также ограничено. Кроме того, нечасто, но приводится максимально возможное напряжение при полностью закрытой лампе - это напряжение должно превышать сумму постоянного напряжения на аноде и максимальной амплитуды напряжения на аноде. Большое напряжение - это всегда опасность пробоя.
5. Мощность рассеяния на аноде (рассчитываемая как произведение тока в рабочей точке на напряжение на аноде лампы в рабочей точке - вторая формула!) ограничена. Большое количество электронов, бомбардирующих анод, приводит к его разогреву. Конструктивно анод может отвести определённое количество тепла. Перегрев анода можно наблюдать (такое приятное красное свечение анодной пластины), но, как правило, свойства лампы при этом деградируют настолько, что её потом невозможно использовать.
Я думаю, любой, кто когда либо видел характеристики лампы, согласится что
6. Чем меньше ток через лампу, тем менее линейна её характеристика. Мы привыкли считать триоды очень линейными лампами, но эта линейность у них тоже не абсолютна во-первых, и не всеобъемлюща (по выбору рабочих точек) во-вторых.
Следующее ограничение стоит рассмотреть поподробнее, потому что оно нечасто встречается вне лампового мира
7. Для каждого каскада существует максимально возможное изменение тока, ограниченное внутренним сопротивлением лампы (для нашего случая его называют сопротивление анода).
Ранее я уже упоминал один из способов рассмотрения простого лампового каскада:
Написано много, но пока не видно, что такого в этом внутреннем сопротивлении лампы особенного? Я хочу привести некоторое моделирование рассматриваемого нами каскада: [чтобы сделать горизонтальную ось логарифмической, щёлкните на ней мышкой]
Интересно, как ведут себя амплитуда выходного напряжения и мощность в нагрузке. V1 представляет собой μ*Uск, ra - внутреннее сопротивление лампы. Мы видим, что максимальная мощность в нагрузке получается при равенстве сопротивления нагрузки (RL) и внутреннего сопротивления лампы. А вот максимальная амплитуда напряжения - тем выше, чем меньше внутреннее сопротивление источника (в нашем случае - лампы) и больше сопротивление нагрузки. Вспомним мой пассаж:
Приведу конкретный пример для 300В. Зададимся практически предельной выходной мощностью: рабочая точка 400В на аноде, 97 мА ток. Это, как никак, 38,8 Вт (по формуле №2 выше)! Из того, что мы выяснили выше, при совпадении сопротивления нагрузки с внутренним сопротивлением лампы, мы должны и на выходе получить ровно такую же мощность! Посмотрим... Из анодных характеристик выясняем, что смещение на сетке должно быть -80В. Прошу не пугаться графиков, это далеко не высшая математика!
По графику Plate resistance vs. Grid voltage определяем, что Ra=650Ом (замечу, что его можно найти и по анодным характеристикам).
Для того, чтобы лампа закрылась, ток должен упасть до 0 (т.е. измениться на 97мА). Изменение на минус 97мА вызовет падение напряжения на резисторе нагрузки (закон Ома) 0,097*650=63В. Т.о., мощность, отдаваемая в нагрузку будет равна (вторая формула) 0,097*63=6,1 Вт!!! (имейте в виду, что это - максимальная мгновенная мощность!) Как же так? Почему? И доколе? Всё просто: мы "упёрлись" в одно из ограничений (№1), в отсечку лампы. Аналогичное ограничение встретилось на пути при проверке рабочей точки, взятой из табличных данных для лампы ранее.
Давайте повнимательнее посмотрим на рисунок с анодными характеристиками. Серым цветом выделены те области, которые соответствуют ограничениям, введённым нами ранее. Первое, что замечаем - выбранная нами рабочая точка находится подозрительно близко к одному из ограничений. Кроме того, замечаем, что "попадаем" в ограничение номер 6: в этой рабочей точке нелинейная часть характеристики начинается уже с 40 мА! Сравните: изменение напряжения сетка катод на -40В изменяет ток примерно на 85мА, напряжение - на 55В, тогда как +40В (в обратную сторону) меняют ток уже на 135мА, напряжение - почти на 100В! Наверное, было бы выгоднее сместить рабочую точку левее. Тогда мы смогли бы получить более линейную характеристику. Чтобы увеличить пространство для изменения тока (и, соответственно, мощность в нагрузке) требуется повысить сам ток в рабочей точке, но больше 100мА его повышать нельзя (см красную стрелку вверх)! Ничего другого сделать не получится. Т.е., максимум, что мы можем сделать - улучшить линейность, мощность при таком сопротивлении нагрузки увеличить не удастся. Этот пример показывает, что использование оптимального сопротивления нагрузки не всегда можно использовать из-за конструктивных ограничений лампы и нам нужно искать в этом плане компромисс.
Давайте перенесём вышесказанный псевдооптимальный случай на нашы практические мытарства. Вот здесь показано, что было проделано: Видно, что ситуация с табличной рабочей точкой гораздо лучше нашего теоретически оптимального варианта, однако лучше - не значит самого лучшего! Факты таковы (для табличного варианта):
- от рабочей точки до отсечки: 200В и 80мА
- от рабочей точки до напряжения сетка катод=0: 272,5В и 109мА
- изменение напряжения на аноде при изменении сеточного напряжения на -40В: 114В
- изменение напряжения на аноде при изменении сеточного напряжения на +40В: 123В
Как и в нашем идеализированном случае наблюдается смещение вправо, которое несёт за собой увеличенный КНИ и уменьшенный диапазон изменения тока, только в идеализированном случае мы ток увеличивать не могли, а в этом - до предела ещё целых 20мА!
Что мы получили после коррекции:
- от рабочей точки до отсечки: 224В и 90мА
- от рабочей точки до напряжения сетка катод=0: 234В и 93мА
- изменение напряжения на аноде при изменении сеточного напряжения на -40В: 114В
- изменение напряжения на аноде при изменении сеточного напряжения на +40В: 116В
Как видим, изменения стали гораздо более симметричными, а за счёт увеличения тока увеличился также возможный размах напряжения.
Отсечка в скорректированном случае возникает при напряжении сетка катод = -156В. Усиление 300В в данной рабочей точке равно примерно 3,95 (см. график Amplification factor vs. Grid Voltage), анодное сопротивление примерно 660 Ом . Т.о., максимальное изменение напряжение эквивалентного источника питания должно составлять (третья формула) 3,95 * 156 = 616В. Максимальное изменение тока (закон Ома) 616/(660+2500) = 195мА [по нашей симуляции - 90+93мА=183мА]. Изменение напряжения на аноде - 616 - 0,195*660 = 487В [по нашей симуляции - 224+234=458В].
Вот этот последний абзац - это то, для чего я писал всё, что относится к п.7 наших ограничений, квинтэссенция, так сказать, анодного сопротивления. Можно не прибегая к симуляции примерно прикинуть, какие параметры будет иметь проектируемый каскад.
Выводы:
1. Корректировка ранее проводилась не просто так.
2. Необходимо искать оптимальное сопротивление нагрузки, чтобы максимизировать выходную мощность в условиях конструктивных ограничений лампы и режимов её работы.
(продолжение следует)
Думаю, долгожданное продолжение наступило...
Прежде чем продолжать, я хочу познакомить с тремя инструментами LTSpice, в частности, с оператором .four, оператором .measure и оператором K.
Прежде я писал:
.four 1k 10 -1 V(out+,out-)
записывает в журнал расчётов, доступный по нажатию клавиш Ctrl-L или правой кнопкой мыши на свободное пространство, ->View->Spice Error Log, следующее:
Direct Newton iteration for .op point succeeded.
N-Period=all
Fourier components of V(out+,out-)
DC component:-0.00212419
Harmonic Frequency Fourier Normalized Phase Normalized
Number [Hz] Component Component [degree] Phase [deg]
1 1.000e+03 2.879e+00 1.000e+00 -0.04° 0.00°
2 2.000e+03 1.721e-05 5.978e-06 94.70° 94.75°
3 3.000e+03 5.162e-04 1.793e-04 -1.09° -1.05°
4 4.000e+03 1.156e-06 4.014e-07 132.23° 132.27°
5 5.000e+03 4.232e-06 1.470e-06 164.78° 164.82°
6 6.000e+03 1.128e-06 3.918e-07 116.98° 117.02°
7 7.000e+03 1.082e-06 3.757e-07 112.07° 112.11°
8 8.000e+03 1.073e-06 3.726e-07 110.68° 110.73°
9 9.000e+03 1.058e-06 3.674e-07 108.42° 108.47°
10 1.000e+04 1.047e-06 3.636e-07 106.53° 106.58°
Total Harmonic Distortion: 0.017938%(0.018015%)
Собственно, в самой команде 1k обозначает частоту основной гармоники (1кГц), 10 - количество гармоник для расчёта, -1 обозначает, что нужно использовать все данные для расчёта (иначе можно указать количество периодов, которые нужно отступить от конечного времени моделирования для определения отрезка данных для расчёта) и, соответственно, переменную, являющуюся источником расчёта.
Вывод команды выдаёт расчёт постоянной составляющей на выходе DC component, номера гармоник с соответствующими частотами, абсолютными и относительными амплитудами и абсолютными и относительными фазами, а в конце, в строке Total Harmonic Distortion, как раз и находится искомая величина общего КНИ (без скобок - относительно уровня сигнала, в скобках - относительно уровня полезной гармоники).
Команду можно размещать так же, как уже рассмотренную команду .step.
Команда .measure позволяет вывести измерения в определённой точке во времени или при наступлении определённого события. Видов этих команд достаточно много, но мы рассмотрим пока те, что пригодятся нам. Вот пример нашего базового дизайна с внедрёнными командами .measure и .four: также приведён пример вывода (см. окно справа).
Посмотрим, что я попытался измерить:
.measure MPE FIND V(Cat) WHEN V(in+, in-)=0
записывает в переменную MPE напряжение V(Cat) (смещение ламп) при наступлении первого случая, когда разность потенциалов между входами in+ и in- становится равной нулю. Аналогичные измерения проводятся для IU1E (ток покоя триода U1), IU2E (ток покоя триода U2), Ua1 (анодное напряжение U1), Ua2 (анодное напряжение U2).
.measure MPL min V(cat)
записывает в переменную MPL минимальное - min - напряжение на катоде V(Cat) За весь период измерений. Такие же измерения проводятся для GRL1 (максимальное - max - напряжение сетка-катод первой лампы), GRL2 (максимальное - max - напряжение сетка-катод второй лампы), IU1U (максимальный - max - ток через первую лампу), IU2U (максимальный - max - ток через вторую лампу), IU1D (минимальный - min - ток через первую лампу), IU2D (минимальный - min - ток через вторую лампу), VIN (амплитуда - max - напряжения на входе), VOUT (среднеквадратическое - RMS - напряжение на выходе), IOUT (среднеквадратическое - RMS - значение тока на выходе).
.measure PU1 PARAM IU1E*Ua1
записывает в переменную PU1 значение выражения, в котором участвуют только переменные, но не значения со схемы, в данном случае - мощность, рассеиваемую на аноде первой лампы. Аналогичная мощность для второй лампы сохраняется в PU2. Выходная мощность рассчитывается тем же способом и записывается в Pout.
Осталось написать про команду "К". Эта команда позволяет "связывать" индуктивности, формируя из них простейший трансформатор. Команда имеет вид
Kx Ly Lz [La...] коэффициент
x - нумерует команды, делая их уникальными,
y, z, a... - номера связываемых индуктивностей,
коэффициент - позволяет добавить реальности в трансформатор, учитывая индуктивность рассеяния всей конструкции (формула для его вычисления есть в файле помощи, для нашего случая мы всегда будем брать его равным 1, так как не имеем на этой стадии реального трансформатора на руках). Индуктивность рассеяния можно померить напрямую, закоротив все вторичные обмотки и измерив получившуюся индуктивность первичной.
Понятно, что этот трансформатор получается идеализированным. Для того, чтобы ещё больше приблизить его к реальному, есть смысл измерить точные индуктивности обмоток, их активные сопротивления и добавить эти значения в свойства индуктивностей, составляющих трансформатор.
Кроме того, можно измерить резонансную частоту трансформатора (один из вариантов как это сделать описан в ветке про демпфирующие цепочки) и заполнить параметры Cpar и Rpar индуктивности первичной обмотки.
Повторюсь, что в наших расчётах будут использованы "потолочные" значения, которые я придумал исходя из тех трансформаторов, что у меня есть, с некоторой долей "творческой аппроксимации". Так как мы на данном этапе проводим оценочные моделирования это допущение не влияет сильно на результаты.
Пример использования команды К: В модели "Несвязанные индуктивности" размещены две катушки L1 (50Гн, 1мОм) и L2 (12,5Гн, 1мОм) и на одну из них подан синусоидальный сигнал. Прогнозируемо, этот синусоидальный сигнал отслеживается на L1 и отсутствует на L2.
Если связать катушки с помощью команды К, как показано на модели "Связанные индуктивности", то на L2, являющейся теперь вторичной обмоткой трансформатора, появится напряжение, пропорциональное коэффициенту трансформации
k=корень_квадратный(L2/L1)
В нашем случае k=корень(12,5/50)=0,5, и амплитуда напряжения на вторичной обмотке в 2 раза меньше.
Данный пример показывает также, что, в отличие от напряжений, трансформация импедансов происходит по квадратичному закону. Это помогает рассчитать необходимые индуктивности обмоток "напрямую" исходя из нужного соотношения импедансов сторон. Однако, и здесь есть головоломки. Например, посчитаем трансформатор для выходного каскада, который должен иметь Rаа=5кОм для Rн=4Ом. Допустим, что вторичная обмотка будет иметь индуктивность L2=160мГн (эта величина взята с одного из моих трансформаторов Hammond). Исходя из наших рассуждений,
L1=(5000/4)*L2=200Гн
Немало... Посмотрим, не ошиблись ли мы? Применим наши знания по связыванию индуктивностей и применению команд .measure: Да, всё верно, входной импеданс zin=5001.13, выходной - zout=4. (ошибка в 1.13 Ома обусловлена учётом всех распределённых последовательных сопротивлений).
Но мы-то делаем трансформатор для Push-Pull. Для этого нам нужны 2 первичные обмотки и (в идеале, для достижения баланса) 2 вторичные. Из курса школьной физики мы знаем, что при последовательном соединении результирующая индуктивность L=L1+L2. Значит, просто разбиваем и первичную, и вторичную обмотки на две индуктивности половинного номинала - и дело с концом! Давайте посмотрим, как должно быть правильно:
Почему же нам пришлось уменьшать индуктивности обмоток не в 2, а в 4 раза? Потому, что L1 и L3 (как и L2, L4) также связаны!
На этой ноте я закончу с теорией и возвращусь к нашей базовой схеме, видоизменив её с учётом вышеизложенного материала.
Что мне нужно от второй версии базовой схемы?
- сделать шаг к реальности и добавить трансформатор. Пусть этот трансформатор будет вымышленным и не вполне реалистичным (с точки зрения потерь), но с помощью этого "финта" я хочу иметь возможность определить так называемый коэффициент демпфирования (отношение импеданса нагрузки к выходному импедансу усилителя). Этот коэффициент показывает, насколько этот усилитель будет способен справляться с "тяжёлой нагрузкой" и демпфировать обычные акустические системы.
- Ускорить проработку вариантов, с использованием команд .measure и .four. Также я хочу воспользоваться командами .step для той же цели.
Для упрощения расчётов я разбил схему на два варианта. В версии 2а я буду исследовать усилительные свойства каскада, в версии 2b - коэффициент демпфирования. Получившиеся изменения приведены ниже: С помощью этих моделей я просчитал работу усилителя с трансформатором (импеданс Rаа первичной обмотки) 3,5к, 4к, 4,5к, 5к, 5,5к, 6к, 6,6к для трёх сценариев:
(1) максимально возможный ток + выбор максимально возможного напряжения, чтобы не превысить предельной мощности рассеяния на лампах.
(2) максимально возможное напряжение + выбор максимально возможного тока, чтобы не превысить предельной мощности рассеяния на лампах.
(3) комбинация максимально возможного тока и напряжения (исходя из мощности рассеяния на лампах), при которой полная отсечка тока одной из ламп происходит при достижении нуля напряжения сетка-катод противоположной лампы. Для этого режима под нулём сеточного напряжения я имел в виду напряжение, меньшее минус 0,5В; под отсечкой тока - значение меньше 1мА.
Я использовал модель трансформатора со вторичной обмоткой 160мГн (2х40мГн), нагруженный на сопротивление нагрузки 4Ом. При этом легко рассчитываются значения индуктивности первичной обмотки 3,5к->2х35Гн, 4к->2х40Гн и т.д. За базовое активное сопротивление половины первичной обмотки я взял значение 30 Ом для импеданса 5,5кОм. Для всех остальных значений импеданса, это сопротивление изменяется прямо пропорционально (3,5к-> 16,4Ом, 4к-> 21,8Ом, 4,5к-> 24,5Ом, 5к-> 27Ом, 5,5к-> 30Ом, 6к-> 33Ом, 6,6к-> 36Ом). Во вторичной обмотке активное сопротивление неизменно и составляет 5мОм на половину. Скорее всего, принимая во внимание бюджетность конструкции, параметры выходного трансформатора будут хуже, но на данном этапе мне нужна некоторая идеализированность, чтобы определить тенденции, а не абсолюты.
Также были пересмотрены граничные условия. В связи с тем, что мы используем источник стабильного тока, я решил, что использовать запас в 10% было бы неразумно. Поэтому я оставил запас в 5мА на возможный разбаланс плеч. Кроме того, я точно определил предельное напряжение на анодах ламп (365В), что на 5В выше принятого ранее (400В-10%=360В). Это связано с тем, что "стандартным" значением теперь будет 365В, с учётом 10% в каждую сторону мы можем ожидать напряжения 328,5 - 401,5В при отсутствии стабилизации. На практике изменения будут меньше, потому что уровень потерь будет также изменяться синхронно с изменением напряжения. Предельная мощность рассеяния осталась 32,4Вт на лампу.
Результаты моих экспериментов в сжатом виде привожу здесь:
Raa I2A Va Pa Vin(Vtest) B+ Pomax NLD Po1%@Vin(Vtest) NLD1W@Vin(Vtest) Rout KD Meas
3584 190 341.4 32.4 126(127) 409 16.4 1.87 13.3@112(113) 0.042@31(31) 1.5 2.64 (1)
3584 178 364.4 32.4 120(121) 439 14.4 1.96 11.4@105(106) 0.050@31(31) 1.6 2.56 (2)
3584 190 302.4 28.7 125(126) 360 16.4 1.84 13.6@112(113) 0.037@30(30) 1.5 2.68 (3)
4109 190 341.0 32.4 139(140) 409 18.7 1.71 16.0@127(128) 0.030@32(32) 1.3 3.00 (1)
4109 177 364.8 32.3 131(132) 440 16.2 1.75 13.5@118(119) 0.029@33(33) 1.4 2.89 (2)
4109 190 326.7 31.0 138(139) 391 18.6 1.63 16.1@127(128) 0.029@32(32) 1.3 3.00 (3)
4622 190 341.5 32.4 144(145) 410 19.3 1.06 19.0@143(144) 0.022@33(33) 1.2 3.35 (1)
4622 177 364.6 32.3 143(144) 440 18.2 1.61 15.8@132(133) 0.029@33(33) 1.2 3.24 (2)
4622 187 346.1 32.4 149(150) 416 20.3 1.50 18.2@140(141) 0.024@33(33) 1.2 3.33 (3)
5135 190 340.6 32.4 141(142) 409 17.8 0.54 20.6@152(154) 0.016@34(34) 1.1 3.71 (1)
5135 178 364.5 32.4 154(156) 440 20.4 1.41 18.8@148(149) 0.022@34(34) 1.1 3.59 (2)
5135 181 358.3 32.4 155(157) 432 20.8 1.31 19.4@150(151) 0.020@34(34) 1.1 3.62 (3)
5650 190 341.1 32.4 140(141) 410 16.7 0.30 21.6@160(162( 0.011@35(35) 1.0 4.06 (1)
5650 178 364.3 32.4 157(159) 440 20.3 0.85 21.3@161(163) 0.016@35(35) 1.0 3.93 (2)
5650 172 364.7 31.4 160(162) 441 20.7 1.25 19.8@156(158) 0.018@35(35) 1.0 3.88 (3)
6166 190 340.9 32.4 139(140) 410 15.7 0.15 22.3@166(169) 0.007@36(36) 0.9 4.40 (1)
6165 177 364.8 32.3 155(157) 441 19.0 0.48 22.5@170(172) 0.012@36(36) 0.9 4.26 (2)
6165 161 364.7 29.4 161(163) 442 19.7 1.15 19.3@159(161) 0.018@36(36) 1.0 4.11 (3)
6781 190 340.7 32.4 138(139) 410 14.6 0.03 22.8@173(176) 0.002@37(37) 0.8 4.82 (1)
6780 177 364.6 32.3 154(156) 441 17.8 0.24 23.5@178(181) 0.008@37(37) 0.9 4.66 (2)
6780 149 363.8 27.1 163(165) 442 18.7 1.15 18.3@161(163) 0.018@38(38) 0.9 4.36 (3)
Raa - вычисленный импеданс первичной обмотки с учётом активного сопротивления обмоток
I2A - ток источника тока в катоде
Va - напряжение анод-катод каждой лампы
Pa - мощность, рассеиваемая на аноде каждой лампы
Vin(Vtest) - реальная амплитуда входного сигнала (амплитуда источника сигнала с внутренним сопротивлением 5к)
B+ - напряжение источника анодного питания
Pomax - максимальная выходная мощность в классе А
NLD - КНИ для Pomax
Po1%@Vin(Vtest) - максимальная выходная мощность при КНИ 1% @ реальная амплитуда входного сигнала при КНИ 1% (амплитуда источника сигнала с внутренним сопротивлением 5к при КНИ 1%)
NLD1W@Vin(Vtest) - КНИ при выходной мощности 1Вт @ реальная амплитуда входного сигнала при выходной мощности 1Вт (амплитуда источника сигнала с внутренним сопротивлением 5к при выходной мощности 1Вт)
Rout - выходное сопротивление усилителя
KD - коэффициент демпфирования
Meas - сценарий измерений
Стоит признать, что Po1% я измерял "неправильно". Обычно его измеряют с условием "непревышения" 1% КНИ, однако, я посчитал, что первое значение, превышающее 1% будет более информативно, поскольку показывает скорость нарастания КНИ.
Вторая ремарка: На Po1% стоит ориентироваться только в том случае, если оно меньше Pomax, поскольку в противном случае мы выходим из "класса А", что предполагает либо появление сеточных токов (и делает измерения неадекватными - эти тока вряд ли правильно учтены в модели и у нас отсутствуют точные данные по выходному сопротивлению драйверного каскада, влияющему на "просадку" сигнала при резком уменьшении входного сопротивления; к тому же долговременная работа лампы в таком режиме не гарантируется), либо отсечки анодного тока (здесь проблем меньше, но смысла использовать усилитель в таком режиме не вижу), либо и того и другого вместе.
Анализ приведённых данных последует чуть позже. Но, думаю, "пуристы" будут ориентироваться исключительно на NLD1W, добиваясь самого чистого "золотого ватта", "меломаны" - на Po1%, добиваясь всеми силами максимальной выходной мощности в рамках приемлемых искажений, ну, а мы пойдём другим путём.
Что может быть прочитано как: рабочую точку не меняем!poty писал(а):Фактически, в рамках базовой схемы мы можем лишь определить влияние импеданса первичной обмотки выходного трансформатора на свойства каскада. Сеточные резисторы менять бесполезно, параметры рабочей точки практически предельные, уменьшение их приведёт лишь к уменьшению выходной мощности.
В этом рассуждении я попытаюсь рассказать о побудительных мотивах и некоторых теориях, которые позволяют надеяться на ещё более впечатляющий результат, чем тот, которого мы достигли. Для "чистых практиков" - можно безболезненно пропустить всё, что будет написано до окончания этого поста. Чистые теоретики и так не будут читать эту полуахинею. Я постараюсь много притянуть за уши, но, понимая нашу школьную нелюбовь к формулам, ограничиться двумя-тремя известными формулами, одна из которых - закон Ома!
Я начну с ограничений, присущих любому электронному устройству, но сконцентрируюсь на ограничениях лампового каскада, для начала, совершенно обычного: О части ограничений я уже говорил, это
1. Ток через лампу может быть только больше или равен нулю. Хотя каждый знает каскады, которые работают с отсечкой, правда такова, что все расчёты на уровне отсечки и заканчиваются, т.е., лампа в этом режиме не оказывает никакого влияния на процесс усиления и может быть убрана из рассмотрения полностью!
2. В подавляющем большинстве случаев работа лампы при положительных сеточных напряжениях (под этим подразумевается напряжение между сеткой и катодом) не рекомендуется. Есть лампы (в основном генераторные), которые позволяют работать при положительных сеточных напряжениях, однако этот режим мало подходит для усиления, в основном, из-за возрастающей нелинейности рабочей характеристики в этой области (при условии соблюдения теплового режима сетки, конечно).
3. Постоянный ток через лампу (ток анода в рабочей точке) ограничен. Кроме того, сумма тока в рабочей точке и максимальной амплитуды переменного тока через лампу не должна превышать предельного тока катода. Несоблюдение этого правила сильно укорачивает жизнь катоду.
4. Максимальное постоянное напряжение на аноде лампы (между анодом и катодом лампы) также ограничено. Кроме того, нечасто, но приводится максимально возможное напряжение при полностью закрытой лампе - это напряжение должно превышать сумму постоянного напряжения на аноде и максимальной амплитуды напряжения на аноде. Большое напряжение - это всегда опасность пробоя.
5. Мощность рассеяния на аноде (рассчитываемая как произведение тока в рабочей точке на напряжение на аноде лампы в рабочей точке - вторая формула!) ограничена. Большое количество электронов, бомбардирующих анод, приводит к его разогреву. Конструктивно анод может отвести определённое количество тепла. Перегрев анода можно наблюдать (такое приятное красное свечение анодной пластины), но, как правило, свойства лампы при этом деградируют настолько, что её потом невозможно использовать.
Я думаю, любой, кто когда либо видел характеристики лампы, согласится что
6. Чем меньше ток через лампу, тем менее линейна её характеристика. Мы привыкли считать триоды очень линейными лампами, но эта линейность у них тоже не абсолютна во-первых, и не всеобъемлюща (по выбору рабочих точек) во-вторых.
Следующее ограничение стоит рассмотреть поподробнее, потому что оно нечасто встречается вне лампового мира
7. Для каждого каскада существует максимально возможное изменение тока, ограниченное внутренним сопротивлением лампы (для нашего случая его называют сопротивление анода).
Ранее я уже упоминал один из способов рассмотрения простого лампового каскада:
Чтобы перейти к понятию внутреннего сопротивления лампы, нужно перевернуть всё с ног на голову, поскольку иначе не будут приняты во внимание её (лампы) особенности. Обычно для расчётов применяют так называемые эквивалентные схемы для переменного тока. Чтобы не усложнять жизнь условимся, что при выполнении предыдущих условий лампа представляется источником переменного напряжения, амплитудой = μ*Uск (μ - это коэффициент усиления лампы, Uск - это изменение напряжения между сеткой и катодом - третья формула!), и соединённым последовательно с ним сопротивлением, которое и представляет собой внутреннее сопротивление лампы. Все источники питания и конденсаторы, как правило, представляются перемычками (за исключением фильтров и различных делителей), все индуктивности - разрывами (опять же, за исключением случаев, когда их свойства введены в каскад намеренно).poty писал(а):Для простоты рассуждений (что, кстати, недалеко от истины), триод здесь представляет сопротивление управляемое сигналом. Т.о., каскад усиления вырождается в банальный резистивный делитель. Соответственно, напряжение на выходе будет соответствовать элементарному правилу делителя: (B+) * R3/(R3+Ru1+R2), где Ru1 - это внутреннее сопротивление лампы (динамическое, конечно).
Написано много, но пока не видно, что такого в этом внутреннем сопротивлении лампы особенного? Я хочу привести некоторое моделирование рассматриваемого нами каскада: [чтобы сделать горизонтальную ось логарифмической, щёлкните на ней мышкой]
Интересно, как ведут себя амплитуда выходного напряжения и мощность в нагрузке. V1 представляет собой μ*Uск, ra - внутреннее сопротивление лампы. Мы видим, что максимальная мощность в нагрузке получается при равенстве сопротивления нагрузки (RL) и внутреннего сопротивления лампы. А вот максимальная амплитуда напряжения - тем выше, чем меньше внутреннее сопротивление источника (в нашем случае - лампы) и больше сопротивление нагрузки. Вспомним мой пассаж:
Здесь он представлен во всей красе! Оставим усиление по напряжению для разработки драйверного каскада, сейчас нам интересна ситуация с мощностью. Казалось бы, вот она, сладкая точка оптимальности! КПД - 50%! Расчёт - самый простой: определить внутреннее сопротивление лампы и сделать нагрузку такого же импеданса! Но... если бы всё было так просто... На нас давит чёртова полудюжина ограничений (включая половину того, в котором мы сейчас находимся)!poty писал(а):Чем больше R3, тем ближе вторая часть выражения к 1, тем ближе усиление каскада к паспортному значению усиления лампы.
Приведу конкретный пример для 300В. Зададимся практически предельной выходной мощностью: рабочая точка 400В на аноде, 97 мА ток. Это, как никак, 38,8 Вт (по формуле №2 выше)! Из того, что мы выяснили выше, при совпадении сопротивления нагрузки с внутренним сопротивлением лампы, мы должны и на выходе получить ровно такую же мощность! Посмотрим... Из анодных характеристик выясняем, что смещение на сетке должно быть -80В. Прошу не пугаться графиков, это далеко не высшая математика!
Давайте повнимательнее посмотрим на рисунок с анодными характеристиками. Серым цветом выделены те области, которые соответствуют ограничениям, введённым нами ранее. Первое, что замечаем - выбранная нами рабочая точка находится подозрительно близко к одному из ограничений. Кроме того, замечаем, что "попадаем" в ограничение номер 6: в этой рабочей точке нелинейная часть характеристики начинается уже с 40 мА! Сравните: изменение напряжения сетка катод на -40В изменяет ток примерно на 85мА, напряжение - на 55В, тогда как +40В (в обратную сторону) меняют ток уже на 135мА, напряжение - почти на 100В! Наверное, было бы выгоднее сместить рабочую точку левее. Тогда мы смогли бы получить более линейную характеристику. Чтобы увеличить пространство для изменения тока (и, соответственно, мощность в нагрузке) требуется повысить сам ток в рабочей точке, но больше 100мА его повышать нельзя (см красную стрелку вверх)! Ничего другого сделать не получится. Т.е., максимум, что мы можем сделать - улучшить линейность, мощность при таком сопротивлении нагрузки увеличить не удастся. Этот пример показывает, что использование оптимального сопротивления нагрузки не всегда можно использовать из-за конструктивных ограничений лампы и нам нужно искать в этом плане компромисс.
Давайте перенесём вышесказанный псевдооптимальный случай на нашы практические мытарства. Вот здесь показано, что было проделано: Видно, что ситуация с табличной рабочей точкой гораздо лучше нашего теоретически оптимального варианта, однако лучше - не значит самого лучшего! Факты таковы (для табличного варианта):
- от рабочей точки до отсечки: 200В и 80мА
- от рабочей точки до напряжения сетка катод=0: 272,5В и 109мА
- изменение напряжения на аноде при изменении сеточного напряжения на -40В: 114В
- изменение напряжения на аноде при изменении сеточного напряжения на +40В: 123В
Как и в нашем идеализированном случае наблюдается смещение вправо, которое несёт за собой увеличенный КНИ и уменьшенный диапазон изменения тока, только в идеализированном случае мы ток увеличивать не могли, а в этом - до предела ещё целых 20мА!
Что мы получили после коррекции:
- от рабочей точки до отсечки: 224В и 90мА
- от рабочей точки до напряжения сетка катод=0: 234В и 93мА
- изменение напряжения на аноде при изменении сеточного напряжения на -40В: 114В
- изменение напряжения на аноде при изменении сеточного напряжения на +40В: 116В
Как видим, изменения стали гораздо более симметричными, а за счёт увеличения тока увеличился также возможный размах напряжения.
Отсечка в скорректированном случае возникает при напряжении сетка катод = -156В. Усиление 300В в данной рабочей точке равно примерно 3,95 (см. график Amplification factor vs. Grid Voltage), анодное сопротивление примерно 660 Ом . Т.о., максимальное изменение напряжение эквивалентного источника питания должно составлять (третья формула) 3,95 * 156 = 616В. Максимальное изменение тока (закон Ома) 616/(660+2500) = 195мА [по нашей симуляции - 90+93мА=183мА]. Изменение напряжения на аноде - 616 - 0,195*660 = 487В [по нашей симуляции - 224+234=458В].
Вот этот последний абзац - это то, для чего я писал всё, что относится к п.7 наших ограничений, квинтэссенция, так сказать, анодного сопротивления. Можно не прибегая к симуляции примерно прикинуть, какие параметры будет иметь проектируемый каскад.
Выводы:
1. Корректировка ранее проводилась не просто так.
2. Необходимо искать оптимальное сопротивление нагрузки, чтобы максимизировать выходную мощность в условиях конструктивных ограничений лампы и режимов её работы.
(продолжение следует)
Думаю, долгожданное продолжение наступило...
Прежде чем продолжать, я хочу познакомить с тремя инструментами LTSpice, в частности, с оператором .four, оператором .measure и оператором K.
Прежде я писал:
однако, это оказалось не так... В программе предусмотрена (как указано, для совместимости) команда .four, позволяющая получить результаты преобразования Фурье в текстовом виде. Например,poty писал(а):КНИ данная программа вычислить не позволяет
.four 1k 10 -1 V(out+,out-)
записывает в журнал расчётов, доступный по нажатию клавиш Ctrl-L или правой кнопкой мыши на свободное пространство, ->View->Spice Error Log, следующее:
Direct Newton iteration for .op point succeeded.
N-Period=all
Fourier components of V(out+,out-)
DC component:-0.00212419
Harmonic Frequency Fourier Normalized Phase Normalized
Number [Hz] Component Component [degree] Phase [deg]
1 1.000e+03 2.879e+00 1.000e+00 -0.04° 0.00°
2 2.000e+03 1.721e-05 5.978e-06 94.70° 94.75°
3 3.000e+03 5.162e-04 1.793e-04 -1.09° -1.05°
4 4.000e+03 1.156e-06 4.014e-07 132.23° 132.27°
5 5.000e+03 4.232e-06 1.470e-06 164.78° 164.82°
6 6.000e+03 1.128e-06 3.918e-07 116.98° 117.02°
7 7.000e+03 1.082e-06 3.757e-07 112.07° 112.11°
8 8.000e+03 1.073e-06 3.726e-07 110.68° 110.73°
9 9.000e+03 1.058e-06 3.674e-07 108.42° 108.47°
10 1.000e+04 1.047e-06 3.636e-07 106.53° 106.58°
Total Harmonic Distortion: 0.017938%(0.018015%)
Собственно, в самой команде 1k обозначает частоту основной гармоники (1кГц), 10 - количество гармоник для расчёта, -1 обозначает, что нужно использовать все данные для расчёта (иначе можно указать количество периодов, которые нужно отступить от конечного времени моделирования для определения отрезка данных для расчёта) и, соответственно, переменную, являющуюся источником расчёта.
Вывод команды выдаёт расчёт постоянной составляющей на выходе DC component, номера гармоник с соответствующими частотами, абсолютными и относительными амплитудами и абсолютными и относительными фазами, а в конце, в строке Total Harmonic Distortion, как раз и находится искомая величина общего КНИ (без скобок - относительно уровня сигнала, в скобках - относительно уровня полезной гармоники).
Команду можно размещать так же, как уже рассмотренную команду .step.
Команда .measure позволяет вывести измерения в определённой точке во времени или при наступлении определённого события. Видов этих команд достаточно много, но мы рассмотрим пока те, что пригодятся нам. Вот пример нашего базового дизайна с внедрёнными командами .measure и .four: также приведён пример вывода (см. окно справа).
Посмотрим, что я попытался измерить:
.measure MPE FIND V(Cat) WHEN V(in+, in-)=0
записывает в переменную MPE напряжение V(Cat) (смещение ламп) при наступлении первого случая, когда разность потенциалов между входами in+ и in- становится равной нулю. Аналогичные измерения проводятся для IU1E (ток покоя триода U1), IU2E (ток покоя триода U2), Ua1 (анодное напряжение U1), Ua2 (анодное напряжение U2).
.measure MPL min V(cat)
записывает в переменную MPL минимальное - min - напряжение на катоде V(Cat) За весь период измерений. Такие же измерения проводятся для GRL1 (максимальное - max - напряжение сетка-катод первой лампы), GRL2 (максимальное - max - напряжение сетка-катод второй лампы), IU1U (максимальный - max - ток через первую лампу), IU2U (максимальный - max - ток через вторую лампу), IU1D (минимальный - min - ток через первую лампу), IU2D (минимальный - min - ток через вторую лампу), VIN (амплитуда - max - напряжения на входе), VOUT (среднеквадратическое - RMS - напряжение на выходе), IOUT (среднеквадратическое - RMS - значение тока на выходе).
.measure PU1 PARAM IU1E*Ua1
записывает в переменную PU1 значение выражения, в котором участвуют только переменные, но не значения со схемы, в данном случае - мощность, рассеиваемую на аноде первой лампы. Аналогичная мощность для второй лампы сохраняется в PU2. Выходная мощность рассчитывается тем же способом и записывается в Pout.
Осталось написать про команду "К". Эта команда позволяет "связывать" индуктивности, формируя из них простейший трансформатор. Команда имеет вид
Kx Ly Lz [La...] коэффициент
x - нумерует команды, делая их уникальными,
y, z, a... - номера связываемых индуктивностей,
коэффициент - позволяет добавить реальности в трансформатор, учитывая индуктивность рассеяния всей конструкции (формула для его вычисления есть в файле помощи, для нашего случая мы всегда будем брать его равным 1, так как не имеем на этой стадии реального трансформатора на руках). Индуктивность рассеяния можно померить напрямую, закоротив все вторичные обмотки и измерив получившуюся индуктивность первичной.
Понятно, что этот трансформатор получается идеализированным. Для того, чтобы ещё больше приблизить его к реальному, есть смысл измерить точные индуктивности обмоток, их активные сопротивления и добавить эти значения в свойства индуктивностей, составляющих трансформатор.
Кроме того, можно измерить резонансную частоту трансформатора (один из вариантов как это сделать описан в ветке про демпфирующие цепочки) и заполнить параметры Cpar и Rpar индуктивности первичной обмотки.
Повторюсь, что в наших расчётах будут использованы "потолочные" значения, которые я придумал исходя из тех трансформаторов, что у меня есть, с некоторой долей "творческой аппроксимации". Так как мы на данном этапе проводим оценочные моделирования это допущение не влияет сильно на результаты.
Пример использования команды К: В модели "Несвязанные индуктивности" размещены две катушки L1 (50Гн, 1мОм) и L2 (12,5Гн, 1мОм) и на одну из них подан синусоидальный сигнал. Прогнозируемо, этот синусоидальный сигнал отслеживается на L1 и отсутствует на L2.
Если связать катушки с помощью команды К, как показано на модели "Связанные индуктивности", то на L2, являющейся теперь вторичной обмоткой трансформатора, появится напряжение, пропорциональное коэффициенту трансформации
k=корень_квадратный(L2/L1)
В нашем случае k=корень(12,5/50)=0,5, и амплитуда напряжения на вторичной обмотке в 2 раза меньше.
Данный пример показывает также, что, в отличие от напряжений, трансформация импедансов происходит по квадратичному закону. Это помогает рассчитать необходимые индуктивности обмоток "напрямую" исходя из нужного соотношения импедансов сторон. Однако, и здесь есть головоломки. Например, посчитаем трансформатор для выходного каскада, который должен иметь Rаа=5кОм для Rн=4Ом. Допустим, что вторичная обмотка будет иметь индуктивность L2=160мГн (эта величина взята с одного из моих трансформаторов Hammond). Исходя из наших рассуждений,
L1=(5000/4)*L2=200Гн
Немало... Посмотрим, не ошиблись ли мы? Применим наши знания по связыванию индуктивностей и применению команд .measure: Да, всё верно, входной импеданс zin=5001.13, выходной - zout=4. (ошибка в 1.13 Ома обусловлена учётом всех распределённых последовательных сопротивлений).
Но мы-то делаем трансформатор для Push-Pull. Для этого нам нужны 2 первичные обмотки и (в идеале, для достижения баланса) 2 вторичные. Из курса школьной физики мы знаем, что при последовательном соединении результирующая индуктивность L=L1+L2. Значит, просто разбиваем и первичную, и вторичную обмотки на две индуктивности половинного номинала - и дело с концом! Давайте посмотрим, как должно быть правильно:
На этой ноте я закончу с теорией и возвращусь к нашей базовой схеме, видоизменив её с учётом вышеизложенного материала.
Что мне нужно от второй версии базовой схемы?
- сделать шаг к реальности и добавить трансформатор. Пусть этот трансформатор будет вымышленным и не вполне реалистичным (с точки зрения потерь), но с помощью этого "финта" я хочу иметь возможность определить так называемый коэффициент демпфирования (отношение импеданса нагрузки к выходному импедансу усилителя). Этот коэффициент показывает, насколько этот усилитель будет способен справляться с "тяжёлой нагрузкой" и демпфировать обычные акустические системы.
- Ускорить проработку вариантов, с использованием команд .measure и .four. Также я хочу воспользоваться командами .step для той же цели.
Для упрощения расчётов я разбил схему на два варианта. В версии 2а я буду исследовать усилительные свойства каскада, в версии 2b - коэффициент демпфирования. Получившиеся изменения приведены ниже: С помощью этих моделей я просчитал работу усилителя с трансформатором (импеданс Rаа первичной обмотки) 3,5к, 4к, 4,5к, 5к, 5,5к, 6к, 6,6к для трёх сценариев:
(1) максимально возможный ток + выбор максимально возможного напряжения, чтобы не превысить предельной мощности рассеяния на лампах.
(2) максимально возможное напряжение + выбор максимально возможного тока, чтобы не превысить предельной мощности рассеяния на лампах.
(3) комбинация максимально возможного тока и напряжения (исходя из мощности рассеяния на лампах), при которой полная отсечка тока одной из ламп происходит при достижении нуля напряжения сетка-катод противоположной лампы. Для этого режима под нулём сеточного напряжения я имел в виду напряжение, меньшее минус 0,5В; под отсечкой тока - значение меньше 1мА.
Я использовал модель трансформатора со вторичной обмоткой 160мГн (2х40мГн), нагруженный на сопротивление нагрузки 4Ом. При этом легко рассчитываются значения индуктивности первичной обмотки 3,5к->2х35Гн, 4к->2х40Гн и т.д. За базовое активное сопротивление половины первичной обмотки я взял значение 30 Ом для импеданса 5,5кОм. Для всех остальных значений импеданса, это сопротивление изменяется прямо пропорционально (3,5к-> 16,4Ом, 4к-> 21,8Ом, 4,5к-> 24,5Ом, 5к-> 27Ом, 5,5к-> 30Ом, 6к-> 33Ом, 6,6к-> 36Ом). Во вторичной обмотке активное сопротивление неизменно и составляет 5мОм на половину. Скорее всего, принимая во внимание бюджетность конструкции, параметры выходного трансформатора будут хуже, но на данном этапе мне нужна некоторая идеализированность, чтобы определить тенденции, а не абсолюты.
Также были пересмотрены граничные условия. В связи с тем, что мы используем источник стабильного тока, я решил, что использовать запас в 10% было бы неразумно. Поэтому я оставил запас в 5мА на возможный разбаланс плеч. Кроме того, я точно определил предельное напряжение на анодах ламп (365В), что на 5В выше принятого ранее (400В-10%=360В). Это связано с тем, что "стандартным" значением теперь будет 365В, с учётом 10% в каждую сторону мы можем ожидать напряжения 328,5 - 401,5В при отсутствии стабилизации. На практике изменения будут меньше, потому что уровень потерь будет также изменяться синхронно с изменением напряжения. Предельная мощность рассеяния осталась 32,4Вт на лампу.
Результаты моих экспериментов в сжатом виде привожу здесь:
Raa I2A Va Pa Vin(Vtest) B+ Pomax NLD Po1%@Vin(Vtest) NLD1W@Vin(Vtest) Rout KD Meas
3584 190 341.4 32.4 126(127) 409 16.4 1.87 13.3@112(113) 0.042@31(31) 1.5 2.64 (1)
3584 178 364.4 32.4 120(121) 439 14.4 1.96 11.4@105(106) 0.050@31(31) 1.6 2.56 (2)
3584 190 302.4 28.7 125(126) 360 16.4 1.84 13.6@112(113) 0.037@30(30) 1.5 2.68 (3)
4109 190 341.0 32.4 139(140) 409 18.7 1.71 16.0@127(128) 0.030@32(32) 1.3 3.00 (1)
4109 177 364.8 32.3 131(132) 440 16.2 1.75 13.5@118(119) 0.029@33(33) 1.4 2.89 (2)
4109 190 326.7 31.0 138(139) 391 18.6 1.63 16.1@127(128) 0.029@32(32) 1.3 3.00 (3)
4622 190 341.5 32.4 144(145) 410 19.3 1.06 19.0@143(144) 0.022@33(33) 1.2 3.35 (1)
4622 177 364.6 32.3 143(144) 440 18.2 1.61 15.8@132(133) 0.029@33(33) 1.2 3.24 (2)
4622 187 346.1 32.4 149(150) 416 20.3 1.50 18.2@140(141) 0.024@33(33) 1.2 3.33 (3)
5135 190 340.6 32.4 141(142) 409 17.8 0.54 20.6@152(154) 0.016@34(34) 1.1 3.71 (1)
5135 178 364.5 32.4 154(156) 440 20.4 1.41 18.8@148(149) 0.022@34(34) 1.1 3.59 (2)
5135 181 358.3 32.4 155(157) 432 20.8 1.31 19.4@150(151) 0.020@34(34) 1.1 3.62 (3)
5650 190 341.1 32.4 140(141) 410 16.7 0.30 21.6@160(162( 0.011@35(35) 1.0 4.06 (1)
5650 178 364.3 32.4 157(159) 440 20.3 0.85 21.3@161(163) 0.016@35(35) 1.0 3.93 (2)
5650 172 364.7 31.4 160(162) 441 20.7 1.25 19.8@156(158) 0.018@35(35) 1.0 3.88 (3)
6166 190 340.9 32.4 139(140) 410 15.7 0.15 22.3@166(169) 0.007@36(36) 0.9 4.40 (1)
6165 177 364.8 32.3 155(157) 441 19.0 0.48 22.5@170(172) 0.012@36(36) 0.9 4.26 (2)
6165 161 364.7 29.4 161(163) 442 19.7 1.15 19.3@159(161) 0.018@36(36) 1.0 4.11 (3)
6781 190 340.7 32.4 138(139) 410 14.6 0.03 22.8@173(176) 0.002@37(37) 0.8 4.82 (1)
6780 177 364.6 32.3 154(156) 441 17.8 0.24 23.5@178(181) 0.008@37(37) 0.9 4.66 (2)
6780 149 363.8 27.1 163(165) 442 18.7 1.15 18.3@161(163) 0.018@38(38) 0.9 4.36 (3)
Raa - вычисленный импеданс первичной обмотки с учётом активного сопротивления обмоток
I2A - ток источника тока в катоде
Va - напряжение анод-катод каждой лампы
Pa - мощность, рассеиваемая на аноде каждой лампы
Vin(Vtest) - реальная амплитуда входного сигнала (амплитуда источника сигнала с внутренним сопротивлением 5к)
B+ - напряжение источника анодного питания
Pomax - максимальная выходная мощность в классе А
NLD - КНИ для Pomax
Po1%@Vin(Vtest) - максимальная выходная мощность при КНИ 1% @ реальная амплитуда входного сигнала при КНИ 1% (амплитуда источника сигнала с внутренним сопротивлением 5к при КНИ 1%)
NLD1W@Vin(Vtest) - КНИ при выходной мощности 1Вт @ реальная амплитуда входного сигнала при выходной мощности 1Вт (амплитуда источника сигнала с внутренним сопротивлением 5к при выходной мощности 1Вт)
Rout - выходное сопротивление усилителя
KD - коэффициент демпфирования
Meas - сценарий измерений
Стоит признать, что Po1% я измерял "неправильно". Обычно его измеряют с условием "непревышения" 1% КНИ, однако, я посчитал, что первое значение, превышающее 1% будет более информативно, поскольку показывает скорость нарастания КНИ.
Вторая ремарка: На Po1% стоит ориентироваться только в том случае, если оно меньше Pomax, поскольку в противном случае мы выходим из "класса А", что предполагает либо появление сеточных токов (и делает измерения неадекватными - эти тока вряд ли правильно учтены в модели и у нас отсутствуют точные данные по выходному сопротивлению драйверного каскада, влияющему на "просадку" сигнала при резком уменьшении входного сопротивления; к тому же долговременная работа лампы в таком режиме не гарантируется), либо отсечки анодного тока (здесь проблем меньше, но смысла использовать усилитель в таком режиме не вижу), либо и того и другого вместе.
Анализ приведённых данных последует чуть позже. Но, думаю, "пуристы" будут ориентироваться исключительно на NLD1W, добиваясь самого чистого "золотого ватта", "меломаны" - на Po1%, добиваясь всеми силами максимальной выходной мощности в рамках приемлемых искажений, ну, а мы пойдём другим путём.
- Рейтинг: 16.7%
-
Владислав
- poty
- Профи

- Сообщения: 5018
- Зарегистрирован: 24 мар 2014, 10:00
- Откуда: Россия, Москва
- Благодарил (а): 189 раз
- Поблагодарили: 642 раза
- Контактная информация:
Начнём анализ наших данных. В сообщении они приведены не в особо удобочитаемом виде, но можно разместить их в таблице, например, Excel. Это позволит также автоматизировать процесс выбора. Я предлагаю пойти по комплексному пути, а именно: использовать версию с наибольшей мощностью в классе А при КНИ 1%, при этом амплитуды токов и напряжений должны соответствовать паспортным значениям на лампы. У меня получилось вот что:
Анализ данных
Начнём с первой строчки: 20,3Вт при 0,85%, как мне кажется, отличный выбор. Надо только проверить, все ли ограничения соблюдены:
Минимальное напряжение смещения: 72,9В
Максимальное напряжение смещения: 78,9В
Минимальное напряжение сетка катод: -0,1В
Максимальное напряжение сетка катод: -157,6В
Минимальное напряжение анод-катод: 120,9В
Максимальное напряжение анод-катод: 595,8В
Минимальный ток анода: 3,7мА
Максимальный ток анода: 174,3мА
Мощность рассеяния на аноде: 32,4Вт
К сожалению, никаких данных по ограничениям по току и по максимальному напряжению для ламп 300B я не обнаружил, поэтому проверять придётся на практике. Успокаивает то, что режим с Va=350В, Ia=80мА на сравнимую нагрузку 2,2к существует в таблице в файле 300a_b - we.pdf, выложенном ранее в ветке. Кроме того, у нас есть запас по напряжению, току и рассеиваемой мощности.
Файлы второй версии выходного каскада выкладываю:
300В - step2
Т.о., мы закончили проектирование параметров выходного каскада и определили дополнительные требования к драйверному каскаду:
Работа на нагрузку 250кОм (на плечо),
Амплитуда выходного напряжения не менее 157+10%~175В (сетка-сетка),
Желательно иметь B+ <=440В.
Анализ данных
Начнём с первой строчки: 20,3Вт при 0,85%, как мне кажется, отличный выбор. Надо только проверить, все ли ограничения соблюдены:
Минимальное напряжение смещения: 72,9В
Максимальное напряжение смещения: 78,9В
Минимальное напряжение сетка катод: -0,1В
Максимальное напряжение сетка катод: -157,6В
Минимальное напряжение анод-катод: 120,9В
Максимальное напряжение анод-катод: 595,8В
Минимальный ток анода: 3,7мА
Максимальный ток анода: 174,3мА
Мощность рассеяния на аноде: 32,4Вт
К сожалению, никаких данных по ограничениям по току и по максимальному напряжению для ламп 300B я не обнаружил, поэтому проверять придётся на практике. Успокаивает то, что режим с Va=350В, Ia=80мА на сравнимую нагрузку 2,2к существует в таблице в файле 300a_b - we.pdf, выложенном ранее в ветке. Кроме того, у нас есть запас по напряжению, току и рассеиваемой мощности.
Файлы второй версии выходного каскада выкладываю:
300В - step2
Т.о., мы закончили проектирование параметров выходного каскада и определили дополнительные требования к драйверному каскаду:
Работа на нагрузку 250кОм (на плечо),
Амплитуда выходного напряжения не менее 157+10%~175В (сетка-сетка),
Желательно иметь B+ <=440В.
- Рейтинг: 16.7%
-
Владислав
Кто сейчас на конференции
Сейчас этот форум просматривают: нет зарегистрированных пользователей и 1 гость
