Почему родился это проект.
Приступив к работе по досборке и настройке приобретенного комплекта фонокорректора, задался сакраментальным для всех звукоманов вопросом: « А слушать как?»
Имею в виду, слушать не окончательно уже собранный усилитель для наслаждения «виниловой» музыкой, а в ходе долготрудных и хлопотных работ по его изготовлению и доводке с контрольными, бесконечно повторяющимися прослушиваниями и изменяющимися жанрами музыки и режимами громкости.
Если использовать свою имеющуюся стационарную систему с выходом на напольную акустику, то очень скоро вокруг моей физической точки творческой самореализации сформируется клан разнообразных по полу, возрасту и социальному статусу (но объединенных единым жгучим чувством) тайных и явных «доброжелателей» с абсолютно не позитивной аурой остронаправленного на меня речевого аудиовоздействия, суть которого в очень мягком англоязычном изложении можно свести к стандарту импульсивного условно-рефлекторного общения деклассированных членов социума с сопутствующим слэнговым энергичным восклицанием абсолютно неидиоматического толка: «Shut up, *** !!!».
В таких прогнозируемо неприятных условиях основным рабочим инструментом прослушивания становятся головные наушники. У меня их, к примеру, сейчас четыре пары . Покупались и дарились по разным случаям и все различные. И по марке производителя, и по «классовой» принадлежности, и , самое главное, по импедансу и чувствительности. А вот хорошего HeadAmpа у меня до сих пор не было.
Такого, чтоб можно было с его помощью не только слушать музыку, а ещё и выбирать и сравнивать самые разнообразные наушники при одинаковой подводимой к ним мощности при одном и том же уровне громкости усилителя. Из собственного опыта знаю, как мучительно проводить любые сравнения, когда каждый раз приходится менять эту самую громкость. Да и характеристики усилителей при разных уровнях выходного сигнала тоже обычно разные.
1. Цель проекта и постановка задач.
Создание Headamp_а, способного обеспечить без регулировки уровня выходного сигнала одинаковую мощность для наушников с различными входными сопротивлениями.
Этот усилитель должен не только хорошо звучать, но и соответствовать выдвинутым мною определенным требованиям.
1.1. Быть ламповым. Потому что создается в первую очередь для работы с сигналом от лампового фонокорректора и потому что мне нравится такое понятие как «ламповый звук».
1.2. Обеспечивать при любом установленном уровне громкости равенство мощностей, подводимых к наушникам с разными заявленными производителями сопротивлениями и чувствительностями. Это позволит проводить корректные сравнения наушников при прослушивании и выборе для себя конкретных моделей из большого числа предлагаемых и разнообразных.
Выходную мощность определил предварительно в 200 мВт при отсутствии видимых на осциллографе искажений. Думаю, больше этого для реально используемых наушников вряд ли потребуется.
Если же расчеты или макетирование покажет, что ценой достижения такой мощности станет что-то выходящее за пределы моих представлений о приемлемых массо-габаритах или энергопотреблении усилителя, то тогда требуемую мощность можно снизить до меньшего значения, но не ниже 100 мВт.
1.3. Обеспечить полосу рабочих частот не хуже 30 – 30000 Гц по уровню 3 дБ.
1.4. Уметь «работать» с балансным входным сигналом.
1.5. Желательно иметь не больше 2 каскадов и быть собранным не более, чем на 2 лампах/канал.
1.6. Быть стационарным, с питанием ~220 В, но не слишком энергопотребляющим и громоздким.
1.7. Быть собранным в базовой версии на доступной элементной основе без использования
дефицитных или дорогих комплектующих.
Кроме этих требований я хотел бы:
1.8. При макетировании этого усилителя проработать, хотя бы как вариант, схему без использования в ней переходных емкостей.
1.9. Проработать и сравнить с чисто ламповым вариантом ещё и вариант гибридный, с транзисторным выходным каскадом и соблюдением всех предыдущих требований.
Выбор схемотехники и элементной базы.
2. Выходной трансформатор.
Проектирование, расчет и варианты изготовления простого низкоиндуктивного выходного трансформатора. Снятие АЧХ экспериментальных образцов.
Выполнение требования работы усилителя на различные сопротивления нагрузки наушников с одинаковой выходной мощностью почти однозначно означает (во всяком случае для меня) использование выходного трансформатора. Его обмотки должны иметь возможность внешней коммутации на разные подключаемые нагрузки. Вариантом реализации такого трансформатора является коммутируемый набор отводов вторичной обмотки, где каждый отвод перекрывает заданный диапазон сопротивлений нагрузки наушников. Первоначально были выбраны следующие базовые наиболее типовые значения сопротивлений наушников: 4, 6, 8, 16, 32, 64, 100, 256, 400, 600 и 1000 Ом.
Итого 11 отводов. Дальнейшие прослушивания и измерения показали, что их количество без особого ущерба для поставленной цели можно немного сократить.
Чтобы сделать трансформатор максимально простым в изготовлении собственными силами, недорогим и, главное, качественным в смысле обеспечения требуемой полосы частот, при его разработке я опирался на следующие решения:
2.1. Число витков обмоток трансформатора для простоты намотки должно быть минимально возможным.
При этом малая индуктивность такого «маловиткового» трансформатора (от 0,5 до 1,5 Гн по сравнению с классически привычными значениями от 5 до 20 и выше Гн) должна компенсироваться для получения заданной по НЧ границе диапазона частот в 30 Гц низким выходным сопротивлением каскада усилителя мощности.
2.2. Для расширения же диапазона пропускаемых верхних частот трансформатора я решил использовать не очень классический способ его намотки – бифилярно первичную одновременно со вторичной обмоткой. И не виток к витку, а внавал, без разделения на слои, хотя и с неявным и небольшим (по возможности) секционированием. Такой способ значительно уменьшает индуктивность рассеивания трансформатора – одну из основных причин сужения диапазона частот трансформатора со стороны ВЧ. А также увеличивает емкостную межобмоточную связь, тем самым увеличивая коэффициент передачи между обмотками всё в том же ВЧ диапазоне.
2.3. В дополнение к этой основной поставленной задаче по расширению ВЧ границы, эти приемы намотки в сочетании с изначальной нацеленностью на маленькое число витков, (предполагалось сделать не больше 300-400), кардинально уменьшают сложность и трудоёмкость самого процесса изготовления трансформатора.
2.4. Кроме того, малое число витков позволяет использовать максимально толстый для выбранного окна намотки диаметр провода с более толстой, усиленной (при необходимости) изоляцией. С соответствующим уменьшением активного сопротивления обмоток.
2.5. Компенсировать же возникающую при этом потерю в стойкости к пробивному напряжению или просто замыканию между первичной и вторичной обмотками (бифиляр, навал, отсутствие межслойной и межсекционной изоляций) можно и нужно схемотехнически, использованием схемы выходного каскада с нулевым уровнем постоянной составляющей на первичной обмотке выходного трансформатора и отсутствием значительной, способной вызвать электрический пробой, разности потенциалов между первичной и вторичной обмотками.
Амплитуды переменных составляющих входного и выходного напряжений трансформатора при этом можно не рассматривать как опасные с точки зрения пробоя ввиду малости их значений в усилителе данного класса мощности и низкой индуктивности самого трансформатора.
Огромным плюсом при таком решении является и полное отсутствие тока подмагничивания в первичной обмотке, что, в свою очередь, означает меньшее количество требуемых витков в обмотках для достижения заданной индуктивности выходного трансформатора. Это же меньшее количество витков и небольшая общая длина намоточного провода чисто по теории вероятности уменьшает и возможность межвиткового короткого замыкания.
В результате были проведены расчеты и по ним изготовлены и сняты АЧХ трех образцов трансформаторов на разных сердечниках.
№2 - Ш 16х20х0,4 мм (В1xHхh), S=3,2 кв. см, 193 втк первичн. обмотка
№3 * - Ш 12х17х0,3 мм (В1xHхh), S=2,0 кв. см, 260 втк первичн. обмотка
* Интересное факт по этому сердечнику. Измерение показало, что толщина Ш-пластины у него 0.3 мм, а замыкающей пластины - 0,35 мм.
Основанием для выбора трансформаторов было удобство их разборки/сборки и намотки.
Большие габариты здесь были не нужны. Во-первых мощность усилителя очень невелика, во вторых большие габариты автоматически ведут к увеличению индуктивности рассеивания, целью борьбы с которой и является данный проект. Слишком маленькие - число витков на вольт придется увеличивать, т.е. общее количество витков возрастет, а ещё и мотать не очень удобно "мелкоту" и провод нормальный по сечению и прочности не используешь.
Думаю, 2-3 кв см это самая золотая середина для моего случая.
Марка электротехнической стали исследуемых трансформаторов точно неизвестна. Для экспериментов были разобраны б/у силовые трансформаторы небольших габаритов из различных приборов и блоков питания.
Марка провода для намотки точно тоже неизвестна. Скорее всего ПЭЛ или ПЭВ, так же б/у.
Вся намотка – вручную, внавал, без каких бы то ни было намоточных устройств. Технология намотки очень простая. Берётся две бухточки нужного по сечению провода. Лучше брать провода, которые легко различать друг от друга визуально. Проще всего по цвету или диаметру. Затем одновременно двумя проводами ведется намотка на каркас или в кольцо ТОРа. При достижении заданного числа витков делается петля-отвод и выводится наружу. Отвод может быть выведен как двойным (отвод от обеих обмоток сразу), так и одинарным проводом. Время намотки на разных трансформаторах у меня составляло от 0,5 до 1,5 часа.
Привожу практическую схему намотки трансформатора №3, самого маленького из трех, т.е. с наибольшим из них общим числом витков. Намотка бифилярно первичной и вторичной обмоток.
Первая строка показывает номер витка отвода при намотке.
Во второй строке показаны точки подключения первичной обмотки,
где Н1 – начало, СР – средняя точка, К1 – конец.
В третьей строке приведены соответствующие данному отводу на вторичной обмотке значения сопротивлений нагрузки, т.е. импеданс наушников.
Результаты измерений для интересующихся представлены в следующем файле-таблице. Таблица приведена как есть, в чернорабочем варианте.
Из таблицы видно, что все собранные по вышеописанной технологии трансформаторы имеют значительно более широкую полосу рабочих частот в ВЧ диапазоне, чем референсный классический. В области низких частот ни у ТВ-2-АШ1, ни у исследуемых образцов спада АЧХ не наблюдается.
3.1. Принципиальная схема усилителя, схемные решения.
Уже имея опыт построения усилителя мощности ORIOLUS viewtopic.php?f=132&t=501 , который - с одной стороны меня полностью устроил по параметрам, а с другой – родил в ходе работ желания модернизаций и поиск ответов на вопросы типа «а что будет, если сделать не так …», в качестве базовых схемных решений были взяты наработки именно его схемы.
Первый каскад драйвер-фазоинвертор. Обеспечивает необходимое усиление по напряжению,
согласование с регулятором громкости, формирование противофазных сигналов. Особых требований к планируемым для этого каскада ламп не выдвигается. Желательна энергоэкономичность, линейность и идентичность ВАХ, ну и «музыкальность» конечно. В качестве таковых рассматривались вечно молодые двойные триоды 6Н8С, 6Н9С и их отечественные и зарубежные аналоги.
Второй каскад – усилитель мощности, способный обеспечить требуемую выходную мощность для первичной обмотки малоиндуктивного выходного трансформатора. Учитывая такие требования к нему, как очень низкое для лампового каскада выходное сопротивление и нулевой уровень постоянной составляющей, для его реализации для начала была выбрана цирклотронная схема с катодной нагрузкой. Здесь требования к выбору ламп были более прицельные. Кроме уже перечисленных для ламп первого каскада список требований пополнился еще двумя обязательными. Хорошей крутизной S и способностью работать с большим (порядка 10 вольт) напряжением сеточного смещения в рабочей точке.
Первое обусловлено необходимостью получения низкого выходного сопротивления в схеме катодного повторителя. Известна его формула выходного сопротивления Ri=1/S.
Второе связано с тем, что выходной каскад реализованный по схеме с общим катодом (ОК) не имеет собственного усиления по напряжению и на сетку лампы этого каскада в классическом цирклотроне должна драйвером подаваться вся (и даже чуть большая) амплитуда требуемого выходного сигнала. Конечно, если предполагается работать без сеточных токов выходных ламп.
В конце-концов по комплексу всех рассматриваемых параметров была выбрана лампа 6Н6П. С большим удовольствием попробовал бы в этом качестве и зарубежные E182CC, ECC99, 5687, пока у меня отсутствующие.
Далее привожу полностью отработанные на макете варианты принципиальной схемы усилителя с краткими пояснениями.
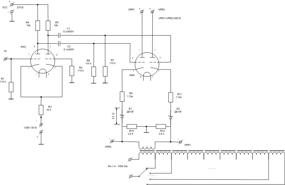
Базовая Схема 1 с фиксированным смещением в сетках. Схема двухкаскадная, фазоинвертор на базе схемы диффкаскада с усилением напряжения и цирклотронный выходной усилитель мощности. Его питание (VPR1 и VPR2) и питание входного каскада (VCC) в этом варианте макета раздельные. В принципе для экономии от VCC можно отказаться, запитав входной каскад от VPR1 и VPR2.
Источник тока организован на источнике напряжения VSM и резисторе R3. Разделительные межкаскадные емкости С1 и С2. Сеточное смещение лампам цирклотрона раздельно обеспечивают резисторы R13 и R14.
Схема 2. В ней реализован упрощенный альтернативный вариант установки рабочей точки ламп цирклотрона. Нужное смещение обеспечивают уже стабилитроны D1 и D2. При этом при их выборе приходится учитывать разброс характеристик как самих стабилитронов, так и половинок ламп 6Н6П. Может быть для импортных комплектующих с их более точно выдержанными заявленными параметрами это и не так актуально.
Следующая две модификации являются вариантом схемы без разделительных емкостей. Давно, ещё при работе над проектом «Oriolus» хотел отработать такой вариант схемы.
Схема 3 В этой схеме источником одновременно и полезного сигнала и сеточного смещения, задающего рабочую точку ламп цирклотрона, является напряжение на анодных резисторах фазоинверсного каскада.
Проверено, схема прекрасно работает. Но есть не очень удобный момент.
Чтоб обеспечить требуемое напряжение смещения ламп цирклотрона (11 В), пришлось при заданном токе ламп фазоинвертора в 2,3 мА снизить значения анодных резисторов вдвое, что повлекло за собой снижение коэффициента усиления по напряжению первого каскада, а значит и выходной мощности всего усилителя.
Этот вариант в таком виде чуть-чуть не вписывается в рамки данного проекта по критерию достаточности мощности. Впрочем, довольно легко можно попробовать рассчитать первый каскад для других режимов этой или другой лампы, предполагая возможность уменьшения анодных токов и/или напряжения питания каскада и рабочего анодного напряжения на лампе.
Другим очень хорошим альтернативным вариантом будет замена лампы цирклотрона 6Н6П на более мощную с гораздо более высоким напряжением сеточного смещения в рабочей точке . Например один двойной триод 6Н5С (6Н13С), два 6Н19П или даже прямонакальный 6С4С. Качество точно будет на высоте.
А ценой такой замены станет прожорливость и соответственно габариты усилителя, в данном проекте пока нежелательные. Наверняка можно и другие лампы рассмотреть.
Неизменными при этом остаются лишь требования малых искажений и заданной достаточности максимальной амплитуды выходного сигнала.
Я же при дальнейшей проработке именно этой схемы смещения возлагаю большие надежды на использование нувисторов типа 6Н52Н и ламп, способных качественно работать при невысоких анодных напряжениях.
Схема 4 Эта модификация является более универсальным развитием предыдущей. Только теперь на катоды цирклотрона подается не весь потенциал питания VCC, а лишь его часть. Это позволило устанавливать режим ламп цирклотрона независимо от анодных напряжений ламп фазоинвертора. Привязка к потенциалу земли по полезному сигналу здесь обеспечивает емкость С1. Дополнительно в схему введена возможность симметрирования плечей фазоинвертора с помощью резистора R8.
Эта схема была так же отмакетирована с заменой лампы 6Н9С на 6Н8С с соответствующими изменениями токов и анодных напряжений. Цель - именно снижение анодного напряжения фазоинверсного каскада и получение запаса в нем по перегрузке и линейности. Проверка была проведена при следующих рабочих точках каскада:
Напряжение питания каскада: 280 В;
Анодное напряжение ламп: 155 В;
Анодный ток каждой лампы: 6,2 мА;
Напряжение на катоде: (+ 4.9 В);
Анодные резисторы: 20 кОм;
Как ни странно, но звук при этой замене мне понравился меньше.
Обязательное замечание безопасности по двум последним и следующей схеме. Собирая их, надо привязывать потенциал вторичной обмотки выходного трансформатора к среднему выводу переменного резистора R7. Или предусмотреть дополнительные меры по усилению изоляции между намоточными проводами первичной и вторичной обмоток. Например использовать в их качестве ПЭЛ с усиленным изоляционным лаком или вообще взять провод во внешней изоляции. Также можно предусмотреть несложную схему защитного отключения анодных напряжений.
С удовольствием приму советы и подсказки со стороны по возможным другим альтернативным решениям.
А теперь вариант ещё не окончательный, но уже полностью прошедший двухмесячное испытание временем.
Следующая схема на данный момент написания является последней из отработанных подробно. Именно она сейчас собрана на макете и работает уже на прослушивание больше месяца.
Схема 5 По сравнению с предыдущими, здесь есть два существенных изменения.
1. Цепь привязки к референсу драйвера в виде эмуляции средней точки (СР) цирклотрона из резисторов R10 и R12 заменена на классическую СР первичной обмотки выходного трансформатора. Снизится хоть и небольшое, но лишнее растрачивание выходной мощности.
2. Источник тока (CCS) фазоинвертора с пассивного резистивного заменен на активный, хоть и твердотельный. В его качестве выступает микросхема LM 334 с задатчиком тока R3.
Эта замена позволила отказаться от достаточно высоковольтного источника напряжения VSS = 130 В в пользу всего 8 В, которые легко формируются из напряжения накала ~6,3 В без дополнительных обмоток трансформатора питания. После консультации с Владиславом выяснилось, что именно эта выбранная мною микросхема CCS не является единственным и оптимальным вариантом использования с точки зрения термостабильности. Хотя я пока ничего настораживающего не нашел. Всё стабильно. А вот результат эта замена в дополнение к экономическому эффекту дала ещё и конкретно слышимый.
4. Промежуточные итоги.
Теперь об общих впечатлениях по результатам прослушивания вышеперечисленных модификаций усилителя.
А так же приятных и не очень неожиданностях и намечаемых дальнейших изменениях и планах развития проекта.

