Для активации новой учетной записи и ее подтверждения на Форуме - необходимо связаться с администратором по электронной почте p-i-n-o-k-i-o@mail.ru.
Все новые учетные записи не прошедшие подтверждения администратором воспринимаются как спам.
Все новые учетные записи не прошедшие подтверждения администратором воспринимаются как спам.
cascode\srpp корректор, ламповая версия
- Евгений Михеев
- Заслуженный Ветеран

- Сообщения: 4474
- Зарегистрирован: 22 май 2015, 11:52
- Откуда: Республика Коми, Ухта
- Благодарил (а): 324 раза
- Поблагодарили: 355 раз
- Контактная информация:
- Евгений Михеев
- Заслуженный Ветеран

- Сообщения: 4474
- Зарегистрирован: 22 май 2015, 11:52
- Откуда: Республика Коми, Ухта
- Благодарил (а): 324 раза
- Поблагодарили: 355 раз
- Контактная информация:
poty, Спешу отчитаться)
Проверил вышеизложенным методом имеющиеся светодиоды. Идеальным вариантом стало использование двух диодов синего цвета на канал.
Что могу отметить - по звуку прозрачней, чем связка резистор+конденсатор.
Шума чуть меньше при использовании светодиодов, чем резистор+конденсатор.
Специально спаял 1 канал и сравнил с нетронутым. Разница есть, хоть мало ощутимая.
Проверял много диодов - дают стабильный результат без подбора.
Проверил вышеизложенным методом имеющиеся светодиоды. Идеальным вариантом стало использование двух диодов синего цвета на канал.
Что могу отметить - по звуку прозрачней, чем связка резистор+конденсатор.
Шума чуть меньше при использовании светодиодов, чем резистор+конденсатор.
Специально спаял 1 канал и сравнил с нетронутым. Разница есть, хоть мало ощутимая.
Проверял много диодов - дают стабильный результат без подбора.
Дорогу осилит идущий
- Евгений Михеев
- Заслуженный Ветеран

- Сообщения: 4474
- Зарегистрирован: 22 май 2015, 11:52
- Откуда: Республика Коми, Ухта
- Благодарил (а): 324 раза
- Поблагодарили: 355 раз
- Контактная информация:
Добрый день, форумчане!
Прошу простить за длительное отсутствие - были заказы на гитарные педали - занимался сборкой. Ну и увлекся фотографией параллельно - много фоткал, обрабатывал, осваивал фотошоп и так далее, вообщем, был занят смежной стезей - не только сборка, но и фиксация результата
Проект не стоит на месте.
Закончил моделирование печатной платы. Получилось так
Прошу простить за длительное отсутствие - были заказы на гитарные педали - занимался сборкой. Ну и увлекся фотографией параллельно - много фоткал, обрабатывал, осваивал фотошоп и так далее, вообщем, был занят смежной стезей - не только сборка, но и фиксация результата
Проект не стоит на месте.
Закончил моделирование печатной платы. Получилось так
Дорогу осилит идущий
- poty
- Профи

- Сообщения: 5049
- Зарегистрирован: 24 мар 2014, 10:00
- Откуда: Россия, Москва
- Благодарил (а): 192 раза
- Поблагодарили: 664 раза
- Контактная информация:
Красиво! Конфигурация только сложная! Возьмут как за прямоугольную плату по внешним размерам этой.
- За это сообщение автора poty поблагодарил:
- Евгений Михеев
- Рейтинг: 16.7%
-
Владислав
- Евгений Михеев
- Заслуженный Ветеран

- Сообщения: 4474
- Зарегистрирован: 22 май 2015, 11:52
- Откуда: Республика Коми, Ухта
- Благодарил (а): 324 раза
- Поблагодарили: 355 раз
- Контактная информация:
Да, что правда то правда, 80 долларов за 10 плат.
Но хотелось в этот раз сделать полноценную плату без модулей, тем более полностью с креплением на дно.
Отправлено спустя 6 минут 41 секунду:
Плату делал под конкретный корпус - этим обусловленны вырезы под сетевой разьем и 2 прорези под установку разьемов вход-выход
Но хотелось в этот раз сделать полноценную плату без модулей, тем более полностью с креплением на дно.
Отправлено спустя 6 минут 41 секунду:
Плату делал под конкретный корпус - этим обусловленны вырезы под сетевой разьем и 2 прорези под установку разьемов вход-выход
Дорогу осилит идущий
- Евгений Михеев
- Заслуженный Ветеран

- Сообщения: 4474
- Зарегистрирован: 22 май 2015, 11:52
- Откуда: Республика Коми, Ухта
- Благодарил (а): 324 раза
- Поблагодарили: 355 раз
- Контактная информация:
- Евгений Михеев
- Заслуженный Ветеран

- Сообщения: 4474
- Зарегистрирован: 22 май 2015, 11:52
- Откуда: Республика Коми, Ухта
- Благодарил (а): 324 раза
- Поблагодарили: 355 раз
- Контактная информация:
Кстати, удалось из Канады притащить немного dn2535
- За это сообщение автора Евгений Михеев поблагодарил:
- seurf
- Рейтинг: 16.7%
-
Дорогу осилит идущий
- seurf
- Знаток

- Сообщения: 1232
- Зарегистрирован: 12 май 2016, 19:54
- Откуда: Волгоград
- Благодарил (а): 265 раз
- Поблагодарили: 214 раз
- Контактная информация:
Тут нет https://www.partsconnexion.com/ тогда от кого? И как проходила оплата, доставка. Вроде все заблокированно.
Александр
- Евгений Михеев
- Заслуженный Ветеран

- Сообщения: 4474
- Зарегистрирован: 22 май 2015, 11:52
- Откуда: Республика Коми, Ухта
- Благодарил (а): 324 раза
- Поблагодарили: 355 раз
- Контактная информация:
seurf, связи из гитарной жизни помогли) брал на маузере, переправляли через казахстан. Так как брали изначально в Канаде, взял еще и пару выходников хаммодновских
- За это сообщение автора Евгений Михеев поблагодарил:
- seurf
- Рейтинг: 16.7%
-
Дорогу осилит идущий
- Евгений Михеев
- Заслуженный Ветеран

- Сообщения: 4474
- Зарегистрирован: 22 май 2015, 11:52
- Откуда: Республика Коми, Ухта
- Благодарил (а): 324 раза
- Поблагодарили: 355 раз
- Контактная информация:
А вот и долгожданная плата)
- За это сообщение автора Евгений Михеев поблагодарили (всего 2):
- poty, seurf
- Рейтинг: 33.3%
-
Дорогу осилит идущий
- Евгений Михеев
- Заслуженный Ветеран

- Сообщения: 4474
- Зарегистрирован: 22 май 2015, 11:52
- Откуда: Республика Коми, Ухта
- Благодарил (а): 324 раза
- Поблагодарили: 355 раз
- Контактная информация:
- Евгений Михеев
- Заслуженный Ветеран

- Сообщения: 4474
- Зарегистрирован: 22 май 2015, 11:52
- Откуда: Республика Коми, Ухта
- Благодарил (а): 324 раза
- Поблагодарили: 355 раз
- Контактная информация:
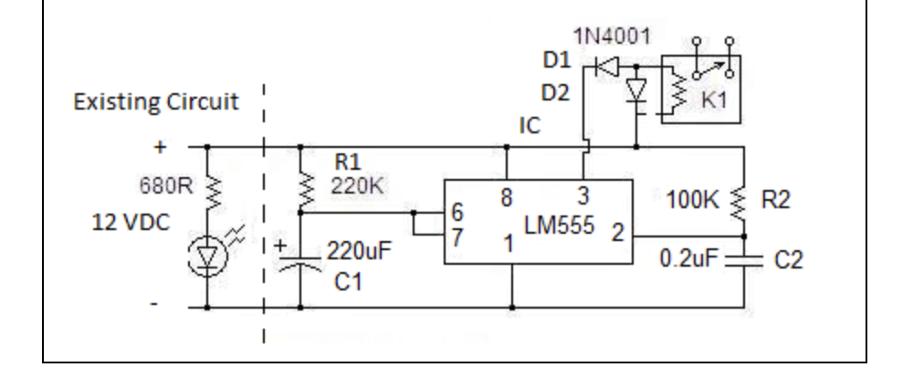
Форумчане, помогайте!
Не отрабатывает должным образом задерживалка включения высокого(((
Собственно, схема Реализация у меня: Очень интересно, что может быть не так, задержка отрабатывает, но только 3-4 секунды, не больше.
Единственное, у меня ne555 вместо lm555 но они взаимозаменяемы насколько понял.
Вот вся схема питания Отправлено спустя 2 часа 36 минут 41 секунду:
Вроде как проще уже некуда, а почему не работает понять никак не могу
Отправлено спустя 2 часа 32 минуты 46 секунд:
Что накопал.... Если подать Напряжение ДО стабилизатора, то реле включается, как я уже писал, буквально за 3 секунды, но стоит подать напругу после стабилизатора, например в точку 12 вольт непосредственно на реле, то софтстарт отрабатывает ровно как и должно быть, без каких либо косяков, а с задержкой нужной нам
Не отрабатывает должным образом задерживалка включения высокого(((
Собственно, схема Реализация у меня: Очень интересно, что может быть не так, задержка отрабатывает, но только 3-4 секунды, не больше.
Единственное, у меня ne555 вместо lm555 но они взаимозаменяемы насколько понял.
Вот вся схема питания Отправлено спустя 2 часа 36 минут 41 секунду:
Вроде как проще уже некуда, а почему не работает понять никак не могу
Отправлено спустя 2 часа 32 минуты 46 секунд:
Что накопал.... Если подать Напряжение ДО стабилизатора, то реле включается, как я уже писал, буквально за 3 секунды, но стоит подать напругу после стабилизатора, например в точку 12 вольт непосредственно на реле, то софтстарт отрабатывает ровно как и должно быть, без каких либо косяков, а с задержкой нужной нам
Дорогу осилит идущий
- poty
- Профи

- Сообщения: 5049
- Зарегистрирован: 24 мар 2014, 10:00
- Откуда: Россия, Москва
- Благодарил (а): 192 раза
- Поблагодарили: 664 раза
- Контактная информация:
LM и NE отличаются немного, но не для этого случая.
не очень понял что означает слово "напруга"? На больших пульсациях есть вероятность неправильного срабатывания, но точную причину назвать сложно.Евгений Михеев писал(а): ↑25 ноя 2022, 22:23Если подать Напряжение ДО стабилизатора, то реле включается, как я уже писал, буквально за 3 секунды, но стоит подать напругу после стабилизатора, например в точку 12 вольт непосредственно на реле, то софтстарт отрабатывает ровно как и должно быть, без каких либо косяков, а с задержкой нужной нам
Владислав
- Евгений Михеев
- Заслуженный Ветеран

- Сообщения: 4474
- Зарегистрирован: 22 май 2015, 11:52
- Откуда: Республика Коми, Ухта
- Благодарил (а): 324 раза
- Поблагодарили: 355 раз
- Контактная информация:
- Евгений Михеев
- Заслуженный Ветеран

- Сообщения: 4474
- Зарегистрирован: 22 май 2015, 11:52
- Откуда: Республика Коми, Ухта
- Благодарил (а): 324 раза
- Поблагодарили: 355 раз
- Контактная информация:
Кто сейчас на конференции
Сейчас этот форум просматривают: нет зарегистрированных пользователей и 1 гость