Для активации новой учетной записи и ее подтверждения на Форуме - необходимо связаться с администратором по электронной почте p-i-n-o-k-i-o@mail.ru.
Все новые учетные записи не прошедшие подтверждения администратором воспринимаются как спам.

McIntosh MC275

Аватара пользователя
Сергей Титов

McIntosh MC275

#1

Сообщение Сергей Титов » 19 авг 2014, 14:52



mcintosh-mc275-pwr-sch

Добрый день! Строится на родном шасси и трансах от Малышева такой усилитель. Задача-при этом наборе ламп упростить схему, особенно вых. каскада.
Последний раз редактировалось Алаев Ян 20 окт 2017, 15:08, всего редактировалось 8 раз.

Аватара пользователя
poty
Профи
Профи
Сообщения: 5024
Зарегистрирован: 24 мар 2014, 10:00
Откуда: Россия, Москва
Благодарил (а): 189 раз
Поблагодарили: 648 раз
Контактная информация:

#2

Сообщение poty » 19 авг 2014, 16:19

Нарисовано жутко хитровымудренно. Надо разобраться... Если можно (есть такая информация), раскройте, какие обмотки относятся к выходному трансформатору. Я эту схему не видел, очень похоже, что многое в ней сделано по профстандартам. С одной стороны, жалко портить схему, с другой - вряд ли будет использоваться "профессиональная" часть.
Постановка задачи предполагает конструктив готового продукта. Изменять в этой схеме, конечно, можно многое, но... надо понимать, что получится совсем другой усилитель. Изменения всё равно предполагаются (неродные выходные трансформаторы, в частности), может, поделитесь изначальной задумкой результирующего продукта (без наших "пессимизмов" :) )? Причина сборки именно этой конструкции, источник схемы и BOM, дальнейшее применение?
Последний раз редактировалось Алаев Ян 19 авг 2014, 23:10, всего редактировалось 1 раз.
Причина: Общее редактирование
Владислав

Аватара пользователя
Сергей Титов

#3

Сообщение Сергей Титов » 19 авг 2014, 17:35

Вот схема и фото малышевского транса.
Законченная плата КТ-88(18.04.2011).spl 111.jpg
100_6886.jpg

Аватара пользователя
Сергей Титов

#4

Сообщение Сергей Титов » 19 авг 2014, 23:13

Новенькое шасси с коммутацией имеется, решили воссоздать сей аппарат, трансы купили, но смущает излишняя навороченность схемы, аппарат делается для себя, для дома. Схем на КТ88 много, можно и схитрить, взять другую схему, с меньшим количеством ламп, неиспользуемые подключить к накалу и пусть себе светятся, для винтажности. Радиотехнического образования нет, что-бы самостоятельно пересчитать каскады или изменить их. Нужна-ли куча индуктивностей в обвязке вых.ламп? Раньше нигде такого не видел.
Последний раз редактировалось Алаев Ян 19 авг 2014, 23:13, всего редактировалось 1 раз.
Причина: Общее редактирование

Аватара пользователя
poty
Профи
Профи
Сообщения: 5024
Зарегистрирован: 24 мар 2014, 10:00
Откуда: Россия, Москва
Благодарил (а): 189 раз
Поблагодарили: 648 раз
Контактная информация:

#5

Сообщение poty » 19 авг 2014, 23:50

Сергей, я боюсь, что повторить оригинальную схему с этим трансформатором не получится. Схема, которая приведена в предпоследнем посте практически антипод макинтошевской. Навороченность оригинальной схемы обусловлена профессиональным применением с обеспечением соответствующих выходов (в частности, 600 омного). Выходной трансформатор многообмоточный, обеспечивает общую отрицательную обратную связь от отдельной обмотки, локальную ООС на экранирующую сетку, линеаризирующую ООС в катоды ламп выходного каскада (т.е., здесь включение не ультралинейное, как в случае трансформаторов Малышева), судя по всему - ещё и какую то обратную связь на драйверный каскад... В этом случае, индуктивности L1-L4 могут служить компенсаторами нагрузки (для правильной работы обратных связей) и быть обязательной частью схемы. Точнее скажу позже, сейчас в пути, взглянул только мельком.
Что касается переделки этой схемы в какую то другую: исходя из входов, я так понимаю, речь идёт о усилителе мощности (т.е. без предварительного усиления). Количество ламп позволяет создать отличный балансный вариант, но всё зависит от типов входов, которые есть на существующем шасси и тем, что есть ещё в системе, где он будет участвовать.
Владислав

Аватара пользователя
Сергей Титов

#6

Сообщение Сергей Титов » 22 авг 2014, 00:33

Регуляторы громкости поставили на 100к. Вопрос такой:как правильно избавиться от индуктивности в катодах вых. ламп?
Последний раз редактировалось Алаев Ян 22 авг 2014, 00:33, всего редактировалось 1 раз.
Причина: Общее редактирование

Аватара пользователя
Сергей Титов

#7

Сообщение Сергей Титов » 22 авг 2014, 10:00

Понял. 4 резистора по 18к выбрасываем, ставим 2 подстроечника по 47к для подстройки по -57в. Правильно?
Последний раз редактировалось Алаев Ян 22 авг 2014, 14:17, всего редактировалось 1 раз.
Причина: Общее редактирование

Аватара пользователя
poty
Профи
Профи
Сообщения: 5024
Зарегистрирован: 24 мар 2014, 10:00
Откуда: Россия, Москва
Благодарил (а): 189 раз
Поблагодарили: 648 раз
Контактная информация:

#8

Сообщение poty » 22 авг 2014, 11:48

Друзья, я сейчас в отпуске, нестационарен, поэтому адекватно оценить схему не представляется возможным.
Мне не очень нравится это шапкозакидательство по отношению к промышленно-выпускаемой схеме. Не скрою, применение единого трансформатора для трех каскадов вызывает у меня неоднозначные реакции, но включение выходного трансформатора в катоды ламп мне знакомо. Смысл вот в чём. В обычной ультралинейной схеме полная обмотка выходного трансформатора используется для анодного включения, по этом на этой обмотке получается инвертированный сигнал. Часть этой обмотки (ультралинейный отвод) питает экранирующую сетку, создавая своеобразную ООС. Получаем каскад с усилением как по напряжению, так и по току.
В данной схеме, часть анодной обмотки, не участвующая в создании сеточной ООС перенесена в катод. Получается катодный повторитель с единичным усилением по напряжению и с низким выходным сопротивлением (хорошим коэффициентом демпфирования). Так как катодный повторитель неинвертирующий, то для создания отрицательной обратной связи обмотки, питающие вторую сетку, на которые подается инвертированный сигнал, необходимо включать в противофазе. Анод в данной схеме соединен напрямую с второй сеткой (триодное включение). Я как раз и видел такую схему для триодов. У них нет второй сетки и единственный способ подать ООС - в катод. Индуктивности, которые стоят между анодом и сеткой - для предотвращения создания положительной ОС через паразитные емкости. Это своего рода "антизвонный" фильтр.
Это не объясняет ещё пару обмоток. Думаю, здесь не всё так просто.
Если делать с трансформаторами Малышева, то схема требует значительной переделки, предпочтительно, к "родному" для них ультралинейному варианту не с триодным включением.
Владислав

Аватара пользователя
poty
Профи
Профи
Сообщения: 5024
Зарегистрирован: 24 мар 2014, 10:00
Откуда: Россия, Москва
Благодарил (а): 189 раз
Поблагодарили: 648 раз
Контактная информация:

#9

Сообщение poty » 25 авг 2014, 17:25

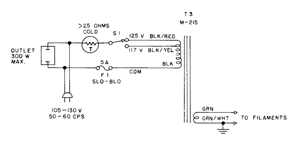
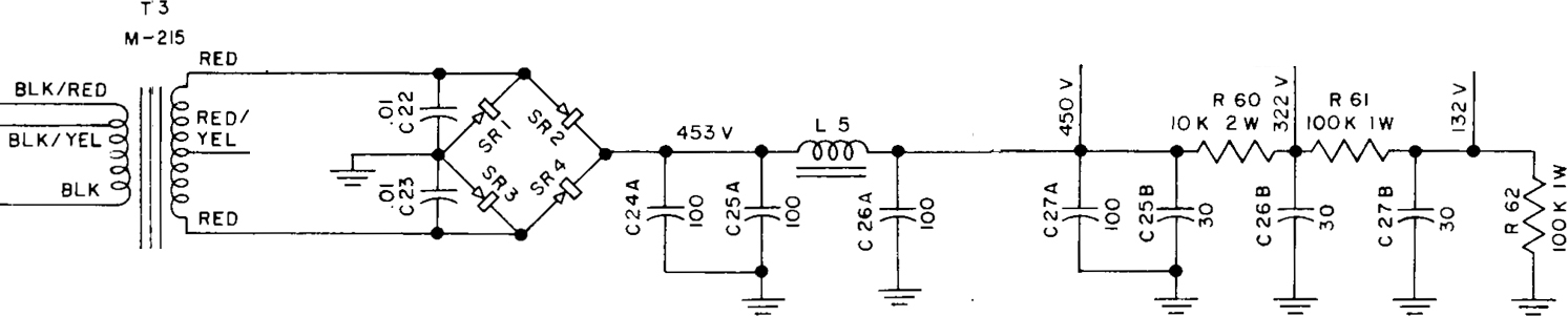
Я, наконец, надолго в Москве и могу немножко прояснить картину. Думаю, стоит начать с простейших вещей, как то - блока питания. Он обеспечивает несколько напряжений, в частности - переменное напряжение накала:
Накал.jpg
напряжения отрицательных смещений:
Смещение.jpg
анодные напряжения для предварительного усиления:
Анодные.jpg
анодные напряжения для выходного каскада:
Анодное выходного каскада.jpg
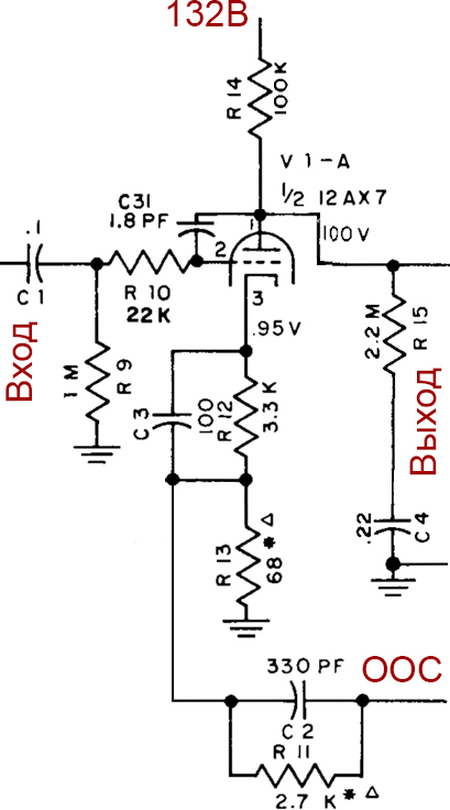
Первый каскад, если его немножко перерисовать, абсолютно старый добрый каскад усиления с общим катодом:
1 каскад - усилитель уровня.jpg
Единственное отличие - разделительный конденсатор (С4) стоит не в анодной цепи, а в цепи земли. Это позволяет использовать номинальное анодное напряжение первого каскада в качестве напряжения смещения для следующего каскада - фазоинвертора. Обычный способ введения ООС - в часть автосмещения катода. Смещение берётся от отдельной обмотки выходного трансформатора. С31-R9-R10 вместе с ёмкостями лампы образуют фильтр, убирающий СВЧ. Думаю, в реальной схеме его нет, он образуется ёмкостями монтажа.
Фазоинвертор:
2 каскад - фазоинвертор.jpg
тоже является очень распространённой схемой со связью через катод. C5 - выравнивает импедансы "видимые" сетками, C4 - заземляет по переменному току сетку "ведомой" лампы, R17-R18 - нагрузки противофазных усилителей, в связи с тем, что существуют потери при передаче сигнала, они разные, большее значение - в аноде ведомой лампы означает большее усиление этой половинки. Чтобы компенсировать разный выходной импеданс половинок применён C29. Думаю, он тоже подбирается по месту. R15 - распределяет DC между сетками (смещение от предыдущего каскада) и является одновременно сеточным резистором утечки. R19-R21 и R20-R22 - делители, формируют смещение для драйверного каскада. R19 и R20 в передаче сигнала не участвуют, так как зашунтированы конденсаторами C6 и C7, имеющими значительно меньшее сопротивление для AC.
Принцип фазоинвертирования прост. Сигнал, подающийся на сетку верхней лампы, в противофазе появляется в анодной цепи (за счёт R17) и в фазе - в катодной (на R16). Однако, R16 является катодным резистором для нижней лампы у которой, в отличие от верхней лампы, потенциал сетки по переменному току равен нулю. Т.о., если между сеткой и катодом верхней лампы = переменное напряжение сигнала минус переменное напряжение на R16, то сетка катод нижней лампы получает ноль минус переменное напряжение на R16, то есть - инвертированное напряжение сигнала. Соответственно, в анодной цепи нижней лампы получается неинвертированное напряжение сигнала. Проблема в том, что часть усиления верхней лампы "расходуется" на R17 (и на выходной сигнал). Кроме того, изменение тока через нижнюю лампу приводит к уменьшению напряжения сигнала, выделяемого на R16 (за счёт ООС). Все эти факторы приводят к неидеальной симметричности распределения сигнала между верхней и нижней лампой, для чего и делаются различные корректировки (как то - разные величины R17 и R18).
Самая сложная часть - выходной каскад. Он представляет собой так называемый Unity coupled output amplifier и довольно сносно описан здесь. Однако, в обсуждаемой схеме высокая амплитуда драйвера создаётся за счёт разностного усиления двумя каскадами на V3 и V4, а не трансформатором, как в оригинальной задумке. Т.о., для создания такого выходного каскада потребуется специальный трансформатор с бифилярными (трифилярными) обмотками, а не обычный ультралинейный, предлагаемый Малышевым.

Я так думаю, от меня ждут здесь ещё некоторых рекомендаций. Исходя из вышеописанного анализа, повторение данной схемы потребует либо оригинального выходного трансформатора, либо значительного пересчёта схемы под изготовленный кем-то трансформатор. Сразу скажу, я за такое не возьмусь, слишком это получается ненадёжно. Можно попробовать изготовить что-то похожее на оригинальный выходной трансформатор, в надежде, что всё заработает, но это не так просто. Бифилярная намотка принесёт проблему пробоя изоляции между соседними проводами в витке, которую крайне тяжело решить, кроме того, скорее всего, достоверных данных по конструкции выходного трансформатора оригинального аппарата найти будет нереально.
Я так думаю, что целесообразнее будет сделать собственную схему на примерно тех же лампах. Кроме очевидной работоспособности, такой вариант также позволит перейти к современной схемотехнике и уйти в чистый класс А (к сожалению, за счёт потери мощности). На КТ-88 в ультралинейном включении и источнике тока "в хвосте" реально получить 25 Вт довольно чистого сигнала. Драйвер можно выполнить по каскодной балансной схеме (это ещё два двойных триода), либо на SRPP, либо на каскаде с источником тока в аноде... Входную лампу, которая остаётся незадействованной, можно использовать либо как часть источника тока, либо оставить её для усиления слабых сигналов (т.е., превратить усилитель в полный).
Каким путём пойти - решать Вам.

Кстати, поиск по Unity coupled output amplifier даёт несколько общедоступных схем такой топологии. В частности: http://www.jogis-roehrenbude.de/Leserbr ... mp/Amp.htm
Владислав

Аватара пользователя
poty
Профи
Профи
Сообщения: 5024
Зарегистрирован: 24 мар 2014, 10:00
Откуда: Россия, Москва
Благодарил (а): 189 раз
Поблагодарили: 648 раз
Контактная информация:

#10

Сообщение poty » 27 авг 2014, 12:52

poty писал(а):поделитесь изначальной задумкой результирующего продукта (без наших "пессимизмов" )?
Сергей Титов писал(а):Вот схема и фото малышевского транса.
Считаю, что я незаслуженно обошёл вниманием эту часть нашего разговора. Я считаю трансформаторы Малышева как минимум вызывающими доверия, поскольку они применяются уже во многих конструкциях и повторениях его "китовой" схемы. Его подход мне понятен с технической и технологической точек зрения, трансформаторы являются завершённым изделием (в отличие от множества самодельных конструкций, грешащих тем, что постоянно нужно додумывать, как оконцевать выводы или закрепить "изделие" на шасси), существует возможность модификации "под себя", разговор не сбивается постоянно на аудиофильские придумки. Короче говоря, его трансформаторы я планирую применять в своих системах.
Что касается усилителя. Я читал много отзывов по "китовому" усилителю Малышева, все они очень хорошие. Надо понимать, что его схему повторяют приверженцы пуш-пула и больших мощностей, поэтому они получают как раз то, что ожидают. Сама по себе схема - традиционная (если посмотреть на первый каскад, то мы увидим даже фазоинвертор, аналогичный макинтошевскому :) ). В этом ничего плохого нет, но результат будет тоже традиционным. У таких схем есть развитие, новые подходы, интересные решения присущих им проблем. Имея на шасси места под дополнительные лампы есть возможность хотя бы попробовать эти новые направления, создать что-то оригинальное, своё. В-общем, есть над чем подумать! :) Версии и варианты можно обсуждать, если интересно.
Владислав

Аватара пользователя
Сергей Титов

#11

Сообщение Сергей Титов » 27 авг 2014, 15:52

Все верно, мои мысли в ту же сторону. А вот такой вариант привязки вых. транса имеет право на жизнь?
P1010284.JPG
Последний раз редактировалось Алаев Ян 04 июл 2017, 11:44, всего редактировалось 2 раза.
Причина: Общее редактирование

Аватара пользователя
poty
Профи
Профи
Сообщения: 5024
Зарегистрирован: 24 мар 2014, 10:00
Откуда: Россия, Москва
Благодарил (а): 189 раз
Поблагодарили: 648 раз
Контактная информация:

#12

Сообщение poty » 27 авг 2014, 18:57

По выходному каскаду (который практически скопирован с Малышевского) у меня лично претензий нет. Вопрос к драйверному каскаду. Ультралинейное включение KT88 при токе 90мА на плечо приведёт примерно к 40В смещения. Драйверный каскад должен будет "отдать" примерно 70В пик-пик или ~25В RMS. Не скажу, что это какие-то гигантские цифры, но сможет ли это обеспечить с хорошей линейностью каскад на 12BH7 - вопрос? Можно попробовать посчитать (займусь как-нибудь). Но я понимаю, что Вы хотите сохранить как можно больше от оригинального усилителя. Попробовать можно. Я бы только, раз уж приходим к балансной схеме, сделал выходной каскад по принципу вот этого усилителя. И всё равно остаётся вопрос расчёта каскада на V3 (и пустая позиция V4).
Если "курочить" схему по максимуму, то я бы пожертвовал V1 (а может и оставил бы как она сейчас стоит), а драйвер сделал бы, например, как в PP-1C Power Amp(в самом низу). Выходной каскад, как в первой ссылке. Применил бы качественный источник тока в катоде (и там, и там). Думаю - получилось бы очень хорошо.
Второй вариант - оставаться на "одноэтажных конструкциях". Тогда драйверную часть вместе с фазоинвертором можно позаимствовать отсюда (то, что на V2). Как видим, "достаточно одной таблэтки" (то бишь - каскада). На V2, V3 можно было бы собрать отличный предварительный усилитель (несколько входов на шасси имеется). Выбор - крайне широкий: SRPP, каскод (FVP, RTP...), white cathode follower и т.д., и т.п.
Третий вариант - полностью повторить готовую схему (схемы).
И это не исчерпывающий набор опций!
Что будем обсуждать? :)
Владислав

Аватара пользователя
Сергей Титов

#13

Сообщение Сергей Титов » 27 авг 2014, 21:11

Мне больше понравился вых. каскад на LM. Мысли такие: входной каскад от макинтоша, пустая позиция на V4 остается пустой (лампа будет на месте с подключенным накалом, муляж) остается рассчитать каскад на V3 и связать все в красиво звучащую кучку. Эх,говорила мама в детстве, учись, сынок!
Последний раз редактировалось Алаев Ян 28 авг 2014, 01:06, всего редактировалось 1 раз.
Причина: Общее редактирование

Аватара пользователя
poty
Профи
Профи
Сообщения: 5024
Зарегистрирован: 24 мар 2014, 10:00
Откуда: Россия, Москва
Благодарил (а): 189 раз
Поблагодарили: 648 раз
Контактная информация:

#14

Сообщение poty » 27 авг 2014, 23:02

Ок! Вызов принят! :) Сергей, не обещаю, что быстро, но попробую просчитать возможности каскада на V3. Может, и для V4 место найдется. Тем временем, те, у кого есть такая возможность сделать побыстрее - не оставьте человека в беде.
Второе замечание. Расчеты расчетами, а оценить нелинейные искажения я расчетами не смогу. Т.е., в перспективе - сборка и тестирование.
Владислав

Аватара пользователя
Сергей Титов

#15

Сообщение Сергей Титов » 28 авг 2014, 08:58

Спасибо, ждем-с....
Последний раз редактировалось Алаев Ян 28 авг 2014, 08:58, всего редактировалось 1 раз.
Причина: Общее редактирование

Аватара пользователя
poty
Профи
Профи
Сообщения: 5024
Зарегистрирован: 24 мар 2014, 10:00
Откуда: Россия, Москва
Благодарил (а): 189 раз
Поблагодарили: 648 раз
Контактная информация:

#16

Сообщение poty » 31 авг 2014, 13:03

Итак! Расчёт при сохранении режима работы каскада, указанного на схеме.
Фактически имеем следующий каскад:
Схема каскада.jpg
Простейшие вычисления из закона Ома:
1. Ток через R23: Ir23=40/2,7=14,8мА. Этот ток распределяется на 2 каскада (верхний и нижний) равномерно. Т.о., ток каждого каскада Ia=7,4мА.
2. Напряжение питания=450В, напряжение на аноде=365В, ток через R24 = Ia. Т.о. R24=(450-365)/Ia = 11,5к. Это - Ra.
3. Напряжение сетка-катод Ugk=22-40=-18В
Теперь рассмотрим анодные характеристики:

12BH7A-ge
Определение параметров лампы.jpg
Нарисуем примерную характеристику -18В. Определим рабочую точку (например, на пересечении с уровнем анодного тока). Теперь определим основные параметры лампы:
1. мю=dUa/dUg (при Ia=const) =32,5В/2В=16,25
2. ra=dUa/dIa (при Ug=const) = 32,5В/4мА=8,1кОм
3. gm=dIa/dUg (при Ua=const) = 4мА/2В=2мА/В
Максимальное изменение тока не может превышать 7,4мА, поскольку лампа не может работать в обратном токе. Зная параметры лампы, можно рассчитать, какое изменение напряжения на сетке вызовет такое изменение тока:
dUg=dIa/gm=7,4мА/2мА/В=3,7В
Это напряжение не превышает напряжения смещения (Ugk), поэтому изменения в положительную сторону также не превысят нормальных значений (должно быть меньше 0).
Усиление каскада определяется формулой:
A=-мю*(Ra||Rн)/((Ra||Rн)+ra)
Параллельное сопротивление резисторов Ra||Rн определяется формулой:
Ra||Rн=Ra*Rн/(Ra+Rн)=11,5*220/(11,5+220)=10,9кОм
Амплитуда выходного напряжения:
Uвых=dUg*A=-3,7В * 16,25 * 10,9кОм / (10,9кОм + 8,1кОм) = -34,5В
К несчастью, как минимум 10% нужно оставить на разброс параметров и 10% - на уменьшение нелинейных искажений от нелинейных эффектов. Таким образом, выходная амплитуда будет примерно 34,5В - 20% = 27,6В.
Второй раз к несчастью - нам нужна амплитуда 35В, а лучше - 40В. Значит, в тех параметрах, что есть, данный каскад использовать невозможно.
Это не приговор. Можно изменить параметры каскада. Для увеличения выходной амплитуды можно увеличить сопротивление Ra. Это приведёт к уменьшению напряжения Ua. Для исключения нелинейностей (возможно!) придётся увеличить ток через лампу.
Второй путь состоит в применении V4 в режиме источника тока. Так называемое "активное" сопротивление в цепи анода позволит сохранить Ua и значительно увеличить усиление. Но об этом - завтра.
Допишу сегодня...
Анодный ток имеет ограничения:
- с нижней стороны он не может быть меньше нуля (этот факт мы использовали для определения максимальной амплитуды тока на выходе);
- с верхней стороны он ограничен наименьшим из трёх событий: 1) максимальным током катода применяемой лампы; 2) максимальным током, способным протекать по цепи при заданном анодном напряжении; 3) нежелательностью ухода потенциала сетка-катод в положительную область (т.е., должно выполняться условие Ugk<0).
Максимальный ток катода для выбранной лампы (DC Cathode Current) равен 20мА. Т.о., при максимальном токе (при изменении тока в положительную сторону таком же, как в отрицательную - 7,4мА) 14,8мА мы укладываемся в эту норму.
Максимальный ток, который может протекать по цепи определяется из простейшего закона Ома. Анодное напряжение у нас - 450В. В цепи последовательно стоят резисторы 2,7к (катодный), ra лампы (8,1к), анодный резистор R24 (11,5к). Таким образом, максимальный ток через эту связку будет 450/(2,7+8,1+11,5)=20,1мА, что снова больше 14,8мА.
Как мы уже выяснили ранее, изменение анодного тока на 7,4мА вызывается изменением потенциала сетка-катод на 3,7В. Наш потенциал Ugk=-18В. Т.о., -18В+3,7В=-14,3В <0, т.е., выполняется и это условие.
Иногда указывается ограничение по максимальной мгновенной мощности рассеяния на аноде, для этой лампы таких ограничений нет, поэтому проверять не будем.
Напряжение на аноде также имеет ограничения. В частности, постоянное напряжение на аноде (DC Plate Voltage) для усилителя класса А не должно превышать 300В. Как мы видим, в нашей схеме это не соблюдается. Связано это с тем, что переделываемый усилитель работает в классе B, а мы пытаемся заставить работать его в классе A. Это ещё одна причина (помимо недостаточного размаха выходного напряжения) для полного пересчёта параметров каскада.
Последние ограничения - мощность, рассеиваемая на аноде (Plate Dissipation), в данном случае равная 3,5Вт. Она рассчитывается как
P=Ua*Ia=325*7,4=2405мВт=2,4Вт - укладываемся.
Бывают ещё ограничения на максимальное отрицательное напряжение сетка-катод; очень важным ограничением в схемах с многоэтажным размещением ламп (не наш случай пока) является напряжение катод-накал; также необходимо ограничивать рост сопротивления утечки в цепи сетки (в нашем случае - R21) - предел указывается в параметре Grid Circuit Resistance в данном случае. Наше сопротивление 220к вписывается в предел 250к, указанный при фиксированном смещении (With Fixed Bias).
Последний раз редактировалось Алаев Ян 20 окт 2017, 15:13, всего редактировалось 3 раза.
Причина: Общее редактирование
Владислав

Аватара пользователя
poty
Профи
Профи
Сообщения: 5024
Зарегистрирован: 24 мар 2014, 10:00
Откуда: Россия, Москва
Благодарил (а): 189 раз
Поблагодарили: 648 раз
Контактная информация:

#17

Сообщение poty » 11 сен 2014, 17:17

Как говорится - и снова здравствуйте! Прошу прощения за долгое молчание, однако не всё зависит от нас, грешных... Заранее извиняйте за длинное сообщение.
Чтобы не быть навязчивым, я рассмотрю некоторые варианты построения драйверного каскада, чтобы выбор был за дизайнером конкретного усилителя. Сразу оговорюсь, что я действовал в рамках заданных ограничений (анодное напряжение 450В, ток - не больше 16мА на каскад, лампа 12BH7, дополнительная лампа, если есть, вставляется в позицию V4 и представляет собой двойной триод, амплитуда выходного напряжения должна составлять не менее 40В (+/-0,5В) на одно плечо, 80В (+/-1В) на оба), конструкции опробовались в симуляторе, оптимизация параметров применялась только начальная. Т.о., я не могу гарантировать, что это наилучшие выбранные параметры, наилучшие выбранные активные компоненты и что в результате мы получим каскад с показанными КНИ. С другой стороны, имея сравнительные характеристики каскадов, остановившись на чём-то одном, можно реально доработать схему или подобрать детали по месту.
Общие замечания. Номиналы всех пассивных деталей входных и выходных цепей взяты из оригинальной схемы. Я позволил себе лишь увеличить выходные конденсаторы с 0,22мкФ до 0,33мкФ, поскольку нагрузкой для каскадов будет являться не резистор 1М, как по схеме, а резистор 220к, что является максимальным значением для сеточных резисторов применяемых в выходном каскаде мощных ламп. В реальности, просто необходимо увеличить входные конденсаторы хотя бы до 0,33мкФ, а выходные - примерно до 0,47 - 1 мкФ. Как правило, на эпюрах напряжений в левой верхней части вставленных рисунков отражены напряжения сетка-катод (чтобы быть уверенными, что они не выходят в положительную область), ток анода (на одном из анодных сопротивлений - чтобы исключить клиппирование и выход тока за пределы максимально допустимого), выходное напряжение. В левом нижнем углу показано быстрое преобразование Фурье, для оценки чистоты спектра. КНИ я определял по доминирующей гармонике, однако, нужно смотреть и на амплитуду других сравнимых гармоник, чтобы однозначно определить выигрышную с точки зрения нелинейных искажений конфигурацию. Также нужно учитывать, что выходной каскад на лампах, при максимальной выходной мощности, будет иметь КНИ в единицы процентов, поэтому, хоть показатели КНИ драйверного каскада всё равно важны, к ним стоит подходить критически.
Итак, в предыдущем случае мы столкнулись с двумя проблемами - недостаточной амплитудой выходного сигнала и превышением напряжения анод-катод для применяемой лампы. Самым очевидным выходом из этой ситуации является резкое увеличение анодного резистора R24(R27) с соответствующей корректировкой режима каскада.
Resistive.jpg
Первый вариант драйверного каскада
Как видно из эпюр напряжений слева вверху, сеточные напряжения не уходят в положительную область, амплитуда на выходе подросла, клиппирования тока нет, доминирующая гармоника (3-я) находится на уровне -56,5дБ (0,15%). Ток через каждую лампу составляет около 5,5мА, напряжение на аноде - 258В, на катоде - 33В, т.о., анодное напряжение также остаётся в норме (<300В), мощность рассеивания - не более 1,3Вт (<3,5Вт максимальной). Для нашего выходного напряжения нужно подать 6,5В входного (амплитудного!). Каскад "одноэтажный", к защите потенциала накала относительно катода никаких действий предпринимать не нужно.
В связи с тем, что мы вернулись к классике, стоит подумать и о некотором упрощении схемы. Я не вижу смысла во внешнем смещении, поэтому соответствующие цепи из рассмотрения убираем. Получаем
Resistive-1.jpg
Упрощение схемы драйверного каскада
Анализ показывает, что мы не потеряли в КНИ (около -57дБ, 0,14% по третьей гармонике), ток через каждую лампу - 5,3мА, напряжение на аноде - 263В, на катоде - 13В, рассеяние - не более 1,4Вт. Входное напряжение - 6,7В.
Казалось бы - цель достигнута! Но у нас имеется ещё одна лампа, которую неплохо бы использовать, раз планируется её в принципе туда воткнуть. Давайте посмотрим на некоторые двухламповые конструкции, сможем ли мы с их помощью что-то улучшить?
Первое, что мы рассмотрим - SRPP. Персонально я отношусь к этому каскаду с пиететом, однако знаю его отрицательные стороны. Также есть мнения, что его "невыгодно" применять в балансных усилителях (а именно такой мы и строим), поскольку сам по себе этот каскад является пуш-пульным, что подразумевает двухтактность в однотактном включении. Что получается у нас:
SRPP.jpg
Балансный SRPP
Сеточные напряжения в норме, клиппирования тока нет, выходная амплитуда нас устраивает. Доминирующая гармоника - 7-ая - -64,4дБ (0,06%), однако рядом есть сравнимые по величине гармоники низших порядков (3-я и 5-я), что не так хорошо. Стоит отметить, что небольшое изменение тока позволяет добиться амплитуды доминирующей гармоники на уровне -70дБ, но порядок резко возрастает. Ток через каждое плечо - 4,5мА. Напряжение на аноде верхней лампы 450В, на катоде 236В (214В < 300В), мощность рассеяния - 1Вт (<3Вт); на нижней лампе, соответственно, 225В-11В=214В (<300В), мощность та же. Входное напряжение - 6,5В. Хорошие результаты при минимальном усложнении. Но! Здесь возникает пресловутое предельное напряжение, которое будет над нами довлеть на протяжении рассмотрения всех "двухэтажных" схем. Предельное постоянное напряжение катод-накал, если на накале потенциал более положительный, чем на катоде - 100В, переменное - 200В. Если накал отрицателен по отношению к катоду, предельное напряжение (постоянное или переменное) не должно превышать 200В.
Как мы видим, на катоде нижней лампы напряжение 11В, по оригинальной схеме усилителя накал заземлён (напряжение =0). Для нижней лампы никаких проблем пока не наблюдается. А вот на катоде верхней лампы - 236В, что превышает допустимые 200В. Для того, чтобы исключить пробой, нам нужно "оторвать" накал от земли и подать на него простейшим делителем напряжения, например, +100В. Т.о., для нижней лампы накал окажется более положительным (это улучшит также показатели шумов), напряжение накал-катод будет 89В постоянного и до 130В переменного тока. Оба параметра - в норме. Для верхней лампы это будет -136В постоянного тока и до - 176В переменного. Тоже всё в норме.
SRPP - это значительный отход от первоначальной модели простейшего каскада с общим катодом. Давайте рассмотрим вот такой каскад:
CCS-ed.jpg
Каскад с источником тока в нагрузке
Это тот же самый каскад усиления с общим катодом, но вместо анодного сопротивления включен источник тока на лампе. Мне нравится лампа ECC88, поэтому я привёл каскад с её применением, однако, можно использовать и другую лампу.
Что имеем: сеточные напряжения - в норме, клиппирования тока нет, выходная амплитуда имеет нужное значение. Доминирующая гармоника - третья, на уровне -59,2дБ (0,11%), остальные гармоники быстро убывают. Ток через каждое плечо - 5мА. Напряжение на аноде верхней лампы - 450В, на катоде - 355В (=95В < предельного 130В для этой лампы), мощность рассеяния - 0,5Вт (<1,8Вт предельной для этой лампы). Для нижней лампы, соответственно, 200В-9В=191В (<300В), мощность 1Вт (<3,5Вт). Входное напряжение - 6,6В.
И снова - проблема с накалом. Для ECC88 предельные напряжения составляют 50В, если потенциал накала выше потенциала катода, и 150В, при других параметрах. Разность между катодами нижней и верхней лампы составляет 355-9=346В (напряжение между катодами изменяется незначительно), поэтому (150В для ECC88 + 100В для 12BH7=250В) невозможно подобрать смещение для общего накала и придётся запитывать накалы ECC88 от отдельной обмотки/блока питания с соответствующим "подъёмом".
Ещё раз сильно отойдём от обычного каскада и рассмотрим интересную двухэтажную схему - каскод. Я надеюсь, что Вы остановитесь именно на ней, потому что с ней возможны значительные трансформации в сторону улучшения характеристик (об этом - в конце):
Cascode.jpg
Каскод
Снова все эпюры сеточных напряжений, анодных токов и выходного напряжения в норме. Доминирующая третья гармоника на уровне -55,8дБ (0,16%), остальные гармоники образуют достаточно высокий "след" вплоть до 13 гармоники, что показывает, что на полной громкости искажения будут приближаться к 1% (с такими значениями деталей). Ток в рабочей точке = 5,1мА. Верхняя лампа: 193-94=99В @ 0,5Вт. Нижняя лампа - 94-3=91В @ 0,5Вт. Для достижения необходимого выходного напряжения нужно всего 2,2В входного напряжения (стоит подумать о необходимости всех предыдущих каскадов :) ). О защите накал-катод можно не беспокоиться, хотя я бы поднял уровень накальных цепей хотя бы до 50-70В.
Теперь об улучшениях. Я специально не стал приводить схемы с улучшениями, поскольку они выглядели бы сложными и труднопонимаемыми.
Во всех случаях можно заменить катодные резисторы (если они общие) или провод, соединяющий катодные резисторы с землёй, на источник тока. Такие малые токи и напряжения вполне по силам JFET-ам, Depleted mode MOSFET-ам, биполярам и даже интегрированным источникам тока. В отдельных случаях придётся сформировать отрицательное напряжение (примерно минус 10-15В), но в оригинальной схеме это уже проделано, так что проблем в этом не вижу.
Следующее улучшение - замена ламп. Здесь, уверен, у каждого найдутся свои любимчики или можно найти аналоги вышеприведённых каскадов в известнейших усилителях и воспользоваться ими напрямую, без всякой переделки.
Можно (и нужно) поиграть со значениями пассивных элементов и питающих напряжений, уверен, что приведённые выше значения - лишь первое приближение к идеалу.
В-общем - дерзайте!
Последний раз редактировалось Алаев Ян 10 ноя 2014, 10:39, всего редактировалось 1 раз.
Причина: Общее редактирование
За это сообщение автора poty поблагодарил:
Алаев Ян
Рейтинг: 16.7%
 
Владислав

Аватара пользователя
Сергей Титов

#18

Сообщение Сергей Титов » 14 окт 2014, 21:00

Доброе время суток всем форумчанам! Проект Макинтош 275 благополучно завершен. Усилитель собран по родной схеме с использованием малышевских выходных трансов. Из схемы были удалены все индуктивности, в катоды вых. ламп поставлены резисторы 10 ом, все остальное точно по схеме. Все прекрасно заработало, звук радует. В акустике полная тишина (да, емкости в анодном увеличены до 10000мкф) и накалы через резисторы на землю. Всем спасибо за советы и консультации, удачи в творчестве.
Последний раз редактировалось Алаев Ян 10 ноя 2014, 10:43, всего редактировалось 1 раз.
Причина: Общее редактирование

Аватара пользователя
poty
Профи
Профи
Сообщения: 5024
Зарегистрирован: 24 мар 2014, 10:00
Откуда: Россия, Москва
Благодарил (а): 189 раз
Поблагодарили: 648 раз
Контактная информация:

#19

Сообщение poty » 15 окт 2014, 10:59

Сергей, не могли бы Вы выложить получившуюся схему? На схеме далеко не все индуктивности являются собственно индуктивностями, как уже говорилось. И просто так их выкинуть вряд ли получилось бы. Вот и хотелось бы посмотреть, по какой, собственно, схеме в результате оказался собран усилитель?
Владислав

Аватара пользователя
Сергей Титов

#20

Сообщение Сергей Титов » 28 ноя 2014, 10:51

Обещанные фото прилагаю. Сканер погиб, поэтому схема через фотоаппарат. Вместо всех индуктивностей стоят перемычки. Теоретически может что-то и неправильно, но на звук-это что-то!
P1010321.JPG
P1010320.JPG
image-2.jpg
image.jpg
image-1.jpg
image-3.jpg
Последний раз редактировалось Алаев Ян 04 июл 2017, 11:48, всего редактировалось 3 раза.

Закрыто

Кто сейчас на конференции

Сейчас этот форум просматривают: нет зарегистрированных пользователей и 1 гость