Спасибо, Владислав. Развеяли непонятки.Т.е. мы просто защищаемся от внешней ЭМП. Расширение диаграммы направленности от диаметра штыревой антенны - это для меня абсолютно ясно.
ОК, стало действительно легче


Ещё как нужно.

Я правильно понял? ... переместить выводы на край платы наверное будет затруднительно, если только размер платы увеличивать и компоновать как то по другому. ...но ещё не вечер

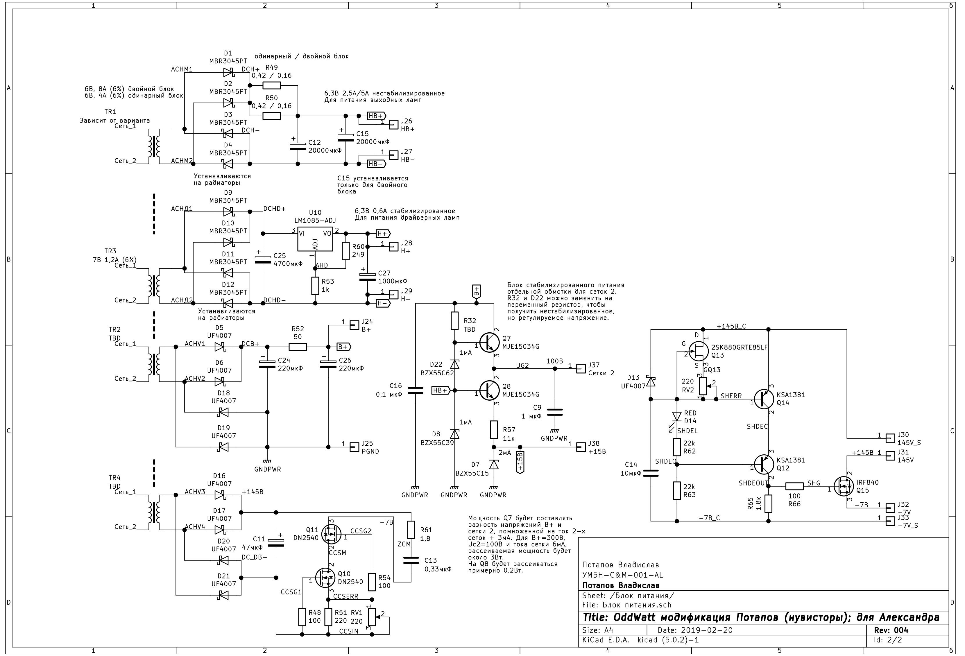
Это реализация дистанционного измерения напряжения. По линиям, которые обозначены как S (sense), протекает постоянный ток, определяемый источником тока на Q13. Этот ток не зависит от нагрузки и напряжения, поэтому на проводах, соединяющих блок питания и нагрузку всегда остаётся постоянное напряжение. Т.о., мы можем точно контролировать реальное напряжение в нагрузке и компенсировать потери в основных проводах, питающих эту нагрузку. При моделировании чётко видно, что даже если эти провода имеют сопротивление по 0,5 Ом, импеданс источника напряжения при таком подключении остаётся в районе 0,05Ом. И этот импеданс линеен на всём аудиоинтервале без всяких конденсаторов на выходе.
Разумеется. Просто найти оригинальные 117-ые стало сложновато, поэтому я предложил такую замену (вернее - подсмотрел её в основной ветке обсуждения этого регулятора). Нужны 2SK117GR.

Нет, просто поставить платы рядом или "пирогом", длина проводов между ними будет небольшой, точкой подачи питания будет середина соединяющих две платы проводов.

+
Новая схема R56 ... что это? что обозначено (зелёная черта)


... я не отступаю от "мечты" применить трансформатор с раздельной "UL" обмоткой.poty писал(а): ↑09 дек 2018, 12:38- напряжение на второй сетке не может превышать 200В, вторая сетка и анод в типичном UL питаются от одного напряжения (можно питать от разных - не достать трансформатор, к сожалению, с раздельными анодными и экранирующими обмотками), т.о., анод-катод не может быть выше 200В-10% = 180В; думаю, стоит остановиться на 170В;...



Откуда базовое для расчета число 13,5 получилось? Как максимальная мощность по паспорту 15 Вт минус 10% запаса (теперь уже по мощности)? Т.е. мы здесь задаём максимально допустимое для себя значение Pa?
Сочувствие с моей стороны, поэтому полное понимание и ... постараюсь не дергать впустую.
Думаю, вряд ли это улучшит звук, скорее навредит. Все-таки лишние нелинейности стабилизатора, каким бы хорошим он не был... По-моему, так лучше по 220 релейный стабилизатор.

Алексей, может быть и да...
Сейчас этот форум просматривают: нет зарегистрированных пользователей и 7 гостей