Для активации новой учетной записи и ее подтверждения на Форуме - необходимо связаться с администратором по электронной почте p-i-n-o-k-i-o@mail.ru.
Все новые учетные записи не прошедшие подтверждения администратором воспринимаются как спам.

Модернизированный OddWatt на нувисторах

Аватара пользователя
rad54
Форумщик
Форумщик
Сообщения: 451
Зарегистрирован: 20 мар 2018, 13:37
Откуда: Новосибирск, Россия
Благодарил (а): 89 раз
Поблагодарили: 119 раз
Контактная информация:

#81

Сообщение rad54 » 14 дек 2018, 16:23

goldmen8 писал(а):
14 дек 2018, 15:52
хотелось бы знать подробности данного эксперимента.
Добрый вечер, Александр. Рад встрече на просторах форума.
Постараюсь кратко ... улизнуть сейчас от ответа здесь. Причины:
1. Тема ветки немного другая, разговор про МОЙ транс в ней - почти случайный.
2. Как раз сейчас пишу ветку-рассказ по усилителю, для которого и разрабатывался этот трансформатор. Думаю, на следующей неделе начну выкладывать. Поэтому, чтоб не засорять эту ветку, прошу чуть подождать.
Совсем кратко, это цирклотрон на 6С19П, 170 В при 60 мА, разница есть, но минимальная и пока без победителя.
Могу схему скинуть в ЛС.
P.S. Извините за невольную рекламу :oops:
За это сообщение автора rad54 поблагодарил:
Роман Мирошниченко
Рейтинг: 16.7%
 
Алексей

Аватара пользователя
goldmen8
Опытный
Опытный
Сообщения: 554
Зарегистрирован: 25 май 2018, 10:02
Откуда: г. Киров (на р. Вятка)
Благодарил (а): 138 раз
Поблагодарили: 188 раз
Контактная информация:

#82

Сообщение goldmen8 » 14 дек 2018, 17:03

Вопрос по выходному трансформатору, лично для меня, очень мучительный. :smoke: выкурил уже не одну пачку сигарет... хотя сам не курю.
6П37Н лампа редкая не изученная особенно в "УЛ" режиме.
Выбрать из готового явно не получится. ... придётся по началу ставить опыты с предварительными расчётами, а потом возможно и где-то заказывать, а может и из готового что то подберётся.
rad54 писал(а):
14 дек 2018, 16:23
Как раз сейчас пишу ветку-рассказ по усилителю, ...
Думаю, на следующей неделе начну выкладывать.
Интересно, подождём...
Александр.

Аватара пользователя
rad54
Форумщик
Форумщик
Сообщения: 451
Зарегистрирован: 20 мар 2018, 13:37
Откуда: Новосибирск, Россия
Благодарил (а): 89 раз
Поблагодарили: 119 раз
Контактная информация:

#83

Сообщение rad54 » 19 дек 2018, 16:46

Получил вчера нувисторы 6П37Н. Для отработки системы их крепления на плату с возможностью замены на новые при необходимости. И обеспечения анодного токосъема в условиях отсутствия штатного колпачка, которого никто не видел.
Специально взял два варианта исполнения выводов: жесткие короткие (8 мм) и гибкие длинные.
Посмотрел: гибкие одножильные выводы просто припаяны (не цельные и не сварка) к штатным коротким.
IMG_9667.JPG
IMG_9662.JPG
Предложения общих принципов установки нувисторов - на рисунках.
Нувистор 6П37Н креп.png
Вариант №1 - установка прямо на плату усилителя. Для этого в плате при изготовлении фрезеруются узкие сквозные вырезы по форме ножек юбки. Фиксация на плате.:
а) точечная пайка металлических, изолированных от всех электродов нувистора, ножек юбки к луженым площадкам платы. Пробовал паять, проблем нет. Плюс способа - полная неподвижность на плате, минус - необходимость перепайки при замене. Хотя и не сложно.
б) просто чуть отогнуть ножки юбки, т.е. расклинить в выфрезерованных дугах. Плюс - простота, минус - фиксация хорошая,но не "мертвая".
Возможная отрицательная общая особенность варианта №1 - близость горячего нувистора к основной плате
Варианты №2 и №3 предполагают изготовление отдельной промежуточной платы.
№2 может лучше подойти для коротких ножек, №3 - для длинных.
В №2 впаянные в платы трубки ( у меня полнО такой латунной трубки, довольно часто применяю для самых разных целей) используются и как проводник и как арматура крепления.
В №3 в качестве арматуры используются широко распространенные металлические стойки с внутренней резьбой и винтами.
Токосъём анода.
анодный.png
Работает по принципу клеммы для автоаккумулятора, из меди, латуни или бронзы. Гибкий анодный провод можно зажать "клеммой" прямо на головке-колпачке нувистора или впаять в любом месте в клемму в специально просверленное для этого отверстие (на рисунке не показано).
P.S.Форма "клеммы" может быть и не такой "квадратной".
Последний раз редактировалось rad54 19 дек 2018, 21:24, всего редактировалось 1 раз.
За это сообщение автора rad54 поблагодарили (всего 3):
Алаев Ян, goldmen8, poty
Рейтинг: 50%
 
Алексей

Аватара пользователя
goldmen8
Опытный
Опытный
Сообщения: 554
Зарегистрирован: 25 май 2018, 10:02
Откуда: г. Киров (на р. Вятка)
Благодарил (а): 138 раз
Поблагодарили: 188 раз
Контактная информация:

#84

Сообщение goldmen8 » 19 дек 2018, 17:16

Вариант колпачка.
Показать
51905685.gif
51905685.gif (25.38 КБ) 60903 просмотра
09436294.gif
09436294.gif (16.94 КБ) 60903 просмотра
http://tec.org.ru/board/ehlekrovakuumny ... 0-1-0-2123
За это сообщение автора goldmen8 поблагодарили (всего 2):
rad54, poty
Рейтинг: 33.3%
 
Александр.

Аватара пользователя
poty
Профи
Профи
Сообщения: 5049
Зарегистрирован: 24 мар 2014, 10:00
Откуда: Россия, Москва
Благодарил (а): 192 раза
Поблагодарили: 664 раза
Контактная информация:

#85

Сообщение poty » 19 дек 2018, 17:35

Мне тоже кажется, что колпачок можно купить готовый. Как минимум - есть изоляция. Если, конечно, сделать что-то своё получится по вменяемым ценам...
Из предложенных вариантов лично мне нравится первый, однако, задачу "не испортить плату" решает только второй. Третий вариант слишком сильно увеличивает высоту установки. Второй вариант не безгрешен в плане того, что при выпайке старого нувистора есть вероятность, что вывалится латунная трубка из платы. Вот если её расклепать как-нибудь...
Для мощных нувисторов можно реализовать вариант с переходником в стандартную панель, типа такого. Единственно, нужно придумать, как закрепить его на этой штуке. Может, тоже плату какую переходную придумать...
Для маленьких нувисторов решение с переходником сразу - проблема с местом. Вот если бы подобрать разъём на плату, чтобы в него входил другой разъём с уже впаяными ножками нувистора...
Владислав

Аватара пользователя
rad54
Форумщик
Форумщик
Сообщения: 451
Зарегистрирован: 20 мар 2018, 13:37
Откуда: Новосибирск, Россия
Благодарил (а): 89 раз
Поблагодарили: 119 раз
Контактная информация:

#86

Сообщение rad54 » 20 дек 2018, 08:58

goldmen8 писал(а):
19 дек 2018, 17:16
Вариант колпачка.
Отличный и недорогой вариант. Надо брать :cyclop: Я - за!
poty писал(а):
19 дек 2018, 17:35
Третий вариант слишком сильно увеличивает высоту установки.
- По сравнению со стеклянной лампой, запас-то есть...
- В 3 варианте можно уменьшить расстояние между основной и дополнительной платами, т.к. во 2 варианте это расстояние определяется длиной трубки, которая перепаивается с одной стороны так, чтоб не расплавилась пайка на другой. Кстати, могу провести опытную пайку-перепайку, чтоб определить минимальную длину этой трубки. Но, думаю, если при перепайке использовать теплоотвод, хотя бы пинцет, то проблем с ненужным расплавлением не будет. Фактически, думаю, мы по толщине конструкции 3 варианта можем довольно близко подойти ко 2 варианту.
poty писал(а):
19 дек 2018, 17:35
Для мощных нувисторов можно реализовать вариант с переходником в стандартную панель

Я рассматривал такой вариант, но не нашел подходящих готовых комплектующих. Предлагается много панелек-розеток (типа "мама") и совсем не нашел панельки-вилки ("папа"). А чтоб сделать такого "папу" в конструктиве дополнительной платы, надо иметь стандартные по длине и толщине ламповые ножки или точить их из металла и затем покрывать от окисления. Можно, конечно и из нержавейки. Может , кто знает, где такие комплектующие купить готовые?
poty писал(а):
19 дек 2018, 17:35
Вот если бы подобрать разъём на плату, чтобы в него входил другой разъём с уже впаянными ножками нувистора...
Да, тоже думал про это. Надо по разъемным соединениям пробежаться, всего-то 6 контактов!
И для мощных нувисторов этот разъем приспособить можно. Например, в 3 вариант разъём разместить между стойками или чуть сбоку. Только по пробивному напряжению не забыть проверить разъем или даже на два-три разъёма разбить конструкцию.
P.S. Велика сила коллективного разума и чуднЫ творения его!:clap:
За это сообщение автора rad54 поблагодарил:
poty
Рейтинг: 16.7%
 
Алексей

Аватара пользователя
rad54
Форумщик
Форумщик
Сообщения: 451
Зарегистрирован: 20 мар 2018, 13:37
Откуда: Новосибирск, Россия
Благодарил (а): 89 раз
Поблагодарили: 119 раз
Контактная информация:

#87

Сообщение rad54 » 21 дек 2018, 15:31

Решил предложить еще один вариант крепления "большого" (можно наверное и "маленького" с соответствующим изменением размеров ) нувистора на плату усилителя.
Вариант 4.png
Через обычное кольцо и стандартные резьбовые стойки. Можно и без них, просто кольцо на плату положить. В этом случае надо продумать, как изолировать дорожки платы от "юбки" нувистора или вынести трубки для пайки нувисторных "концов" из-под "юбки" наружу.
По моему, это самое простое пока решение. Плат дополнительных не делать. Кольцо любой токарь выточит, крепеж стандартный копеечный покупной весь.
Да и смотреться конструкция будет просто неплохо. Белый анодный колпачёк, в общем то "никакой" по дизайну нувистор и, хоть как-то его украшающее, "золотое" кольцо. Его можно еще и не плоским выточить и с диаметром внешним поиграть.
За это сообщение автора rad54 поблагодарили (всего 2):
poty, Алаев Ян
Рейтинг: 33.3%
 
Алексей

Аватара пользователя
poty
Профи
Профи
Сообщения: 5049
Зарегистрирован: 24 мар 2014, 10:00
Откуда: Россия, Москва
Благодарил (а): 192 раза
Поблагодарили: 664 раза
Контактная информация:

#88

Сообщение poty » 21 дек 2018, 16:11

За исключением потайного винта, вкручивающегося в тело нувистора, остальное мне нравится. Не уверен в необходимости трубок, к которым припаиваются выводы нувистора - их (выводы) можно тогда припаять непосредственно на плату или расклепать в имеющееся отверстие пистон и впаивать провод туда.
Владислав

Аватара пользователя
rad54
Форумщик
Форумщик
Сообщения: 451
Зарегистрирован: 20 мар 2018, 13:37
Откуда: Новосибирск, Россия
Благодарил (а): 89 раз
Поблагодарили: 119 раз
Контактная информация:

#89

Сообщение rad54 » 21 дек 2018, 17:04

poty писал(а):
21 дек 2018, 16:11
потайного винта, вкручивающегося в тело нувистора,
резьба в кольце, в юбку только упирается
poty писал(а):
21 дек 2018, 16:11
Не уверен в необходимости трубок, к которым припаиваются выводы нувистора - их (выводы) можно тогда припаять непосредственно на плату или расклепать в имеющееся отверстие пистон и впаивать провод туда.
Трубки вводились ведь только для возможности многократной перепайки, чтоб сохранить площадки платы...
Пистоны расклёпывать можно, если диаметр пистонов позволит, места под нувистором не очень много. Можно пистоны за основание вынести - тогда общая площадь конструкции увеличится. И стойки тогда убрать можно.
Можно вместо трубок просто жесткие штырьки впаять. Были, вроде, такие в советских платах. В отверстия концом "двухвостка" вставлялись, эти кончики раздвигались в разные стороны и пропаивались на площадке.
Алексей

Аватара пользователя
poty
Профи
Профи
Сообщения: 5049
Зарегистрирован: 24 мар 2014, 10:00
Откуда: Россия, Москва
Благодарил (а): 192 раза
Поблагодарили: 664 раза
Контактная информация:

#90

Сообщение poty » 02 янв 2019, 00:38

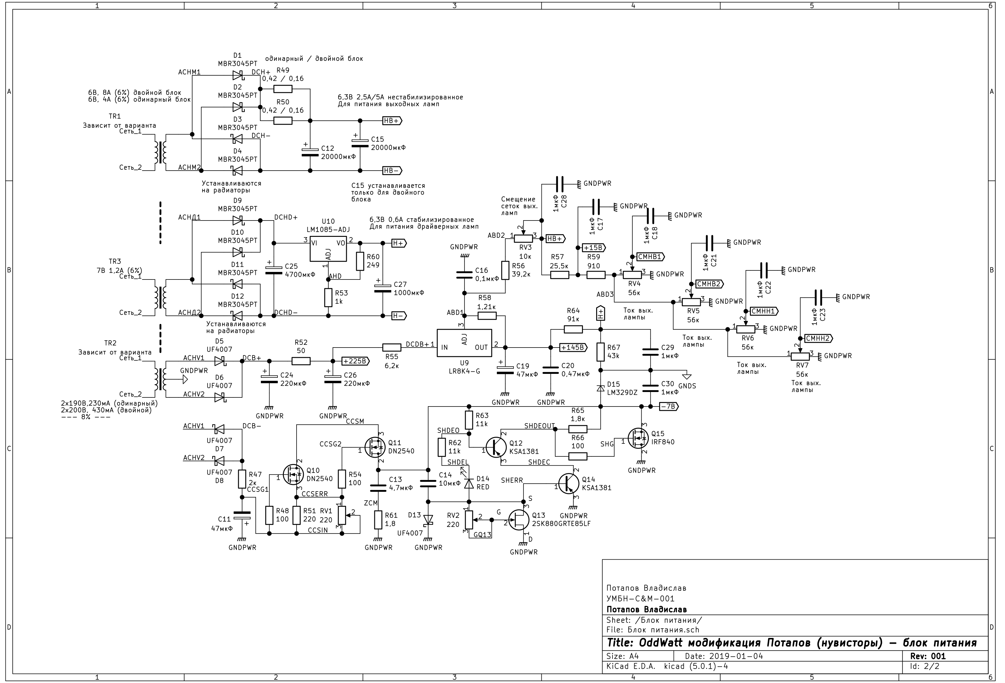
Я вышел на схему усилительной части, блок питания нарисовать не успел, будет в ближайшее время.
Исправлено 27.01.2019:
Полная схема-1.png
По усилительной части я помечу на схеме некоторые расчётные части, важные для выбора составляющих (напряжения, токи, мощности и т.п.). Один из стоящих вопросов - предусматривать ли подстройку там, где у нас необходим подбор?
Второй вопрос - я пока не вышел на вариант индикации перегруза выходного каскада. Думаю, стоит предусмотреть некие точки подключения и сделать это дополнение позже.
По блоку питания - получается немного сложнее, чем в оригинальном варианте, но я думаю, что мы оригинальный вариант переплюнем в плане качества.
Полная схема-2.png
За это сообщение автора poty поблагодарили (всего 3):
Алаев Ян, goldmen8, rad54
Рейтинг: 50%
 
Владислав

Аватара пользователя
goldmen8
Опытный
Опытный
Сообщения: 554
Зарегистрирован: 25 май 2018, 10:02
Откуда: г. Киров (на р. Вятка)
Благодарил (а): 138 раз
Поблагодарили: 188 раз
Контактная информация:

#91

Сообщение goldmen8 » 02 янв 2019, 10:50

Владислав, на схеме для подбора режимов усилителя резисторы R8, R9, R20, R21, R22 указаны правильно? :think:
Александр.

Аватара пользователя
poty
Профи
Профи
Сообщения: 5049
Зарегистрирован: 24 мар 2014, 10:00
Откуда: Россия, Москва
Благодарил (а): 192 раза
Поблагодарили: 664 раза
Контактная информация:

#92

Сообщение poty » 02 янв 2019, 11:56

Нет! Неправильно! Перенумеровал схему, а примечание не исправил.

Отправлено спустя 2 часа 7 минут 6 секунд:
Исправил.

Отправлено спустя 16 минут 2 секунды:
На тему радиаторов для нувисторов: http://rforum.tm.rinet.ru/arb/attachmen ... -6P37N.GIF
Только кто ж за такое возьмётся? :-(
За это сообщение автора poty поблагодарил:
goldmen8
Рейтинг: 16.7%
 
Владислав

Аватара пользователя
seurf
Знаток
Знаток
Сообщения: 1232
Зарегистрирован: 12 май 2016, 19:54
Откуда: Волгоград
Благодарил (а): 265 раз
Поблагодарили: 214 раз
Контактная информация:

#93

Сообщение seurf » 02 янв 2019, 16:10

Тут правильнее сформулировать вопрос по другому: Сколько это будет стоить? Заказать в Роскосмосе наверное возможно, но и расценки будут космические. Поэтому на первый план выходит минимальная стоимость одного такого изделия. Если на развалах и в приемке цветмета не найдутся готовые. Ещё один вариант, демонтировать с готовых устройств. Цена будет самая демократичная. Надо знать, в каких устройствах стояли нувисторы под этими радиаторами. Искать надо.
А что бы его заказать, необходимо сформировать портфель заказа. То есть любители нувисторов в таком радиаторе, должны объединившись и просуммировав потребность выдать максимальное количество для заказа ( тогда себестоимость упадёт в разы). Никто ведь не думает, что такие изделия вручную делают. Либо станок с ЧПУ или литьё, с последующей обработкой.
Подитоживаю : необходима общая потребность для изготовления или приборы, где они стояли.
Я бы пошёл по таким путям, если нет готовых.

Отправлено спустя 24 минуты 46 секунд:
В качестве создания тендера, на самую низкую цену, готов прозондировать этот вопрос у специалиста, работающего на станке с ЧПУ. Саратов тоже думаю в стороне не останется. Необходима конечная цифра, количество штук к заказу. У нас Москва чемпион по максимальному ценообразованию, только как база по остаткам приборостроительного наследия может конкурировать. А в плане изготовления новых радиаторов, депрессивные окраины всегда впереди планеты всей.

Отправлено спустя 2 часа 21 минуту :
Модернизированный OddWatt на нувисторах
Ну и для тех, кто не хочет заморачиваться с изготовлением, есть готовые предложения. По чертежу, внутренний размер радиатора для нувистора составляет 21,4 мм = 0,843 дюйма. Заказываем такой радиатор https://www.partsconnexion.com/ACCESS-62446.html фирмы Pearl, который имеет внутренний диаметр от 0,7 до 0,9 дюймов. С помощью силиконовой резинки прижимается внутренними гранями к металлическим стенкам нувистора, гармошка растягиваясь/сжимаясь позволяет подстраиваться под нужный диаметр.
И опять же, кто мешает согнуть из бумаги гармошку, поймать нужное количество граней на образце и повторить все это с медной пластиной? Подобрав удобную толщину от 0,01 до 0,15 мм? Как понравится? Опять же прижав её силиконовой резинкой, подходящего диаметра?

Отправлено спустя 5 минут 6 секунд:
Резинки подходящего диаметра можно выбрать на eBay. https://www.ebay.com/bhp/tube-dampers
Я когда то выбрал продавца с разным ассортиментом, заказал разного диаметра, теперь по необходимости только в тумбочку ныряю.
За это сообщение автора seurf поблагодарил:
rad54
Рейтинг: 16.7%
 
Александр

Аватара пользователя
poty
Профи
Профи
Сообщения: 5049
Зарегистрирован: 24 мар 2014, 10:00
Откуда: Россия, Москва
Благодарил (а): 192 раза
Поблагодарили: 664 раза
Контактная информация:

#94

Сообщение poty » 04 янв 2019, 23:41

Добавил схему блока питания для нувисторного усилителя.
Коллеги, так как усилитель делается в экспериментальном варианте, прошу подискутировать на тему обеих частей (усилительной и блока питания). Как в усилительной части, так и в части блока питания возможны как усложнения, так и упрощения.
Усилительная часть сделана под параллельное включение ламп, это несколько расходится с моим первоначальным намерением, но полностью соответствует мнению Алексея (rad54). Я бы всё же предложил рассмотреть вариант полного стереоусилителя с возможностью переключения в мостовой режим (добавляется аналогичная часть в виде драйвера и второй вход). Мы теряем в этом случае наибольшее значение выходной мощности, но, по правде говоря, я сильно сомневаюсь, что выходная мощность будет увеличиваться линейно.
Используется топология самобалансировки, но можно ориентироваться и на уменьшение количества источников тока (как в драйверной части, так и в части выходного каскада). Это также несколько разгрузит блок питания.
Блок питания накала разделён на выпрямленное нестабилизированное питания накалов выходных ламп и стабилизированное питание накалов ламп драйвера. Можно перейти на нестабилизированное питание накала всех ламп или на стабилизированное питание накала всех ламп.
Для формирования анодного напряжения применяется довольно сложная система из трёх блоков питания: нестабилизированного блока питания выходных ламп, стабилизированного питания верхней части анодного питания драйвера (на основе линейного последовательного стабилизатора LR8) и стабилизированного питания смещения земли питания драйвера (на основе линейного шунт-регулятора базирующегося на SSHV). Шунт-регулятор используется для того чтобы после избавления от переходных конденсаторов драйвер-выходной каскад мы не попали на конденсатор блока питания в качестве переходного. Внутри шунт-регулятора имеется второй шунт-регулятор на 7В для смещения земли питания драйвера. Всё это не догма!
За это сообщение автора poty поблагодарил:
goldmen8
Рейтинг: 16.7%
 
Владислав

Аватара пользователя
poty
Профи
Профи
Сообщения: 5049
Зарегистрирован: 24 мар 2014, 10:00
Откуда: Россия, Москва
Благодарил (а): 192 раза
Поблагодарили: 664 раза
Контактная информация:

#95

Сообщение poty » 05 янв 2019, 13:48

По поводу радиаторов. У меня есть кулеры с Партсконекшн, использую в своём фонокорректоре, особенно помогают для 6Н2П. И - да, возникала мысль согнуть такие самостоятельно. Почему я привёл именно жёсткий радиатор? Потому что это решало бы в некотором смысле вопрос крепления нувисторов. Но я знаю, что это выйдет весьма дорого.
Для оценки первоначального количества для изготовления, наверное, стоит учесть следующее: 3 желающих, 6 блоков для стерео, 4 лампы в блоке = 72 радиатора.
Владислав

Аватара пользователя
Евгений Михеев
Заслуженный Ветеран
Заслуженный Ветеран
Сообщения: 4473
Зарегистрирован: 22 май 2015, 11:52
Откуда: Республика Коми, Ухта
Благодарил (а): 324 раза
Поблагодарили: 355 раз
Контактная информация:

#96

Сообщение Евгений Михеев » 05 янв 2019, 23:31

Владислав, а расскажете как-нибудь о том, как удалось уйти от конденсаторов?
Дорогу осилит идущий

Аватара пользователя
goldmen8
Опытный
Опытный
Сообщения: 554
Зарегистрирован: 25 май 2018, 10:02
Откуда: г. Киров (на р. Вятка)
Благодарил (а): 138 раз
Поблагодарили: 188 раз
Контактная информация:

#97

Сообщение goldmen8 » 07 янв 2019, 15:47

poty писал(а):
04 янв 2019, 23:41
... так как усилитель делается в экспериментальном варианте, прошу подискутировать на тему обеих частей ...
Для себя определил требования (параметры) будущего усилителя: вариант "Стерео"; по одной лампе в плече (накал выходных ламп переменкой); выход 15 Ом.
Хотелось бы поэкспериментировать с выходным трансформатором. Владислав в своём сообщении навёл на мысль разделить обмотки (анодную и второй сетки). Наверное блок питания придётся немного дорабатывать... :smoke:

Очень рад предложению Владислава:
poty писал(а):
04 янв 2019, 23:41
бы всё же предложил рассмотреть вариант полного стереоусилителя с возможностью переключения в мостовой режим (добавляется аналогичная часть в виде драйвера и второй вход).
Для стерео варианта блок питания наверное будет другой, более мощный? ...добавляется второй вход (драйвер).
poty писал(а):
04 янв 2019, 23:41
Используется топология самобалансировки, но можно ориентироваться и на уменьшение количества источников тока (как в драйверной части, так и в части выходного каскада). Это также несколько разгрузит блок питания.
С блоком питания вроде как бы и разобрался, но прошу уточнить: - D13 указан правильно?
... ещё раз спрошу: - правильно написано в сноске на схеме усилителя - "R20 подбирается для достижения нужного усиления"?
За это сообщение автора goldmen8 поблагодарил:
poty
Рейтинг: 16.7%
 
Александр.

Аватара пользователя
poty
Профи
Профи
Сообщения: 5049
Зарегистрирован: 24 мар 2014, 10:00
Откуда: Россия, Москва
Благодарил (а): 192 раза
Поблагодарили: 664 раза
Контактная информация:

#98

Сообщение poty » 08 янв 2019, 03:57

D13 - верно.
R20 читать как R10 (исправлю чуть позже).
Tr2 - средняя точка вторичной обмотки должна быть соединена с GNDPWR.
За это сообщение автора poty поблагодарил:
goldmen8
Рейтинг: 16.7%
 
Владислав

Аватара пользователя
poty
Профи
Профи
Сообщения: 5049
Зарегистрирован: 24 мар 2014, 10:00
Откуда: Россия, Москва
Благодарил (а): 192 раза
Поблагодарили: 664 раза
Контактная информация:

#99

Сообщение poty » 08 янв 2019, 16:02

Проектов много, подробно ответить не успеваю.
goldmen8 писал(а):
07 янв 2019, 15:47
вариант "Стерео"; по одной лампе в плече (накал выходных ламп переменкой); выход 15 Ом.
Я тоже склоняюсь к мысли, что надо делать две одинаковые платы (на два канала) с одной парой ламп на выходе на каждой. Будет гораздо универсальнее.
Выпрямление и фильтрацию накала выходных ламп я собираюсь оставить на платах, но их же можно будет не устанавливать, эти элементы, и питать переменкой.
goldmen8 писал(а):
07 янв 2019, 15:47
Для стерео варианта блок питания наверное будет другой, более мощный? ...добавляется второй вход (драйвер).
Если ничего другого не изменять, то единственное изменение - более мощный трансформатор (да и то не факт, что не хватит существующего). Однако, Вы упомянули одну вещь (спасибо Вам за это!), которая может реально значительно переформатировать весь БП.
goldmen8 писал(а):
07 янв 2019, 15:47
разделить обмотки (анодную и второй сетки). Наверное блок питания придётся немного дорабатывать...
ВОТ! Мои попытки посчитать режимы выбранных выходных лампы в классическом включении неизменно упираются в проблему ограничения напряжения на второй сетке (200В). Если питать их через одну обмотку, получится, что не больше этого напряжения можно будет подать и на анод (по факту - меньше, поскольку первичная обмотка трансформатора имеет-таки своё активное сопротивление), ограничение же анодного напряжения приводит к уменьшению импеданса первичной обмотки и к соответствующему уменьшению выходной мощности.
Применение двух обмоток позволяет запитать экранную сетку от источника меньшего напряжения, чем анод, однако, здесь мы вступаем на скользкую почву экспериментов, потому что сразу же нарушается известное соотношение ультралинейности и нужно будет подбирать процент обратной связи (отвод от витка отдельной обмотки?) для второй сетки. Но это, как мне кажется, стоит того!
Владислав

Аватара пользователя
goldmen8
Опытный
Опытный
Сообщения: 554
Зарегистрирован: 25 май 2018, 10:02
Откуда: г. Киров (на р. Вятка)
Благодарил (а): 138 раз
Поблагодарили: 188 раз
Контактная информация:

#100

Сообщение goldmen8 » 09 янв 2019, 00:19

poty писал(а):
08 янв 2019, 16:02
Однако, Вы упомянули одну вещь (спасибо Вам за это!) ...
Пожалуйста. :think: ещё бы знать что за вещь такая...
poty писал(а):
08 янв 2019, 16:02
... здесь мы вступаем на скользкую почву экспериментов, потому что сразу же нарушается известное соотношение ультралинейности и нужно будет подбирать процент обратной связи (отвод от витка отдельной обмотки?) для второй сетки. Но это, как мне кажется, стоит того!
"Скользкая почва эксперимента" - это интересно и "Но это ... стоит того!" :clap: :smoke:

Есть железо EI84 (М6) набор 45мм. думаю на нем поэкспериментировать. вот только сколько мотать витков :think: ... как определиться?

Меня волнует вопрос соотношения обмоток (отвода для обратной связи), даже в заводских усилителях они разные для одной и той-же лампы.
наткнулся на таблицу где приведены данные выходных трансформаторов РР-УЛ для 6П14П. соотношения обмоток разные:
РР_УЛ.jpg
МРБ 0653. Малинин Р.М. Выходные трансформаторы- Справочник. (2-е изд.)
И ещё данные с сайта: http://www.oldradio.ru/list.shtml
Выбрал некоторые данные выходных трансформаторов РР-УЛ для 6П14П:
данные выходных трансформаторов
Показать
Радиоприемник "Фестиваль"
Номинальная выходная мощность приемника составляет 4 Вт
Оконечный каскад по двухтактной схеме на лампах 6П14П.
Выходной трансформатор. Первичная обмотка имеет 2х1250 витков провода ПЭЛ 0,14 с отводом от 250 витков в каждой половине, считая от середины обмотки (сопротивление 180+200 Ом); вторичная обмотка I -35+15+30 витков (считая от заземленного конца) ПЭЛ 0,47 и вторичная обмотка II - 50 витков ПЭЛ 0,47. Сердечник из пластин Ш-20, набор 30 мм.
Магнитофон "Днепр-11"
Двухтактный оконечный каскад на лампах типа 6П14П
Выходная мощность - 3 Вт.
Трансформатор Tp1: обмотка I - 800+600+600+800 витков ПЭЛ 0,15; обмотка II - 72 витка ПЭЛ 0,69; обмотка III - 800 витков ПЭЛ 0,15.
Радиола "Симфония"
Двухтактный оконечный усилитель НЧ правого (левого) канала на 2-х лампах 6П14П
Максимальная мощность усилителей НЧ - 6 Вт
Выходные трансформаторы обоих каналов имеют первичные обмотки из 1000+300+300+1000 витков провода ПЭЛ 014, а вторичные обмотки - из 82 витков провода ПЭЛ 0,69. Сердечник собран из железа Ш20х30.
Александр.

Ответить

Кто сейчас на конференции

Сейчас этот форум просматривают: нет зарегистрированных пользователей и 1 гость