Для активации новой учетной записи и ее подтверждения на Форуме - необходимо связаться с администратором по электронной почте p-i-n-o-k-i-o@mail.ru.
Все новые учетные записи не прошедшие подтверждения администратором воспринимаются как спам.
Все новые учетные записи не прошедшие подтверждения администратором воспринимаются как спам.
Балансный дискретный регулятор громкости
- poty
- Профи

- Сообщения: 5017
- Зарегистрирован: 24 мар 2014, 10:00
- Откуда: Россия, Москва
- Благодарил (а): 189 раз
- Поблагодарили: 642 раза
- Контактная информация:
Балансный дискретный регулятор громкости
Тема дискретных регуляторов громкости в последнее время стала достаточно популярной, не в последнюю очередь из-за доступности микропроцессоров и средств разработки для них. Даже на данном форуме присутствует несколько тем, посвящённых этим регуляторам. Казалось бы, зачем открывать ещё одну тему?
Предыстория: в конце прошлого года началась разработка модульного балансного усилителя, собираемого из независимых узлов. Мне хотелось по-максимуму использовать модульный принцип для оптимизации сборки для разных групп самодельщиков, в связи с чем увеличилось количество вариаций и разработка на некоторое время застопорилась (но не остановилась). Дополнительных вопросов требовала и проработка балансных схем, а также преобразование возможных небалансных источников и приёмников в балансный вариант для наиболее эффективного усиления модульным усилителем.
Одним из узлов данной разработки должен был быть регулятор громкости. Естественно, балансный. Как всегда были начальные идеи использовать существующие разработки лестничных аттенюаторов, тем более, они уже хорошо зарекомендовали себя, в том числе и в балансных конфигурациях. В какой-то момент взяться за разработку конкретной реализации согласился Александр (goldmen8), чему я бесконечно признателен. Оффлайн идёт обсуждение цифровой части будущего регулятора, а вот аналоговую часть необходимо было спроектировать мне. Я начал собирать информацию о балансных вариантах регуляторов громкости и понял, что использование небалансных схем в балансном варианте сопряжено с большим количеством допущений, которых хотелось бы избежать.
Постараюсь рассказать о своих мыслях подробнее.
Разработка модульного усилителя стартовала значительно раньше, такой усилитель планировался для Романа несколько лет назад. Тогда для ускорения разработки мы постарались максимально использовать исходные наработки Алена Райта и готовые узлы (например, "аттенюатор Никитина" - Г-образный лестничный аттенюатор, который я "усовершенствовал" здесь). Это была первая идея для балансного регулятора громкости - использовать небалансный регулятор, при этом не соединяя "земляную" шину с землёй усилителя (вся цепь в таком случае "повисала в воздухе"). Плюсами такой конструкции являются:
- минимальное количество реле и, соответственно, их контактов;
- простота и отработанность конструкции;
- наличие имеющихся готовых узлов, которые при необходимости отладки можно использовать как есть.
Однако не обходится и без явных минусов. Балансная конструкция для сохранения своей помехоустойчивости должна иметь одинаковый импеданс по hot и cold линиям относительно референсного уровня ("земли"). Истинно балансная передача к земле (электрически) не привязана (как пример - подключение проводного микрофона к усилителю в профессиональных системах), в таких случаях удаление синфазного шума производится на одном сопротивлении на входе усилителя. К сожалению, реальный мир гораздо прозаичнее: для различных нужд, включая питание, безопасность и др., мы должны иметь референсную точку. Например, для лампового усилителя невозможно "отвязать" сетку от цепи питания катода - накапливающийся на ней потенциал будет увеличивать проводимость лампы вплоть до её разрушения. Т.о., линии балансного сигнала подключаются не к одному сопротивлению, электрически несвязанному с землёй, а к двум, вторые концы которых соединены с землёй непосредственно или через некоторые цепи смещения. Если соблюсти принцип идентичности импедансов балансных линий относительно земли, то ничего страшного в таком отходе от идеала не произойдёт, базовая помехоустойчивость балансной линии сохранится в той же мере, в какой будет сохраняться идентичность импедансов. А теперь посмотрим на тот аттенюатор, что мы хотим применить: от источника сигнала по бывшей сигнальной линии небалансной конструкции до земли импеданс будет состоять из последовательных сопротивлений включенных звеньев и входного сопротивления усилителя; по бывшей линии земли никаких последовательных сопротивлений нет и импеданс состоит только из входного сопротивления усилителя. Более того, подавление шума "размазано" по конструкции (сопротивления, стоящие между балансными линиями, имеются в каждом включенном звене). Т.о., свойства "балансной линии передачи" нарушаются. Я не уверен, что на тех расстояниях, что сигналу предстоит пройти внутри блока, это серьёзно ухудшит помехоустойчивость, но я предпочитаю делать устройства без оговорок.
Отправлено спустя 27 минут 39 секунд:
Очевидным выходом из данной ситуации является использование стерео варианта Г-образного регулятора, в котором земли соединены, а бывшие каналы превращены в соответствующие балансные линии (hot и cold). Включенное звено будет выглядеть следующим образом: и в принципе решает все вышеперечисленные проблемы ценой удвоения количества реле и сопротивлений. Для усиления "балансности" можно исключить соединение с землёй "параллельных резисторов" R3, R4 в точке "А" и заменить их на один. Это сэкономит нам также один контакт реле. Мне сложно оценить влияние наводок от разных цепей управления реле на результирующую конструкцию в данном упрощении. Хочу отметить, что "упрощённый" вариант является классическим четырёхполюсником, в некоторых публикациях он называется О-ячейкой. Наихудшая точность входного сопротивления для резисторов ряда E96 может составлять до 2%, точность аттенюации - 2%. Точность аттенюации нас не очень волнует, а вот точность входного сопротивления может сослужить плохую службу, в связи с тем, что она неравномерно распределена по балансным линиям.
Предыстория: в конце прошлого года началась разработка модульного балансного усилителя, собираемого из независимых узлов. Мне хотелось по-максимуму использовать модульный принцип для оптимизации сборки для разных групп самодельщиков, в связи с чем увеличилось количество вариаций и разработка на некоторое время застопорилась (но не остановилась). Дополнительных вопросов требовала и проработка балансных схем, а также преобразование возможных небалансных источников и приёмников в балансный вариант для наиболее эффективного усиления модульным усилителем.
Одним из узлов данной разработки должен был быть регулятор громкости. Естественно, балансный. Как всегда были начальные идеи использовать существующие разработки лестничных аттенюаторов, тем более, они уже хорошо зарекомендовали себя, в том числе и в балансных конфигурациях. В какой-то момент взяться за разработку конкретной реализации согласился Александр (goldmen8), чему я бесконечно признателен. Оффлайн идёт обсуждение цифровой части будущего регулятора, а вот аналоговую часть необходимо было спроектировать мне. Я начал собирать информацию о балансных вариантах регуляторов громкости и понял, что использование небалансных схем в балансном варианте сопряжено с большим количеством допущений, которых хотелось бы избежать.
Постараюсь рассказать о своих мыслях подробнее.
Разработка модульного усилителя стартовала значительно раньше, такой усилитель планировался для Романа несколько лет назад. Тогда для ускорения разработки мы постарались максимально использовать исходные наработки Алена Райта и готовые узлы (например, "аттенюатор Никитина" - Г-образный лестничный аттенюатор, который я "усовершенствовал" здесь). Это была первая идея для балансного регулятора громкости - использовать небалансный регулятор, при этом не соединяя "земляную" шину с землёй усилителя (вся цепь в таком случае "повисала в воздухе"). Плюсами такой конструкции являются:
- минимальное количество реле и, соответственно, их контактов;
- простота и отработанность конструкции;
- наличие имеющихся готовых узлов, которые при необходимости отладки можно использовать как есть.
Однако не обходится и без явных минусов. Балансная конструкция для сохранения своей помехоустойчивости должна иметь одинаковый импеданс по hot и cold линиям относительно референсного уровня ("земли"). Истинно балансная передача к земле (электрически) не привязана (как пример - подключение проводного микрофона к усилителю в профессиональных системах), в таких случаях удаление синфазного шума производится на одном сопротивлении на входе усилителя. К сожалению, реальный мир гораздо прозаичнее: для различных нужд, включая питание, безопасность и др., мы должны иметь референсную точку. Например, для лампового усилителя невозможно "отвязать" сетку от цепи питания катода - накапливающийся на ней потенциал будет увеличивать проводимость лампы вплоть до её разрушения. Т.о., линии балансного сигнала подключаются не к одному сопротивлению, электрически несвязанному с землёй, а к двум, вторые концы которых соединены с землёй непосредственно или через некоторые цепи смещения. Если соблюсти принцип идентичности импедансов балансных линий относительно земли, то ничего страшного в таком отходе от идеала не произойдёт, базовая помехоустойчивость балансной линии сохранится в той же мере, в какой будет сохраняться идентичность импедансов. А теперь посмотрим на тот аттенюатор, что мы хотим применить: от источника сигнала по бывшей сигнальной линии небалансной конструкции до земли импеданс будет состоять из последовательных сопротивлений включенных звеньев и входного сопротивления усилителя; по бывшей линии земли никаких последовательных сопротивлений нет и импеданс состоит только из входного сопротивления усилителя. Более того, подавление шума "размазано" по конструкции (сопротивления, стоящие между балансными линиями, имеются в каждом включенном звене). Т.о., свойства "балансной линии передачи" нарушаются. Я не уверен, что на тех расстояниях, что сигналу предстоит пройти внутри блока, это серьёзно ухудшит помехоустойчивость, но я предпочитаю делать устройства без оговорок.
Отправлено спустя 27 минут 39 секунд:
Очевидным выходом из данной ситуации является использование стерео варианта Г-образного регулятора, в котором земли соединены, а бывшие каналы превращены в соответствующие балансные линии (hot и cold). Включенное звено будет выглядеть следующим образом: и в принципе решает все вышеперечисленные проблемы ценой удвоения количества реле и сопротивлений. Для усиления "балансности" можно исключить соединение с землёй "параллельных резисторов" R3, R4 в точке "А" и заменить их на один. Это сэкономит нам также один контакт реле. Мне сложно оценить влияние наводок от разных цепей управления реле на результирующую конструкцию в данном упрощении. Хочу отметить, что "упрощённый" вариант является классическим четырёхполюсником, в некоторых публикациях он называется О-ячейкой. Наихудшая точность входного сопротивления для резисторов ряда E96 может составлять до 2%, точность аттенюации - 2%. Точность аттенюации нас не очень волнует, а вот точность входного сопротивления может сослужить плохую службу, в связи с тем, что она неравномерно распределена по балансным линиям.
- Рейтинг: 16.7%
-
Владислав
- poty
- Профи

- Сообщения: 5017
- Зарегистрирован: 24 мар 2014, 10:00
- Откуда: Россия, Москва
- Благодарил (а): 189 раз
- Поблагодарили: 642 раза
- Контактная информация:
В одной из веток, посвящённых лестничным регуляторам, была высказана идея, что с помощью четырёхполюсника (т.е., сохранив то же количество переключений) можно создать симметричную схему, которая будет иметь одинаковые импедансы как со стороны входа, так и выхода. Это позволило бы создать согласованную линию передач, при условии, что выходное сопротивление источника и входное сопротивление приёмника совпадают с "универсальным" (одинаковым на входе и выходе) сопротивлением линии. Такие согласованные линии применяются, допустим, в антенных разводках и вообще - в большинстве СВЧ-цепей для исключения отражения сигнала от места несоответствия импедансов. В качестве плюсов такой конструкции:
- полное согласование по входу и выходу;
- отсутствие ступенчатых изменений импеданса и щелчков переключений.
В качестве отрицательного эффекта упоминались:
- практические ограничения (реализуемость замысла);
- повышенные требования к элементам (их точности);
- высокое выходное сопротивление аттенюатора.
Последний пункт связывается с двумя отрицательными эффектами:
- увеличенной чувствительностью к помехам;
- повышением искажений в приёмнике.
Помехи в балансной схемотехнике - понятие относительное. Считаю, что их влияние на типичных сопротивлениях аттенюатора (10-100кОм) несколько завышено. Но не исключаю, что практика развенчает мои утверждения.
Природа повышения искажений в приёмнике мне абсолютно непонятна. Надеюсь это тоже проверить на практике.
Симметричный подход мне нравится тем, что я получаю полностью согласованную линию передачи данных с прогнозируемой аттенюацией. Посему я думаю попробовать этот подход.
Отправлено спустя 21 минуту 2 секунды:
Самым остроумным вариантом перехода к симметричному варианту, с моей точки зрения, является использование мостового включения шунтирующих резисторов (в импортной литературе можно встретить термин lattice network - клеточная топология). Выглядит она примерно так: Мне она понравилась тем, что количество элементов и контактов остаётся неизменным, по сравнению с О-вариантом, а полезные свойства добавляются (включая "встроенное" отсутствие заземления внутри самих ячеек аттенюации). В принципе, имеется полный расчёт данной конфигурации, но его легко вывести и самостоятельно. Если будет время, я в спойлер добавлю этот вывод, а сейчас приведу формулы для расчёта.
Предполагаем, что источник имеет выходное сопротивление Ro, входное сопротивление аттенюатора = Ro, выходное сопротивление аттенюатора = Ro, входное сопротивление приёмника = Ro. Нам необходимо добиться ослабления k (я сейчас говорю об ослаблении "ячейки", не считая ослаблений за счёт передачи источник-вход аттенюатора, выход аттенюатора-приёмник).
Тогда Ro*Ro=RsRp, k=(Rs-Ro)/(Rs+Ro)=(Ro-Rp)/(Ro+Rp), при этом Rp<Ro<Rs.
Проще некуда! Обрадованный, я создал файл в Excel для расчётов и... получил те самые "практические ограничения": применяемого ряда E96 (1%) оказалось недостаточно для того, чтобы создать звено в 64дБ ослабления для данного вида аттенюатора.
- полное согласование по входу и выходу;
- отсутствие ступенчатых изменений импеданса и щелчков переключений.
В качестве отрицательного эффекта упоминались:
- практические ограничения (реализуемость замысла);
- повышенные требования к элементам (их точности);
- высокое выходное сопротивление аттенюатора.
Последний пункт связывается с двумя отрицательными эффектами:
- увеличенной чувствительностью к помехам;
- повышением искажений в приёмнике.
Помехи в балансной схемотехнике - понятие относительное. Считаю, что их влияние на типичных сопротивлениях аттенюатора (10-100кОм) несколько завышено. Но не исключаю, что практика развенчает мои утверждения.
Природа повышения искажений в приёмнике мне абсолютно непонятна. Надеюсь это тоже проверить на практике.
Симметричный подход мне нравится тем, что я получаю полностью согласованную линию передачи данных с прогнозируемой аттенюацией. Посему я думаю попробовать этот подход.
Отправлено спустя 21 минуту 2 секунды:
Самым остроумным вариантом перехода к симметричному варианту, с моей точки зрения, является использование мостового включения шунтирующих резисторов (в импортной литературе можно встретить термин lattice network - клеточная топология). Выглядит она примерно так: Мне она понравилась тем, что количество элементов и контактов остаётся неизменным, по сравнению с О-вариантом, а полезные свойства добавляются (включая "встроенное" отсутствие заземления внутри самих ячеек аттенюации). В принципе, имеется полный расчёт данной конфигурации, но его легко вывести и самостоятельно. Если будет время, я в спойлер добавлю этот вывод, а сейчас приведу формулы для расчёта.
Предполагаем, что источник имеет выходное сопротивление Ro, входное сопротивление аттенюатора = Ro, выходное сопротивление аттенюатора = Ro, входное сопротивление приёмника = Ro. Нам необходимо добиться ослабления k (я сейчас говорю об ослаблении "ячейки", не считая ослаблений за счёт передачи источник-вход аттенюатора, выход аттенюатора-приёмник).
Тогда Ro*Ro=RsRp, k=(Rs-Ro)/(Rs+Ro)=(Ro-Rp)/(Ro+Rp), при этом Rp<Ro<Rs.
Проще некуда! Обрадованный, я создал файл в Excel для расчётов и... получил те самые "практические ограничения": применяемого ряда E96 (1%) оказалось недостаточно для того, чтобы создать звено в 64дБ ослабления для данного вида аттенюатора.
Владислав
- Евгений Михеев
- Заслуженный Ветеран

- Сообщения: 4427
- Зарегистрирован: 22 май 2015, 11:52
- Откуда: Республика Коми, Ухта
- Благодарил (а): 302 раза
- Поблагодарили: 348 раз
- Контактная информация:
- poty
- Профи

- Сообщения: 5017
- Зарегистрирован: 24 мар 2014, 10:00
- Откуда: Россия, Москва
- Благодарил (а): 189 раз
- Поблагодарили: 642 раза
- Контактная информация:
Дело - не в кривизне. Приведу результат расчётов. Там их гораздо больше, но я вычленил только важное.
Ro определён как 50кОм (ячейка А1).
Столбец А (4-10) - это заданные аттенюации ячеек. А11 - суммарная аттенюация, которая должна получиться в результате.
Столбцы C и D - вычисленные Rs и Rp. Rs(E96) и Rp(E96) - ближайшие значения ряда E96 для вычисленных значений.
Столбец H - вычисленные значения аттенюации для выбранных резисторов ряда E96. Видно, что значения Rs и Rp для аттенюации -64дБ настолько близки, что ближайшие значения ряда E96 оказываются равными, соответственно, нарушается условие
Отправлено спустя 7 минут 17 секунд:
Просто для справки - точность входного сопротивления - 1,5%, отсутствие референса снижает неидентичность импедансов по балансным линиям. Так что - идея классная, но для нас пока малоприменимая. Переходить на E192 - сложно, трудно найти столь точные резисторы нужных номиналов.
Столбец А (4-10) - это заданные аттенюации ячеек. А11 - суммарная аттенюация, которая должна получиться в результате.
Столбцы C и D - вычисленные Rs и Rp. Rs(E96) и Rp(E96) - ближайшие значения ряда E96 для вычисленных значений.
Столбец H - вычисленные значения аттенюации для выбранных резисторов ряда E96. Видно, что значения Rs и Rp для аттенюации -64дБ настолько близки, что ближайшие значения ряда E96 оказываются равными, соответственно, нарушается условие
и конструкция перестаёт работать. Просто для справки, я взял два ближайших варианта по Rs(E96) и Rp(E96) (E11, F11 и E12, F12). Как видим, максимально, что мы можем получить: -44,5дБ вместо -64дБ.
Отправлено спустя 7 минут 17 секунд:
Просто для справки - точность входного сопротивления - 1,5%, отсутствие референса снижает неидентичность импедансов по балансным линиям. Так что - идея классная, но для нас пока малоприменимая. Переходить на E192 - сложно, трудно найти столь точные резисторы нужных номиналов.
Владислав
- seurf
- Знаток

- Сообщения: 1228
- Зарегистрирован: 12 май 2016, 19:54
- Откуда: Волгоград
- Благодарил (а): 258 раз
- Поблагодарили: 213 раз
- Контактная информация:
А если рвануть вверх Планку уровня регулятора громкости и применить в качестве регулятора трансформатор атеньюатор, а уже его обмотки коммутировать Рэле, управляемые микроконтроллером? Со всеми сопутствующими благами электроники ( ДУ, mute, balance, индикация ) http://shop.diyhifisupply.com/product/t ... permalloy/. http://www.sacthailand.com/
Или не попал в тему?
Или не попал в тему?
Александр
- poty
- Профи

- Сообщения: 5017
- Зарегистрирован: 24 мар 2014, 10:00
- Откуда: Россия, Москва
- Благодарил (а): 189 раз
- Поблагодарили: 642 раза
- Контактная информация:
Александр, Ваше предложение - вполне по теме и является практически идеальным балансным решением с точки зрения звука, в котором многое можно намутить, включая преобразование баланс-небаланс и сопряжение импедансов. Однако, стоимость его будет начинаться от $500, одно это уже сделает его эксклюзивным.
Кроме того, у него есть ещё несколько недостатков:
- он не обладает постоянным входным импедансом, а нам он нужен для согласования RIAA в планируемом месте применения; эту проблему можно обойти, но сложность возрастёт кратно.
- имея дискретный характер, он не решает проблему щелчков на сопряжении со следующим каскадом.
- стерео вариант должен иметь почти 60 реле для переключения, а это - размеры, БП, управление и т.п.
Кроме того, у него есть ещё несколько недостатков:
- он не обладает постоянным входным импедансом, а нам он нужен для согласования RIAA в планируемом месте применения; эту проблему можно обойти, но сложность возрастёт кратно.
- имея дискретный характер, он не решает проблему щелчков на сопряжении со следующим каскадом.
- стерео вариант должен иметь почти 60 реле для переключения, а это - размеры, БП, управление и т.п.
Владислав
- seurf
- Знаток

- Сообщения: 1228
- Зарегистрирован: 12 май 2016, 19:54
- Откуда: Волгоград
- Благодарил (а): 258 раз
- Поблагодарили: 213 раз
- Контактная информация:
жаль, какая красивая мысль мне рисовалась в воображении: шикарный звук, при полной автоматике. Но недостатки описанные Вами, действительно перевешивают внешнюю прелесть этого решения.
Особенно крайняя строчка в перечне недостатков: 60 Рэле это за разумом предела. АТС- городского узла связи, не меньше.
Александр
- poty
- Профи

- Сообщения: 5017
- Зарегистрирован: 24 мар 2014, 10:00
- Откуда: Россия, Москва
- Благодарил (а): 189 раз
- Поблагодарили: 642 раза
- Контактная информация:
Чтобы мостовое включение не казалось тупиковым вариантом, я немного адаптировал ряд ячеек:
Для общего ослабления в 99дБ получилась неплохая конструкция. Я её промоделировал в LTSpice, результат оказался очень близок к расчётному (kx - ослабление каждого звена в дБ, k0 - общее ослабление при всех включенных звеньях в дБ, Rx - входные сопротивления каждой ячейки в Омах):
k1: 20*log10(v2/v1)=-1.02432
k2: 20*log10(v3/v2)=-2.01494
k3: 20*log10(v4/v3)=-4.0092
k4: 20*log10(v5/v4)=-8.03043
k5: 20*log10(v6/v5)=-16.2134
k6: 20*log10(v7/v6)=-32.3696
k7: 20*log10(v8/v7)=-38.3878
k0: 20*log10(v8/v1)=-102.05
r1: v1/i1=50012.6
r2: v2/i2=49882.4
r3: v3/i3=49882
r4: v4/i4=49744.9
r5: v5/i5=49856
r6: v6/i6=49842.3
r7: v7/i7=49885.6
Быстро найти теорию по таким четырёхполюсникам не удалось, насколько я понимаю, возможно создать четырёхполюсник и на -64дБ, но пока меня устраивает и текущий результат.
Отправлено спустя 1 час 41 секунду:
Помимо лестничных аттенюаторов ("Г") в небалансной среде довольно известны так называемые "Т"-аттенюаторы. Они отличаются от "Г" наличием ещё одного резистора, с помощью которого можно настраивать выходное сопротивление. Существенным недостатком такого вида аттенюаторов является то, что необходимо два независимых включающих контакта для обеспечения включения ячейки аттенюации в цепь. Аналогичные конструкции есть и в балансной среде, однако, по настоящему симметричными для большого диапазона ослаблений их сделать проблематично. Умные люди придумали так называемый "мост" над Т-аттенюатором, который обеспечивает симметричность импедансов с двух сторон (входной и выходной), одновременно расширяя диапазон ослаблений.
В балансном варианте это выглядит следующим образом:
k1: 20*log10(v2/v1)=-1.02432
k2: 20*log10(v3/v2)=-2.01494
k3: 20*log10(v4/v3)=-4.0092
k4: 20*log10(v5/v4)=-8.03043
k5: 20*log10(v6/v5)=-16.2134
k6: 20*log10(v7/v6)=-32.3696
k7: 20*log10(v8/v7)=-38.3878
k0: 20*log10(v8/v1)=-102.05
r1: v1/i1=50012.6
r2: v2/i2=49882.4
r3: v3/i3=49882
r4: v4/i4=49744.9
r5: v5/i5=49856
r6: v6/i6=49842.3
r7: v7/i7=49885.6
Быстро найти теорию по таким четырёхполюсникам не удалось, насколько я понимаю, возможно создать четырёхполюсник и на -64дБ, но пока меня устраивает и текущий результат.
Отправлено спустя 1 час 41 секунду:
Помимо лестничных аттенюаторов ("Г") в небалансной среде довольно известны так называемые "Т"-аттенюаторы. Они отличаются от "Г" наличием ещё одного резистора, с помощью которого можно настраивать выходное сопротивление. Существенным недостатком такого вида аттенюаторов является то, что необходимо два независимых включающих контакта для обеспечения включения ячейки аттенюации в цепь. Аналогичные конструкции есть и в балансной среде, однако, по настоящему симметричными для большого диапазона ослаблений их сделать проблематично. Умные люди придумали так называемый "мост" над Т-аттенюатором, который обеспечивает симметричность импедансов с двух сторон (входной и выходной), одновременно расширяя диапазон ослаблений.
В балансном варианте это выглядит следующим образом:
Владислав
- poty
- Профи

- Сообщения: 5017
- Зарегистрирован: 24 мар 2014, 10:00
- Откуда: Россия, Москва
- Благодарил (а): 189 раз
- Поблагодарили: 642 раза
- Контактная информация:
Начальные условия - такие же, что и в обычном мостовом варианте. Так как Ro - номинал резистора, обозначенный на схеме, то базовое сопротивление обозначим как R. Тогда источник имеет выходное сопротивление =R, входное сопротивление аттенюатора = R, выходное сопротивление аттенюатора = R, входное сопротивление приёмника = R, Ro=0,5R. k - ослабление ячейки.
Тогда (R/2)*(R/2)=RsRp, k=R/(R+Rs)=Rp/(R+Rp). Я посчитал резисторы для варианта, аналогичного предыдущему: Как видим - ограничения фактически сняты. Я, правда, не уверен, что смогу обеспечить сопротивление почти в 40МОм, а заодно - блокировать все токи утечки на плате.
Вторая вещь, которая мне здесь не нравится - фактическое удвоение количества реле.
Следует заметить, что при анализе этой схемы она вырождается в пятиполюсник и её расчёт становится настоящим кошмаром.
Тогда (R/2)*(R/2)=RsRp, k=R/(R+Rs)=Rp/(R+Rp). Я посчитал резисторы для варианта, аналогичного предыдущему: Как видим - ограничения фактически сняты. Я, правда, не уверен, что смогу обеспечить сопротивление почти в 40МОм, а заодно - блокировать все токи утечки на плате.
Вторая вещь, которая мне здесь не нравится - фактическое удвоение количества реле.
Следует заметить, что при анализе этой схемы она вырождается в пятиполюсник и её расчёт становится настоящим кошмаром.
Владислав
- poty
- Профи

- Сообщения: 5017
- Зарегистрирован: 24 мар 2014, 10:00
- Откуда: Россия, Москва
- Благодарил (а): 189 раз
- Поблагодарили: 642 раза
- Контактная информация:
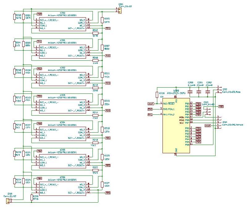
В качестве развития данной темы предлагаю изготовить регулятор громкости балансного усилителя, основанный на "клеточной" технологии. На данный момент имеется проект модульного усилителя, для которого требуется аттенюатор на 100кОм (2х50кОм, если говорить о балансных линиях по отношению к земле). Используется ряд затуханий 1-2-4-8-16-32-39дБ. Нетипичный последний номинал затухания выбран для компенсации большой погрешности на высоких затуханиях из-за ограниченности номиналов резисторов (см. пояснения в теоретической части).
Версия схемы от 10.08.2019
Небольшие пояснения на схеме даны. Я предполагаю, что линии CNTR1, CNTR2 будут определять "канал" (т.о., доступно 4 канала). Если потребуется большее количество каналов, то предлагаю обеспечить их выбор с помощью других механизмов. Предлагаю по этому поводу высказываться.
По интерфейсу 1Wire подаются команды вида:
xx yy zz,
где
xx - "канал" (например, 00 - правый, 01 - левый, 02 - тыловой правый, 03 - тыловой левый...),
уу - "команда" (например, 00 - установка значения аттенюации, 01 - установка чувствительности, 02 - установка баланса...),
zz - "значение" (например, 44 - установка аттенюации 44дБ с учётом поправки и баланса).
Метод буферизации команд предлагаю разработать при программировании.
Небольшие пояснения на схеме даны. Я предполагаю, что линии CNTR1, CNTR2 будут определять "канал" (т.о., доступно 4 канала). Если потребуется большее количество каналов, то предлагаю обеспечить их выбор с помощью других механизмов. Предлагаю по этому поводу высказываться.
По интерфейсу 1Wire подаются команды вида:
xx yy zz,
где
xx - "канал" (например, 00 - правый, 01 - левый, 02 - тыловой правый, 03 - тыловой левый...),
уу - "команда" (например, 00 - установка значения аттенюации, 01 - установка чувствительности, 02 - установка баланса...),
zz - "значение" (например, 44 - установка аттенюации 44дБ с учётом поправки и баланса).
Метод буферизации команд предлагаю разработать при программировании.
- Рейтинг: 16.7%
-
Владислав
- goldmen8
- Опытный

- Сообщения: 554
- Зарегистрирован: 25 май 2018, 10:02
- Откуда: г. Киров (на р. Вятка)
- Благодарил (а): 138 раз
- Поблагодарили: 188 раз
- Контактная информация:
Владислав, не совсем понял кто значит:
Мне кажется, что в этом блоке ("управления реле") МК должен: опознав свой адрес "xx" ("канал") в интерфейсе 1Wire; получить "zz" ( "значение") и просто её выполнить.
Всё остальное выполняет "головной" процессор: принимает сигналы от органов управления, вычисляет значения для каждого канала, хранить пред установочные значения, и всем управляет по интерфейсу 1Wire. ... адресов может быть не четыре а больше до 99 (наверное и ещё больше можно).
Мне кажется, что в этом блоке ("управления реле") МК должен: опознав свой адрес "xx" ("канал") в интерфейсе 1Wire; получить "zz" ( "значение") и просто её выполнить.
Всё остальное выполняет "головной" процессор: принимает сигналы от органов управления, вычисляет значения для каждого канала, хранить пред установочные значения, и всем управляет по интерфейсу 1Wire. ... адресов может быть не четыре а больше до 99 (наверное и ещё больше можно).
Александр.
- poty
- Профи

- Сообщения: 5017
- Зарегистрирован: 24 мар 2014, 10:00
- Откуда: Россия, Москва
- Благодарил (а): 189 раз
- Поблагодарили: 642 раза
- Контактная информация:
Да, но как научить процессор, что xx - это его адрес? Я хотел избавиться от того, чтобы заливать разные прошивки для разных конфигураций, а тем более каналов.
Если каналов у нас не больше 4-х, то можно обойтись двумя линиями для того, чтобы сказать каждому процессору на аттенюаторе, на какой номер канала по 1Wire он должен отвечать.
Пример, у нас два канала, соответственно, две платы. подключаем CNTR1 одной платы к +5В (логическая 1), CNTR1 другой платы к 0В (логический 0), CNTR2 обеих плат к 0В (логический 0). Присваиваем комбинации 00 - левый канал, 10 - правый канал (CNTR1-CNTR2). Теперь процессоры на платах "знают", к какому xx они принадлежат и могут отвечать на "свои" команды.
Если каналов больше 4-х, то назначать их таким образом становится уже накладно. Во-первых, не хватает портов. Во-вторых, соединения получаются довольно замысловатыми. В этом случае я предлагаю "возвращать" сигнал, допустим, с CNTR1 через PtoS интерфейс. В этом случае можно задействовать любое количество каналов, только добавляй регистров. Можно также производить "опрос", какие каналы есть в системе, а каких нет.
Отправлено спустя 1 минуту 59 секунд:
Что касается места хранения установочных значений - не возражаю, что их можно хранить в ЦП. Тогда нужно, с моей точки зрения, предусмотреть небольшую microSD карту с настройками, так как их получается довольно много в разветвлённых конфигурациях.
Если каналов у нас не больше 4-х, то можно обойтись двумя линиями для того, чтобы сказать каждому процессору на аттенюаторе, на какой номер канала по 1Wire он должен отвечать.
Пример, у нас два канала, соответственно, две платы. подключаем CNTR1 одной платы к +5В (логическая 1), CNTR1 другой платы к 0В (логический 0), CNTR2 обеих плат к 0В (логический 0). Присваиваем комбинации 00 - левый канал, 10 - правый канал (CNTR1-CNTR2). Теперь процессоры на платах "знают", к какому xx они принадлежат и могут отвечать на "свои" команды.
Если каналов больше 4-х, то назначать их таким образом становится уже накладно. Во-первых, не хватает портов. Во-вторых, соединения получаются довольно замысловатыми. В этом случае я предлагаю "возвращать" сигнал, допустим, с CNTR1 через PtoS интерфейс. В этом случае можно задействовать любое количество каналов, только добавляй регистров. Можно также производить "опрос", какие каналы есть в системе, а каких нет.
Отправлено спустя 1 минуту 59 секунд:
Что касается места хранения установочных значений - не возражаю, что их можно хранить в ЦП. Тогда нужно, с моей точки зрения, предусмотреть небольшую microSD карту с настройками, так как их получается довольно много в разветвлённых конфигурациях.
- poty
- Профи

- Сообщения: 5017
- Зарегистрирован: 24 мар 2014, 10:00
- Откуда: Россия, Москва
- Благодарил (а): 189 раз
- Поблагодарили: 642 раза
- Контактная информация:
Именно так. Точнее - затухания ступеней.
Отправлено спустя 6 минут 56 секунд:
Исправил несоответствие нумерации обмоток и контактов реле.
10.08.2019:
Исправил схему в соответствии с доступными источниками компонентов. Если есть что высказаться по поводу сигнальных резисторов - готов воспринять.
Под вопросом разъём J209: если есть альтернативный разъём, допускающий небольшую погрешность в размерах (расстоянии соединяемых плат) и угловой по натуре (две платы должны быть соединены под углом 90 градусов) - прошу предлагать.
Отправлено спустя 6 минут 56 секунд:
Исправил несоответствие нумерации обмоток и контактов реле.
10.08.2019:
Исправил схему в соответствии с доступными источниками компонентов. Если есть что высказаться по поводу сигнальных резисторов - готов воспринять.
Под вопросом разъём J209: если есть альтернативный разъём, допускающий небольшую погрешность в размерах (расстоянии соединяемых плат) и угловой по натуре (две платы должны быть соединены под углом 90 градусов) - прошу предлагать.
- Рейтинг: 16.7%
-
Владислав
- goldmen8
- Опытный

- Сообщения: 554
- Зарегистрирован: 25 май 2018, 10:02
- Откуда: г. Киров (на р. Вятка)
- Благодарил (а): 138 раз
- Поблагодарили: 188 раз
- Контактная информация:
Плата, это хорошо!!! ... а то всё на макетках соединёнными перемычками!
Но я бы подождал завершения экспериментов.
Владислав, есть некоторые соображения по подключению реле (распределению портов).
Чтобы выполнить условие: "The sum of all IOL(IOH), for all ports, should not exceed 60 mA."
У нас есть моменты в переключении реле когда нужно одновременно включить (или выключить) 4, 5 или 6 реле. Чтобы распределить нагрузку,
желательно чтобы реле было подключено на один порт обоими выводами. Сейчас все реле одним концом подключено к одному порту а вторым к другому. Я понимаю, что можно программно разделить реле "во времени" и они будут переключатся за несколько проходов. но это-же не то к чему стремились. Хотели сделать цикл переключения как можно короче, включил/выключил или наоборот выкл./вкл., за два условных действия.
Есть соображения по расширению "адресации". Можно использовать ADC вход, устанавливая разное напряжение на входе, меняем адрес устройства.
P.S. Что то в этом году не радуют поставщики или почта чудит. Заказанные микросхемы в начале мая, пришли в конце сентября. А заказанный в конце июня логический анализатор... ещё не пришёл. Хотя через несколько дней появляется запись: - товар прибыл в страну покупателя. Заказал у другого продавца, но жалко время тратится попусту.
Но я бы подождал завершения экспериментов.
Владислав, есть некоторые соображения по подключению реле (распределению портов).
Чтобы выполнить условие: "The sum of all IOL(IOH), for all ports, should not exceed 60 mA."
У нас есть моменты в переключении реле когда нужно одновременно включить (или выключить) 4, 5 или 6 реле. Чтобы распределить нагрузку,
желательно чтобы реле было подключено на один порт обоими выводами. Сейчас все реле одним концом подключено к одному порту а вторым к другому. Я понимаю, что можно программно разделить реле "во времени" и они будут переключатся за несколько проходов. но это-же не то к чему стремились. Хотели сделать цикл переключения как можно короче, включил/выключил или наоборот выкл./вкл., за два условных действия.
Есть соображения по расширению "адресации". Можно использовать ADC вход, устанавливая разное напряжение на входе, меняем адрес устройства.
P.S. Что то в этом году не радуют поставщики или почта чудит. Заказанные микросхемы в начале мая, пришли в конце сентября. А заказанный в конце июня логический анализатор... ещё не пришёл. Хотя через несколько дней появляется запись: - товар прибыл в страну покупателя. Заказал у другого продавца, но жалко время тратится попусту.
Александр.
Кто сейчас на конференции
Сейчас этот форум просматривают: нет зарегистрированных пользователей и 0 гостей