Для активации новой учетной записи и ее подтверждения на Форуме - необходимо связаться с администратором по электронной почте p-i-n-o-k-i-o@mail.ru.
Все новые учетные записи не прошедшие подтверждения администратором воспринимаются как спам.

Hagerman Cornet 2 VS 3 + LND

Аватара пользователя
Евгений Михеев
Заслуженный Ветеран
Заслуженный Ветеран
Сообщения: 4470
Зарегистрирован: 22 май 2015, 11:52
Откуда: Республика Коми, Ухта
Благодарил (а): 324 раза
Поблагодарили: 354 раза
Контактная информация:

Hagerman Cornet 2 VS 3 + LND

#1

Сообщение Евгений Михеев » 13 авг 2020, 21:49

Доброго времени, форумчане! Прошу извинить за долгое отсутствие :)
По просьбе друга решил сделать для него фонокорректор, который будет помещен в корпус преда уже имеющегося. ТОесть сделать 2 в одном.
Ему очень нравится, как играет мой Cornet 2, видоизмененный, с источником тока в хвосте на DN2540.
НО! Трансформатор не имеет запаса больше на накал еще трёх ламп. Но запас по высокому есть однозначно!
Корректор должен быть недорогим. Много деталей уже есть (резисторы, электролиты питания, шунты и т.д.)
Мне в голову пришла идея - собрать корректор на lnd 150.
Единственное, у Хагермана есть модели 2 и 3 - вторая работает с меньшим B+ ( в моем случае не принципиально), часть номиналов деталей иная (тоже не беда).
Возможно. я что-то упускаю (прошу указать).
Ну и как идея в целом?
cornet2.gif
cornet3.gif
За это сообщение автора Евгений Михеев поблагодарил:
Роман Мирошниченко
Рейтинг: 16.7%
 
Дорогу осилит идущий

Аватара пользователя
poty
Профи
Профи
Сообщения: 5047
Зарегистрирован: 24 мар 2014, 10:00
Откуда: Россия, Москва
Благодарил (а): 191 раз
Поблагодарили: 664 раза
Контактная информация:

#2

Сообщение poty » 13 авг 2020, 22:15

Идея, конечно, осуществимая, но для RIAA - довольно рискованная. Дело в том, что LND150 - это как пентод в мире ламп, соответственно, его внутреннее сопротивление - весьма высокое, по крайней мере - существенно выше 12AX7. Выходное сопротивление каскада, являющееся одним из составляющих первой цепи RIAA, будет другим, нужно будет подбирать стоковые сопротивления, что изменит усиление каскада (впрочем, усиление LND150 существенно выше 12AX7). Ну, и, само-собой - автосмещение потребуется рассчитать заново.
Если уж повторять что-то, то лучше ориентироваться на каскодные схемы Wright-а - там от активного элемента мало что зависит.
Владислав

Аватара пользователя
Евгений Михеев
Заслуженный Ветеран
Заслуженный Ветеран
Сообщения: 4470
Зарегистрирован: 22 май 2015, 11:52
Откуда: Республика Коми, Ухта
Благодарил (а): 324 раза
Поблагодарили: 354 раза
Контактная информация:

#3

Сообщение Евгений Михеев » 14 авг 2020, 07:37

poty, спасибо за внимание к теме.
Дело в том, что я уже провел некие этапы моделирования.
Сегодня вечером выложу результаты, я там пересчитал резисторы.
А так, вообще, мысли по поводу 2vs3? Я так понял, что это оптимизация второй версии.
Дорогу осилит идущий

Аватара пользователя
poty
Профи
Профи
Сообщения: 5047
Зарегистрирован: 24 мар 2014, 10:00
Откуда: Россия, Москва
Благодарил (а): 191 раз
Поблагодарили: 664 раза
Контактная информация:

#4

Сообщение poty » 14 авг 2020, 12:54

Евгений Михеев писал(а):
14 авг 2020, 07:37
мысли по поводу 2vs3? Я так понял, что это оптимизация второй версии.
Никаких изменений. Уменьшение анодных резисторов и увеличение катодный резисторов автосмещения - прямое следствие уменьшения анодного напряжения, которое в свою очередь уменьшено по причине того, что легко сделать импульсный блок питания на большую мощность не получилось. Уменьшение анодного резистора первого каскада привело к необходимости пересчёта RIAA, результат меня, если честно, не впечатлил.
В катодном повторителе вообще ничего не поменялось, D2 применён, видимо, для того, чтобы обеспечить хоть какое-то смещение при низких напряжениях и исключить шумы при включении и выключении.
Владислав

Аватара пользователя
Евгений Михеев
Заслуженный Ветеран
Заслуженный Ветеран
Сообщения: 4470
Зарегистрирован: 22 май 2015, 11:52
Откуда: Республика Коми, Ухта
Благодарил (а): 324 раза
Поблагодарили: 354 раза
Контактная информация:

#5

Сообщение Евгений Михеев » 14 авг 2020, 20:54

Итак, я промоделировал существующий у меня сейчас корректор, получилось следующая картина
Hag_tube.gif
Hag_lnd.gif
Сравнение.gif
Я на фото не показал на выходе нагрузочный резистор 50к у выходного конденсатора, результаты расчёта с ним.
poty писал(а):
13 авг 2020, 22:15
Идея, конечно, осуществимая, но для RIAA - довольно рискованная.
Ну я попытался, совесть чиста)
poty писал(а):
13 авг 2020, 22:15
Если уж повторять что-то, то лучше ориентироваться на каскодные схемы Wright-а - там от активного элемента мало что зависит.
Я не против, причем совершенно. Другой вопрос, на вскидку хотя бы, можно ли обойтись малой кровью - а в моем случае малым количеством деталей? И еще одна вводная - корректор будет в корпусе с предом, нагрузка известна, там как раз сейчас установлен регулятор Максима, 10к, длина кабелей - сантиметров 5-7.
Дорогу осилит идущий

Аватара пользователя
poty
Профи
Профи
Сообщения: 5047
Зарегистрирован: 24 мар 2014, 10:00
Откуда: Россия, Москва
Благодарил (а): 191 раз
Поблагодарили: 664 раза
Контактная информация:

#6

Сообщение poty » 14 авг 2020, 21:19

Евгений, не обозначены токи и напряжения. Для чего я это говорю?
Во-первых, меня интересует, по рассеянию мы проходим?
Во-вторых, судя по истоковым сопротивлениям ток через LND150 существенно ниже 1мА, хватает ли этого тока, чтобы на уменьшенном стоковом сопротивлении получить нужную амплитуду?
Евгений Михеев писал(а):
14 авг 2020, 20:54
можно ли обойтись малой кровью - а в моем случае малым количеством деталей? И еще одна вводная - корректор будет в корпусе с предом, нагрузка известна, там как раз сейчас установлен регулятор Максима, 10к
Давайте посмотрим на эту страницу. Самый простой способ адаптации - собрать FVP, там так же, как и у Хагермана, два каскада + нужно будет добавить катодный повторитель, так как White использует обязательную нагрузку в 50кОм, а у Вас - 10кОм. Со вторым каскадом, правда, возникает та же проблема, что и для Хагермана, так как он не каскодный.
Выходом из ситуации является повторение RTP5 - в нём за RIAA отвечает всего ОДИН каскад, и он - каскодный. Правда он - балансный (влияет на количество деталей). С точки зрения входа это никаких проблем нам не несёт, а вот с точки зрения выхода - нужно придумывать, как сопрячь балансный выход с небалансным входом. Думаю, эту проблему можно решить с помощью Unbalancer. В нём фильтров нет, так что превратить его в LND150 версию будет просто.
Владислав

Аватара пользователя
Евгений Михеев
Заслуженный Ветеран
Заслуженный Ветеран
Сообщения: 4470
Зарегистрирован: 22 май 2015, 11:52
Откуда: Республика Коми, Ухта
Благодарил (а): 324 раза
Поблагодарили: 354 раза
Контактная информация:

#7

Сообщение Евгений Михеев » 15 авг 2020, 13:44

А почему бы не пойти еще дальше, и сделать изначально небалансный каскод, отталкиваясь от RTP5? Промоделировать его, и, отталкиваясь это полученных результатов перестроить схему для левого и правого каналов. Как такая мысль?
Дорогу осилит идущий

Аватара пользователя
poty
Профи
Профи
Сообщения: 5047
Зарегистрирован: 24 мар 2014, 10:00
Откуда: Россия, Москва
Благодарил (а): 191 раз
Поблагодарили: 664 раза
Контактная информация:

#8

Сообщение poty » 15 авг 2020, 14:42

Мысль здравая. Надо только понять, хватит ли тока для того, чтобы поддержать такое большое усиление на нужной нагрузке. Пересчитывать ничего не придётся (в RIAA), а вот посмотреть на форму тока (нет ли отсечки) будет точно необходимо.
Владислав

Аватара пользователя
Евгений Михеев
Заслуженный Ветеран
Заслуженный Ветеран
Сообщения: 4470
Зарегистрирован: 22 май 2015, 11:52
Откуда: Республика Коми, Ухта
Благодарил (а): 324 раза
Поблагодарили: 354 раза
Контактная информация:

#9

Сообщение Евгений Михеев » 15 авг 2020, 15:32

Отлично, тогда вечером начну моделировать.
Дорогу осилит идущий

Аватара пользователя
Евгений Михеев
Заслуженный Ветеран
Заслуженный Ветеран
Сообщения: 4470
Зарегистрирован: 22 май 2015, 11:52
Откуда: Республика Коми, Ухта
Благодарил (а): 324 раза
Поблагодарили: 354 раза
Контактная информация:

#10

Сообщение Евгений Михеев » 16 авг 2020, 21:12

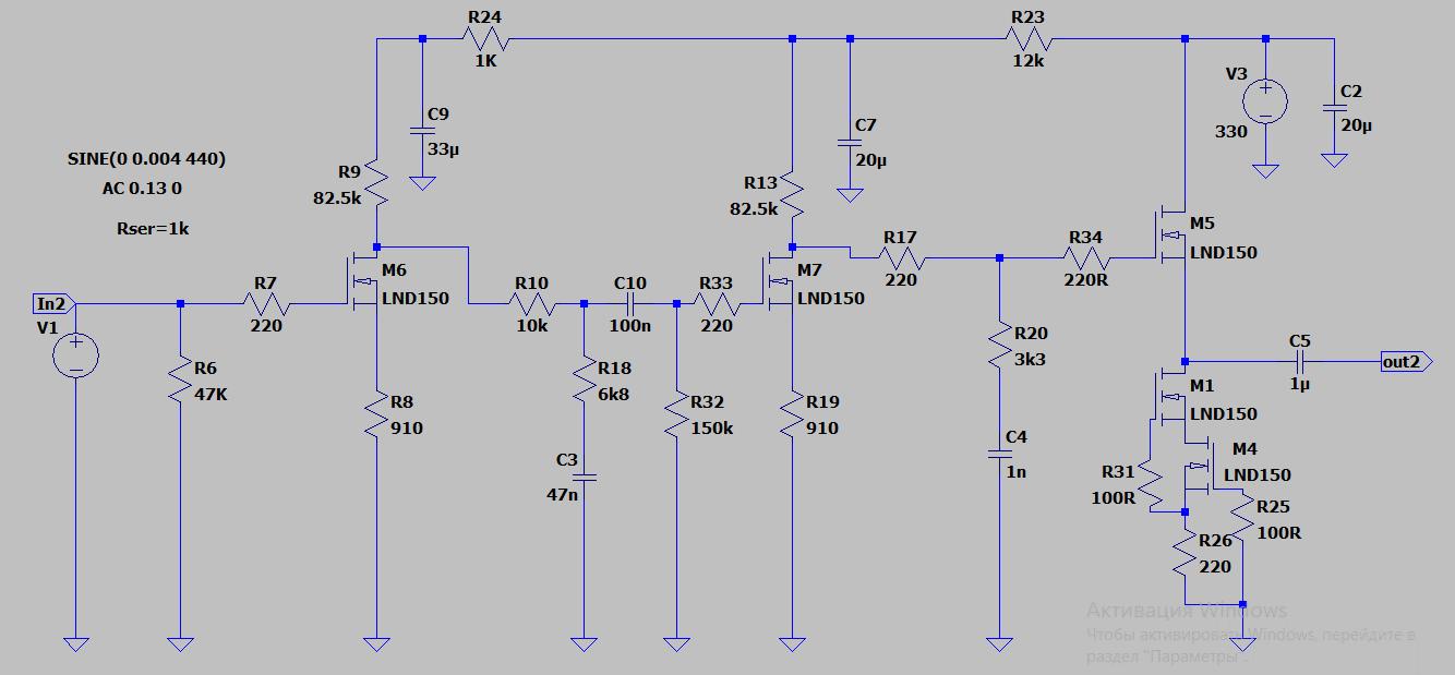
Сначала сама схема
rtp5_rev_1_s.gif
Это чернейший черновик. Я взял за основу пред, который делаю в соседней ветке.
Детали RIAA тоже пока не цеплял. Каркас.
Allen.gif
Я решил изначально замоделить схему. Уверен, есть ошибки, давайте исправлять.
Давайте пройдем по пунктам.
LM329 я заменил на источник напряжения 6,9В (правильно ли я это сделал?)
Входной транзистор верно ли я выбрал?
Ну и источник тока - для моделирования можно ведь было использовать просто источник тока? я имею ввиду задать его в симуляторе.
Дорогу осилит идущий

Аватара пользователя
poty
Профи
Профи
Сообщения: 5047
Зарегистрирован: 24 мар 2014, 10:00
Откуда: Россия, Москва
Благодарил (а): 191 раз
Поблагодарили: 664 раза
Контактная информация:

#11

Сообщение poty » 16 авг 2020, 22:25

Евгений Михеев писал(а):
16 авг 2020, 21:12
LM329 я заменил на источник напряжения 6,9В
ОК.
Евгений Михеев писал(а):
16 авг 2020, 21:12
для моделирования можно ведь было использовать просто источник тока?
Да, сейчас не требуется реальности на DN2540.
Евгений Михеев писал(а):
16 авг 2020, 21:12
Входной транзистор верно ли я выбрал?
Да.
V1-V3 - должен быть один источник без референса на землю (и лучше ему дать какое-нибудь внутреннее сопротивление). R8+R16=47кОм, сейчас - в два раза больше.
Владислав

Аватара пользователя
Евгений Михеев
Заслуженный Ветеран
Заслуженный Ветеран
Сообщения: 4470
Зарегистрирован: 22 май 2015, 11:52
Откуда: Республика Коми, Ухта
Благодарил (а): 324 раза
Поблагодарили: 354 раза
Контактная информация:

#12

Сообщение Евгений Михеев » 17 авг 2020, 19:05

poty писал(а):
16 авг 2020, 22:25
V1-V3 - должен быть один источник без референса на землю
1 - сделаю. Не совсем понял про отсутствие референса на землю - а на что тогда?
poty писал(а):
16 авг 2020, 22:25
и лучше ему дать какое-нибудь внутреннее сопротивление
R series? я "влепил" 1К сейчас, а на какую цифру ориентироваться правильно?
poty писал(а):
16 авг 2020, 22:25
R8+R16=47кОм, сейчас - в два раза больше.
Поправил- 2 по 23.5К
Остался вопрос референса
Allen.gif
Отправлено спустя 3 минуты 7 секунд:
Попробовал относительно 6.9 - верно?
Allen2.gif
Allen2.gif (9.76 КБ) 28234 просмотра
Дорогу осилит идущий

Аватара пользователя
poty
Профи
Профи
Сообщения: 5047
Зарегистрирован: 24 мар 2014, 10:00
Откуда: Россия, Москва
Благодарил (а): 191 раз
Поблагодарили: 664 раза
Контактная информация:

#13

Сообщение poty » 18 авг 2020, 07:33

Плюсом - на один вход, минусом - на другой. Только и всего. Баланс означает, что земля может вообще не присутствовать в соединении.
Владислав

Аватара пользователя
Евгений Михеев
Заслуженный Ветеран
Заслуженный Ветеран
Сообщения: 4470
Зарегистрирован: 22 май 2015, 11:52
Откуда: Республика Коми, Ухта
Благодарил (а): 324 раза
Поблагодарили: 354 раза
Контактная информация:

#14

Сообщение Евгений Михеев » 18 авг 2020, 08:15

Точно! :-)
Спасибо, Владислав!!!
Дорогу осилит идущий

Аватара пользователя
Евгений Михеев
Заслуженный Ветеран
Заслуженный Ветеран
Сообщения: 4470
Зарегистрирован: 22 май 2015, 11:52
Откуда: Республика Коми, Ухта
Благодарил (а): 324 раза
Поблагодарили: 354 раза
Контактная информация:

#15

Сообщение Евгений Михеев » 18 авг 2020, 21:27

Allen3.gif
Allen3.gif (9.66 КБ) 28199 просмотров
poty, оно? :)
Дорогу осилит идущий

Аватара пользователя
poty
Профи
Профи
Сообщения: 5047
Зарегистрирован: 24 мар 2014, 10:00
Откуда: Россия, Москва
Благодарил (а): 191 раз
Поблагодарили: 664 раза
Контактная информация:

#16

Сообщение poty » 18 авг 2020, 22:52

Часть проблем устранена. Евгений, где у Вас сигнальная земля? Почему она переселилась в точку lift (+6,9В)?
Давайте посмотрим на оригинал. Источник тока подключен к отрицательному напряжению (в оригинале, если не ошибаюсь, -15В относительно сигнальной земли, потенциал которой предполагаем = 0). Сетка лампы каскода поднята относительно земли (потенциал 0) на +6,9В. Для чего это сделано? Источник тока для своей работы требует определённого напряжения, нижний элемент каскода (в нашем случае - LSK170B) требует определённого напряжения, должно обеспечиваться смещение сетка катод верхнего элемента каскода (лампы в нашем случае).
Мы знаем, что в точке lift за счёт V4 образовалось 6,9В относительно земли питания (треугольник на схеме) - это теперь, допустим, сигнальная земля (так как к ней подключены входные и выходные резисторы). Нормальная работа LSK170 при токе в 6мА предполагает хотя бы 3В сток-исток, при этом напряжение затвор исток будет примерно около нуля (в районе минус 0,1-0,2В). Затвор у нас подключен к точке lift, т.е., на истоке будет примерно 6,7-6,9В. За счёт тока на R4 (R11) теряем ещё 2В, соответственно на источнике тока будет примерно 4,7-4,9В, пусть этого хватит для его работы (я бы увеличил хотя бы до 10). При напряжении анод катод лампы в районе 30В (200-6,5*25-6,9-3) напряжение сетка катод должно быть около -0,25В, с учётом сетки, поднятой на 6,9В, на катоде будет около 6,7В. Т.е., напряжение сток-исток LSK170 будет около нуля (сравним с требуемыми 3В). Что произойдёт в реальности. Напряжение на источнике тока будет падать фактически до нуля, он перестанет работать, при этом ток сбалансируется в районе 6 мА (если я всё правильно посчитал).
Я понимаю, что делать несколько опорных напряжений, включая отрицательные - не самый правильный вариант. На данном этапе мы моделируем исходную схему и я бы поставил именно два опорника, как в оригинале. В преобразованной схеме можно сделать одно опорное напряжение, но повыше, с учётом накладных расходов на источник тока и смещение верхнего элемента каскода.
Владислав

Аватара пользователя
Евгений Михеев
Заслуженный Ветеран
Заслуженный Ветеран
Сообщения: 4470
Зарегистрирован: 22 май 2015, 11:52
Откуда: Республика Коми, Ухта
Благодарил (а): 324 раза
Поблагодарили: 354 раза
Контактная информация:

#17

Сообщение Евгений Михеев » 19 авг 2020, 21:24

poty,
poty писал(а):
18 авг 2020, 22:52
Евгений, где у Вас сигнальная земля? Почему она переселилась в точку lift (+6,9В)?
Как всегда, просто запутался.
По основной части я понял, я понимаю, для чего мы делаем несколько опорных напряжений, Вы примерно это мне объясняли, когда мы строили пару лет назад балансный SRPP пред для меня.
Я вот только позабыл как это верно замоделировать.
Allen4.gif
Allen4.gif (10.06 КБ) 28168 просмотров
Дорогу осилит идущий

Аватара пользователя
poty
Профи
Профи
Сообщения: 5047
Зарегистрирован: 24 мар 2014, 10:00
Откуда: Россия, Москва
Благодарил (а): 191 раз
Поблагодарили: 664 раза
Контактная информация:

#18

Сообщение poty » 19 авг 2020, 23:03

Сейчас всё правильно. Чтобы было нагляднее, нужно на минус V3 добавить метку, например IN-. Входной сигнал будет IN/IN-, выходной - Out/OutC.
Владислав

Аватара пользователя
Евгений Михеев
Заслуженный Ветеран
Заслуженный Ветеран
Сообщения: 4470
Зарегистрирован: 22 май 2015, 11:52
Откуда: Республика Коми, Ухта
Благодарил (а): 324 раза
Поблагодарили: 354 раза
Контактная информация:

#19

Сообщение Евгений Михеев » 20 авг 2020, 06:41

poty, понял, вечером продолжу - поправлю, спасибо!
Дорогу осилит идущий

Аватара пользователя
Евгений Михеев
Заслуженный Ветеран
Заслуженный Ветеран
Сообщения: 4470
Зарегистрирован: 22 май 2015, 11:52
Откуда: Республика Коми, Ухта
Благодарил (а): 324 раза
Поблагодарили: 354 раза
Контактная информация:

#20

Сообщение Евгений Михеев » 20 авг 2020, 21:04

Владислав, вроде что-то вышло)
Allen5.gif
Allen5.gif (11.17 КБ) 28136 просмотров
RIAA внешне похожа на ту, что я намоделировал на Хагермане.
Подсказывайте, что надо измерить, в каких точках. :)
Дорогу осилит идущий

Ответить

Кто сейчас на конференции

Сейчас этот форум просматривают: нет зарегистрированных пользователей и 2 гостя