Для активации новой учетной записи и ее подтверждения на Форуме - необходимо связаться с администратором по электронной почте p-i-n-o-k-i-o@mail.ru.
Все новые учетные записи не прошедшие подтверждения администратором воспринимаются как спам.
Все новые учетные записи не прошедшие подтверждения администратором воспринимаются как спам.
Ламповый гитарный усилитель "SLOM"
- Евгений Михеев
- Заслуженный Ветеран

- Сообщения: 4420
- Зарегистрирован: 22 май 2015, 11:52
- Откуда: Республика Коми, Ухта
- Благодарил (а): 300 раз
- Поблагодарили: 347 раз
- Контактная информация:
Далее я хотел бы привести схему усилителя, ранее уже собранного мной.
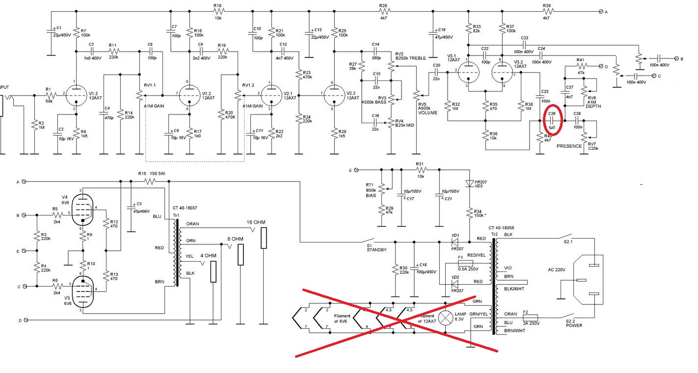
Я сразу хочу оговориться, что силовой трансформатор был заказной и НЕ ИМЕЕТ таких характеристик, как на схеме. Разница в накальной обмотке. Она была заказана на 13 Вольт и накал осуществлялся выпрямленным стабилизированным напряжением, я применил платы стабилизации/накала, любезно предоставленные в рамках акции "возьми бесплатно". Как можно заметить, у нас появился конденсатор 1uF в обвязке DEPTH. Там он развязывает постоянку с потенциометра, чтобы убрать шуршание. В схеме СЛО этого конденсатора нет. Я пробовал убирать его, экспериментировал, разницы в шуршании не обнаружил. Возможно, шуршание появляется со временем, когда потенциометр начинает постепенно доживать свой век. Поэтому СЛО будет без него. ФИ такой же, кстати, этот ФИ Джим Маршалл "позаимствовал" у компании Fender в свое время.
Я сразу хочу оговориться, что силовой трансформатор был заказной и НЕ ИМЕЕТ таких характеристик, как на схеме. Разница в накальной обмотке. Она была заказана на 13 Вольт и накал осуществлялся выпрямленным стабилизированным напряжением, я применил платы стабилизации/накала, любезно предоставленные в рамках акции "возьми бесплатно". Как можно заметить, у нас появился конденсатор 1uF в обвязке DEPTH. Там он развязывает постоянку с потенциометра, чтобы убрать шуршание. В схеме СЛО этого конденсатора нет. Я пробовал убирать его, экспериментировал, разницы в шуршании не обнаружил. Возможно, шуршание появляется со временем, когда потенциометр начинает постепенно доживать свой век. Поэтому СЛО будет без него. ФИ такой же, кстати, этот ФИ Джим Маршалл "позаимствовал" у компании Fender в свое время.
Дорогу осилит идущий
- Евгений Михеев
- Заслуженный Ветеран

- Сообщения: 4420
- Зарегистрирован: 22 май 2015, 11:52
- Откуда: Республика Коми, Ухта
- Благодарил (а): 300 раз
- Поблагодарили: 347 раз
- Контактная информация:
- Евгений Михеев
- Заслуженный Ветеран

- Сообщения: 4420
- Зарегистрирован: 22 май 2015, 11:52
- Откуда: Республика Коми, Ухта
- Благодарил (а): 300 раз
- Поблагодарили: 347 раз
- Контактная информация:
- Евгений Михеев
- Заслуженный Ветеран

- Сообщения: 4420
- Зарегистрирован: 22 май 2015, 11:52
- Откуда: Республика Коми, Ухта
- Благодарил (а): 300 раз
- Поблагодарили: 347 раз
- Контактная информация:
- Евгений Михеев
- Заслуженный Ветеран

- Сообщения: 4420
- Зарегистрирован: 22 май 2015, 11:52
- Откуда: Республика Коми, Ухта
- Благодарил (а): 300 раз
- Поблагодарили: 347 раз
- Контактная информация:
Сделал два окна под силовой и выходной трансформаторы. Разметился немного.
Я расчитываю на Вашу помощь, форумчане.
Если верно понимаю, то на один оптрон будет расходоваться 40мА.
Таким образом, на 5 оптронов 200мА.
Но, разом они не работают. Связка 2 или 3. Таким образом 120мА максимум.
Есть трансформатор 12в*250мА.
Я хочу понять, хватит ли мне этого трансформатора?
Таким образом, на 5 оптронов 200мА.
Но, разом они не работают. Связка 2 или 3. Таким образом 120мА максимум.
Есть трансформатор 12в*250мА.
Я хочу понять, хватит ли мне этого трансформатора?
Дорогу осилит идущий
- Евгений Михеев
- Заслуженный Ветеран

- Сообщения: 4420
- Зарегистрирован: 22 май 2015, 11:52
- Откуда: Республика Коми, Ухта
- Благодарил (а): 300 раз
- Поблагодарили: 347 раз
- Контактная информация:
Не совсем, понял, в чем соль теста с LM317.poty писал(а):За глаза! Не помню точного алгоритма переключения, но я бы тупо соединил их последовательно и нагрузил на источник тока (хоть бы и LM317).
Как я понял из мануала, чем больше мы даем тока на них, тем меньше сопротивление они дают в цепи. Владислав, продолжайте)
Дорогу осилит идущий
- Евгений Михеев
- Заслуженный Ветеран

- Сообщения: 4420
- Зарегистрирован: 22 май 2015, 11:52
- Откуда: Республика Коми, Ухта
- Благодарил (а): 300 раз
- Поблагодарили: 347 раз
- Контактная информация:
- Евгений Михеев
- Заслуженный Ветеран

- Сообщения: 4420
- Зарегистрирован: 22 май 2015, 11:52
- Откуда: Республика Коми, Ухта
- Благодарил (а): 300 раз
- Поблагодарили: 347 раз
- Контактная информация:
Давайте зададимся схемой из первого сообщения. Только примем обмотку не 6.3в, а 12в 250мА.
Я также не понимаю пока, почему мы задаемся источником тока в 40мА. У нас ведь 40мА потребление одного оптрона. Давайте может тогда сделаем толковую схему, если возможно не шибко усложнить ее с точки зрения места на плате.
Хотя, я так понимаю, мы говорим о последовательном включении, то ток не меняется?
Я также не понимаю пока, почему мы задаемся источником тока в 40мА. У нас ведь 40мА потребление одного оптрона. Давайте может тогда сделаем толковую схему, если возможно не шибко усложнить ее с точки зрения места на плате.
Хотя, я так понимаю, мы говорим о последовательном включении, то ток не меняется?
Дорогу осилит идущий
- Евгений Михеев
- Заслуженный Ветеран

- Сообщения: 4420
- Зарегистрирован: 22 май 2015, 11:52
- Откуда: Республика Коми, Ухта
- Благодарил (а): 300 раз
- Поблагодарили: 347 раз
- Контактная информация:
Я бы не сказал, что свитч стандартизирован. Часто они не подходят друг к другу между усилителями.
У меня там DPDT сейчас, если не ошибаюсь. Вечером точно скажу.
Насчет светодиода - он желателен. Но, можно и пережить.
Само наличие диода удобно с точки зрения выступлений на темной сцене. Любой гитарист знает, что когда свет приглушен,
Сразу и не понять, какой канал включен.
У меня там DPDT сейчас, если не ошибаюсь. Вечером точно скажу.
Насчет светодиода - он желателен. Но, можно и пережить.
Само наличие диода удобно с точки зрения выступлений на темной сцене. Любой гитарист знает, что когда свет приглушен,
Сразу и не понять, какой канал включен.
Дорогу осилит идущий
- Евгений Михеев
- Заслуженный Ветеран

- Сообщения: 4420
- Зарегистрирован: 22 май 2015, 11:52
- Откуда: Республика Коми, Ухта
- Благодарил (а): 300 раз
- Поблагодарили: 347 раз
- Контактная информация:
- Евгений Михеев
- Заслуженный Ветеран

- Сообщения: 4420
- Зарегистрирован: 22 май 2015, 11:52
- Откуда: Республика Коми, Ухта
- Благодарил (а): 300 раз
- Поблагодарили: 347 раз
- Контактная информация:
- poty
- Профи

- Сообщения: 5013
- Зарегистрирован: 24 мар 2014, 10:00
- Откуда: Россия, Москва
- Благодарил (а): 188 раз
- Поблагодарили: 640 раз
- Контактная информация:
Ну, судя по оригинальной схеме, LDR работают на 20мА. Т.о., если учесть, что на светодиод оставляем 3-4мА, общий потребляемый ток (для предложенной мной схемы) будет не больше 25мА - вполне себе в норме для 60мА транса. Можно даже ток увеличить для LDR примерно до 40мА.
Maybe
Maybe
Владислав
-
- Похожие темы
- Ответы
- Просмотры
- Последнее сообщение
-
-
Отключаемый параллельный ламповый буфер
Евгений Михеев » 25 дек 2024, 17:56 » в форуме Раздел Потапова Владислава - 41 Ответы
- 36903 Просмотры
-
Последнее сообщение Евгений Михеев
10 авг 2025, 13:17
-
Кто сейчас на конференции
Сейчас этот форум просматривают: нет зарегистрированных пользователей и 3 гостя