Для активации новой учетной записи и ее подтверждения на Форуме - необходимо связаться с администратором по электронной почте p-i-n-o-k-i-o@mail.ru.
Все новые учетные записи не прошедшие подтверждения администратором воспринимаются как спам.

Kit усилителей OddBlock Series 2 OCTAL (OBS2OC) от "OddWatt Audio" (США)

Аватара пользователя
poty
Профи
Профи
Сообщения: 5049
Зарегистрирован: 24 мар 2014, 10:00
Откуда: Россия, Москва
Благодарил (а): 192 раза
Поблагодарили: 664 раза
Контактная информация:

Kit усилителей OddBlock Series 2 OCTAL (OBS2OC) от "OddWatt Audio" (США)

#1

Сообщение poty » 14 мар 2016, 07:00



Сайт производителя http://www.oddwattaudio.com/owabout.html
Информация об авторе (Bruce Heran) http://audioxpress.com/article/member-p ... heran.html
Аналогичная сборка http://diyaudioprojects.com/Tubes/5751- ... e-Amp-Kit/
Форум развития и поддержки проекта http://diyaudioprojects.com/Forum/viewt ... p?f=9&t=43
1.png
Принципиальная схема усилителя
2.png
Принципиальная схема БП
Владислав

Аватара пользователя
Роман Мирошниченко
Заслуженный Ветеран
Заслуженный Ветеран
Сообщения: 4415
Зарегистрирован: 09 май 2014, 13:31
Откуда: Саратов
Благодарил (а): 536 раз
Поблагодарили: 187 раз
Контактная информация:

#1061

Сообщение Роман Мирошниченко » 30 мар 2019, 17:23

poty писал(а):
30 мар 2019, 11:58
А перемерить балансер?
Это я сейчас сделаю. Просто уже уезжал...

Отправлено спустя 1 минуту 43 секунды:
poty писал(а):
30 мар 2019, 11:58
4-Омный выход имеет лучшую нагрузочную способность
Да вот, на слух я как-то этого не заметил ни разу. Звук вялый на этом выходе, а на 8 Ом он собирается и становится рельефнее.

Отправлено спустя 2 минуты 13 секунд:
poty писал(а):
30 мар 2019, 11:58
я увидел, что провода электростатов отключены от усилителя. Возможно, я не прав.
Это я уже потом их отключил, чтобы не повредить. Относительно нагрузки я подумал, что все равно они "спят". Но, самый первый замер я делал после прослушиваний музыки. В паузах. Соответственно, акустика не спала.

Отправлено спустя 1 минуту 17 секунд:
poty писал(а):
30 мар 2019, 11:58
Но я снова не увидел ничего подключенного на Ваших фото из экспериментов.
Ну, тоже самое. Фото сделаны уже потом, когда я все отключил. Сейчас я сам пересмотрю их...

Отправлено спустя 8 минут 25 секунд:
Все правильно, Владислав, на фото от усилителя отключено ВСЕ.
Но, опубликованные фото - это уже правый усилитель в раскрытом и перевернутом виде. Поэтому все и отключено. И это только последний замер. До него я все замеры делал на обоих моноблоках, в нормальном их положении и при всех подключениях к системе.
В самом первом замере, между подходами усилители воспроизводили музыку. Потом уже, на холостом ходу время выжидали. Просто время замеров очень продолжительное и приходилось начинать и заканчивать сеансы либо рано, либо поздно. Соседей беречь приходится, какая уж тат музыка в 6:00 или 24:00 :-)

Отправлено спустя 19 минут 17 секунд:
Левый 1-1/1-2:
Левый 2-1/2-2:
Правый 1-1/1-2:
Правый 2-1/2-2:

... Владислав, я заново перевернул и вскрыл усилители, но увы... Подлезть щупами в это место просто не реально. Там ничего не видно и мои щупы не умещаются. Я продолжал попытки, пока предохранитель не вспыхнул ярким светом. И я воспринял это как знак. Увы :sad:

Мне удалось получить значения на левом моноблоке соответственно 35 и 41... но, я не могу на них настаивать ибо, какой там был контакт не извесьно.

Я хотел снять балансеры, но это не решит проблему. Радиаторы мешают все равно.

Отправлено спустя 15 минут 50 секунд:
18A92BC2-4C19-4D52-8650-E596AE3DCB60.jpeg
Тесно :sad:

Аватара пользователя
poty
Профи
Профи
Сообщения: 5049
Зарегистрирован: 24 мар 2014, 10:00
Откуда: Россия, Москва
Благодарил (а): 192 раза
Поблагодарили: 664 раза
Контактная информация:

#1062

Сообщение poty » 30 мар 2019, 19:14

Ой, не стоило мучиться, если не пролезало. Предохранитель-то запасной есть?
Приведённые цифры - это в милливольтах?
Владислав

Аватара пользователя
Роман Мирошниченко
Заслуженный Ветеран
Заслуженный Ветеран
Сообщения: 4415
Зарегистрирован: 09 май 2014, 13:31
Откуда: Саратов
Благодарил (а): 536 раз
Поблагодарили: 187 раз
Контактная информация:

#1063

Сообщение Роман Мирошниченко » 30 мар 2019, 19:31

poty писал(а):
30 мар 2019, 19:14
Предохранитель-то запасной есть?
Предохранитель не сгорел, я быстро среагировал. :smile:
poty писал(а):
30 мар 2019, 19:14
Приведённые цифры - это в милливольтах?
Я шкалу установил, как Вы сказали 2 V=
Пока тыкался, стараясь подлезть на обоих моноблоках, значения ловил примерно в этом диапазоне. Но, не могу быть в них уверен. Не чувствовал физического контакта с выводами резистора. Вроде поймал, а вроде нет...
poty писал(а):
30 мар 2019, 19:14
Ой, не стоило мучиться, если не пролезало.
Спасибо, а то я виноватым себя чувствовал. Собрал моноблоки и сижу слушаю. Поют... Но, все-таки громкости не хватает без предусилителя. Когда особенно с MC-хэдампа... С медиаплеера, как всегда через край ее. Видно там выход сильнее.

Аватара пользователя
Роман Мирошниченко
Заслуженный Ветеран
Заслуженный Ветеран
Сообщения: 4415
Зарегистрирован: 09 май 2014, 13:31
Откуда: Саратов
Благодарил (а): 536 раз
Поблагодарили: 187 раз
Контактная информация:

#1064

Сообщение Роман Мирошниченко » 30 мар 2019, 19:44

Владислав, я в итоге получается жду Вашего вердикта.
Готов остаться на таком состоянии.
Готов к их дальнейшей переделке (почему-то уверен, что Евгений поддержит :pray: ).
Как скажете.
:wink:

Аватара пользователя
Евгений Михеев
Заслуженный Ветеран
Заслуженный Ветеран
Сообщения: 4474
Зарегистрирован: 22 май 2015, 11:52
Откуда: Республика Коми, Ухта
Благодарил (а): 324 раза
Поблагодарили: 355 раз
Контактная информация:

#1065

Сообщение Евгений Михеев » 30 мар 2019, 20:25

Ну когда я против был.

Отправлено спустя 10 минут 32 секунды:
Тем более моноблоки то не накатались :-)
За это сообщение автора Евгений Михеев поблагодарил:
Роман Мирошниченко
Рейтинг: 16.7%
 
Дорогу осилит идущий

Аватара пользователя
poty
Профи
Профи
Сообщения: 5049
Зарегистрирован: 24 мар 2014, 10:00
Откуда: Россия, Москва
Благодарил (а): 192 раза
Поблагодарили: 664 раза
Контактная информация:

#1066

Сообщение poty » 30 мар 2019, 20:43

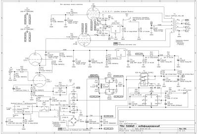
Итак, последняя схема:
LastChanges.png
Реализованная схема с правками от Евгения и Алексея
Отправлено спустя 1 минуту 5 секунд:
Прошу Евгения, если вспомнит, подкорректировать по номенклатуре деталей.
На схеме - заменённые и добавленные элементы отмечены знаком (*).

Отправлено спустя 18 минут 11 секунд:
Теперь - обещанный анализ.
Я отталкивался от значений, которые должны быть стабилизированы. Таких значений два:
1. Суммарный ток через выходные лампы. Его стабильность не вызывает вопросов.
2. Напряжение на каскаде драйвера. Было подтверждено, что оно составляет 261-262 вольта и стабильно во времени.
Т.о., объективная часть работает правильно.
Измерения на балансере я не учитывал, так как достоверность их вызывает сомнения и они мало что добавляют в общую картину. Такой вывод я сделал из того, что напряжение накала находятся в допустимых пределах (12-12,1В).
Далее - драйвер работает правильно, средняя точка - находится практически идеально посередине анодного напряжения каскада. Суммарное потребление драйвера и стабилизатора (435-320)/43к=2,6мА. Ток стабилизатора 262/(470+2,2)=0,6мА, ток цепи подъёма накала 320/(220+62)=1,1мА, т.о., непосредственно каскад потребляет 0,9мА - что в пределах ожидаемых значений. Уверен, что 0,6мА не создаёт избыточной нагрузки на трансформатор (добавка к мощности - чуть больше 0,26Вт).
Смещение выходных ламп немного превышает ожидаемое значение, но это означает, что эмиссия у них ещё очень хорошая. Разность напряжений на катодах (43,5-42,3=1,2В или 2,8% и 42,9-41,5=1,4В или 3,4%) показывает достаточно высокую степень идентичности ламп в рабочей точке. В левом подбор немного более качественный.
Т.о., вердикт - усилитель работает в правильных режимах и никаких модификаций не требует.
За это сообщение автора poty поблагодарили (всего 2):
Роман Мирошниченко, seurf
Рейтинг: 33.3%
 
Владислав

Аватара пользователя
Роман Мирошниченко
Заслуженный Ветеран
Заслуженный Ветеран
Сообщения: 4415
Зарегистрирован: 09 май 2014, 13:31
Откуда: Саратов
Благодарил (а): 536 раз
Поблагодарили: 187 раз
Контактная информация:

#1067

Сообщение Роман Мирошниченко » 30 мар 2019, 21:03

poty писал(а):
30 мар 2019, 20:44
Итак, последняя схема:
Ого, даже мелкие изменения (типа пластина на диодный мост :twisted: ) учтены. Класс!
:clap:

Аватара пользователя
Евгений Михеев
Заслуженный Ветеран
Заслуженный Ветеран
Сообщения: 4474
Зарегистрирован: 22 май 2015, 11:52
Откуда: Республика Коми, Ухта
Благодарил (а): 324 раза
Поблагодарили: 355 раз
Контактная информация:

#1068

Сообщение Евгений Михеев » 30 мар 2019, 21:13

C14 - elna silmic II

Отправлено спустя 6 минут 42 секунды:
С9 = 0.1 мкф
Остальные детали, кажется, указаны верно.
Дорогу осилит идущий

Аватара пользователя
poty
Профи
Профи
Сообщения: 5049
Зарегистрирован: 24 мар 2014, 10:00
Откуда: Россия, Москва
Благодарил (а): 192 раза
Поблагодарили: 664 раза
Контактная информация:

#1069

Сообщение poty » 30 мар 2019, 21:25

Теперь - относительно наблюдающегося увеличения нестабильности баланса. С большой долей вероятности могу предположить, что результатом этого увеличения стала стабилизация каскада драйвера.
Предпосылки для такого вывода:
- значительная мгновенная флуктуация сетевого напряжения с небольшим долговременным изменением;
- "копирование" изменений сетевого напряжения на шину высокого напряжения, фактически, без сглаживания;
- резкое изменение направления сходимости при подстройке;
- зависимость от тока в выходных лампах.
Логика:
- напряжение в токе подключения проходных конденсаторов к драйверу - стабилизировано;
- изменение на шине высокого напряжения приводят к изменению напряжения на обоих катодах мощных ламп, чтобы обеспечить тот же самый ток; увеличение B+ должно приводить к увеличению напряжения на катодах, чтобы "прикрыть" лампу и наоборот;
- изменение B+ изменяет рабочую точку (совокупность напряжения анод-катод и тока через лампу), в этой новой точке идентичность параметров лампы может быть другой, что и приводит к разбалансу;
- при нестабилизированном напряжении на драйвере - изменение напряжения в сети приводит к изменению напряжения на средней точке драйвера (на половину величины изменения напряжения В+, вызванного изменением напряжения в сети), что приводит к дополнительному увеличению напряжения на сетке "активной" лампы; получившийся разбаланс должен отработаться источником тока в хвосте, при этом на "пассивной" лампе компенсация будет ниже (из-за наличия небольшой ООС в катоде) и производиться в другую сторону, по отношению к активной лампе; помимо этого, источник тока должен поднять напряжение на катодах, как и в случае стабилизированного напряжения драйвера; результирующее увеличение напряжения на катоде будет отличаться (меньше) по сравнению со стабилизированным вариантом, что ближе к установившейся рабочей точке.
Вывод из логики - это нормальное последствие стабилизации драйвера.
За это сообщение автора poty поблагодарили (всего 2):
Роман Мирошниченко, goldmen8
Рейтинг: 33.3%
 
Владислав

Аватара пользователя
Роман Мирошниченко
Заслуженный Ветеран
Заслуженный Ветеран
Сообщения: 4415
Зарегистрирован: 09 май 2014, 13:31
Откуда: Саратов
Благодарил (а): 536 раз
Поблагодарили: 187 раз
Контактная информация:

#1070

Сообщение Роман Мирошниченко » 31 мар 2019, 06:27

Владислав, огромное Вам спасибо за проделанный анализ. И за снисходительный подход в восприятии моего, пароноидально озабоченного, аудиофильства в целом.
Я неустанно благодарю судьбу (в т.ч. в лице Яна, пригласившего меня на форум), что не будучи радиолюбителем, смог погрузиться в мир таких вот процессов. Возможно, для продвинутых в аппаратуростроении форумчан, происходящее есть обыденность. Для меня же, достижение звука мечты (а именно в этом процессе я нахожусь всю жизнь), основанное не на фантазиях, а на реальных технических действиях - это просто фантастика какая-то.

:pray: :pray: :pray:
poty писал(а):
30 мар 2019, 21:02
Т.о., вердикт - усилитель работает в правильных режимах и никаких модификаций не требует.
poty писал(а):
30 мар 2019, 21:25
Вывод из логики - это нормальное последствие стабилизации драйвера.
Меня безусловно это не может не радовать. И хотя я был подсознательно рад, намечающемуся продолжению возни с этими моноблоками, я не могу не признать, что камень у меня с души сейчас снят. А тот аспект, что было оправдано мое занудное внимание к мелочам и обоснована причина их появления - буквально убивает мое чувство вины за привлечение общего внимания. Сколько раз уже в ветках этого форума я нарушаю общее спокойствие сомнительными проблемами.
:smile: :smile: :smile:

Очень надеюсь, что и остальные участники дискуссии выскажут свое мнение по вердиктам. :smile:
И хотелось бы узнать, удовлетворена ли "оппозиция"? :wink:

P.S. Сегодня буду их уже слушать. Постепенно настрою оптимальную балансировку. Лампы правого моноблока, пока менять не хочу. Проблемными их не считаю, а по уровню геттера, лампы левого моноблока пока не сравнялись с теми, что на хранении. Торопиться в этом вопросе мне не куда.
За это сообщение автора Роман Мирошниченко поблагодарили (всего 3):
seurf, Алаев Ян, goldmen8
Рейтинг: 50%
 

Аватара пользователя
poty
Профи
Профи
Сообщения: 5049
Зарегистрирован: 24 мар 2014, 10:00
Откуда: Россия, Москва
Благодарил (а): 192 раза
Поблагодарили: 664 раза
Контактная информация:

#1071

Сообщение poty » 31 мар 2019, 12:07

Алаев Ян писал(а):
31 мар 2019, 11:36
у меня тоже питание драйвера стабилизировано, но, тем не менее, подобных процессов в моей конструкции не наблюдается.
Оба утверждения неверны: если стабилизированы и драйвер, и выходной каскад - это эквивалентно отсутствию стабилизации у обоих с дополнительным бонусом в виде того, что анодное напряжение не изменяется вовсе; "процесс" наблюдается даже в этом случае, как выяснилось из измерений - да, сходимость выше, но это связано с тем, что стабилизированный блок в принципе может дать больше тока при постоянном напряжении (или с минимальной просадкой), таким образом ускоряя переходные процессы.
Владислав

Аватара пользователя
Роман Мирошниченко
Заслуженный Ветеран
Заслуженный Ветеран
Сообщения: 4415
Зарегистрирован: 09 май 2014, 13:31
Откуда: Саратов
Благодарил (а): 536 раз
Поблагодарили: 187 раз
Контактная информация:

#1072

Сообщение Роман Мирошниченко » 31 мар 2019, 13:12

Алаев Ян писал(а):
31 мар 2019, 11:36
Поэтому, я могу сделать свой вывод на основании практического опыта. Не нужно считать, что конструкция усилителей совершенна или идеальна. Конструкция работоспособна и функциональна и надо жить и эксплуатировать усилители, наслаждаясь их звучанием.
Ян, я бы согласился с этим выводом безусловн, ибо основное, что я имею от этих усилителей - ЗВУК, просто шикарен. И я рискну утверждать, что он изменился в лушую сторону (есть мысли на этот счет и позже я изложу их).
Однако, изменилась пользовательская функция - настройка баланса. Единственное, что может делать пользователь с этими усилителями превратилось... грубо скажу, превратилось в бессмылицу.
Но, систематизация замеров в проведенных наблюдениях, все же позволяет приспособиться. И я думаю, что при последующих прослушиваниях, я найду интервал для настройки баланса, кторый обеспечит повторяемость параметров во времени.
Попробую, по крайней мере.

Меня смутил один момент все-таки. Мне показалось, что при замкнутых клеммах четырехомного выхода, стабильность наступала раньше. Это тоже нужно проверить. Ведь акустика моя низкоомная. Причем, обе пары таковы.

Аватара пользователя
rad54
Форумщик
Форумщик
Сообщения: 451
Зарегистрирован: 20 мар 2018, 13:37
Откуда: Новосибирск, Россия
Благодарил (а): 89 раз
Поблагодарили: 119 раз
Контактная информация:

#1073

Сообщение rad54 » 31 мар 2019, 14:26

poty писал(а):
30 мар 2019, 21:02
Итак, последняя схема:
Владислав, прекрасная работа и анализ. Еще посмакую чуть позже.
В схеме балансера вижу описку: входное напряжение подано на выход 317-х вместо входа. Или это "запутывальный" штрих для конкурентов? :-)

Отправлено спустя 18 минут 43 секунды:
Алаев Ян писал(а):
31 мар 2019, 11:36
Я 11 лет работаю в фирме, которая профессионально занимается разработкой и производством контрольно-измерительных приборов промышленного назначения
Алаев Ян писал(а):
31 мар 2019, 11:36
И оказывается, что обращений то по этому вопросу или не было совсем или было так мало
Ян, это не "Рубеж" случайно? У меня к нему есть конкретные претензии по багам. Извиняюсь конечно, если не по адресу.
Так что, может, вы заблуждаетесь с таким выводом.
Алексей

Аватара пользователя
poty
Профи
Профи
Сообщения: 5049
Зарегистрирован: 24 мар 2014, 10:00
Откуда: Россия, Москва
Благодарил (а): 192 раза
Поблагодарили: 664 раза
Контактная информация:

#1074

Сообщение poty » 31 мар 2019, 15:12

Алексей, да, это ошибка! Исправлю. Тут конкуренции, как я думаю, нет, лучше оградить потенциальных последователей от неприятных последствий.
Владислав

Аватара пользователя
goldmen8
Опытный
Опытный
Сообщения: 554
Зарегистрирован: 25 май 2018, 10:02
Откуда: г. Киров (на р. Вятка)
Благодарил (а): 138 раз
Поблагодарили: 188 раз
Контактная информация:

#1075

Сообщение goldmen8 » 31 мар 2019, 16:06

Роман, одним "словом" - нет предела совершенства.
...и зачастую чтобы достичь совершенства приходится что то дорабатывать или менять. ...менять всё кардинально.
:insane: а вруг еще можно лучшего добиться?
poty писал(а):
30 мар 2019, 21:25
Вывод из логики - это нормальное последствие стабилизации драйвера.
Владислав, спасибо за данное утверждение.
Что ещё раз приводит к мысли что стабилизировать нужно не только напряжение питания драйвера но и питание выходного каскада, кик сделано у Яна в "экспериментальном"
:smoke: или ничего не стабилизировать.

А почему происходит эффект "скачка"? Не могу понять причину (происхождение) этого явления. :think:
Роман Мирошниченко писал(а):
25 мар 2019, 01:03
Я вот писал про "скачки" после балансировки... Вот опять поймал этот симптом, но только мультиметром и в процессе.

Перед выключением решил подправить баланс. Измерил 93,6/93,0.
Кручу потихонечку регулятор в сторону меньшего значения. Убавляю 93,6 до 93,2. Перехожу на клемму второй лампы... А там ни что не изменилось. Однако...
Я продолжаю ей прибавлять, а не прибавляется. Не изменяется значение. И вдруг раз и упало даже до 92,8. И через пару секунд баланс установился 94/92,6.
Какая-то чертовщина.
Ура!!! При отправке сообщения появилось предупреждение, что было добавлено новое сообщение. :clap:
Александр.

Аватара пользователя
poty
Профи
Профи
Сообщения: 5049
Зарегистрирован: 24 мар 2014, 10:00
Откуда: Россия, Москва
Благодарил (а): 192 раза
Поблагодарили: 664 раза
Контактная информация:

#1076

Сообщение poty » 31 мар 2019, 16:32

goldmen8 писал(а):
31 мар 2019, 16:06
А почему происходит эффект "скачка"?
У нас есть описание этого эффекта. В нём я хочу выделить:
а) спонтанность;
б) нелогичность результата;
в) отсутствие реактивных элементов внутри каскада, по крайней мере, такой величины, что способны дать столь долговременный эффект (т.е., паразитные параметры есть, конечно, но они неспособны "отсрочить" исполнение изменения смещения на несколько секунд).
Из чего я исхожу, что данный эффект явился результатом случайного попадания в середину внешнего переходного процесса (например, резкого изменения напряжения питания). Первоначально у меня была идея гистерезиса регулировки переменным резистором или его дефект в этой области, но в связи с тем, что Роман достаточно долго балансировал усилитель и, очевидно, что точка регулировки лежит недалеко от установленного в тот момент значения - результат был бы повторяющимся.
Владислав

Аватара пользователя
Роман Мирошниченко
Заслуженный Ветеран
Заслуженный Ветеран
Сообщения: 4415
Зарегистрирован: 09 май 2014, 13:31
Откуда: Саратов
Благодарил (а): 536 раз
Поблагодарили: 187 раз
Контактная информация:

#1077

Сообщение Роман Мирошниченко » 31 мар 2019, 16:48

Я собиру статистику балансировки в течении продолжительного периода. Может быть, месяца. Возможно, что-то проявится. А может и нет.

Аватара пользователя
Роман Мирошниченко
Заслуженный Ветеран
Заслуженный Ветеран
Сообщения: 4415
Зарегистрирован: 09 май 2014, 13:31
Откуда: Саратов
Благодарил (а): 536 раз
Поблагодарили: 187 раз
Контактная информация:

Статистика

#1078

Сообщение Роман Мирошниченко » 21 апр 2019, 10:54

Итак, я провел наблюдение за балансом. Несколько сеансов в течении месяца.
До начала всех этих измерений, моноблоки были отбалансированы. Это производилось через полтора часа после включения. Значение 93,1/93,1 на обоих моноблоках.
04 таб.jpg
Замеры баланса 04
05 таб.jpg
Замеры баланса 05
06 таб.jpg
Замеры баланса 06
07 таб.jpg
Замеры баланса 07

Вижу, что единожды отбалансировав моноблоки в средней точке, предполагаемого времени прослушивания (спустя полтора часа после включения), я всегда имею симметрию относительно ее. Это и хотелось подтвердить.

На последнем графике кривые обнадеживают стабилизацией на пятом часу от включения, но это вряд ли имеет значение, ибо слушать музыку столь продолжительное время уши уже не осилят. :-)

Аватара пользователя
Роман Мирошниченко
Заслуженный Ветеран
Заслуженный Ветеран
Сообщения: 4415
Зарегистрирован: 09 май 2014, 13:31
Откуда: Саратов
Благодарил (а): 536 раз
Поблагодарили: 187 раз
Контактная информация:

Для статистики

#1079

Сообщение Роман Мирошниченко » 11 окт 2019, 10:14

Балансирую моноблоки примерно раз в месяц. Как и раньше, спустя полтора часа после включения. Отклонение составляет 2-4 мВ.
Что интересно, моноблок с разносветящимися лампами (который мы предполагали более проблемным из-за этого) держит баланс значительно лучше.
Возможно, с учетом приработки замененных компонентов, стоит снова провести исследование и определить иной интервал для прогрева. Но, времени на это нет совсем. Разницы в звуке до/после балансировки я не слышу.

Аватара пользователя
poty
Профи
Профи
Сообщения: 5049
Зарегистрирован: 24 мар 2014, 10:00
Откуда: Россия, Москва
Благодарил (а): 192 раза
Поблагодарили: 664 раза
Контактная информация:

#1080

Сообщение poty » 11 окт 2019, 10:27

2-4мВ на 1Ом - это 2-4мА. Исходя из данных по выходным трансформаторам, максимальный разбаланс по постоянному току в половинках не должен превышать 10мА, так что здесь никаких проблем и не предвидится.
За это сообщение автора poty поблагодарил:
Роман Мирошниченко
Рейтинг: 16.7%
 
Владислав

Ответить

Кто сейчас на конференции

Сейчас этот форум просматривают: нет зарегистрированных пользователей и 2 гостя