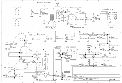
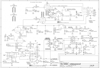
Итак, последняя схема:

- Реализованная схема с правками от Евгения и Алексея
Отправлено спустя 1 минуту 5 секунд:
Прошу Евгения, если вспомнит, подкорректировать по номенклатуре деталей.
На схеме - заменённые и добавленные элементы отмечены знаком (*).
Отправлено спустя 18 минут 11 секунд:
Теперь - обещанный анализ.
Я отталкивался от значений, которые должны быть стабилизированы. Таких значений два:
1. Суммарный ток через выходные лампы. Его стабильность не вызывает вопросов.
2. Напряжение на каскаде драйвера. Было подтверждено, что оно составляет 261-262 вольта и стабильно во времени.
Т.о., объективная часть работает правильно.
Измерения на балансере я не учитывал, так как достоверность их вызывает сомнения и они мало что добавляют в общую картину. Такой вывод я сделал из того, что напряжение накала находятся в допустимых пределах (12-12,1В).
Далее - драйвер работает правильно, средняя точка - находится практически идеально посередине анодного напряжения каскада. Суммарное потребление драйвера и стабилизатора (435-320)/43к=2,6мА. Ток стабилизатора 262/(470+2,2)=0,6мА, ток цепи подъёма накала 320/(220+62)=1,1мА, т.о., непосредственно каскад потребляет 0,9мА - что в пределах ожидаемых значений. Уверен, что 0,6мА не создаёт избыточной нагрузки на трансформатор (добавка к мощности - чуть больше 0,26Вт).
Смещение выходных ламп немного превышает ожидаемое значение, но это означает, что эмиссия у них ещё очень хорошая. Разность напряжений на катодах (43,5-42,3=1,2В или 2,8% и 42,9-41,5=1,4В или 3,4%) показывает достаточно высокую степень идентичности ламп в рабочей точке. В левом подбор немного более качественный.
Т.о., вердикт - усилитель работает в правильных режимах и никаких модификаций не требует.